Le commutateur Crossbar Suisse Trachsel Gfeller


1925

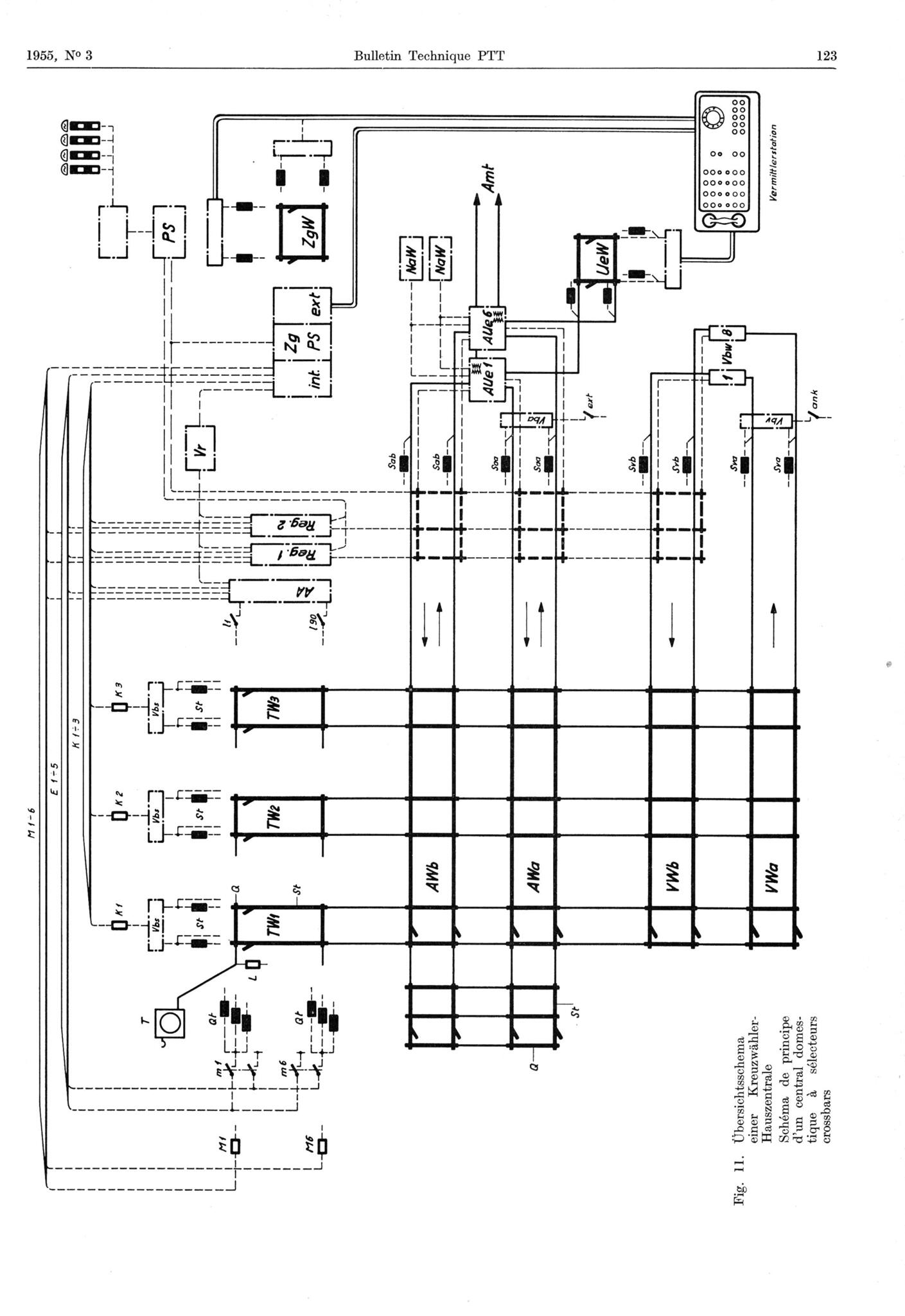
(A cet égard, il est fait référence à l'article "Le nouveau système téléphonique Trachsel-Gfeller à réflecteurs crossbars" dans la publication suisse TECHNIQUE PTT, 1955 ainsi que dans le brevet US 5.111.111. N° 2 955 165)
Le Crossbar Gfeller est caractéristique par l'enclenchement d'une barre verticale qui bloque l'ensemble de la commutation. Le système est mis tête en bas : en coupant le contact, on étalit la liaison.

En 1958 En France Télic achèta une licence du commutateur Crossbar Gfeller Suisse pour l'adaptation aux contraintes des normes françaises de téléphonie privée : c'est le Concentrateur Télic. Il sera mis au point après 4 années d'études. Il est innovant.

En 1964 Article du concentrateur de ligne En Australie

sommaire

1920-1925 Le commutateur Crossbar Suisse selon Fritz Trachsel et Ffeller














sommaire