LE TELEPHONE MONOFILAIRE
Bien avant la premièe guerre mondiale, depuis longtemps déjà,
les progrès considérables réalisés en T.
S. F. et en téléphonie sans fil semblaient devoir porter
un préjudice énorme aux communications transmises par
conducteurs métalliques.
Deux spécialistes français, MM. Gaston Vincent et Louis
Duverger, qui, depuis de longues années, poursuivent l'étude
et l'application des courants de haute fréquence, frappés
de ce fait quon ne pourrait jamais obtenir le secret dans les
communications transmises par le rayonnement des antennes, pensèrent
tout autrement.
Ils conçurent et appliquèrent lidée nouvelle
d'utiliser, non plus le rayonnement, mais l'antenne elle-même.
Ils transformèrent les circuits téléphoniques en
antenne horizontale, à l'extrémité de laquelle
ils détectèrent directement les variations de potentiel
produites par un poste émetteur.
Par ce procédé, ils ont obtenu des communications téléphoniques
d'une portée si considérable que les plus grands espoirs
leur sont permis.
D'ailleurs, au cours d'expériences officielles effectuées
en secret voilà plus de deux ans, ils réussirent, en présence
des ingénieurs des P. T. T., à établir, sans aucun
relais, avec leur récepteur le plus simple, une liaison téléphonique
entre Bordeaux et Marseille par Paris, doublant d'un seul coup la portée
commerciale des dispositifs en service sur les multiples réseaux
de lEtat.
La réalisation des communications téléphoniques
à très grande distance peut être regardée
comme l'une des questions les plus considérables de la science
moderne tan au point de vue international qu'au point de vue technique.
Si de plus, on envisage les difficultés nombreuses quoffrent
ces communications, difficultés qui, a priori, semblent insurmontables
et dont la moindre est l'affaiblissement progressif et rapide de l'énergie
le long des conducteurs, on comprend tout lintérêt
qui sattache à la solution nouvelle présentée
par les inventeurs susnommés.
La pratique journalière, par les ingénieurs spécialistes,
de la télégraphie sous-marine, a permis une étude
sudisante des lois de la propagation de lénergie électrique
le long des cables immergés pour que nous puissions aisément
suivre la marche des phénomènes.
sommaire
Considérons un conducteur quelconque de très grande longueur,
dans lequel nous lançons un courant. Nous savons parfaitement
quà lextrémité de ce conducteur, très
loin de la source, le courant, très faible à lorigine,
augmente peu à peu pour arriver à un maximum dintensité
qu'il ne dépasse plus. Si on fait des essais sur des câbles
de même diamètre, mais de longueurs sensiblement différentes,
on voit que, pour produire un effet déterminé, le courant
emploie des temps qui augmentent plus rapidement que la simple longueur
des eonducteurs. La période détablissement du courant
varie comme le carré de cette longueur.
Ainsi, lorsque nous envoyons une charge positive dun point A à
un point B, si, avant que le courant soit établi en B, nous introduisons
dans la ligne une charge négative, nous retardons la transmission.
Par contre, nous abrégeons la période détablissement
du courant si nous y lançons une autre charge positive. En effet,
sur une ligne téléjihonique de 570 kilomètres de
longueur, la charge positive, lancée jmr une batterie de piles
de 150 éléments mettra 0"03s pour amener le point
B à la joériode dite détat permanent. Si,
jiendant cette période détablissement, on introduit
une nouvelle charge de nom contraire, à laide dune
pile de 20 éléments Bunsen, le temps devient 0"038.
Pour une charge de même nom, le nombre sera seulement 0"018.
Si, maintenant, nous remjilaçons le conducteur aie 570 kilomètres
j)ar un cable sous-marin France-Amérique, dont la longueur dépasse
5.500 kilomètres, aux dillicultés déjà énoncées
sajouteront les effets de capacité, car un conducteur immergé
de cette étendue constitue, avec leau salée, un
condensateur immense dont la charge soppose au passage du courant
quon y lance. Il sy oppose dautant joins fortement
que le courant utilisé est joins énergique.
Disons enfin que, dans le cas jiartieulier de la télégrajolne
sous-marine, lexjoérience montre que les résultats
obtenus sont dautant meilleurs que le câble est complètement
déchargé après chaque signal.
Quelle devait donc être la solution dans le cas de la téléjihonie
où, au lieu de signaux très distants le.s uns des autres,
on se trouve en présence de courants alternatifs extrêmement
rapides, si on les compare aux signaux télégrapiqucs du
système Morse ?
Il fallait entretenir dans le conducteur envisagé des pulsations
toujours de même sens afin de réduire dans toute la mesure
du possible la période d'établissement du courant à
lextrémité du conducteur, et dy maintenir
une énergie qui soit sulhsante pour influencer, à travers
toutes les résistances et capacités de la ligne, un appareil
de réception dont la sensibilité soit telle quil
fonctionne à la moindre variation électrique produite
par la source.
Pour y parvenir, MM. Vincent et Duverger pensèrent quavant
toute chose, il leur fallait étudier un récepteur de grande
sensibilité capable de fonctionner sous laction dune
quantité dénergie aussi faible que possible. Cest
ainsi quils créèrent labsorbeur.

SCHEMA DE MONTAOE D'UN TELEPHONE MONIFILAIRE
A gauche, se trouvent le microphone M, lu batterie de piles C et le
transformateur T rendu unipolaire par la liaison du secondaire au primaire.
A droite, on voit l'absorbeur G F2 P F,, sa batterie de chauffa g* A
et sa batterie auxiliaire H influençant les récepteurs
II du téléphone du correspondant. Ce dispositif est Fun
de ceux (pie. Ion préconise pour la téléphonie
sous-marine. La portée, pratiquement illimitée, est fonction
de l'isolement du câble utilisé.
TELEPHONE PAR DÉTECTION DIRECT. UTILISANT UN DISPOSITIF ABSORBEUR
L'dbsorbeur, que l'on voit à droite sur la. photographie, possède
les mêmes propriétés que l'audiou, mais il est moins
fragile et il permet d'utiliser des filaments spéciaux recouverts
d'oxydes métalliques.
Présentée sous cette forme, la question devenait soluble
pour des chercheurs avertis.
Labsorbeur, tel que nous le montre la figure, nest autre
chose quun tube à vide dont lampoule de verre et
la plaque sont remplacées par un tube de métal dans lequel
on fait un certain vide et à l'intérieur duquel se trouvent
le filament et la grille.
Tout comme laudion, cet appareil fonctionne à la manière
dun clapet électrique qui admet les courants dun
certain sens et arrête ceux de sens inverse. Il permet donc dactionner
un téléphone placé dans un circuit dutilisation,
et cela quelle que soit la rapidité des changements de sens du
courant.
Lorsque le détecteur fut trouvé, les auteurs envisagèrent
la question dans son sens le plus large ; puisque, dans la plupart des
cas où lon aurait à appliquer le téléphone
à très grande distance, notamment en téléphonie
sous-marine, on ne pourrait disposer que dun seul conducteur,
le câble télégraphique, il fallait réaliser
un dispositif qui permette dutiliser indifféremment un
ou deux conducteurs.
Mais comment influencer au départ un .conducteur monofilaire
?
On prit à cet effet un poste ordinaire : pile, microphone, transformateur,
dont lune des bornes du secondaire fut reliée au négatif
de la pile, rendant ainsi le transformateur unipolaire.
Sous laction des variations dintensité produites
par le micro dans le circuit primaire, des oscillations se produisaient
le long du conducteur partant du secondaire, et il suffisait de brancher
directement lautre extrémité du conducteur à
la grille de labsorbeur ou du tube à vide du poste récepteur
pour pouvoir influencer un téléphone disposé convenablement
dans le circuit dutilisation.
La sensibilité de lensemble ainsi constitué fut
telle que, dès les premiers essais et malgré tous les
dispositifs employées, on ne réussit jamais, tant en laboratoire
que sur lignes réelles, àéteindre la communication.
Des expériences furent faites entre Paris et le Havre, Paris-Marseille,
Marseille le Havre par Paris, Bordeaux-Marseille par Paris, toutes ces
communications établies directement et sans relais intermédiaires,
montrèrent immédiatement la supériorité
du procédé sur tous les dispositifs existants, jusques
et y compris lamplification à la réception.
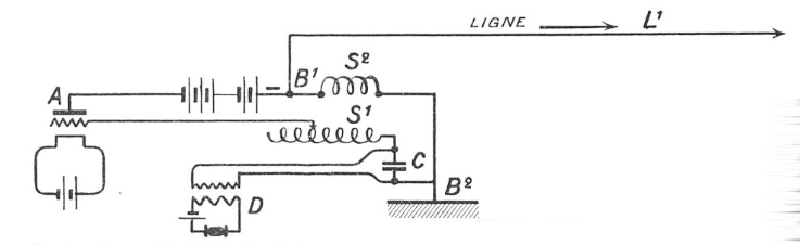
SCHEMA D'UN MONTAGE DE TELEPHONiE PAR ONDE
ENTRETENUES
Il s'agit du montage d'un poste générateur d'ondes entretenues
influençant la ligne sur laquelle est branché, à
la réception, le poste de l'absorbeur A. Ce poste se compose
d'un circuit oscillant comprenant un condensateur C, une self S1 S2
et un audion montés en série. Les deux bornes B1 et B2
du circuit de haute fréquence sont reliées, l'une à
la ligne L1, l'autre à la terre ou à la deuxième
ligne d'un circuit ordinaire.
A gauche, se trouvent le microphone M, la batterie de piles C et le
transformateur T rendu unipolaire par la liaison du secondaire au primaire.
A droite, on voit l'absorbeur G F2 P F1 sa batterie de chauffage A et
sa batterie auxiliaire H influençant les récepteurs R
du téléphone du correspondant. Ce dispositif est l'un
de ceux que l'on préconise pour la téléphonie sous-marine.
La portée, pratiquement illimitée, est fonction de l'isolement
du câble utilisé.

DISPOSITIF DE TELEPHONE PAR DETECTION DIRECTE
Cet ensemble permet de recevoir des communications téléphoniques
directes par un andion, sans batterie auxiliaire. La sensibilité
de cet appareil est telle qu'il a permis de recevoir à Marseille
un message venant de Bordeaux par Paris, sans relais d'aucune sorte.

Toutefois, ce nétait encore
que la première partie du problème qui avait été
résolue : à la vérité, on possédait
bien un dispositif de réception dune sensibilité
tout à fait exceptionnelle, mais comment se comporteraient les
oscillations de basse fréquence en présence des capacités
formidables constituées par les câbles ou seulement les
lignes de très grande longueur ?
Les essais autorisés par M. le ministre du Commerce, tant à
lécole supérieure des Postes et Télégraphes
que sur les réseaux détudes des centraux téléphoniques,
ne permirent jamais, malgré l'emploi de toutes les résistances
et capacités disponibles introduites dans les circuits, darriver
à un étouffement sensible des communications.
sommaire
Poussant beaucoup plus loin leurs très intéressantes recherches,
MM. Vincent et Duverger sattaquèrent à la seconde
partie du problème : la création de courants spéciaux
susceptibles de vaincre capacités et résistances.
Ils se souvinrent à propos dune particularité bien
connue des courants de haute fréquence qui tendent à se
transmettre le long et à lextérieur des conducteurs.
Utiliser les courants haute fréquence, cétait de
toute évidence lutter avantageusement contre la résistance
considérable du conducteur.
L'expérience fut tentée en remplaçant, au poste
de départ, les oscillations de basse fréquence par des
ondes entretenues alin dapporter à lémission
les mêmes perfectionnements déjà obtenus à
la réception.
Les conséquences de cette nouvelle application dépassèrent
de beaucoup les espérances.
On put, par ce procédé, non seulement communiquer téléphoniquement
de poste à poste à laide dun seul conducteur,
mais on réalisa des conununications multiples.
Le nouveau poste émetteur se compose dun générateur
dondes entretenues analogue à ceux employés pour
la téléphonie sans fil : un microphone est monté
dans le circuit dune pile dans lequel est intercalé le
primaire dun transformateur téléphonique dont les
constantes ont fait l'objet d'une étude toute spéciale,
notamment en ce qui concerne le rapport de transformation très
élevé.
L'appareil de droite permet l'intercommunication avec un poste téléphonique
placé à proximité du treuil d'an ballon captif
on avec un poste, de réseau ordinaire sans antre liaison électrique
que le câble d'attache du ludion. L'appareil de gauche permet
la communication mono flaire ou bifilaire au choix. Si l'âme téléphonique
du câble vient à se rompre, on passe instantanément
du système monofitaire au bifilaire. Il suffit, pour cela de
tourner simplement, le commutateur à flèche que l'on voit
vers la partie supérieure de la figure et de débrancher
la fiche lïi vers Mono.
La force électromotrice induite du secondaire placé dans
le circuit de grille, agissant sur celle-ci, y produit des variations
de tension. Le secondaire est, en outre, shunté par un condensateur
qui a pour effet de transmettre directement le courant de haute fréquence.
Du négatif de la batterie du circuit plaque, part la ligne qui
nest autre chose qu'une immense antenne dont la base est reliée
à la terre et le sommet au poste récepteur. Dans ces conditions,
on conçoit aisément le fonctionnement à la réception
:
Dès l'instant où l'on se brandie, à l'arrivée,
à l'extrémité de lantenne, les variations,
quelles quelles soient, se trouveront fidèlement détectées
par l'appareil spécial placé en ce point de la ligne,
que ce soit un audion ou un absorbeur. Si le dispositif émetteur
est à communication unique, la réception sera unique au
circuit dutilisation. Si le dispositif émetteur est établi
pour lancer simultanément plusieurs communications, le dispositif
récepteur sélectionnera automatiquement, au moyen de selfs
et de capacités appropriées, les différentes longueurs
d'ondes
auxquelles correspondent les postes émetteurs et permettra à
autant dappareils récepteurs de recueillir chacun sa communication
particulière, les oscillations intéressant chaque poste
pouvant être établies suivant des longueurs d'onde différentes.
Ainsi résumées, les recherches entreprises par les inventeurs
semblent d'une simplicité extrême ; elles représentent
pourtant des années d'expériences et de mise au point,
et, en pareille matière, ce sont seulement les résultats
qui comptent. Or ceux-ci furent immédiats.
Dès 1918, en pleine guerre, la téléphonie
monofilaire permettait de résoudre un autre problème considéré
comme insoluble : la téléphonie avèc la nacelle
des ballons d'observation à l'aide dun seul conducteur
qui nétait autre que le câble de traction, non muni
dune âme téléphonique.
Deux types dappareils furent créés qui permettent,
la communication à bout de câble, cest-à-dire
à plus de 1.500 mètres de hauteur, lun pour les
ballons dont le câble ne comporte pas d'âme téléphonique,
lautre pour les ballons à câble portant une âme
téléphonique. Lorsque celle-ci vient à se rompre,
au cours dune manuvre, on peut passer instantanément,
par le seul déplacement dune manette, du dispositif bifilaire
au dispositif monolilaire .