GEC et le Rural Automatic Exchange (RAX),
Dans le cas de la Grande-Bretagne et de la Belgique,
les entreprises locales de téléphonie effectuaient un
travail de développement utile qui remontait jusqu'à la
société mère aux Etats-Unis.
Lune delle General Electric
Company développe le RAX, Rural Automatic
Exchange. Il s'agissait d'un petit central téléphonique
d'échange autonome dans un bâtiment transportable qui pouvait
être utilisé pour automatiser rapidement les zones rurales.
GEC, le principal producteur britannique de « tout ce qui
est électrique », avait commencé à s'intéresser
aux équipements de télécommunications au début
du XXe siècle avec des équipements fabriqués à
Peel Works à Manchester, mais c'est avec l'embauche d'un Américain,
Merritt Scott Conner, vers 1909, qu'ils ont vraiment commencé
à se concentrer sur la téléphonie et à mettre
à jour leur gamme de produits. Cela a conduit GEC à former
la Peel-Conner Company et c'est en 1915 que Conner a suggéré
qu'un site à Stoke à Coventry constituerait une base appropriée
pour une nouvelle usine de téléphones.


Après la Première Guerre mondiale, GEC
a développé le site de Coventry, a liquidé
la Peel-Conner Company et a rebaptisé tous les produits sous
le nom de GEC.
En 1923, Conner est retourné aux États-Unis. GEC a bénéficié
de la croissance de la téléphonie et des investissements
réalisés par le GPO, qui dirigeait alors le réseau
de télécommunications du Royaume-Uni, à la fois
dans les appareils téléphoniques et dans les équipements
de central par le biais des « accords de fourniture en gros ».
GEC s'était étendu sur le site de Coventry et pendant
les années de guerre, alors qu'elle fabriquait des équipements
radio vitaux, sa présence dans la ville s'est encore accrue.
La longue et complexe saga de l'histoire de l'activité de télécommunications
de GEC a fait qu'en fin de compte, le site des travaux ici impliquait
à la fois Ericsson et Telent qui ont quitté le site de
Stoke au début du XIX siècle .
Coventry
Les premières expériences de centraux
automatiques ruraux ont eu lieu dès 1915, et d'autres
installations de « centraux de village », conçus
par la société Automatic
Telephone Manufacturing Company A.T.M.
Co. et Siemens Bros., ont eu lieu au cours des années
1921-1924.
Le premier central automatique rural (RAX) de ce pays a été
mis en service le 24 octobre 1921 à Ramsey, dans
le Huntingdonshire, dans la région téléphonique
de Peterborough en Grande Bretagne. Il s'agissait d'un central à
commutateurs de type Strowger de 40 lignes,
fourni par Siemens.
Il s'agissait du premier d'une série d'essais d'équipements
de central destinés à améliorer le service téléphonique
aux abonnés ruraux. Les zones rurales étaient jusqu'à
présent desservies par de petits centraux manuels surveillés
par des opérateurs ou opératrices. Ces centraux comptant
moins de 20 abonnés ne fournissaient généralement
pas de service la nuit ou le dimanche, ce qui constituait un inconvénient
évident.
General Electric Company
(GEC) faisait partie du « cercle » de quatre
(plus tard cinq) sociétés fournissant à La Poste
Britanique (GPO) des centraux téléphoniques automatiques
Strowger (appelés « Step-by-Step » ou SXS) utilisés
des années 1920 aux années 1960.
La Poste Britanique a finalement aussi opté pour un central automatique
de 100 lignes conçu par General
Electric Company pour les zones rurales, connu sous
le nom de RAX n° 5 en 1929.
Comptant généralement entre 50 et 200 lignes, il a été
développé par les bureaux de poste britanniques et australiens
en collaboration avec le titulaire de licence britannique ATM d'Automatic
Electric qui a trouvé des marchés dans le monde entier.
Dans les années 1920, des centraux automatiques plus petits,
installés dans des bâtiments spécialement conçus,
ont été utilisés dans les zones rurales. Ils étaient
indispensables dans les régions où le téléphoniste
en place était sur le point de partir à la retraite et
où personne ne pouvait prendre la relève du central manuel.
De nombreuses zones rurales étaient parsemées de ces petits
bâtiments en métal ou en bois. Le terme britannique pour
ces bâtiments était RAX (Rural Automatic Exchange).
Dans de nombreux cas, la campagne environnante était automatisée
bien avant le central urbain le plus proche auquel ils étaient
reliés.
Un modèle GEC plus grand avec 200 lignes, connu sous le nom de
RAX n° 6, a été introduit en 1931 et des unités
encore plus grandes avec plus de fonctionnalités ont été
adoptées en 1937. Ces centraux plus grands étaient adaptés
à la fois aux zones rurales et urbaines et disposaient de fonctionnalités
permettant de composer et de recevoir des appels depuis les centraux
principaux. Le concept de construction unitaire ayant été
adopté, ce qui permettait d'agrandir le central par l'ajout d'armoires
supplémentaires, ces postes furent connus sous le nom de UAX
(Unit Automatic Exchange) n° 12, 13 et 14. La Poste était
désormais en mesure de fournir aux communautés rurales
un service téléphonique aussi bon que celui fourni aux
abonnés urbains.
Il est nécessaire de composer deux chiffres pour tous les appels,
locaux et de jonction, et quatre liaisons de connexion sont fournies
dans chaque unité. Chaque liaison se compose d'un chercheur de
ligne à 25 points (commutateur de ligne rotatif sans homing)
et d'un sélecteur à deux mouvements de type Strowger.
Les lignes d'abonné et de jonction sont connectées aux
banques de chercheurs de ligne et également aux banques de sélecteurs.
La première application à grande échelle
de la téléphonie automatique dans les zones rurales n'a
eu lieu qu'en 1929, lorsque la Poste a introduit son premier équipement
de central automatique rural standard, sous le nom de R.A.X. No. 5.23
La désignation de central automatique rural (R.A.X.) a été
ultérieurement changée en central automatique unitaire
(U.A.X.) pour éviter toute objection éventuelle de la
part des communautés qui ne se considéraient pas comme
rurales. Le premier du nouveau type de central automatique rural RAX
n° 5 a été ouvert à Haynes (Bedfordshire)
le 4 février 1929.
sommaire
Principe de fonctionnement
Lorsqu'un appel est émis par un abonné qui décroche
le combiné, un commutateur d'affectation sélectionne une
liaison de connexion désengagée et les (sélécteurs)
essuie-glaces du détecteur de ligne tournent jusqu'à ce
qu'ils s'arrêtent sur les contacts de banque de la ligne appelante,
qui est maintenant connectée au sélecteur correspondant.
Les deux trains d'impulsions sont ensuite reçus par le sélecteur
qui se dirige vers la ligne requise et la sonnerie est envoyée
à l'appelé, la sonnerie étant transmise à
l'appelant. Lorsque l'abonné appelé répond, la
sonnerie est automatiquement coupée et le compteur associé
à la ligne appelante est actionné. Une fois la conversation
terminée, l'ensemble des appareils est remis en fonctionnement
normal par l'appelant qui remplace le combiné. Pour les appels
entrants de jonction, le fonctionnement de l'appareil est exactement
le même que pour l'appel local décrit ci-dessus. Le nombre
maximum de jonctions est de dix et des groupes de contacts bancaires
consécutifs au niveau " 0 " du sélecteur peuvent
être attribués à des groupes de jonctions vers divers
centraux distants. Par exemple, deux centraux différents peuvent
être atteints en composant " 01 " (trois jonctions)
et " 04 " (sept jonctions).
Le deuxième chiffre fait tourner les curseurs du sélecteur
vers la première ligne de jonction vers le central requis et
si cette ligne est occupée, les curseurs tournent jusqu'à
ce qu'une ligne libre vers ce central soit trouvée.
Le courant de sonnerie est ensuite transmis pour actionner un signal
au central principal. La mesure n'est pas efficace sur les appels établis
via ces jonctions.
En plus de la tonalité de sonnerie mentionnée précédemment,
les tonalités habituelles " occupé " et "
numéro introuvable sont fournies.
Des instruments de collecte de pièces peuvent être utilisés
et pour permettre à un opérateur de central distant de
faire la distinction entre ces derniers et les appels des abonnés
ordinaires, une tonalité distinctive est transmise sur les jonctions
lorsque les appels sont émis à partir d'une station de
collecte de pièces.
Étant essentiellement conçu pour le service dans les régions
éloignées Dans les districts où des soins spécialisés
ne peuvent pas être fournis de manière économique,
il était évident que de nombreuses caractéristiques
spéciales devraient être incluses dans le R.A.X. et, au
cours des étapes expérimentales, toutes les conditions
possibles ont été prises en compte.
LE NOUVEAU TYPE INTRODUIT PAR LA POSTE BRITANNIQUE.
Fig 1 
(1) Il y a plusieurs années, le ministère a installé
plusieurs centraux automatiques « villageois ». Ceux-ci
étaient de différents types afin de pouvoir acquérir
de l'expérience quant à la faisabilité de l'utilisation
d'installations automatiques dans des zones où seule une attention
limitée pouvait être accordée. Plusieurs de ces
premiers centraux fournissent toujours un bon service et les autres
ont été convertis en centraux satellites.
(2) Hormis les quelques centraux mentionnés ci-dessus, le Ministère
n'a fait aucune tentative sérieuse pour introduire le fonctionnement
automatique dans les zones rurales jusqu'à ce que l'on envisagea
le développement d'appareils sous forme d'"unités",
permettant ainsi de répondre aux besoins d'un petit nombre d'abonnés
au départ et d'ajouter des unités supplémentaires
en fonction des besoins de la croissance ultérieure.
(3) Les principales raisons qui ont conduit à reconsidérer
la question étaient les suivantes : -
(a) La difficulté croissante d'obtenir des opérateurs
de garde pour les centraux manuels ruraux et les dépenses constantes
entraînées par le déplacement de ces centraux vers
d'autres locaux en raison du problème de fonctionnement.
(b) La demande croissante d'un service continu tout au long de la nuit
comme de la journée.
(c) L'introduction générale du fonctionnement automatique
dans les centraux les plus importants, conduisant ainsi à la
désirabilité de normaliser le fonctionnement automatique
pour toutes les tailles de centraux.
(d) L'amélioration considérable de la conception des installations
automatiques et la réduction conséquente de la responsabilité
en cas de panne semblaient rendre plus réalisable la proposition
de laisser les commutateurs automatiques sans surveillance pendant des
périodes considérables.
(4) Unité R.A.X. - Cet équipement est connu sous le nom
de « unité Auto n° 5 » (voir Fig. I) et présente
les caractéristiques suivantes :
(a) L'unité se présente sous forme d'armoire, mesurant
6 pieds 3 pouces de haut x 2 pieds de large x r pieds 3 pouces de profondeur,
et est fermée à l'avant et à l'arrière par
des portes en tôle espacées d'air se fermant sur du feutre.
Chaque unité a une capacité de 25 lignes (abonnés
et jonctions) et un maximum de quatre unités peuvent être
installées dans un central.
Des jonctions, selon les besoins, sont fournies aux centraux éloignés,
la terminaison étant sur un tableau manuel.
(b) L'équipement est conçu pour fonctionner à partir
de cellules secondaires avec une plage de tension de 46 à 52
volts et une plage de numérotation de 7 à 14 .P.S.
Des téléphones automatiques standard, avec conversation
sur batterie centrale, sont installés dans les locaux des abonnés.
(c) Des tonalités « Occupé », « Sonnerie
» et « N.U. » sont fournies.
( d) Comptage automatique des appels locaux
(e) Fonctionnement de la boîte à pièces et fourniture
d'une tonalité de boîte à pièces distinctive
à l'opérateur du central parent.
(f) Signal de surveillance sur appel de jonction, dans les deux sens,
contrôlé par le crochet commutateur de l'abonné
R.A.X.
(g) La libération forcée est appliquée en 12 à
25 secondes à un sélecteur détenu par un abonné
qui n'a pas composé ou qui n'a composé qu'un seul chiffre.
(h) Afin d'éviter le gaspillage de la batterie en cas de boucle
permanente ou de conditions équivalentes, l'équipement
est agencé de telle sorte qu'après un intervalle de 15
à 30 secondes, l'équipement d'appel de l'abonné
est coupé et le défaut maintenu sur un relais à
haute résistance. Si l'abonné remplace le récepteur,
ou en cas de problème de ligne, le défaut disparaît,
le circuit est rétabli en fonctionnement normal.
(i) Aucune alarme n'est fournie, mais l'opérateur du central
parent peut, en composant le " 99 ", vérifier les conditions
au R.A.X.
&(i) Signal de sonnerie inversé, lorsque le récepteur
est remis en marche ou en cas de problème de ligne, le défaut
disparaît et le circuit est rétabli en fonctionnement normal.
&(ii) Aucune alarme n'est fournie, mais l'opérateur du central
parent peut, en composant le " 99 ", vérifier les conditions
au R.A.X.
&(iii) Signal de sonnerie inversé, lorsqu'il est reçu,
l'indication est que la sonnerie a échoué ou que la jonction
est hors service.
(5) Certaines fonctionnalités, non considérées
comme essentielles, n'ont pas été prises en charge :
(a) Tonalité de numérotation.
(b) Fonctionnement de la ligne partagée.
(c) Fonctionnalités de ligne interdite.
(d) Offre de ligne et mise en attente de l'opérateur.
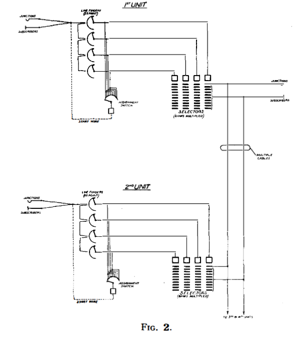
(6) Le schéma de jonction est illustré à la Fig.
2.
Tous les appels, qu'ils soient de jonction ou locaux, sont effectués
par la composition de deux chiffres, les connexions pour les appels
d'abonnés et de jonction étant effectuées au moyen
de « liens de connexion », dont quatre sont installés
dans chaque unité. Chaque « lien de connexion » se
compose d'un détecteur de ligne (un commutateur de ligne rotatif
sans homing) associé à un sélecteur à 2
mouvements du type Strowger.
Un « commutateur d'affectation » attribue les liens de connexion
dans l'ordre consécutif au fur et à mesure que les appels
sont émis. Normalement, les curseurs de ce commutateur se trouvent
sur les contacts d'un lien de connexion désengagé et ce
lien est saisi par l'appel suivant. Le commutateur d'affectation est
alors déplacé vers le lien libre suivant.
Les lignes d'abonnés et de jonction sont connectées aux
bancs des détecteurs de lignes et sont également multipliées
sur les bancs des sélecteurs.
Lorsqu'un appel est émis, le détecteur de lignes de la
liaison de connexion est mis en marche et ses curseurs sont tournés
jusqu'à ce qu'ils atteignent les contacts de banc associés
à la ligne appelante sur lesquels ils s'arrêtent. Le sélecteur
de la liaison de connexion est ainsi connecté via le détecteur
de lignes à la ligne appelante et reçoit les deux trains
d'impulsions du cadran de l'appelant. Le sélecteur est déplacé
jusqu'au numéro composé, la sonnerie est automatiquement
appliquée et coupée lorsque l'appelé répond.
La numérotation a lieu sur les appels locaux lorsque l'abonné
appelé décroche le combiné.
Tous les appareils reviennent à la normale lorsque l'appelant
raccroche le combiné.
(7) Le système de numérotation est organisé de
telle sorte que les niveaux 1 à 9 des sélecteurs soient
utilisés pour les lignes d'abonnés. Lorsqu'un central
constitué d'une seule unité est ouvert, les numéros
des abonnés commencent au niveau 2 et continuent à mesure
que d'autres unités sont ajoutées au niveau CJ, le niveau
1 étant le dernier niveau à être mis en service.
Le niveau 0 est réservé aux jonctions dans tous les cas.
Des jonctions vers plusieurs centraux peuvent être fournies. S'il
n'y a qu'un seul groupe de jonctions sortantes, le numéro à
composer serait " 01 ". S'il y a deux groupes, le deuxième
sera appelé en composant, par exemple, " 05 ".

Remarque : lorsqu'une ligne est connectée à ce circuit,
Emth est déconnecté et des connexions en pointillés
sont établies.

Fig 4
Fig 5
Le nombre total de terminaisons de jonction sortantes
ne peut pas dépasser dix. Comme des jonctions vers plus d'un
central peuvent être prévues, plusieurs petits groupes
de jonctions peuvent être pris en charge, chaque groupe étant
terminé sur un groupe de contacts de banque consécutifs.
Lorsque le deuxième chiffre du numéro de jonction a été
composé, un circuit de pas automatique est mis en service au
niveau 0, ce qui provoque l'activation des curseurs de sélection
si la première jonction vers le central requis est occupée.
Cette activation automatique continue tant que les curseurs de sélection
rencontrent des jonctions occupées jusqu'à ce que la dernière
ligne vers le central requis soit atteinte. Si celle-ci est occupée,
la tonalité d'occupation est renvoyée à l'appelant.
Les jonctions et les abonnés sont équipés d'appareils
d'appel similaires de sorte que le fonctionnement de l'appareil lors
d'un appel de jonction entrant est le même que dans le cas d'un
appel d'abonné.
(9) Dans les cas où le central automatique rural n'a de jonctions
que vers un seul central, ce central est appelé central parent.
Dans les cas où le central rural a des jonctions avec plus d'un
central, le central qui gère la jonction indirecte et le trafic
principal est appelé central parent.
Deux centraux automatiques ruraux ne peuvent pas fonctionner directement
l'un avec l'autre, mais un central manuel peut accéder à
un autre « par l'intermédiaire d'un central automatique
rural.»
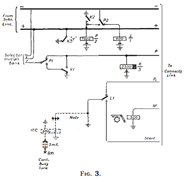
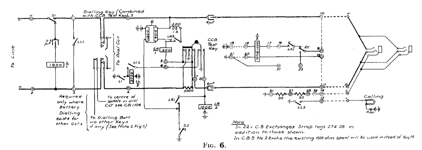
(9) Les figures 3, 4 et 5 montrent les circuits de l'appareil automatique
qui constitue l'unité, et la figure 6 donne un exemple typique
de l'appareil auxiliaire qui doit être installé dans la
terminaison de jonction sur le panneau manuel du central parent. Une
brève description du fonctionnement du circuit est donnée
en annexe de cet article.
(10) Centrale électrique. -
Une petite centrale électrique comprenant deux ensembles de cellules
secondaires de 25 à 40 ampères-heure, un panneau d'alimentation
et des moyens de charge est fournie. Lorsqu'une alimentation électrique
publique est disponible, un Dynamotor ou un redresseur Tungar est installé,
selon que l'alimentation est en courant continu ou alternatif. Si l'alimentation
publique n'est pas disponible, on installe un ensemble de charge à
essence et à électricité. Dans tous les cas, l'installation
est agencée de telle sorte que la charge cesse automatiquement
lorsqu'un nombre prédéterminé d'ampères-heures
a été introduit dans les cellules : il n'est donc pas
nécessaire de faire attention pendant la charge.
(11) Disposition. - Une disposition typique est donnée à
la figure 7, qui montre quatre unités de 25 lignes assemblées,
avec un petit MDF. En relation avec ce dernier, une tranchée
de câbles est prévue pour les câbles souterrains
d'entrée.
(12) Installation extérieure. - L'installation extérieure
est fournie conformément à la pratique standard habituelle
du Ministère. La résistance limite pour les jonctions
est de 1 200 ohms. En ce qui concerne la résistance d'isolement
sur les lignes d'abonnés et de jonction, il a été
reconnu que la construction à fil ouvert était concernée
et par conséquent l'équipement automatique a été
conçu pour permettre une résistance d'isolement de 20
000 ohms sur l'une ou l'autre ligne à la terre ou entre les lignes
positive et négative. Le relais à haute résistance
qui maintient une ligne dans des conditions de P.L. (voir paragraphe
4 h) ne conserve pas jusqu'à ce que la résistance d'isolement
diminue à environ 1 000 ohms.
(13) Bâtiment et sécurité - L'ensemble de l'équipement
d'échange pour un ensemble de lignes de bus est logé dans
un bâtiment sans prétention (voir la figure 8) ayant des
dimensions intérieures de 14 pieds x 7 pieds x 6 pieds 8 pouces
de hauteur. Un site mesurant 60 pieds x 20 pieds est spécifié
afin de permettre une extension future en cas de croissance anormale
lorsqu'une unité de bâtiment supplémentaire serait
érigée, en bout de celle existante, et que toutes les
modifications nécessaires à l'installation seraient effectuées.
Fig
8 
Le bâtiment est construit avec des murs creux pour empêcher
les changements rapides de température et ceci, avec l'exploit
de deux ventilateurs à air en tôle montés sur l'unité
automatique, est destiné à répondre à la
nécessité de chauffer le bâtiment.
Un kiosque téléphonique contenant une
boîte à pièces prépayée sera généralement
installé sur le site du central, les appels locaux étant
obtenus de manière automatique et les appels de jonction via
le central principal.
L'occasion est saisie pour rendre l'extérieur du bâtiment
et le site conformes aux aménagements de la localité,
en prévoyant un modeste jardin, une haie de troènes, des
rosiers grimpants, un terrain gazonné, etc.
Conclusion. Le premier du nouveau type de central automatique
rural a été ouvert à Haynes (Bedfordshire)
le 4 février 1929, et depuis lors, dix centraux supplémentaires
ont été ouverts. Malgré des conditions très
rigoureuses cet hiver et une température inférieure à
zéro dans au moins un des centraux, l'appareil a fonctionné
de manière satisfaisante et semble justifier les attentes.
Le Ministère a l'intention de construire des centraux automatiques
ruraux dans les zones où il y a au moins huit abonnés.
On peut donc dire à juste titre qu'un effort est fait pour fournir
des installations téléphoniques dans les zones rurales
peu peuplées. On espère que l'expérience sera un
succès et contribuera à l'éducation de la nation
en vue de l'acquisition de « l'habitude du téléphone
».
ANNEXE. FONCTIONNEMENT DU CIRCUIT.
La description suivante indique les fonctions et le fonctionnement des
principaux éléments de l'équipement pour les différents
types d'appels qu'il doit traiter.
(1) Appel local - abonné appelé libre. -
Lorsqu'un abonné retire le récepteur, le relais L (Fig.
3) fonctionne et met à la terre le fil de "démarrage"
des relais de commutation d'affectation SA et SB (Fig. 5). Le relais
SF de la liaison de connexion (Fig. 4) sur laquelle se trouve le commutateur
est actionné via SA2 et relie l'aimant du détecteur de
ligne au curseur Pr de ce dernier commutateur. Tous les contacts de
la banque Pr, à l'exception de celui de la ligne appelante, sont
mis à la terre via les contacts Li de repos, de sorte que les
curseurs tournent (à condition qu'ils ne soient pas sur la ligne
appelante) et s'arrêtent lorsque la ligne appelante est atteinte.
L'absence de terre 011 de ce contact Pr permet également au relais
KF de fonctionner et l'abonné est commuté sur le relais
A. La terre par KF1 et le contact de la batterie P met en contact le
contact multiple et actionne les relais K et P de l'abonné, libérant
ainsi le relais L. KF2 met en marche l'interrupteur temporisé
(voir paragraphe 10).
Le relais A fonctionne, fermant le circuit du relais B, et l'abonné
compose les deux chiffres désirés.
Les circuits pas à pas verticaux et rotatifs fonctionnent de
manière habituelle, le relais C étant en parallèle
avec l'aimant vertical. Le relais E, actionné lorsque le deuxième
chiffre est composé, actionne le relais MD et maintient le relais
H. MD1 supprime la terre actionnant l'interrupteur temporisé
et ferme le circuit du vibreur de sonnerie (voir paragraphe 7), MD s
actionne le relais ] , préparant ainsi le circuit de mesure.
Lorsque les essuie-glaces atteignent le relais de ligne requis (tests
i, le relais E se libère et la terre est étendue pour
actionner les relais K et P des abonnés appelés. Le relais
H se libère et connecte le circuit de l'enroulement de 1300 ohms
du relais F à l'appareil commun via HJ, et exiencls également
le circuit de l'abonné requis à Fr et FJ.
Une terre intermittente fonctionne alors et libère le relais
F. Un courant de sonnerie est appliqué sur le contact "
make " de FJ pendant que le relais est actionné, de sorte
que la cloche de l'abonné souhaité sonne. Pendant les
périodes de libération du relais F, les relais DA et DB
sont étendus à la ligne de l'abonné appelé,
ces relais étant actionnés en série pendant la
période de silence suivante après que l'abonné
appelé a retiré le récepteur.
DB2 et S complètent le circuit de conversation entre les deux
abonnés. DB3 déconnecte le relais F, de sorte qu'il ne
fonctionnera plus. DB4 supprime la terre de l'appareil de sonnerie.
DAI et 4 inversent les lignes vers l'abonné appelant (cette fonction
est utilisée pour la jonction (sous surveillance seulement -
voir paragraphe 5), DA5 coupe le circuit du relais MD, qui se déclenche
après un intervalle. MD5 déclenche le relais J, mais comme
ce relais est lent à se déclencher, un circuit est fermé
via MD3 et J1 vers le compteur de l'abonné appelant, qui enregistre
l'appel.
En supposant que les deux abonnés raccrochent simultanément
les récepteurs, le relais A se déclenche et ferme le circuit
via B7 et A1 du relais de déclenchement R (Fig. 5). Le relais
B se déclenche après un court intervalle, coupant le circuit
du relais R et fermant le circuit de l'aimant de déclenchement
Z 11ia Rr et B6. Le relais R étant enfoncé, maintient
le circuit de Z de sorte que l'aimant fonctionne.
A la libération du sélecteur, les carths tenant les relais
K de chaque abonné sont retirés, et ces relais, en se
libérant, étendent les relais P aux lignes des abonnés.
Les relais P sont déjà actionnés et se bloqueront
si la résistance de ligne est inférieure à environ
9000 ohms.
(2) Appel local - abonné appelé occupé.
- Le fonctionnement de l'appareil est similaire à celui décrit
ci-dessus jusqu'à ce que le relais G teste la ligne de l'abonné
requis. G actionne alors via le curseur P, et à la libération
du relais E, se verrouille via GJ. Le circuit générateur
de tonalité est complété via G5 et Ez (voir paragraphe
8), la tonalité d'occupation étant transmise à
l'abonné appelant via G2 et Es. Le relais H est maintenu actionné
via Gr, empêchant ainsi la connexion des lignes négative
et positive au circuit occupé.
La libération est similaire à celle dans les conditions
« abonné appelé libre ».
(3) Numéro de réserve composé. -
Les contacts positifs de la banque de sélecteurs des circuits
de réserve sont attachés aux blocs de connexion et connectés
au relais DN, qui fonctionne en série avec le relais DB lorsqu'un
numéro de réserve est composé. Une tonalité
continue est alors générée (voir paragraphe 8)
et est transmise à l'abonné appelant via le relais DN
(qui fonctionne comme une bobine d'induction), le contact positif de
la banque et la liaison de connexion.
(4) Appel de jonction sortant. - Des groupes de jonctions sont
logés au niveau ' ' 0 ' '. Les contacts P 1 de ce niveau sont
câblés aux blocs de connexion, et les contacts I' et PI
des première et intermédiaire lignes de chaque groupe
sont reliés par des fils. Le contact P1 de la dernière
ligne de chaque groupe est laissé déconnecté.
Lorsqu'un appel de jonction est émis, l'abonné compose
le 0 et un autre chiffre. Le sélecteur actionne les ressorts
de poteau normaux au dixième étage, faisant ainsi passer
le relais J, le relais de mesure, au relais de recherche rotatif. Le
deuxième chiffre composé fait tourner les curseurs du
sélecteur jusqu'à la première jonction du groupe,
qui est testée de la manière habituelle par le relais
G. S'il est désengagé, le courant de sonnerie est transmis
de la même manière que pour un appel local.
Si la première jonction est occupée, les contacts P et
Pr seront mis à la terre. Le relais G fonctionne et se verrouille.
Le relais J fonctionne via Pr, en complétant le circuit du relais
C. ]3 et C3 ferment le circuit de l'aimant rotatif et du relais E, et
les essuie-glaces passent au contact suivant. Les ressorts de l'interrupteur
rotatif ouvrent alors le circuit du relais J. La deuxième jonction
est testée pendant que le relais E maintient, et s'il est occupé,
le même cycle d'opérations se produit et continue jusqu'à
ce qu'une ligne libre ou la dernière ligne du groupe soit atteinte.
Étant donné que le contact Pr sur la dernière ligne
est déconnecté, le pas rotatif ne peut pas continuer et
la tonalité d'occupation est transmise lorsque le relais G fonctionne.
Lors de la saisie d'une jonction libre, le courant de sonnerie est transmis
au central distant et fait vibrer le relais L (Fig. 6). Le relais LL
fonctionne et se verrouille et le signal d'appel est donné. Le
relais S fonctionne à l'insertion de la fiche et la sonnerie
est déclenchée par le court-circuit à LLr. L'opérateur
appuie ensuite sur la touche de la tirelire libérant ainsi LL
et actionnant LR. Cette touche met également à la terre
la ligne négative de la jonction via le relais LA et la bobine
de retard de 200 ohms, et met à la terre la ligne positive via
une bobine de 3000 ohms. Dans ces conditions, l'opérateur entend
une tonalité continue si l'appel est émis par un abonné
de la tirelire (voir paragraphe 9). L'absence de tonalité indique
qu'un abonné ordinaire appelle.
Lorsque la touche est relâchée, une boucle sèche
est fournie à travers la jonction par la bobine de retard et
le relais LA et le circuit du relais de surveillance du cordon est complété
via un enroulement du relais S et LA1. L'opérateur parle alors
à l'abonné appelant et termine la connexion.
Lorsque l'abonné appelant raccroche le combiné, le sélecteur
se relâche, libérant le relais K associé à
la jonction. Lorsque K se relâche, il étend le relais P
à la jonction, qui se maintient via LA et la bobine de retard.
P maintient et occupe le contact de la banque de sélecteurs,
mais LA se libère et donne un signal de libération à
l'opérateur.
Lorsque la prise est retirée, P se libère.
(5) Appel de jonction entrant.-Lorsque l'on branche le relais
S dans la prise de jonction, il relie ainsi LA et un enroulement de
D à travers la jonction et complète le circuit de l'autre
enroulement de D. D et LA fonctionnent et déconnectent le relais
de surveillance du cordon, de sorte qu'un signal de libération
est donné. L'opérateur lance la touche de numérotation,
libérant à la fois D et LA pendant que la touche est actionnée,
et le signal de libération continue. Une liaison de connexion
au R.A.X. est saisie et le sélecteur est déplacé
vers le numéro requis pendant que l'opérateur compose.
La sonnerie est appliquée et lorsque l'abonné appelé
répond, le relais D. (dans la liaison de connexion) inverse le
sens du courant dans la jonction. Le relais D se libère alors
tandis que LA retient, de sorte que le relais de surveillance est connecté
et le signal de libération supprimé. \Lorsque l'abonné
appelé raccroche le récepteur, le courant dans la jonction
est rétabli dans le sens d'origine et le relais D fonctionne
à nouveau, donnant le signal de libération. En retirant
la fiche, S1 coupe le circuit de jonction et libère la liaison
de connexion.
(6) Groupe de temporisation du relais. - Il s'agit d'un groupe
de six relais dans l'appareil commun qui commandent le vibreur de sonnerie
et le commutateur de temporisation, et assurent les interruptions de
la tonalité d'occupation.
Les trois relais à contact X, Y et Z (Fig. 5) sont connectés
de manière à ce que le circuit de chacun d'eux dépende
du contact de rupture de l'un des deux autres. Lorsqu'un appel est émis,
la terre est étendue par KF2 et le relais TM (Fig. 4) pour actionner
le relais TA dans l'appareil commun. TD est actionné et complète
le circuit de tous les relais simultanément.
Comme il est pratiquement impossible d'obtenir des relais avec exactement
le même retard de fonctionnement, l'un des trois coupe ses contacts
en premier et les relais commencent immédiatement à fonctionner
et à se libérer dans un ordre cyclique.
Les relais auxiliaires XX, YY et ZZ fonctionnent avec les relais de
commande, chacun étant actionné à tour de rôle
pendant environ 1 seconde.
(7) Sonnerie. - Lorsqu'un appelant compose un numéro,
le relais de deuxième chiffre MS fonctionne via MDr, retenant
le circuit du groupe de temporisation du relais et fermant le circuit
de l'aimant du vibreur via XX I, ces contacts fonctionnant et se libérant
comme décrit au paragraphe 6. La bobine du vibreur est attirée
et maintenue lorsque les contacts sont fermés. Lorsque XX se
relâche, la bobine vibre mécaniquement entre ses deux contacts
et un courant alternatif d'environ 16 cycles est généré
par induction dans l'enroulement de 59 ohms du transformateur dans le
rapport de 1 seconde de sonnerie à 1 seconde de silence.
Des interruptions de 1 seconde de sonnerie à 1 seconde de silence
sont fournies aux sélecteurs via YY I et ZZ 1.
(8) Tonalités. - Des tonalités continues sont générées
par le relais BZ. Lorsque son circuit est fermé par BY1 ou DN
1, le relais fonctionne et supprime le court-circuit de son deuxième
enroulement. Cela provoque le déclenchement du relais et remplace
ainsi le court-circuit.
Ces opérations se produisent rapidement et une tonalité
d'une hauteur à peu près standard, c'est-à-dire
400 périodes par seconde, est générée.
La tonalité d'occupation est fournie en interrompant la tonalité
continue à XX2. Des interruptions d'une seconde de tonalité
et d'une seconde de silence sont données.
(9) Lignes de tirelire. - La tonalité continue est étendue
à un enroulement de la bobine RC (Fig. 3). Les contacts L1 des
circuits de tirelire, au lieu d'être connectés directement
à la terre, passent par l'enroulement de 3 ohms de la bobine
RC puis à la terre. Lorsqu'un appel est effectué vers
un central manuel distant, l'opérateur, en appuyant sur la touche
de test de la tirelire, met à la terre les lignes de la jonction
(paragraphe 4) et libère le relais DB (Fig. 4). Le signal est
alors induit dans la bobine RC et passe par Lr, le détecteur
de ligne, le condensateur 0,25 m.f., DB r et DA3, à la ligne
négative de la jonction et à l'opérateur.
(10) Interrupteur temporisé. - Lorsqu'un appel est émis,
KF2 étend la terre et actionne le relais TA via son enroulement
à haute résistance. Le relais TM dans le lmk de connexion
ne fonctionne pas. TD est actionné, le groupe de temporisation
du relais est mis en service et le relais YY actionne l'aimant de l'interrupteur
temporisé une fois par seconde. L'interrupteur se met en marche
et lorsque le troisième contact de la banque est atteint, les
deux enroulements du relais TA sont connectés en parallèle.
La réduction de la résistance permet à TM dans
la liaison de fonctionner. L'interrupteur continue de se mettre en marche
jusqu'au 12e contact, lorsque le circuit magnétique est complété
via des contacts d'interrupteur. Les essuie-glaces tournent alors rapidement
jusqu'au premier contact où la terre est maintenant étendue
via TM r pour court-circuiter le relais " B " de la liaison
de connexion. Le sélecteur libère, supprime la terre de
maintien du relais K, qui, une fois libéré, étend
le relais P à la ligne de l'abonné. Ce dernier relais
reste en attente jusqu'à ce que la ligne soit déconnectée
et occupe également le contact multiple.
Le commutateur de temporisation est actionné à chaque
appel, mais il est coupé par MDr lorsque le deuxième chiffre
est composé, de sorte qu'il est nécessaire de composer
les deux chiffres dans un délai limité. Ce commutateur
est également mis en service dans les conditions de " l'abonné
appelé est maintenu ".
On verra que tout défaut ou mauvaise manipulation de l'abonné
qui provoque la saisie d'une liaison de connexion sans donner deux trains
de chiffres entraînera la commutation automatique du circuit sur
le relais " P " associé et la libération de
l'appareil commun en moins de 30 secondes. En retirant les barrettes
reliant les contacts de la batterie, la période de temporisation
peut être modifiée approximativement, entre un minimum
de r2 à 25 secondes et un maximum de 25 à 60 secondes.
(11) Disposition contre les pannes. - Dans un central automatique
sans surveillance, il est particulièrement important que tous
les appareils communs soient aussi résistants que possible aux
pannes et que, dans la mesure du possible, les circuits défectueux
ne soient pas détectés. Afin d'atteindre la première
condition, tous les contacts de relais les plus importants dans l'appareil
commun sont en platine et sont dupliqués. La dernière
condition est atteinte dans certains cas comme suit :-
(a) Lignes défectueuses. - Tout circuit d'abonné ou de
jonction qui développe une boucle ou une mise à la terre
de ligne négative est isolé et occupé comme décrit
au paragraphe ro. La résistance élevée des relais
P utilisés à cette fin (7500 ohms) minimise également
la consommation de courant, de sorte que le danger de panne de batterie
lorsque de tels défauts se produisent est considérablement
réduit.
(b) Lignes grillées. - Lorsqu'un fusible de liaison de connexion
grille, le ressort situé sur la face inférieure de celui-ci
prépare l'enroulement de toit Phm du relais F (Fig. 4). Lorsque
le relais SB est actionné par un abonné appelant, le relais
F actionne SB2, la liaison est occupée sur la banque de commutateurs
d'affectation par la terre étendue par F2, et la liaison défectueuse
est dépassée.
(c) Défaut de l'équipement de ligne du scrutateur. - Il
a été jugé nécessaire de se prémunir
contre une éventuelle panne qui pourrait être causée
par les contacts de repos de l'équipement d'un abonné
qui s'encrassent et ne parviennent pas à maintenir la terre sur
la banque de détecteurs de ligne.
Si ce défaut se produit et qu'un autre abonné effectue
un appel, le détecteur de ligne de la liaison recherche et (s'il
ne rencontre pas la ligne de l'appelant en premier) s'arrête sur
le circuit défectueux.
KF (Fig. 4) fonctionne et étend le circuit au relais A, mais
comme le circuit défectueux n'appelle pas, A ne fonctionne pas.
KF7 actionne le relais AX (Fig. 5) via SF3. AXr coupe le circuit de
SF. Lorsque SF se libère, le circuit d'AX est coupé, mais
un circuit pour l'aimant du détecteur de ligne est complété
via SF1, B1, le commutateur d'affectation, AX3 et SA1 pendant la
période de libération d'AX. Lorsque AX se libère,
le circuit de SF est à nouveau complété et le circuit
de recherche normal est rétabli.
(12) Essais à distance..- Afin que le central «
parent » puisse vérifier que l'appareil R.A.X. est exempt
de certains défauts, le dispositif d'essai spécial est
prévu, comme indiqué précédemment. Un opérateur
du central « parent » appelle le « 99 » à
intervalles réguliers au cours de la journée. Le curseur
positif du sélecteur complète le circuit du relais FT
(Fig. 5) qui est connecté au contact positif de la banque de
99. FT fonctionne et l'appareil de sonnerie et de tonalité est
démarré.
Équipement OK.-Si aucun des défauts ci-dessous n'existe,
l'opérateur entend une sonnerie interrompue dans le rapport !
seconde tonalité ! seconde silence transmis FAi RAi, FT4 et relais
FT, le relais fonctionnant comme une bobine de commutation.
Défaillance du groupe de temporisation de sonnerie ou de relais.-La
tonalité est absente ou irrégulière selon le défaut.
Français:Souffler / utiliser.-Si un fusible est soufflé,
le relais FA fonctionne via une barre d'alarme de fusible, le relais
F, FTr et l'enroulement de 100 ohms du relais FA, ou alternativement
via FT2 et l'enroulement de 100 ohms du relais FA. F Ar
connecte la tonalité N.U. au relais FT et la tonalité
est transmise à l'opérateur.
Panne de déclenchement de l'interrupteur.-Dans ce cas, les ressorts
hors tension du sélecteur sont fermés, de sorte que la
fermeture de FT6 provoque le fonctionnement du relais RA. RA1 provoque
à nouveau l'envoi d'une tonalité N.U.
Panne du dispositif de charge.-Si le dispositif de charge tombe en panne
avant d'être automatiquement arrêté par le compteur
d'ampères-heures sur le panneau d'alimentation, FT7 sera mis
à la terre et lors du fonctionnement de FT, le circuit de RA
sera fermé et la tonalité N.U. sera à nouveau transmise.
sommaire
TESTS
Tous les tests de lignes et d'équipements standards peuvent désormais
être effectués à distance grâce à des
systèmes développés par E.C.E. pour le Département
des Postes.
Pour les réseaux de centraux métropolitains, il existe
un système de transmission de données centralisé
qui exploite automatiquement les circuits de test dans les centraux
distants. Pour les centraux automatiques ruraux, il existe un testeur
de diagnostic automatique qui peut être connecté du central
à la ligne requise par numérotation.
Les deux systèmes réduisent considérablement les
problèmes de coût et de disponibilité du personnel
de maintenance en rendant les tests aussi entièrement automatiques
que possible. Les systèmes sont rapidement rentabilisés
par la réduction des coûts et, en outre, ils améliorent
l'efficacité et la fiabilité du système téléphonique.
Les concepts de conception avancés utilisés dans le système
de centraux métropolitains sont en partie dérivés
des activités connexes de la société dans la conception
et la fabrication d'autres systèmes TELSCAN. Il
s'agit de systèmes numériques sophistiqués pour
le contrôle de surveillance à distance et la télémétrie
des services publics et des installations industrielles ainsi que pour
les tests de centraux à distance. Les techniques les plus récentes
ont été appliquées par le personnel technique,
qui possède une vaste expérience des systèmes téléphoniques,
et cela a permis de mettre à disposition des systèmes
et équipements de test modernes et complets.
Ensemble de test pour central rural

Cet ensemble de test automatique pour utilisation RAX a été
conçu et produit par E.C.E. pour permettre au personnel technique
de tester à distance les lignes d'abonnés RAX exclusifs
et à deux parties dans les centraux automatiques ruraux. Il peut
également être utilisé dans les centraux automatiques
conventionnels où un accès spécial est disponible
au sélecteur final.
Un cycle de test automatique est lancé lorsque l'agent de test
compose le niveau de test suivi du numéro de l'abonné.
Ensuite, des impulsions de test de 1 500 c.p.s. seront entendues à
des intervalles de trois secondes, ce qui laisse le temps d'identifier
le deuxième enregistrement sur une liste de contrôle.
sommaire
EVOLUTIONS
|
1931 Vu dans le journal
Progrès du R.A.X. en Grande-Bretagne.
D'après des notes publiées dans le Post Office Electrical
Engineers' Journal, nous apprenons le succès de l'adoption
du central automatique rural en Grande-Bretagne. Le type d'équipement
en question, qui porte aujourd'hui la désignation officielle
de « Unit Auto. No. 5 », est celui décrit dans
le numéro de janvier 1930 de Current Comments, peu après
sa normalisation par la Poste britannique.
Les statistiques montrent que jusqu'à la fin du mois de
novembre dernier, pas moins de 324 unités avaient été
installées, le nombre total de lignes initialement connectées
étant de 3 724. La Poste s'étant engagée
à installer un R.A.X dès qu'elle aura reçu
au moins huit demandes de raccordement au service, il n'est pas
surprenant de constater des progrès aussi rapides. Il est
indiqué que "de nombreux abonnés potentiels
dans les zones rurales attendent l'introduction d'un système
téléphonique capable de résoudre les difficultés
liées aux systèmes manuels ruraux. L'indifférenciation
de l'exploitation, l'absence de service de nuit, le manque de
secret et bien d'autres obstacles sont balayés par le R.A.X.,
ce qui a permis la mise en service de 300 centraux en moins de
deux ans.
Environ 75% sont des ajouts entièrement nouveaux au système
téléphonique.
Jusqu'à présent, les avis étaient partagés
quant aux mérites respectifs des systèmes manuels
et automatiques pour de très petits groupes d'abonnés,
et dans de nombreux pays, une nette préférence est
toujours accordée aux standards manuels, en particulier
pour le service dans les zones reculées. Mais s'il n'existe
pas de chiffres permettant de comparer les coûts d'exploitation
des deux systèmes, il ne fait aucun doute que le R.A.X
a donné satisfaction. La demande dans ce pays a dû
dépasser toutes les attentes. "Au début de
1929", poursuit le rapport, "des centraux étaient
ouverts à raison d'environ trois par mois.
Ce rythme a été régulièrement amélioré
à quinze par mois au printemps 1930 et a été
encore augmenté jusqu'à ce que, pour novembre 1930,
ces centraux soient mis en service au rythme d'un par jour. Des
commandes passées récemment à la General
Electric Company pour des livraisons supplémentaires d'unités
Auto. No. 5, portant maintenant le total à plus de 1 000,
semblent indiquer que le rythme d'installation sera encore plus
élevé pour 1931. Compte tenu de la nouveauté
de l'équipement lors de son introduction, les progrès
du R.A.X. ont été considérés avec
une extrême satisfaction par les concepteurs.
Avant le développement de l'unité Auto. No. 5, l'expérience
acquise dans l'exploitation des centraux automatiques sans surveillance
avait souligné non seulement la nécessité
d'appareils exceptionnellement robustes, mais aussi l'importance
de caractéristiques telles que des dispositifs d'isolement
des défauts locaux, des installations de test à
distance, etc. Compte tenu du coût limité auquel
un R.A.X standard pouvait être introduit avec succès
dans le service public en Grande-Bretagne, la fourniture de ces
caractéristiques essentielles dépendait naturellement
de l'utilisation de circuits simplifiés et de nouveaux
types d'appareils.
Le fait que ces derniers se soient avérés efficaces
et fiables en service est clairement démontré par
le maintien de la conception originale dans tous les détails.
Les unités actuellement en cours de fabrication sont identiques
aux premières produites.
Il sera intéressant de noter que le succès du central
automatique rural a conduit au développement d'un type
d'équipement plus grand ayant une capacité de 200
lignes contre un maximum de 100 lignes fournies par quatre des
unités standard actuelles. Ces centraux plus grands seront
constitués d'unités de deux types, la première
étant équipée de 50 circuits de ligne et
des sélecteurs de groupe nécessaires, et la seconde
de sélecteurs finaux et d'appareils associés pour
100 lignes. Un central devant desservir entre 50 et 100 lignes
nécessitera donc deux "unités de ligne"
et une "unité de sélecteur final". Les
installations fournies seront les mêmes que celles fournies
par le plus petit R.A.X. et, en plus, le service P.B.X. si nécessaire.
Les premières commandes des nouvelles unités ont
été passées à la General Electric
Company il y a quelques mois et il est prévu que plusieurs
centraux utilisant cet équipement seront ouverts sous peu.
|
1932 de nouveau dans ce journal , du RAX au RSAX
|
Centrales téléphoniques automatiques
et semi-automatiques pour les zones rurales
Parmi les développements les plus récents dans le
monde du téléphone, rares sont ceux qui ont suscité
un plus grand intérêt que l'introduction des principes
de commutation automatique dans la conception des plus petites
classes de centraux publics. Le R.A.X., comme on appelle communément
le type de standard automatique, a non seulement permis d'offrir
un service grandement amélioré aux abonnés
ruraux, mais aussi de réduire les coûts d'exploitation.
Pour ces seules raisons, il est probable que l'équipement
automatique, sous une forme ou une autre, remplacera dans une
très large mesure les divers types de standards manuels
qui ont jusqu'ici servi les petites communautés. Les progrès
dans cette direction ne sont nulle part plus évidents qu'en
Grande-Bretagne, où il existe déjà un grand
nombre de centraux automatiques automatiques de type standard
spécialement conçus pour répondre aux besoins
moyens de ces petits villages éloignés qui n'étaient
pas auparavant en mesure de profiter pleinement des avantages
du service téléphonique. Les avantages que l'on
peut tirer de l'utilisation d'un équipement automatique
pour un nombre relativement restreint d'abonnés, qui ne
peuvent être groupés pour former une zone à
bureaux multiples, ont été si clairement démontrés
qu'une demande immédiate de centraux du nouveau type a
suivi pour répondre aux besoins les plus divers. Les installations
à offrir à l'abonné ont varié, les
conditions de ligne ont été défavorables,
dans certains cas des limites sévères de coût
ont été imposées, tandis que dans d'autres,
les conditions climatiques ont rendu nécessaire l'utilisation
d'appareils tropicaux partout. Dans presque tous les cas, une
caractéristique a été demandée qui
a été suffisante pour influencer la conception de
base de l'équipement et pour rendre l'utilisation du type
le plus courant (illustré dans la figure ci dessous) soit
déconseillée, soit impraticable.
 
En conséquence, on a vu le développement d'une nouvelle
série d'unités de commutation de différentes
tailles, conçues pour fournir tout ou partie d'une large
gamme d'installations et pour desservir un nombre quelconque d'abonnés
de dix à plusieurs centaines.
Convenant à tous égards au service dans la plupart
des dominions et colonies, ces unités ont été
conçues également pour incorporer une finition tropicale
complète.
Dans cet article, nous n'avons pas pour objectif de décrire
les caractéristiques de chaque type d'unité de commutation
ou de central dans son ensemble, mais de discuter de certains
des principaux facteurs qui régissent le choix de l'un
d'entre eux. Nous examinerons en particulier deux méthodes
de commutation très différentes et tirerons des
conclusions quant à la plus grande flexibilité de
l'une et à l'économie mais à l'application
limitée de l'autre. Nous espérons que ces comparaisons
donneront une indication de l'intérêt d'une enquête
approfondie sur les conditions locales lorsque l'installation
de nouveaux équipements est envisagée, et aideront
en même temps à bien comprendre les différences
entre les unités plus petites de la nouvelle série
actuellement disponible. Une liste représentative des tailles
et des types standard est donnée à la page 77.
Compte tenu de la portée très vaste du sujet de
la commutation automatique, il convient de mentionner que les
unités énumérées sont conçues
pour fournir un service local complet et pour fournir la possibilité
supplémentaire de connexion automatique via une ou plusieurs
jonctions au point de commutation manuel le plus proche sur le
système téléphonique principal. En tant que
catégorie, elles se distinguent du type de central automatique
qui fait partie d'un réseau offrant des possibilités
de numérotation directe entre tous les abonnés sur
une zone étendue.
Le fonctionnement en tandem et les méthodes de commutation
automatique appliquées à de grands districts englobant
un certain nombre de petites communautés ne seront donc
évoqués que dans la mesure où ils pourraient
montrer dans des cas spécifiques l'avantage possible d'un
type d'unité par rapport à un autre. Parmi les nombreux
points à prendre en considération lors de la planification
de la construction d'un central rural moderne, la majorité
sont exactement de la même nature que ceux qui régissent
le choix d'un type particulier de standard manuel. L'équipement
peut, par exemple, être nécessaire pour desservir
au début un très petit nombre d'abonnés,
mais plus tard un nombre beaucoup plus grand. D'un autre côté,
il est peu probable que la population augmente rapidement ou que
des circonstances se produisent qui pourraient entraîner
une forte augmentation de la demande. Dans ce cas, le système
téléphonique peut être conçu en toute
sécurité pour avoir une capacité maximale
très légèrement supérieure au nombre
de lignes nécessaires au départ. Si le coût
initial et les dépenses ultérieures de développement
doivent rester dans les limites économiques, une estimation
assez précise de la capacité finale est essentielle.
Il est également nécessaire d'étudier le
trafic prévu, les installations nécessaires, le
type et l'état des installations existantes et d'autres
points qui sont déjà si familiers qu'ils n'ont pas
besoin d'être mentionnés en détail. La méthode
de commutation à adopter est cependant une question qui
exige maintenant l'étude la plus minutieuse, car elle pose
un problème qui dépend dans tous les cas pour sa
solution d'un examen le plus approfondi de tous les facteurs considérés
ensemble. Les systèmes qui permettent aujourd'hui d'offrir
un service complet 24 heures sur 24 aux abonnés ruraux
et de se passer d'opérateurs locaux peuvent être
divisés en deux catégories : ceux qui fonctionnent
entièrement automatiquement et ceux dans lesquels tous
les appels sont contrôlés manuellement à partir
d'un central principal voisin.
Les systèmes de ce dernier type sont qualifiés de
semi-automatiques. Étant donné que les différences
essentielles prises en considération sont celles qui aideront
à déterminer lequel des deux systèmes est
le mieux adapté à des exigences données,
un bref aperçu des principes de commutation du R.A.X. et
du R.S.A.X. peut servir d'introduction à une comparaison
plus détaillée de leurs caractéristiques
respectives.
Lorsque l'on utilise un équipement entièrement automatique,
tous les appels locaux sont effectués par le R.A.X., l'appareil
de chaque abonné étant doté d'un cadran par
lequel sont générées les impulsions nécessaires
pour établir la connexion requise. Pour effectuer un appel
d'une autre classe (interurbain, etc.), l'abonné rural
compose un numéro spécial, après quoi l'équipement
local achemine l'appel par une ligne de jonction vers un central
principal voisin et transmet un signal à l'opérateur.
La connexion avec un abonné rural est obtenue à
partir du central principal en composant via une jonction dans
les commutateurs du R.A.X.
En ce qui concerne la commutation locale, le R.A.X. est donc similaire
à un central automatique isolé ordinaire, mais présente
une caractéristique supplémentaire en ce qu'il peut
être connecté par des jonctions bidirectionnelles
à d'autres centraux.
L'équipement semi-automatique est conçu pour être
utilisé avec des appareils téléphoniques
configurés pour les appels en boucle ou magnéto
et non équipés de cadrans. Lorsqu'un récepteur
est soulevé ou que la manivelle du générateur
est tournée, selon le cas, l'abonné est automatiquement
connecté par le R.S.A.X. vers une ligne de jonction aboutissant
au central principal. Un appel local est alors terminé
par l'opératrice, qui rappelle par la même jonction
le central rural et établit à ce point la connexion
entre l'appelant et la personne recherchée. Lorsque cette
dernière répond, la jonction est immédiatement
libérée et devient disponible pour d'autres appels.
Un appel sortant du R.S.A.X. occupera, bien entendu, une jonction
pendant toute la durée de la conversation. De même,
une jonction sera occupée pendant la durée d'un
appel entrant, au cours duquel l'opératrice sélectionne
la personne recherchée en composant par la jonction le
numéro de l'équipement rural, comme dans le cas
du fonctionnement du R.A.X.
En considérant à nouveau le central entièrement
automatique, les principales caractéristiques peuvent être
facilement résumées. Tous les appels locaux sont
effectués sans l'aide d'une opératrice, et ce service
atteint ainsi le plus haut niveau possible. Comme les jonctions
ne sont utilisées que pour les appels vers et depuis des
points éloignés, les tâches de l'opérateur
du central téléphonique principal et la capacité
de transport du trafic de ces lignes peuvent être calculées
sans tenir compte du volume de trafic local traité par
le R.A.X. De plus, il est possible d'utiliser des jonctions rayonnant
vers différents points de commutation du système
téléphonique principal, offrant ainsi un accès
direct à plusieurs centraux éloignés. Dans
certains cas, cette fonction peut s'avérer utile dans la
mesure où elle peut servir à soulager la charge
sur les jonctions principales ou les lignes principales.
Lorsque le central "parent" est automatique, les jonctions
du R.A.X., au lieu d'apparaître directement sur une position
manuelle, peuvent être terminées de manière
à permettre la numérotation directe entre les abonnés
du central principal et ceux desservis par l'équipement
rural. Cette méthode de travail relève cependant
du domaine du central "satellite". Avec le R.A.X., son
application est généralement limitée car
son utilisation introduit des complications dans la numérotation
des abonnés et également, lorsque des frais supplémentaires
sont impliqués, dans la fourniture d'appareils de mesure
des frais de jonction.
En ce qui concerne les équipements semi-automatiques, il
a été démontré que, pour ce qui est
des abonnés, le service rendu est entièrement manuel,
ce qui explique pourquoi on pourrait supposer que le R.A.X. est
à privilégier. Mais on verra qu'un système
semi-automatique répondra souvent de manière satisfaisante
aux besoins d'une petite zone, sera moins coûteux à
installer et, lorsque les conditions de ligne sont relativement
mauvaises, il peut s'avérer plus fiable.
Si l'on considère tout d'abord le coût initial de
l'unité de commutation seule, le type semi-automatique
est, pour un très petit nombre d'abonnés, moins
cher que le type entièrement automatique. Dans toutes les
tailles, les deux types peuvent être équipés
pour la mesure et, étant construits à partir de
composants de conception standard, ils sont tout aussi fiables
en service.
Les besoins en batteries, qui nécessitent la fourniture
de cellules primaires ou secondaires selon la taille du central,
peuvent être estimés comme étant à
peu près les mêmes pour des unités de capacité
égale, bien que la consommation de courant soit légèrement
inférieure dans le cas du R.S.A.X.
Une fonctionnalité qui n'est pas fournie par le R.S.A.X.
Il s'agit d'une connexion par jonctions à plus d'un autre
central. Elle est essentiellement liée à la position
manuelle du central principal à partir duquel elle est
commandée.
Étant donné que les appareils des abonnés
dans un système semi-automatique peuvent être de
type C.B. ordinaire ou magnéto, le remplacement d'un standard
manuel existant n'implique pas la fourniture de téléphones
à cadran ni aucune modification de l'appareil des abonnés.
Dans un tel cas, le R.S.A.X. peut certainement être privilégié
pour des raisons d'économie.
De plus, comme la numérotation se fait uniquement par les
jonctions, la qualité des lignes des abonnés en
termes de résistance, de fuite, etc., n'a pas la même
importance qu'avec le R.A.X., où un niveau assez élevé
doit être maintenu tout au long et la résistance
de la boucle de ligne maintenue dans des limites spécifiées.
En règle générale, une ligne qui fonctionnera
de manière satisfaisante sur un système C.B. ou
Magneto fonctionnera tout aussi bien avec le type correspondant
de R.S.A.X.
Le fait qu'un opérateur soit obligé de traiter chaque
catégorie d'appel peut dans une certaine mesure réduire
l'attrait d'un système semi-automatique à la fois
pour l'abonné, qui préfère la connexion rapide
effectuée par le téléphone à cadran,
et pour l'administration, qui ne souhaite pas augmenter la charge
de trafic au central principal. L'abonné est cependant
assuré d'un service manuel fourni par des opérateurs
de central hautement qualifiés et par conséquent
meilleur que celui habituellement offert par des opérateurs
à temps partiel comme ceux qui sont généralement
employés dans de petits standards manuels.
De plus, il n'est pas obligé de changer sa méthode
d'appel s'il possède déjà un appareil de
type manuel et que le système existant est remplacé.
En ce qui concerne le trafic supplémentaire à traiter
par les opérateurs du central principal, cela peut nécessiter
une légère redistribution du travail mais n'entraînera
pas d'augmentation appréciable lorsque les abonnés
R.S.A.X. sont peu nombreux et ont peu de communauté d'intérêts.
Ce point, cependant, introduit toute la question du trafic, un
sujet qui présente un aspect différent dans presque
chaque district rural.
Il a été mentionné qu'avec le R.A.X., les
besoins en jonctions peuvent être plus facilement calculés
puisque le trafic transporté par ces lignes ne comprend
pas les appels locaux. Une jonction peut, par exemple, être
suffisante pour fournir un service de qualité élevée
à un nombre relativement important d'abonnés si
leurs intérêts sont centrés principalement
sur leur propre communauté.
Le nombre d'appels effectués vers le central principal
serait alors faible. Inversement, si le trafic de jonction est
important, il pourrait être nécessaire de prévoir
au moins deux ou trois jonctions pour le même nombre d'abonnés.
En tout état de cause, les besoins initiaux et futurs éventuels
peuvent être estimés sans grande difficulté
et la capacité de jonction de l'unité de commutation
et de l'équipement de ligne extérieure entre les
centraux ruraux et principaux peut être planifiée
en conséquence.
Avec le R.S.A.X., le calcul du trafic à acheminer par les
jonctions implique la prise en compte non seulement des appels
entrants et sortants via le central parent, mais aussi du volume
de trafic local. Cependant, si la communauté d'intérêts
est faible dans la zone, les appels locaux seront probablement
peu nombreux par rapport à ceux transitant entre les centraux
ruraux et principaux, et la charge supplémentaire sur les
jonctions et également sur le personnel d'exploitation,
résultant de la méthode d'établissement des
connexions locales, sera presque négligeable. De plus,
le temps nécessaire pour achever un appel local et libérer
la jonction mise en service n'est qu'une fraction du temps moyen
d'attente d'un appel entre les deux centraux. Dans de telles circonstances,
on peut donc constater que pour une taille donnée de central,
le nombre de jonctions nécessaires pour une installation
semi-automatique ne doit pas être supérieur à
celui d'un système entièrement automatique, et que
le contrôle manuel des appels locaux n'entraînera
qu'une faible augmentation de la charge de travail du personnel
d'exploitation.
D'un autre côté, on voit que lorsque le trafic local
est important, le R.A.X. soulagera considérablement les
opérateurs du central principal. D'un autre côté,
il pourrait également être favorisé, car alors
que deux jonctions peuvent suffire à desservir un R.A.X.
de 100 lignes traitant un volume de trafic local bien plus important
que de jonction, la même disposition peut être insuffisante
pour un central semi-automatique fonctionnant dans des conditions
similaires. Pendant chaque période où les appels
de jonction occupent les lignes entre le R.S.A.X. et le central
parent, il n'y aurait aucun canal de commutation disponible pour
établir des connexions locales, avec pour résultat
probable que le nombre d'appels perdus atteindrait un chiffre
excessivement élevé.
Un autre point se pose en rapport avec le développement.
Si le service s'étend et qu'une extension de l'équipement
rural devient nécessaire, on peut raisonnablement s'attendre
à un changement dans le rapport entre le trafic local et
le trafic de jonction. Même une augmentation modérée
du nombre d'abonnés ruraux pourrait être suivie d'une
augmentation en pourcentage plus élevée des appels
locaux que des appels de jonction, une possibilité qui
dépend entièrement de la catégorie de communauté
desservie mais qui est souvent prévisible lorsqu'une zone
montre des signes de développement. Dans un tel cas, le
R.S.A.X. pourrait ne pas s'avérer aussi flexible en raison
de la charge beaucoup plus importante imposée aux jonctions
existantes et de l'effet qui en résulte sur la qualité
du service. La construction d'une autre ligne vers le central
parent pourrait devoir être commencée sans délai,
et le coût dans de nombreux cas pourrait définitivement
compenser toute économie réalisée en amont
par l'installation d'équipements semi-automatiques de préférence
à des équipements entièrement automatiques.
Le trafic est donc un facteur très important dans le choix
du système et, surtout lorsque le fonctionnement semi-automatique
pourrait être favorisé, il exige une enquête
très détaillée.
En conclusion, il est évidemment impossible d'énoncer
ici les diverses combinaisons de circonstances dans lesquelles
un type d'unité pourrait être préféré
à un autre. La préparation de ces informations impliquerait
un traitement beaucoup plus exhaustif des principaux points de
différence déjà abordés et d'autres
détails tels que les installations de service et la conception
des circuits, qui ont été volontairement omis. Une
référence de nouveau aux tableaux de la page 77
et en particulier aux capacités des unités énumérées
donnera cependant une indication de la pratique courante dans
le choix des systèmes pour répondre à différentes
exigences.
L'expérience a montré que pour les grandes communautés
rurales, le central entièrement automatique est presque
toujours préféré. Il est encore plus généralement
favorisé même pour les très petites installations
et en particulier lorsque, à une date ultérieure,
on prévoit une augmentation du nombre d'abonnés.
Les demandes de systèmes semi-automatiques proviennent
principalement des zones dans lesquelles il n'y a qu'un petit
groupe d'abonnés et où l'on prévoit peu ou
pas d'expansion du service. La caractéristique la plus
attrayante du R.S.A.X. c'est qu'il peut être utilisé
pour remplacer un tableau de distribution manuel existant sans
nécessiter la fourniture de nouveaux instruments aux abonnés.
Plus de quatre-vingt-dix-neuf pour cent des centraux automatiques
sans surveillance fonctionnant dans les districts ruraux de Grande-Bretagne
sont équipés d'unités automatiques n°
5, fabriquées par la General Electric Company.
Types représentatifs de standards pour les centraux ruraux
sans surveillance :
Tout type d'unité peut être fourni équipé
pour la connexion initiale d'un nombre de lignes inférieur
à celui pour lequel la capacité est prévue
dans l'unité complète. Dans de tels cas, le câblage
est inclus pour l'ensemble des circuits afin que des appareils
supplémentaires puissent être installés selon
les besoins.
|
1963 En Australie
Le premier central téléphonique d'Australie a été
ouvert à Melbourne en 1880. Au cours des quatre-vingt-trois années
qui se sont écoulées depuis la création de ce premier
central, le nombre d'abonnés est passé de 23 à
1 812 000 en juin 1963, reliés à 7 000 centraux dans tout
le Commonwealth.
L'Australie n'était pas loin derrière le reste du monde
dans l'adoption du système téléphonique automatique.
Le premier central automatique australien a été mis en
service à Geelong, Victoria, en août 1912, ce qui en fait
le premier central automatique de l'hémisphère sud et
le deuxième de l'Empire britannique.
L'Australie compte aujourd'hui 510 centraux automatiques, sans compter
les petits centraux automatiques ruraux de moins de 200 lignes, dont
1 500 sont actuellement en service.
Dans les zones rurales, les petits standards manuels ont été
progressivement remplacés par des centraux automatiques
ruraux (RAX).
Les premiers RAX installés étaient de type entreprise,
mais le ministère a utilisé l'expérience acquise
avec ceux-ci pour développer un RAX non extensible de 40 lignes
et un RAX extensible de 50 à 200 lignes spécialement dimensionné
pour s'adapter aux conditions et aux exigences australiennes (7, 8).
Le développement de ces unités RAX a représenté
le point de départ d'un programme RAX majeur, qui est passé
de 69 centraux en 1939 à 1 500 en 1963.
Ces années ont vu un développement et des modifications
considérables de la conception originale, mais fondamentalement,
elle n'a pas beaucoup changé. La plupart des changements ont
porté sur l'amélioration des unités RAX en tant
que blocs de construction du système ; elles ont été
utilisées dans des réseaux automatiques ayant un central
associé au central automatique pas à pas central comme
parent. D'autres améliorations dans les installations de test
à distance et de signalisation d'alarme ont eu pour but de réduire
les coûts de service et de fournir un service plus fiable et continu
aux abonnés.
Le RAX de 40 lignes ou de type B est une unité fermée
autonome qui ne nécessite que l'ajout d'un panneau MDF et d'une
alimentation électrique pour terminer une installation. Le RAX
extensible est construit par incréments de 50 lignes, la première
unité de 50 lignes contenant l'équipement auxiliaire essentiel
tel que les sonneries.
Comme pour le RAX de type B, l'ajout d'un panneau MDF de type plancher
et d'une alimentation électrique est nécessaire pour terminer
l'installation. Dans le RAX plus grand, des dispositions ont été
prises pour le fonctionnement de lignes partagées avec sonnerie
codée et comptage séparé pour un maximum de dix
parties par ligne.
Les deux types de RAX ont été installés dans des
bâtiments standard, 9 pieds x 9 pieds pour une installation d'une
capacité de 50 lignes, et 14 pieds x 9 pieds lorsqu'une croissance
au-delà de 50 lignes peut être prévue pendant la
durée de vie prévue du RAX.
Les RAX seront désormais remplacés par des centraux terminaux
crossbar qui offriront une gamme plus large d'installations dont la
numérotation par ligne d'abonné (STD) est peut-être
la plus importante. Le RAX a été conçu comme une
unité avec un système de numérotation fermé
et n'était pas facilement adaptable pour une utilisation dans
un grand réseau

sommaire
|