Almon Brown Strowger
 


Téléphonie
Automatique

Merveille de l'éléctro-mécanique au service du progrès, visionnez le petit film pour voir comment ont fonctionnés les premiers centraux Strowger automatiques pas à pas.

Revenons à la case départ : Le premier brevet sur le téléphone a été obtenu par Alexander Graham Bell en 1876. les communiations point à point au départ, se sont améliorées grâce au développement du central manel avec opérateur, comme le premier centre de New Haven dès 1877.
Toujours en Amérique, trois ans plus tard, en 1879, un système de commutation automatique a été conçu par David Connolly, T. A. Connolly et J. T. McTighe, c'était le début de la téléphonie automatique,mais ce système ne s'est pas montré très pratique et pas adapté aux zones urbaines ou l'on comptait déjà plusieurs millers d'abonnés au téléphone manuel.
Nous avons aussi que pendant ses premières années entre 1879 et 1900 l'Amérique enregistre plus de 30 brevets concerant la téléphonie automatique, dont Strowger qui fit parti des pionniers en la matière.
Le téléphone automatique est basé sur l'idée suivante : L'abonné, de son poste, au moyen d'un transmetteur analogue comme fonction au transmetteur télégraphique, faisait progresser, pas à pas, à la station centrale, un mécanisme connecteur jusqu'à ce que celui-ci eût atteint la ligne de l'abonné demandé.

Almon B. Strowger est né le 11 février 1839 à Penfield, près de Rochester, près de New York, en tant que petit-fils d'un des premiers colons, M. Müller.
Les frères Almon B. Strowger et \Villiam Dennison Strowger étaient nés et élevés dans le bon vieil État de New York. Tous deux fréquentèrent les écoles publiques et l'université et reçurent une excellente éducation.
Dans la chronique de la ville de Penfield, Katherine Thompson rapporte que si la mère d’Almon donnait un travail à ses enfants, Almon ses frères et sœurs étaient toujours désireux de faire ce travail à la machine.
A. B. Strowger était particulièrement porté vers les études. Mais l'effervescence de la guerre de Sécession interrompit ses études, comme beaucoup d'autres, et il servit comme clairon pendant toute la guerre.
Au cours de la guerre civile américaine, il a également participé à la deuxième bataille de Bull Run, près de Manassas, en Virginie.
Après la fin de la guerre, Almon B. Strowger a terminé ses études, son intérêt pour les mathématiques était très fort et il s’est consacré au métier d’enseignant à la campagne. Il termina ses études et entra dans l'enseignement. Il avait un goût particulier pour les mathématiques.
W. D. Strowger devint pépiniériste à Oswego, dans l'État de New York. Il était très enclin aux inventions ; en fait, l'invention semblait être dans la famille. Il avait inventé diverses sous-soleuses, des rigoleuses, une scie à ruban et d'autres choses. Son fils, W.S. Strowger., naquit à Oswego le 3 mars 1863.
Après avoir fréquenté les écoles publiques et le lycée, il fut envoyé à l'université de Fulton, dans l'Illinois, où il suivit un cursus scientifique.
Lors d'une de ses vacances, alors qu'il était chez son père, ils eurent une longue conversation sur ce qu'ils feraient une fois son fils diplômé. Père et fils avaient toujours été associés dans leurs travaux inventifs, mais cette fois, un sentiment rétrospectif poussa le père à énumérer ses travaux passés, ses expériences, ses succès et ses échecs, et à envisager longuement les possibilités d'avenir.
Ils échangèrent sur de nombreux sujets sur lesquels ils pourraient travailler ensemble. Son père suggéra même des dirigeables, et enfin la possibilité d'un dispositif de commutation téléphonique automatique. Il n'avait aucun projet, mais avec la foi habituelle des inventeurs, il estimait que c'était réalisable. Il s'agissait d'environ 1883. Il avait six ans à l'époque, il était plein d'énergie et prêt à travailler. Il accepta volontiers et, à partir de ce moment, il vécut chez son oncle.
La première chose à faire était de commencer la construction d'un modèle selon les meilleures idées qu'ils avaient à l'époque. Ils s'attendaient à ce que des difficultés surgissent et que la seule façon de les résoudre était de procéder à une construction précise. Conscients que le changement nécessiterait sans doute une construction exacte, ils se rendirent à Wichita et engagèrent un bijoutier et un assistant à 5 $ chacun par jour pour réaliser le premier modèle. Il nous est difficile de nous faire une idée précise des difficultés de ces débuts. On aurait pu supposer que les bijoutiers, plus que tous les autres, seraient capables de réaliser une construction exacte et fidèle, de fabriquer toutes les pièces de manière à ce qu'elles fonctionnent comme une horloge, avec facilité et certitude. Il est fort probable qu'ils auraient pu le faire, mais ils ne l'ont pas fait. Ils n'avaient aucune confiance dans le projet, leur passion n'était pas dans leur travail. L'un des premiers auteurs a écrit que « Sans la foi, il est impossible de plaire à Dieu », et nous pouvons ajouter que sans la foi, il est impossible d'accomplir une œuvre grandiose et durable. Mais avec la foi dans le résultat, avec le cœur à l'ouvrage, un homme peut réaliser presque l'impossible : bien qu'Almon B. Stowger ait été le génie qui a conçu les circuits et les pièces mécaniques, une grande partie de la responsabilité de reproduire ces idées dans le bois et le métal incombait à son neveu, Walter. Chaque nuit, ce dernier travaillait jusqu'à minuit à planifier le travail du lendemain, afin que les ouvriers puissent suivre les directives de l'inventeur. Il semblait presque impossible de faire en sorte que les ouvriers comprennent l'idée ou construisent la machine avec suffisamment de précision. La nature réservée de Strowger le fit reculer devant la lutte et lança souvent ces mots : « On n'arrive pas à les convaincre de le faire !» Mais le courage qui manquait à l'aîné, son neveu le compensait et consacrait toute son énergie à la tâche. « La mère de Strowger l'a également soutenu et l'a toujours encouragé à aller de l'avant et à réussir. »
Parmi les amis des deux hommes, certains aimaient bien jeter de l'eau froide sur toute l'entreprise.
L'un d'eux dit à Strowger qu'il ferait mieux d'aller se faire embaucher par un fermier, car il aurait plus de succès et gagnerait plus d'argent. F. Frazier, un homme aux moyens considérables vivant à Eldorado, se révéla un grand ami à cette époque. Il leur prêta de l'argent et les encouragea dans leur travail. Deux ans après le début du développement, Valter S. Strowger vendit tout ce qu'il possédait, n'en obtenant parfois qu'un quart de sa valeur. Grâce à cet argent, et à celui généreusement avancé par Ir. Frazier, les deux premières années de travail furent réalisées. Joseph Harris était alors vendeur de vêtements itinérant. Ayant un beau-frère à Eldorado, il s'y arrêtait de temps en temps. On savait localement que V. S. Strowger travaillait sur un système téléphonique automatique et Ir. Harris en entendit parler. Pensant que ce serait un bon investissement, M. Harris contacta V. S. Strowger et lui proposa de signer un contrat pour son projet. Ir. Strowger ne donna pas suite à l'offre, mais informa Ir. Harris attendit que le modèle soit terminé.
En élaborant les circuits permettant de faire fonctionner le commutateur qu'il avait inventé, A. B. Strowger aborda le problème sous un angle entièrement nouveau, qu'il est bon que nous comprenions clairement. Les tentatives précédentes de construction de systèmes automatiques s'étaient accrochées à l'idée du fil unique, tentant de faire fonctionner toutes sortes de mécanismes et d'appareils électriques sur un seul fil avec retour à la terre. « M. Strowger proposa, dans sa première machine, d'utiliser autant de fils que nécessaire pour la faire fonctionner. Il s'efforcerait ensuite de réduire le nombre de fils le plus rapidement possible, sans sacrifier la simplicité et la fiabilité au profit d'un nombre réduit de fils. »
Pour des raisons de santé, Valter S. Strowger fut contraint de partir vers l'Ouest pour travailler en plein air. En 1883, il partit pour un ranch au Kansas, où il travailla pendant trois ans. Il s'installa dans une ferme près d'Eldorado et la dirigea pendant deux ans, après quoi il déménagea à Eldorado.

Après avoir enseigné pendant quelques années, Almon B. Strowger déménagea à Topeka, au Kansas, où il s'engagea dans la formation de professeurs, puis s'installa à Kansas City, au Missouri. Il était de nature réservée, nerveux et sensible. En utilisant le téléphone, il souffrait souvent des erreurs des opérateurs. Il ne faut pas oublier On supposait que les filles étaient plus prudentes à l'époque qu'aujourd'hui. Ces erreurs, retards, réponses incohérentes, négligences et interruptions l'agaçaient au plus haut point. Vexé, il jura de les supprimer. C'est ce qui le conduisit à inventer le système qui porte son nom. Combien de progrès dans la vie sont dus à l'apparente contravention de nos désirs ! Un homme fut un jour agacé par les pleurs de son enfant. Lorsqu'on lui demanda la raison de ces pleurs, sa femme répondit qu'il s'agissait d'un pénis qui piquait le bébé. L'homme fit une remarque sur sa capacité à insérer l'épingle de manière indolore, et reçut la réponse que c'était impossible. Les épingles se détachaient malgré les meilleurs épinglages.
La situation le remonta le moral et il déclara qu'il pouvait fabriquer une épingle qui ne piquerait personne.
Et il le fit, car il offrit au monde la première épingle de sûreté.
Un autre homme, réduit à une telle pauvreté que sa femme devait apprendre la couture, était assis un jour dans leur pauvre grenier, observant ses doigts agiles passer l'aiguille avec agilité dans les tissus. L'idée de la nature purement mécanique de l'opération le frappa violemment, et il se demanda si une machine pouvait faire ce travail. Mais il ne s'arrêta pas à cette simple merveille ; car il se mit au travail avec une telle énergie qu'il réussit à terminer une machine qui non seulement coudrait, mais le ferait plus vite et mieux qu'à la main.
Si le bébé n'avait pas pleuré au bon moment, l'épingle à nourrice n'aurait peut-être pas été inventée telle qu'elle l'a été. Si Elias Howe avait été dans une situation aisée, il n'aurait peut-être pas été amené à étudier la couture et à sortir la machine à coudre. Si les téléphonistes avaient été rapides, sûrs et polis, ou si M. Strowger avait été de ces hommes bienveillants que rien ne fâche, il n'aurait probablement jamais porté son attention sur le téléphone automatique.

La détermination d'A. B. Strowger à se débarrasser des opérateurs manuels l'a incité à travailler activement et ses idées ont pris forme concrètement dans une demande de brevet pour son système, qu'il a déposée le 12 mars 1889. Peu après, son neveu, Walter, est venu lui rendre visite à Kansas City, en 1889. Il raconta à Valter ses difficultés avec les opérateurs et lui expliqua qu'il travaillait alors à la conception d'un interrupteur automatique pour les remplacer.
Pour illustrer son idée, il entra dans la chambre, prit une boîte à colliers et, avec, montra comment il proposait de disposer les bornes en rangées sur la surface intérieure d'un cylindre. Il expliqua qu'une sorte de bras serait monté sur un axe et pourrait entrer en contact avec n'importe quel fil de la borne. Après avoir discuté du sujet pendant un certain temps, il demanda à Valter de collaborer avec lui au développement de l'invention. Le neveu avait une vingtaine d'années.

La première chose à faire était de commencer la construction d'un modèle selon les meilleures idées de l'époque. Ils s'attendaient à ce que des difficultés surgissent et que la seule façon de les résoudre soit la construction réelle. Conscients que le changement nécessiterait sans doute une construction exacte, ils se rendirent à Wichita et engagèrent un bijoutier et un assistant à 5 $ chacun par jour pour réaliser le premier modèle. Il nous est difficile de nous faire une idée précise des difficultés de ces débuts. On aurait pu supposer que les bijoutiers, plus que tous les autres, seraient capables de réaliser une construction exacte et fidèle, de fabriquer toutes les pièces de manière à ce qu'elles fonctionnent comme une horloge, avec facilité et certitude. Il est fort probable qu'ils auraient pu le faire, mais ils ne l'ont pas fait. Ils n'avaient aucune confiance dans le projet, leur passion n'était pas dans leur travail. L'un des premiers auteurs a écrit que « Sans la foi, il est impossible de plaire à Dieu », et nous pouvons ajouter que sans la foi, il est impossible d'accomplir une œuvre grandiose et durable. Mais avec la foi dans le résultat, avec le cœur à l'ouvrage, un homme peut réaliser presque l'impossible : bien qu'Almon B. Stowger ait été le génie qui a conçu les circuits et les pièces mécaniques, une grande partie de la responsabilité de reproduire ces idées dans le bois et le métal incombait à son neveu, Walter. Chaque nuit, ce dernier travaillait jusqu'à minuit à planifier le travail du lendemain, afin que les ouvriers puissent suivre les directives de l'inventeur. Il semblait presque impossible de faire en sorte que les ouvriers comprennent l'idée ou construisent la machine avec suffisamment de précision. La nature réservée de Strowger le fit reculer devant la lutte et lança souvent ces mots : « On n'arrive pas à les convaincre de le faire !» Mais le courage qui manquait à l'aîné, son neveu le compensait et consacrait toute son énergie à la tâche. « La mère de Strowger l'a également soutenu et l'a toujours encouragé à aller de l'avant et à réussir. »
Parmi les amis des deux hommes, certains aimaient bien jeter de l'eau froide sur toute l'entreprise.

L'un d'eux dit à Strowger qu'il ferait mieux d'aller se faire embaucher par un fermier, car il aurait plus de succès et gagnerait plus d'argent. F. Frazier, un homme aux moyens considérables vivant à Eldorado, se révéla un grand ami à cette époque. Il leur prêta de l'argent et les encouragea dans leur travail…
Au cours de la première… Deux ans après le début du développement, Valter S. Strowger vendit tout ce qu'il possédait, n'en obtenant parfois qu'un quart de sa valeur. Grâce à cet argent, et à celui généreusement avancé par Ir. Frazier, les deux premières années de travail furent réalisées. Joseph Harris était alors vendeur de vêtements itinérant. Ayant un beau-frère à Eldorado, il s'y arrêtait de temps en temps. On savait localement que V. S. Strowger travaillait sur un système téléphonique automatique et Ir. Harris en entendit parler. Pensant que ce serait un bon investissement, M. Harris contacta V. S. Strowger et lui proposa de signer un contrat pour son projet. Ir. Strowger ne donna pas suite à l'offre, mais informa Ir. Harris attendit que le modèle soit terminé.
En élaborant les circuits permettant de faire fonctionner l'interrupteur qu'il avait inventé, A. B. Strowger aborda le problème sous un angle entièrement nouveau, qu'il est bon que nous comprenions clairement. Les tentatives précédentes de construction de systèmes automatiques s'étaient accrochées à l'idée du fil unique, tentant de faire fonctionner toutes sortes de mécanismes et d'appareils électriques sur un seul fil avec retour à la terre. « M. Strowger proposa, dans sa première machine, d'utiliser autant de fils que nécessaire pour la faire fonctionner. Il s'efforcerait ensuite de réduire le nombre de fils le plus rapidement possible, sans sacrifier la simplicité et la fiabilité au profit d'un nombre réduit de fils. »

Voici raconté en 1913 dans le "Bulletin mensuel de l'Association des abonnés au téléphone", l'histoire d'un entrepreneur de pompes funèbres de KansasCity qui, étant mal servi par les demoiselles du téléphone, découvrit le téléphone automatique :

Le téléphone automatique, qui doit être mis en service dans plusieurs villes de France et dont l'usage sera peut-être généralisé dans peu de temps pour le bonheur ou pour le malheur des abonnés, a été découvert, comme toutes les inventions, par le fait du hasard et nos lecteurs ne seront pas peu surpris, en lisant l'amusante historiette suivante, d'apprendre dans quelles circonstances eut lieu cette découverte.
Le héros est M. Ritterhoff, surveillant de la Home Téléphone C°, qui la raconte lui-même dans le Kansas City Star Journal, et c'est son sourire intempestif qui lui fit perdre un million.
Vous ai-je jamais raconté comment j'ai failli devenir millionnaire ?
Non. Eh bien ceci m'arriva il y a à peu près vingt ans, alors que j'étais employé à la Bell Téléphone C°. Les bureaux se trouvaient au coin de la sixième rue et de la rue Wyandotte et l'on se servait alors de l'ancien transmetteur Blake, lequel possédait une manivelle qu'il était nécessaire de tourner une douzaine de fois pour appeler le central.
Un de nos clients était A.-B. Strowger, un entrepreneur de pompes funèbres, dont le magasin se trouvait entre Wall street et Wyandotte street.
Strowger avait plus de mal avec son téléphone que tout autre et aucun jour ne se passait sans, qu'il se plaigne et qu'il menace de tout démolir.
Tous les employés que j'envoyais chez lui ne trouvaient rien et cela ne faisait qu'augmenter la colère de Strowger.
— Chaque fois que quelqu'un vient, disait-il, cela marche à merveille, mais sitôt qu'il a le dos tourné il n'y a plus moyen de rien obtenir.- Je vous dis que ce sont les demoiselles du téléphone qui sont cause de tout cela.
Cette idée le poursuivit et il se mit à haïr les opératrices et à chercher une vengeance.
Un jour, un de ses amis perdit sa femme et il essaya de téléphoner à l'entrepreneur sans pouvoir y réussir. Il s'adressa à un autre et Strowger perdit sa clientèle.
J'allai moi-même trouver Strowger et je le trouvai en fureur contre les demoiselles du téléphone, à cause de l'argent qu'il avait perdu.
— Ce sont vos demoiselles du central qui en sont la cause, mais je vais toutes les faire jeter à la porte.
Regardez ceci (et il me tira de son tiroir une quantité de dessins qu'il étala devant moi). Voici ce que j'ai trouvé, j'ai inventé un
téléphone qui n'a besoin pour marcher ni de multiple ni de demoiselles. Je regardai son plan et je vis qu'il avait fait une étonnante découverte.

Il avait devant sa boutique une vieille enseigne avec son nom qui était rouillée, il en fit peindre une nouvelle et pendit l'ancienne au mur au-dessus de son téléphone. Quand la porte d'entrée s'ouvrait ou se fermait, un courant d'air se produisait qui faisait balancer l'enseigne; celle-ci s'accrochait entre les deux postes placés au-dessus de son téléphone de telle façon que le circuit se trouvait fermé et que le téléphone ne pouvait être employé jusqu'à ce que la porte, s'ouvrant ou se fermant de nouveau, produisît un courant d'air qui dégageait l'enseigne.

Strowger n'était pas un artiste et ses dessins étaient plutôt sommaires, mais il avait une bonne idée.
Il me proposa de l'aider à obtenir un brevet et de me donner 10.000 actions de la Société qu'il avait l'intention de former pour mettre cette invention sur le marché. Il vint le dimanche suivant à mon bureau, je corrigeai les dessins et il les envoya à Washington pour l'obtention de son brevet.
Le brevet obtenu, il vendit son affaire et loua un bureau à Chicago où il monta un modèle de son téléphone automatique.
J'y allai pour voir si son appareil était capable de marcher. Mais celui-ci était fait de façon si rudimentaire que je ne pus m'empêcher d'éclater de rire et que je ne pouvais m'arrêter. C'est ce rire qui me coûta un million.
Strowger me claqua la porte sur le nez et ne voulut ni m'écouter, ni répondre aux lettres que je lui écrivis.

La Société qu'il forma au capital de 5o.ooo dollars fut un commencement de la Automatic Téléphone C\
Avant que je retourne à Chicago réclamer mes 10.000 actions, Strowger mourut et je sus qu'il m'avait exclu de sa Société.
Actuellement l'Automatic Téléphone C° qu'il organisa est devenue l'une des plus importantes de ce pays et les 10.000 actions que je ne pus obtenir auraient fait de moi un millionnaire. Chicago à lui tout seul possède actuellement 20.000 téléphones automatiques et ce système est presque uniquement employé en Californie. »

Plan des évolutions

sommaire

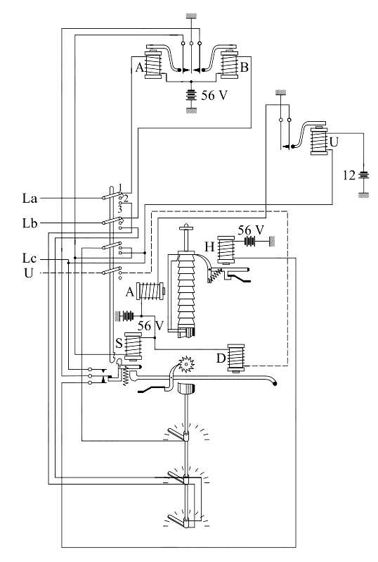
L'essentiel du premier commutateur automatique d'A. B. Strowger est présenté à la figure ci dessous. Les bornes de toutes les lignes du central étaient disposées sur des rangées à l'intérieur du cylindre A. Il était prévu dix rangées de 100 bornes chacune, soit une capacité totale de 1 000 lignes. aa représente les bornes et les lignes. Un arbre , capable d'un mouvement vertical et rotatif, était disposé dans l'axe du cylindre. Cet arbre portait un bras, qui servait de racleur pour entrer en contact avec les bornes des lignes. Dans la première machine fabriquée, le cylindre était en bois et les bornes étaient des broches d'écusson en laiton. Le mouvement vertical était assuré par l'actionnement pas à pas d'un aimant, muni d'un cliquet à l'extrémité de son levier. Un autre cliquet servait à maintenir l'arbre pendant la course de retour de l'aimant. Il y avait deux aimants rotatifs. L'un d'eux, était capable de faire tourner le curseur au-delà de dix bornes à la fois. L'autre,ne pouvait faire tourner le curseur que d'une borne à la fois. Ainsi, le mouvement vertical sélectionnait la centaine, le mouvement rotatif de dix crans à la fois sélectionnait la dizaine, et le dernier mouvement rotatif de crans individuels sélectionnait l'unité.
Monté sur ou à proximité de chaque levier magnétique se trouvait un autre aimant capable de libérer le mécanisme en tirant le cliquet hors de la dent où il reposait.
À gauche du plan se trouve l'appareil de l'abonné, avec la pile pour faire fonctionner les aimants de l'interrupteur.

Le 12 mars 1889, Sous le numéro 303 027 Almon Strowger a présenté la demande de délivrance d'un brevet pour un centre téléphonique automatique, qui a été accordée le 10 Mai 1889, le numéro 447,918
Le premier modèle fut achevé en 1890 et fut bientôt exposé au bureau de la compagnie de téléphone du Kansas et de Missourie.
Cela a fonctionné de manière satisfaisante, même si elle était encore très imparfaite et a suscité l'intérêt du directeur de la société Bell au niveau local.

Premier modèle de commutateur

C'était assez primitif dans la mesure où il nécessitait 5 fils entre le téléphone et le bureau central, plus une connexion à la terre ;le nupméroteur était équipé de 3 boutons poussoirs correspondant aux chiffres des centaines, des dizaines et des unités des numéros de téléphone à 3 chiffres de cette petite ville, sur lesquels il fallait appuyer chacun le nombre de fois correspondant au 1er, 2ème et troisième chiffres, afin faire le lien. Il y avait aussi un 4ème bouton sur lequel il fallait appuyer pour mettre fin à l'appel une fois celui-ci terminé.

Les brevets ont également été demandés en Grande-Bretagne le 6 mai 1891 et en Allemagne le 27 juin 1892.
Dans ce premier brevet, Strowger a décrit son sélecteur automatique pour les banques de lignes téléphoniques de 100 contacts en deux versions :
- 1. 100 contacts dans 10 groupes de 10 contacts disposés un groupe après l'autre dans un plan horizontal.
Le bras du sélecteur se déplace d'abord en grandes étapes jusqu'à la décade désirée, puis par petites étapes jusqu'à l'unité désirée.
- 2. 100 contacts sur 10 rangées superposées, chaque rangée comportant 10 contacts.
Un bras se déplace le long des contacts, verticalement sur la rangée souhaitée, puis horizontalement sur les 10 unités de cette rangée.
Dans ce premier système, le poste d'abonnés comportait une batterie de piles très puissante, et la ligne comptait 5 fils.
Dans le poste d'abonnés il y avait une clef correspondant aux unités, une autre correspondant aux dizaines, et ainsi de suite. Lorsque l'abonné voulait appeler le numéro 247, par exemple, il appuyait 2 fois sur la clef des centaines, 4 fois sur la clef des dizaines et 7 fois sur la clef des unités.

Le premier système fonctionnel, bien que sujet aux erreurs, a été inventé en utilisant trois boutons-poussoirs.
Ces boutons représentaient les centaines, les dizaines et les unités simples d'un numéro de téléphone. Lorsqu'il appelait le numéro d'abonné 163, par exemple, l'utilisateur devait appuyer une fois sur le bouton des centaines, suivi de six pressions sur le bouton des dizaines et de trois pressions sur le bouton des unités
Sur ce schéma les fils de numérotation sont appelés g, h et i.
Le fil g (centaines) commande l’ascension du mécanisme ; le fil h (dizaines) commande la rotation du mécanisme par dixièmes de tour ; le fil i (unités) commande l’avancée pas à pas jusqu’à la position de l’abonné demandé.

Le mouvement du sélécteurs est sur deux axes: le relais peut monter verticalement en haut en bas (ou plutôt vers le haut et la position 'remise à l'origine') et horizontalement en rotation sur les contacts.
Les abonnés reliés sont divisés par séries, par dizaines par exemple, et le mécanisme connecteur, au lieu de parcourir successivement toutes les lignes d'abonnés, commence par choisir la série dans laquelle se trouve l'abonné demandé, pour chercher ensuite dans cette série la ligne elle-même.
Il opère en quelque sorte comme opérerait quelqu'un cherchant un nombre dans un tableau à double entrée, les nombres entre lesquels il doit ch'oisir étant répartis en rangées horizontales et verticales : il commence par s'élever verticalement jusqu'au niveau de la rangée horizontale où est le nombre cherché, puis, se déplaçant horizontalement cette fois, il parcourt cette rangée jusqu'à ce qu'il l'ait trouvé.

Pour actionner le mécanisme permettant de relier les abonnés entre eux sans l’intervention d’une opératrice, Strowger imagine d’ajouter trois fils aux deux qui suffisent à la liaison téléphonique .
Ces trois fils aboutissent chez l’abonné à des boutons qui servent à la numérotation : l’un pour le chiffre des centaines, le deuxième pour le chiffre des dizaines et le troisième pour le chiffre des unités.
L’abonné demandeur compose le numéro de son correspondant en appuyant sur ces boutons autant de fois que nécessaire.

L'écrivain et ingénieur Kempster Miller affirme que les idées avancées par le brevet de Connolly et McTighe de 1879 ont été améliorées par Almon Strowger. Il est intéressant de noter que, alors que la première invention de Strowger nécessitait cinq fils entre chaque abonné et le central téléphonique, Connoly n'en avait besoin que de deux. Connoly était donc en avance sur ce point.

Le commutateur comporte quatre électroaimants, comme le montre le schéma. Chacun d'eux est commandé par les interrupteurs du poste téléphonique de l'abonné. Le cylindre comporte 1 000 contacts fixes répartis sur 10 rangées, avec 100 contacts par rangée. Notez les cinq fils par abonné relié au central. Le curseur mobile est situé dans l'axe central du cylindre et peut pivoter à 360 degrés pour atteindre 100 bornes sur une rangée donnée.
Astucieusement, il existe deux moyens de régler horizontalement le cliquet , le long d'une rangée . Voir la figure ci dessous pour un gros plan de cette fonctionnalité. Le petit cliquet des dizaines se déplace de 36 degrés à chaque impulsion du bouton des dizaines de la station. Le grand cliquet des unités se déplace de 3,6 degrés à chaque impulsion du bouton des unités. Ainsi, n'importe laquelle des 100 bornes d'une rangée peut être atteinte par une combinaison d'impulsions des chiffres des dizaines et des unités.
Chiffre des dizaines et chiffre des unités, moyens de cliquetage horizontal

Pour atteindre le terminal 15 de la rangée 3 (téléphone n° 315), l'abonné appuie :
- 3 fois sur le bouton des centaines (cliquet des centaines V)
- une fois sur le bouton des dizaines (cliquet des dizaines H)
- cinq fois sur le bouton des unités (cliquet H des unités)
Au moment de raccrocher, une fois sur le bouton de réinitialisation.
L'abonné peut également atteindre la « position 15 » horizontale en appuyant 15 fois sur le bouton des unités. Il est probable que personne ne fasse cela, mais cela permet d’obtenir le même résultat sans utiliser le bouton des dizaines
Le relais actuel contient trois bobines électromagnétiques : une pour faire passer le relais vers le haut jusqu'au premier étage de contacts, une pour faire pivoter sur le pont de contacts, et une troisième pour réinitialiser l'ensemble du relais à la position d'origine.

Plus tard, 93 abonnés y furent connectés. Le bureau fonctionnait de manière raisonnablement fiable,
Plusieurs bureaux de la même taille et de même conception ont été construits à Albuquerque, Nouveau-Mexique, Trinidad, Colorado et Amsterdam,

La sélection de l'abonné à appeler se faisait, dans cette première version, en appuyant le nombre de fois nécessaire sur des touches représentant les centaines, dizaines et unités du numéro à atteindre.

(photos Replique du Premier Modèle)

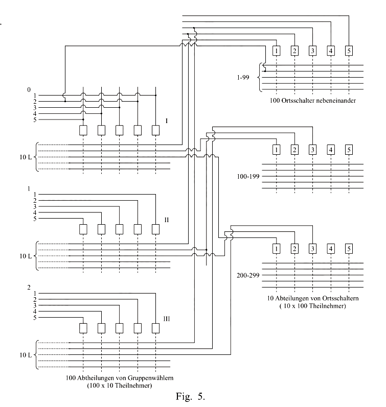
Le premier commutateur a été fabriqué avec 80 sélecteurs, pour 80 abonnés au téléphone, et chaque sélecteur avait 100 positions disposées dans un plan horizontal comme décrit ci-dessus en version 1 du brevet.
Les 100 positions des 80 sélecteurs devaient être reliées par un câblage similaire à celui des tableaux de commutation manuels pour permettre à chaque abonné d'accéder de manière égale à tout autre abonné.
Dans les locaux de l’abonné, deux batteries locales étaient nécessaires: une pour appeler et une autre pour parler.
Cinq fils, en plus du retour de la Terre, étaient nécessaires entre chaque abonné et le centre: trois fils pour appeler, un pour parler et un pour libérer l’appel.
Pour appeler un abonné, l’abonné appelant devait appuyer sur deux boutons: un bouton pour les dizaines et un autre pour les unités.
Les boutons ont été pressés le nombre de fois égal à la valeur de chaque chiffre.
Beaucoup d'appelants n'ont pas aimé parce qu'ils pensaient que en tapant le numéro il faisait le travail de la compagnie de téléphone !!!

Plusieurs points intéressants sont importants dans cette machine, que je vais brièvement mentionner.
1. La disposition des contacts en rangées sur une surface courbe. C’est devenu presque la norme par la suite . Cela peut être considéré comme très fondamental.
2. Le frotteur frotte successivement sur les contacts.
3. Mouvement vertical et rotatif. Pendant de nombreuses années, ce mouvement a été considéré comme idéal, mais certains considèrent désormais un simple mouvement rotatif comme meilleur. Afin de s'affranchir des complications mécaniques des mouvements verticaux et rotatifs, des circuits électriques très complexes ont été développés. Il est à espérer que ces circuits pourront être simplifiés.
4. Mouvement rotatif par sauts de dix pour les dizaines, suivis de sauts simples pour les unités. Ce mouvement n'a pas de très bonnes raisons d'être et a été abandonné par tous ceux qui l'ont essayé.
5. Relâchement complet à zéro ou position initiale.
Il s'agit du premier interrupteur dont le relâchement était satisfaisant. En appuyant sur le bouton de relâchement, l'utilisateur avait la satisfaction de savoir que toutes ses erreurs avaient été corrigées.
6. Cinq fils et terre. C'était excessif, mais l'inventeur prévoyait d'en réduire le nombre. Comme indiqué précédemment, il prévoyait de prendre autant de fils que nécessaire pour actionner l'interrupteur, puis de les réduire par des expériences minutieuses.
7. Batterie locale. C'était une très mauvaise fonctionnalité.
On ne comprend pas pourquoi tous ces aimants n'auraient pas pu être actionnés par une batterie dans le fil de terre du central ainsi que dans le fil de terre du poste.
8. L'abonné appelant contrôlait le déclenchement. C'e sera encore le cas dans certains automatismes suivants, mais cela suscite une attention particulière.
9. Absence de confidentialité. N'importe qui pouvait établir une connexion, intentionnellement ou par accident. Il convient également de noter qu'en sélectionnant un numéro, le curseur connectait effectivement le téléphone à toutes les lignes se trouvant sur son trajet, même si ce n'était que pour un court instant.

En 1890, le premier modèle fut achevé.
Il fut installé et exposé dans les bureaux de la Kansas & Missouri Telephone Company. Son fonctionnement, bien que rudimentaire, était suffisamment satisfaisant pour démontrer ses possibilités. Le directeur local de la Bell Company était très intéressé et impressionné.
Il mentionna aux Strowger la possibilité de vendre l'invention à la Bell Company et déclara qu'il était prêt à leur obtenir une audience auprès de la compagnie s'ils refusaient. Mais il leur conseilla de la développer. Avant d'essayer de vendre, ils devraient accepter les conditions de l'entreprise. Il ajouta que les standards téléphoniques auraient dû être automatiques dès le départ. Le manuel n'était qu'un pis-aller et, selon lui, l'avenir de l'automatique ne faisait aucun doute. Ce n'était qu'une question de temps et d'argent pour le perfectionner. Pendant ce temps, l'affaire du brevet traînait entre les mains d'un avocat. Apparemment, il avait mis trop de temps à être accordé. Finalement, l'avocat informa les Strowger que le brevet avait été accordé. Plus tard, ils découvrirent que ce n'était pas vrai et que l'affaire était très confuse. « Lorsque les autorités compétentes en matière de brevets posaient des questions, l'avocat tentait d'y répondre lui-même sans en référer aux inventeurs. N'étant pas un expert en électricité, il s'en sortait mal. » Lorsque cet état de fait fut découvert, les Strowger prirent les choses en main et traitèrent directement avec l'office des brevets. Ils ont corrigé les erreurs et ont eu la satisfaction de l'avoir fait dans les six mois suivant leur prise en charge..

Strowger avait beaucoup de difficulté à fabriquer un modèle d'exploitation et à trouver un fabricant.
Ni la Bell Telephone Company, ni Western Electric ne s’intéressaient à son appareil révolutionnaire, qui dominerait la commutation téléphonique automatique pendant plus d’un demi-siècle.

Joseph Harris et M. A. Meyer (hommes d'affaires) pressèrent alors A. B. Strowger et son neveu, de venir à Chicago pour installer sa machine.
M. Harris était lié à l'Exposition universelle, qui devait alors se tenir en 1892. Il expliqua à M. Strowger que, grâce à sa position géographique, Chicago était un bien meilleur endroit où travailler. Il y avait des gens de toutes les régions du pays et du monde, et qu'il y avait une excellente occasion de les intéresser à son invention. Harris et Meyer souhaitaient tous deux signer un contrat avec les Strowger, mais proposèrent de prendre en charge tous les frais de l'entreprise à Chicago, même en cas d'échec.
À l'automne 1890, A. B. et W. S. Strowger acceptèrent de venir à Chicago pour exposer leur invention. Ce qu'ils firent au début de l'hiver.
Le lendemain de leur arrivée à Chicago, les quatre hommes signèrent un contrat. Selon les termes du contrat, chacun des Strowger devait recevoir une certaine somme, un salaire et une participation dans une société par actions qui serait créée ultérieurement. Le plan d'action consistait à lever des fonds pour poursuivre les expériences visant à développer l'invention, puis à commercialiser le système. Dès la signature du contrat, Harris et Meyer commencèrent à solliciter activement des fonds pour accélérer les travaux. Pendant ce temps, les inventeurs s'occupaient de mettre en place le modèle achevé et opérationnel à Kansas City. M. Harris disposait d'un bureau dans le bâtiment Rookery, où l'exposition était câblée. Un monteur de lignes de la Chicago Telephone Company fut engagé pour aider au câblage. Ce monteur avait un ami du nom de Frank Lundquist, en visite en ville à cette époque. M. Lundquist était également monteur de lignes et vint aider aux travaux. Il s'intéressa vivement à l'idée d'un commutateur automatique. De nombreux visiteurs venaient admirer la nouvelle merveille, et parmi eux se trouvait l'incontournable journaliste. Quelques articles rémunérés, comme d'habitude, attiraient l'attention des habitants de la ville. Mais les journaux lançaient parfois des attaques humoristiques, tentant de discréditer l'invention en la ridiculisant. L'un d'eux s'exclamait : « À quoi bon que ces plébéiens viennent ici pour faire ce que Bell, Berliner et Edison ont échoué ? » En effet, les sempiternels électriciens de Chicago trouvaient présomptueux de la part de ces habitants du Kansas sauvage et laineux de tenter ce qu'ils tentaient. Mais ces nouveaux venus barbus travaillaient sur le problème depuis trop longtemps pour ne pas connaître leur terrain et étaient plus aptes à en parler que leurs critiques.

De nombreux visiteurs venus de l'étranger, d'Allemagne, de France et d'autres pays européens, considéraient le problème comme très complexe. Mais ces électriciens étrangers approuvèrent l'idée et exprimèrent leur confiance dans son succès final. Le brevet déposé à Kansas City fut officiellement délivré en mars 1891 sous le numéro 447 918.

L'homme d'affaires de l'histoire était Joseph Harris.
Harris et Meyer ont levé des fonds pour réaliser le rêve du premier bureau téléphonique. Harris avait un bureau dans le bâtiment Rookery à Chicago, ou il avait exposé le modèle dé Kansas City.

sommaire

Le commutateur à disque plat

En raison d'imperfections dans la première machine, il a été jugé opportun de modifier quelque peu la forme. Il semblait très difficile de rendre le cylindre, l'arbre et le curseur suffisamment précis pour être sûr de toujours atteindre la bonne borne. La marge d'erreur admissible était trop faible, ou la variation réelle des pièces mobiles trop importante, car le curseur ne fonctionnerait pas avec certitude. Pensant qu'il serait plus facile d'assurer la précision sur une surface plane, le bloc de bornes a été remplacé par un disque plat. Les bornes étaient disposées en cercles autour du centre, avec le même nombre pour chaque cercle. Il était initialement prévu de n'avoir qu'une seule rangée circulaire de 100 bornes. Le racleur était monté sur un arbre traversant le disque à angle droit par rapport à son plan. N'ayant qu'un seul mouvement, la machine était beaucoup plus simple, bien que sa capacité ne soit que de 100 lignes.
Après avoir élaboré la conception du nouvel interrupteur, dont il n'existe malheureusement aucune illustration, la Western Electric Company a été sollicitée pour estimer et soumissionner sa construction. Cette entreprise s'était montrée amicale au point de vendre aux expérimentateurs tout ce qu'ils désiraient. Lorsque l'entreprise a envoyé son expert pour étudier le projet, W. S. Strowger a dû expliquer ce qui était demandé. M. Strowger a expliqué les limites et la précision avec laquelle les pièces devaient fonctionner. Après avoir écouté toutes les conditions de M. Strowger, l'expert fit la remarque suivante : « Pourquoi voulez-vous un si beau travail de chronomètre ? Autant garder les filles plutôt que d'avoir de si belles machines.» M. Strowger répondit : « Voulez-vous soumissionner ?»
« Oui », fut la réponse.
À l'époque, la Western Electric Company était opposée à l'idée de l'automatisation et s'abstenait d'y participer. Mais, individuellement, les employés de Western Electric se montrèrent très aimables et arrangeants.
La construction des nouvelles machines fut finalement confiée à l'Union Model Works, dirigée par M. Brown, rue Clark, à environ un demi-pâté de maisons au nord de l'actuel bureau de poste. Vingt machines furent fabriquées au prix de 60 $ chacune. W. S. Strowger
avait étudié la question des coûts et avait prédit que, s'ils étaient fabriqués dans leur propre usine sous sa supervision, le coût pourrait être réduit à 5 $ par commutateur. Il a fallu trois ans pour le réduire à ce niveau.
Conformément au contrat, la société d'automatismes a été constituée le 30 octobre 1891 sous le nom de « Strowger Automatic Telephone Exchange ». Les fondateurs étaient les suivants : M. A. Meyer, président ; A. B. Strowger, vice-président ; Joseph Harris, et secrétaire ; W. S. Strowger.


Le commutateur Zither de Keith
Au printemps de 1892, un autre homme de valeur rejoint l'entreprise, Alexander Keith. Il avait été envoyé pour évaluer le système Strowger par la Brush Electric Company. Son rapport favorable a conduit Brush à acheter une grande quantité d’actions de la société, ce qui a fourni un capital indispensable aux travaux de développement. Keith a tellement aimé le système qu'il a été persuadé de démissionner de Brush et de rejoindre Strowger. C'était un ingénieur très compétent possédant une expérience téléphonique antérieure auprès d'une entreprise Bell.
Keith a rapidement reconçu le passage vers un modèle de production et a continué à réaliser des développements précieux au cours des années suivantes.

La charge de travail est vite devenue trop importante, également parce que la décision a été prise de changer l'aspect sécurité, un mécanicien de la compagnie de téléphone de Chicago a été engagé pour les aider à la production. Il était ami avec Frank Lundquist, un immigrant suédois, que nous rencontrerons plus tard. Lundquist vint à Chicago et était prêt à les aider pour l'installation.


Interrupteur Strowger montrant le contrepoids utilisé pour remettre le bras du sélecteur rotatif en position initiale après un appel. La force de la masse suspendue est transmise au bras par la poulie rotative (roue) située à l'extrême gauche. Cette poulie est tirée de « The Electrical World », numéro du 13 août 1892 et reprise dans « Scientific American », numéro de novembre 1892.

Non sans mal, Strowger le 3 novembre 1892, met en service le premier central téléphonique automatique avec 75 abonnés au début, en utilisant la dernière conception d'interrupteurs fabriquée par la Columbia Novelty Works Company. dans la ville de La Porte près de Chicago dans l'Indiana et exploité par le Cushman Compagnie de téléphone.
Le central extensible à 99 lignes a été installé gratuitement et aucun frais n'a été facturé pour les appels - c'était uniquement pour évaluer le système. Cela a été une chance, car la société Bell a menacé de poursuites judiciaires.

La société Cushman indépendante avait remplacé une filiale de Bell Telephone Company et elle avait précédemment installé le central téléphonique à La Porte. En 1890, les deux sociétés avaient intentés une action en justice et le juge a statué que le matériel téléphonique de Cushman Telephone Company avait enfreint les brevets de Bell, alors toujours valides, et a dû être retiré.
En juillet 1892, les autorités municipales de La Porte, qui avaient été privées de services téléphoniques par cette décision judiciaire, autorisèrent la compagnie de téléphone Cushman à installer un autre central, cette fois-ci fourni par la société de centre téléphonique automatique Strowger.
Ainsi, La Porte a obtenu le premier centre automatique de service public au monde ou, comme le rapporte le Chicago Herald,
Le service de La Porte étant gratuit, ils ne pouvaient pas y faire grand-chose. L'échange a finalement été vendu à un groupe de citoyens locaux et s'est poursuivi comme une entreprise commerciale. À chaque nouvelle installation, Bell annonçait dans les journaux locaux que le système violait ses brevets et menaçait de poursuites judiciaires contre la société d'exploitation indépendante et ses abonnés. Cette intimidation a sensiblement ralenti le rythme des ventes. Malgré cela, le brevet de Strowger lui-même n'a jamais été contesté devant les tribunaux et il est devenu évident qu'il s'opposerait à Bell dans le cadre d'un litige. Le litige de Bell concernant les émetteurs et les récepteurs était une autre affaire et a finalement été tranché contre Bell au début des années 1900, après l'expiration des brevets.

La capacité de ce commutateur à disque fut alors augmentée en lui conférant dix rangées circulaires de 100 nm chacune.
Les principes en jeu sont clairement exposés dans le brevet déposé ultérieurement par A (19 février 1892).

Les figures 10 et 11 permettent de se faire une idée générale : la première représente une coupe verticale et la seconde un plan.
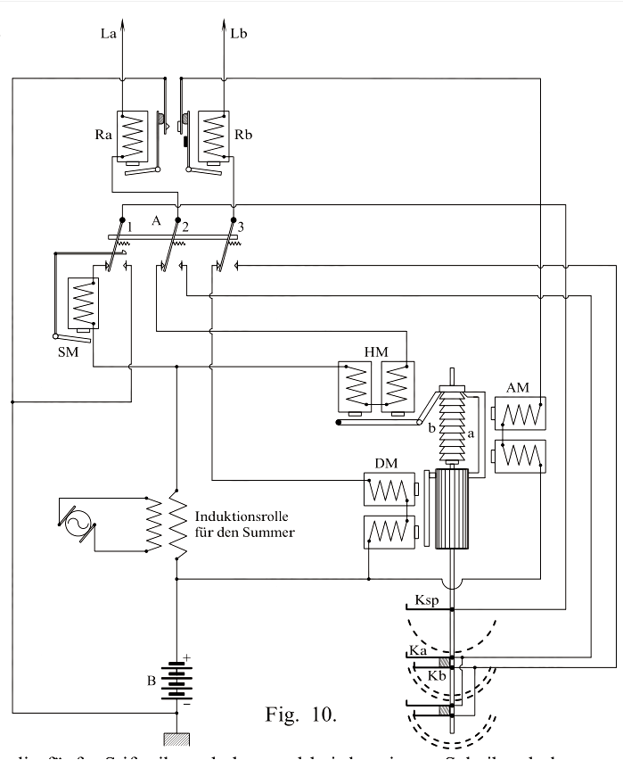
Sur la figure 10, la figure 3 représente la table ou le disque en caoutchouc sur lequel sont montées les bornes de ligne 5. L’arbre vertical porte un bras radial 12 sur lequel coulisse le curseur proprement dit 15. Grâce à un dispositif mécanique très ingénieux, l’aimant 62 permet de déplacer ce curseur le long du bras, d’une rangée à l’autre, lui permettant ainsi de sélectionner n’importe quelle centaine. Le mouvement rotatif est assuré par deux aimants, comme dans la première machine. L'aimant 41 fait tourner le balai par pas de dix, tandis que l'aimant 35 effectue des pas simples. Ainsi, les centaines sont sélectionnées par l'aimant 62, les dizaines par l'aimant 41 et les unités par l'aimant 35. Le déclenchement est assuré par deux aimants, 46 et 55, qui déclenchent respectivement les mouvements rotatif et radial. Le principe de déclenchement est identique à celui de la première machine : les cliquets qui maintiennent le mouvement d'avance sont retirés, permettant ainsi aux ressorts de ramener la pièce mobile à sa position zéro. Pour éviter les frottements, source de problèmes jusqu'alors, une action mécanique particulière a été utilisée pour faire sauter l'arbre du balai de haut en bas à chaque mouvement, radial ou rotatif, du balai. Ce mécanisme a été obtenu en plaçant un autre aimant au bas de l'arbre, son armature étant conçue pour le soulever. L'enroulement de cet aimant était connecté en série avec tous les aimants actifs, de sorte que, dès que l'un d'eux fonctionnait, l'aimant « sauteur » fonctionnait.

La figure 12 montre le schéma des circuits d'un téléphone.
À gauche, Tel représente le téléphone, qui peut être de n'importe quel type. 95 est une clé à sangle utilisée pour faire fonctionner les aimants. Un commutateur à cadran a été conçu pour fonctionner en liaison avec un commutateur magnétique au centre afin de contrôler les impulsions envoyées sur le fil de ligne UJ.
Ce commutateur à cadran possède cinq contacts, marqués R, H, T, U et Tel. Tous les points sont reliés à la batterie 90. Le levier de l'interrupteur 92 était fixé au fil de ligne inférieur et, au centre, relié à la terre par l'aimant 85. Cet aimant pouvait agir avec un cliquet sur un autre interrupteur dont le curseur 86.
était conçu pour entrer en contact avec l'une des dix bornes. La borne supérieure était reliée aux deux aimants de déclenchement, 46 et 55, et à la masse via l'aimant sauteur, 31.
Le deuxième point de l'interrupteur, 86, reliait l'aimant 62, qui effectuait le mouvement radial du balai. Le troisième point était relié à l'aimant 41, qui faisait tourner le balai par sauts de dix, tandis que le quatrième point reliait l'aimant 35, qui effectuait les pas. Le cinquième point, relié au balai lui-même, 15, servait à la communication ; il constituait le circuit du cordon, ou plutôt la fiche de connexion.

De cette façon, l'interrupteur 86 servait de distributeur pour les impulsions, les dirigeant vers l'aimant approprié au bon moment. Supposons que l'on veuille appeler le 234.
L'interrupteur 92 du poste électrique serait alors tourné vers le point H. Une impulsion serait alors envoyée sur le fil de ligne inférieur, faisant avancer l'interrupteur 86 d'un cran, connectant le fil de ligne supérieur à l'aimant des centaines 62. Ensuite, la touche 95 serait enfoncée deux fois, alimentant 62 et 31, effectuant deux sauts vers le haut et vers l'extérieur avec le curseur 15. L'interrupteur 92 serait alors tourné vers le point T, ce qui déplacerait la connexion du fil de ligne supérieur de l'aimant radial à l'aimant des dizaines, soit 41. La touche 95 serait alors enfoncée trois fois pour déplacer le curseur dans un sens de rotation de trois fois dix crans. De cette façon, les unités étaient également sélectionnées, le fil de ligne supérieur étant finalement branché sur l'essuie-glace lui-même pour appeler le poste appelé et parler. Le commutateur 86 comportait dix bornes, les bornes opposées étant reliées entre elles. De cette façon, le commutateur n'avait qu'à effectuer un demi-cercle pour émettre un appel et le raccrocher. L'un des dispositifs mécaniques sur lesquels je souhaite attirer l'attention est illustré à la figure 13. La moitié supérieure de la figure montre la disposition exacte des aimants des dizaines et des unités, ainsi que l'aimant de déclenchement du bouton rotatif. En bas à gauche se trouve un cliquet spécial conçu pour empêcher l'inertie des pièces mobiles de les entraîner plus loin que prévu. Les mouvements d'un électroaimant étant très rapides, il y avait un risque de donner un coup brusque à l'arbre, et que l'impulsion le fasse passer au-delà de la limite. Ce problème a été résolu grâce à une vis de pression (86) qui maintenait fermement le cliquet contre la roue (32) tant que l'aimant était sous tension. Cela assurait un blocage très efficace du cliquet. Le schéma en bas à droite montre le cliquet relevé en position de blocage. Un autre point fort de la construction du cliquet était la vis de pression (85) qui empêchait le cliquet de toucher la roue lorsqu'il était en position normale. Le ressort (33) tendait à maintenir le cliquet contre la roue, mais lorsque le levier magnétique reculait, l'extrémité arrière du cliquet heurtait la vis de pression et éloignait la pointe de la roue. L'avantage de ce système est particulièrement évident en termes de déblocage, rendant inutile l'utilisation d'un aimant de déblocage pour retirer le cliquet. Nous pouvons maintenant passer en revue les principales caractéristiques du système comme suit :
1. La construction à disque plat.
2. L'action de levage pour éviter les frottements au niveau des contacts. Cela semble avoir été le principal problème de tous les premiers inventeurs.
3. La réduction à deux fils de ligne. L'un d'eux, illustré en haut sur la figure 12, était le fil d'impulsion ou fil pas à pas et peut être grossièrement comparé au fil vertical des systèmes récents. L'autre fil, le fil de ligne inférieur sur la même figure, était le fil de commande ou de direction, déterminant les aimants sur lesquels l'autre fil devait fonctionner. On peut le comparer au fil rotatif en pratique. Mais il ne faut pas oublier que le fil J était aussi le fil de communication, avec retour à la terre.
4. L'interrupteur spécial, situé au centre, distribuait les impulsions du fil supérieur. On peut l'appeler à certains égards « interrupteur latéral », car il agit comme l'interrupteur latéral des connecteurs modernes. L'aimant qui le faisait fonctionner pourrait être appelé « aimant privé », bien qu'il n'ait aucune action protectrice dans ce cas. Il y a un défaut que nous devons trouver à « l'interrupteur latéral », car son action correcte, et même le bon fonctionnement de la machine entière, en dépendait. sur l'interrupteur latéral, maintenez-le en parfaite synchronisation avec l'interrupteur à cadran 92.
station. Si, par quelque moyen que ce soit, ils parvenaient à désynchroniser ne serait-ce qu'une seule station, cela entraînerait une grave confusion pour l'abonné. Et ce dernier n'avait aucun moyen de corriger.
5. Il n'y avait aucune confidentialité. N'importe qui pouvait se connecter à n'importe quelle autre ligne, même si elle était déjà connectée à une autre.
6. Le dispositif de verrouillage des cliquets. C'est un très bon point, et il est encore utilisé sur certaines des meilleures machines.
7. L'objectif semblait toujours être de connecter le maximum de stations à tout moment, en équipant chacune d'elles d'un interrupteur. L'idée du pourcentage n'avait pas encore été appliquée.
Ce brevet a été délivré le 29 novembre 1892, sous le numéro
486 909
Les efforts pour réduire le nombre de fils de ligne ont conduit les Strowger à tenter d'utiliser des aimants polarisés.
En lien avec la machine à disque plat qui vient d'être décrite. Le même jour, le 19 février 1892, ils déposèrent un brevet pour leur système à fil unique, brevet qui fut ensuite accordé et délivré sous le numéro
492 850
Sans revenir sur les détails de la machine précédente, la figure 14 illustre la manière dont la sélection s'effectuait sur un seul fil. Tous les aimants étaient polarisés, de sorte que chacun nécessitait l'entrée de courant à la borne marquée « + » pour fonctionner. Le courant en sens inverse n'aurait aucun effet sur lui. Ces aimants sont les suivants :
! = aimant de l'interrupteur latéral,
3S = aimant de déclenchement rotatif,
36 = aimant de déclenchement radial,
39 = aimant des centaines,
37 = aimant des dizaines,
38 = aimant des unités,
40 = aimant sauteur.

L'aimant / de l'interrupteur latéral était le seul à fonctionner avec le courant arrivant sur la ligne, tous les autres nécessitant un courant montant depuis la terre.
Au poste, le cadran était disposé sous la forme de deux rangées concentriques de contacts. Ceux marqués d'un symbole rond sont suffisamment courts pour ne pas être touchés par les deux curseurs 5, à moins qu'ils ne soient pressés contre les contacts. Les autres contacts, indiqués par des repères longs, sont suffisamment hauts pour que, lorsqu'on tourne le curseur j, ils se touchent toujours. L'un des curseurs est relié à la terre et l'autre à la terre. Le curseur est fixé aux deux rangées de contacts, toutes les broches courtes ayant le négatif à l'extérieur, tandis que les broches longues ont le positif à l'extérieur.
Normalement, le levier j du cadran était Il était censé être maintenu entre les deux broches marquées R et les broches longues en haut. Pour appeler le 234, il suffit de déplacer le levier vers H et de l'appuyer deux fois pour qu'il touche les broches courtes. Ensuite, déplacez-le vers les broches T et appuyez trois fois, puis vers le point U, puis quatre fois, et enfin vers le point T et appuyez une fois. Pour libérer, tournez vers les broches marquées R et appuyez une fois.
L'actionnement du levier, appuyé sur les broches courtes, avait pour effet d'envoyer des impulsions de courant négatif sur la ligne, ce qui actionnait l'aimant connecté à la ligne via l'interrupteur latéral. Mais cela n'avait aucun effet sur l'aimant de l'interrupteur latéral. Lorsque le levier était déplacé d'une broche courte à la suivante, les curseurs touchaient automatiquement les broches longues, envoyant ainsi une impulsion de courant positif sur la ligne. qui actionnait l'aimant de l'interrupteur latéral et commutait le circuit sur l'aimant suivant.
Il est inutile de commenter l'inconvénient de l'utilisation d'aimants polarisés. À notre connaissance, cette carte n'a jamais été utilisée.


Annexe

Quelques détails du deuxième brevet de Strowger : US486,909

La table de commutation est fixe. Le bras 12/11 se déplace radialement et le curseur 14 se déplace linéairement pour établir le contact 15 avec l'une des 1 000 bornes intégrées à la table.
L'élément 10 sert de support. Le ressort 25 ramène le curseur à sa position initiale une fois l'appel terminé.

Les bornes 5 sont situées sur 10 cercles concentriques, chacun comportant 100 bornes. Le curseur 14 assure la connexion vocale via le câble « Tél. ».
La plupart des premiers commutateurs n'avaient qu'un seul curseur avec une masse commune à l'ensemble du système comme deuxième câble pour la voie vocale.
Ce système s'est avéré bruyant et, bientôt, tous les commutateurs ont adopté trois câbles, appelés « pointe, anneau et manchon de commande » (TRS).

Le bras de levier 17 assure le mouvement linéaire du curseur 14.
Le brevet complet détaille le mécanisme qui crée les mouvements du bras et du curseur.
Une version simplifiée de cette conception (100 bornes, pas de mouvement linéaire pour l'essuie-glace 14) est devenue le commutateur de production pour le premier central de La Porte, Indiana


La figure 15 illustre le principe. Les fils reliant les bornes de tous les commutateurs sont les fils qui relient les bornes de tous les commutateurs. Il a placé le curseur de la ligne n° 1 sur un contact « accueil », comme le faisaient le n° 2 et tous les autres. En temps normal, lorsque le n° 1 déplaçait son curseur pour communiquer avec le n° 2, ils étaient à l'abri des interruptions causées par les appels de toute autre personne essayant d'appeler le n° 1. Le tiers trouvait le point d'accueil du n° 1 ouvert. Mais s'il appelait le n° 2, qui est l'appelé, le tiers pouvait accéder à la ligne. Pour la rendre entièrement privée, M. Strowger a installé entre les commutateurs de chaque abonné une ligne privée aboutissant au même numéro sur chaque commutateur, par exemple le n° 1. 35.
Si les deux hommes souhaitaient converser sans interruption, ils accepteraient de déplacer simultanément leurs commutateurs vers le numéro 35. Comme cette ligne n'apparaissait que sur les deux commutateurs, personne d'autre ne pouvait les joindre.
Il est évident que cela constituait un gaspillage d'espace dans le terminal, mais cela répondait au besoin pour le moment.
À cette époque, une entreprise fut créée au Canada dans le but de promouvoir le téléphone automatique sur ce territoire. Mais rien n'indique qu'elle y ait participé.
Les vingt appareils, fabriqués par l'Union Model Works, furent exposés dans différentes villes. Partout où ils furent présentés, et dans tout le pays, ils suscitèrent un vif intérêt. Comme d'habitude, les gens prirent parti, certains déclarant que c'était un projet insensé et impossible, d'autres voyant ses possibilités et souhaitant l'acquérir. L'un des résultats concrets de ces expositions fut la découverte que, lorsque le grand public utilisait l'appareil, il recevait parfois des décharges électriques. Une enquête révéla que ces décharges provenaient des bornes de connexion exposées des récepteurs, qui étaient du type Bell ordinaire, alors la norme. Cela a conduit à l'adoption d'un type de récepteur dont les bornes de connexion étaient dissimulées à l'intérieur du boîtier.

À l'automne 1892, W. S. Strowger se rendit en Californie pour présenter le système et lever des fonds pour son développement. Il exposa à San Francisco et à Los Angeles. À cette dernière ville, il fut contacté par un homme qui lui proposa de racheter l'invention.
Il proposa de créer un syndicat et d'échanger des biens immobiliers de Los Angeles à leur pleine valeur contre des actions de l'automate à un quart de leur valeur. Strowger refusa de traiter avec cet homme. Il craignait que si l'automatique tombait entre de mauvaises mains, l'entreprise ne fasse faillite. Depuis, les biens immobiliers proposés à l'échange ont progressé jusqu'à valoir aujourd'hui plusieurs millions de dollars.
Au printemps 1893, M. Strowger retourna à Chicago.

sommaire

Le premier système public

Les expositions que les spécialistes de l'automation avaient réalisées dans différentes villes avaient pour but de mobiliser des capitaux et de trouver un lieu où le système pourrait être testé par le public.
Le fait que le système automatique, tel qu'il avait été développé jusqu'alors, ne soit pas privé constituait un grand avantage pour l'investisseur potentiel et pour le grand public. Les promoteurs financiers ont répondu à l'objection en déclarant que le système avait été rendu secret, puis ont demandé aux inventeurs de le mettre au point. Finalement, un contrat fut conclu pour l'installation d'une installation à LaPorte, dans l'Indiana. Ce commutateur a l'honneur d'être le premier central automatique du service public.
En mai 1892, Alexander E. Keith commença son installation. Le commutateur utilisé était du type à disque plat en caoutchouc, décrit précédemment. Il ne comportait qu'un seul mouvement pour le curseur et une seule rangée circulaire de contacts, ce qui limitait sa capacité à 100 lignes. Le curseur était porté par un bras qui se relevait en tournant pour éviter le frottement des contacts, qui aurait autrement gêné son mouvement. Ce résultat était obtenu grâce à l'aimant à sauts, Les dizaines étaient sélectionnées par sauts de dix crans chacun et les unités par mouvements d'un seul cran.
Le centre fut ouvert au public le 3 novembre 1981. C'était la première fois que le système Strowger était réellement utilisé à des fins commerciales par le grand public. Les lettres des utilisateurs témoignent de son succès et de son accueil favorable. Mais on commença à remarquer qu'il arrivait qu'un interrupteur ne se déverrouille pas complètement. Cela s'expliquait par la lenteur avec laquelle l'interrupteur revenait à sa position initiale. L'abonné ordinaire appuyait sur le bouton de déverrouillage aussi longtemps qu'il le jugeait nécessaire, et si son appel concernait un numéro peu élevé, il avait le temps de le déverrouiller complètement. En revanche, si un numéro élevé était composé, le bras de l'essuie-glace faisait presque le tour du cercle. Il lui fallait donc plus de temps pour revenir au point zéro. L'abonné ignorait ce fait, ou s'il le savait, il était impossible de convaincre tout le monde de le faire et de maintenir le bouton de déclenchement plus longtemps pour un numéro élevé que pour un numéro faible. L'uniformité des opérations est l'un des fondamentaux d'un bon système téléphonique, surtout d'un système automatique.
Pour remédier à cette lacune, M. Keith, au printemps 1893, inventa un déclencheur automatique fixé au levier du crochet sur lequel le combiné était normalement suspendu. Ce dispositif permettait à l'abonné de ne plus avoir à prêter attention au déclencheur.

La figure 16 montre les détails de ce dispositif. Un petit boîtier à deux compartiments était fixé au levier du crochet. Dans la partie inférieure de la cloison se trouvaient deux petits trous. Juste au-dessus des trous, dans le compartiment le plus proche du pivot du levier, se trouvaient deux bornes à vis. L'une était reliée à la batterie et l'autre à la ligne de déclenchement. Chaque compartiment contenait une quantité appropriée de mercure. En position normale, le récepteur accroché au crochet, l'espace de gauche était le plus bas et contenait tout le mercure.
Lorsque le récepteur était soulevé du crochet pour commencer la conversation, le mercure s'écoulait progressivement par les deux trous dans le compartiment de droite.
Ce faisant, il ne touchait pas les fils de déclenchement.
Lorsque le récepteur était accroché au crochet à la fin de la conversation, le levier était à nouveau basculé vers le bas, ce qui faisait que tout le mercure du compartiment de droite s'écoulait vers le bas et recouvrait les fils de déclenchement, tout en s'échappant progressivement vers l'autre compartiment. Cela maintenait le déclencheur fermé pendant un temps suffisant. On l'appelait alors « déclencheur à pilules ». Le brevet de ce dispositif fut déposé le 16 septembre 1893 et délivré le 29 décembre 1896 sous le numéro 573 884.
Ce système automatique fut exposé à l'Exposition universelle tout au long de l'été 1893 et suscita un vif intérêt. Les ingénieurs et les scientifiques, notamment étrangers, semblaient très impressionnés par l'intérêt de la commutation automatique et par les mérites de ce système particulier.
En 1893, M. T. C. Martin entra au poste d'ingénieur du central téléphonique automatique de Strowger.

W. S. Strowger, de retour de Californie, fut envoyé installer un petit système à Fort Sheridan, dans l'Illinois, pour le gouvernement des États-Unis.
L'interrupteur était du même type plat que celui installé à LaPorte, dans l'Indiana, et effectuait les rotations par à-coups. La poussière qui se déposait sur les contacts causa quelques problèmes. Comme le balai sautait de haut en bas sans essuyer les bornes, la poussière empêchait parfois le contact et le balai ne parvenait pas à se dégager. Le système fut achevé en octobre 1893. C'est à cette époque que commença la fameuse panique de 1893. Les gens avaient besoin de provisions et de vêtements, mais on pouvait se passer de luxes coûteux comme les téléphones automatiques. Cela était particulièrement vrai pour l'investisseur, dont l'aide fut si nécessaire au développement du système automatique. L'argent se faisait rare, ce qui rendait extrêmement difficile la poursuite des activités et menaçait de ruiner toutes les nouvelles entreprises, comme le téléphone automatique. Cependant, grâce à des mesures appropriées, l'activité du téléphone automatique a pu traverser la tempête.

L'Union Model Works a commandé 20 autres sélécteurs pour 60 dollars la pièce. Strowger est arrivé à la conclusion que ce prix était trop élevé. Il a fallu près de trois ans avant que le prix puisse être abaissé à 5 $ chacun.
Keith deviendra le directeur général d'Automatic Electric Company (AEC) et a propulsé l'entreprise sur la voie de la croissance mondiale en matière de produits d'automatisation des échanges téléphoniques .
Quelques-uns de ses brevets clés sont :
- Commutateur de cithare ou pianola : US540,168 (moyens linéaires et rotatifs)
- Commutateur Strowger amélioré
- Cadran rotatif : US597,062 (ce fut la mère de tous les futurs cadrans rotatifs )
- Commutateur de ligne : US1,304,324 (fonctionnement du central nettement amélioré)

sommaire

EVOLUTION DU CADRAN

Le premier brevet pour un cadran rotatif a été accordé à Almon Brown Strowger le 29 novembre 1892 sous le nom de brevet américain US 486 909, mais la forme communément connue avec des trous dans la molette n'a été introduite que vers 1904. Bien qu'elle soit utilisée dans les systèmes téléphoniques de l'indépendant compagnies de téléphone, le service à cadran dans le système Bell aux États-Unis n'était pas courant jusqu'à l'introduction du modèle Western Electric 50AL en 1919.

7 mars 1893 brevet US 492 850 COMBINED INDICATING ELECTRIC SWITCH AND CURRENT REVERSER.

1893 Le système automatique (première version) a été exposé à l'Exposition universelle tout au long de l'été et a attiré beaucoup d'attention, les ingénieurs, les scientifiques et en particulier ceux de l’étranger.

La gravure montre le type de dispositif d'appel utilisé dans la première installation. Il s'agissait d'une série de touches d'envoi télégraphique ; en lisant de gauche à droite, on pouvait lire les milliers, les centaines, les dizaines, les unités et les relâcher. Pour appeler un numéro, par exemple 232, on appuyait deux fois sur le bouton des centaines, trois fois sur le bouton des dizaines et deux fois sur le bouton des unités. Il n'y avait pas d'élément temporel quant au taux d'impulsions, car les aimants étaient actionnés directement à partir des boutons-poussoirs. Pour libérer la communication, le bouton de déverrouillage était enfoncé pendant un instant, ramenant ainsi le commutateur à sa position normale. le crochet récepteur contrôlant simplement le circuit de conversation de la batterie locale.

sommaire

Retour sur l'histoire STROWGER qui commença aussi en Suède, dans la ferme d'Erickson, à trois miles au nord-est de Lindsborg, où Anders Erickson et sa femme Anna Maria s'installèrent en 1869. Ils vinrent en avril de la même année à Värmland pour fonder la communauté de Lindsborg.
Anders, le père, avait un talent inhabituel en tant que mécanicien; il a été reconnu dans toute la région pour son habileté en tant que forgeron, et en tant qu'artisan, travaillant dans le métal et le bois. Les fils regardaient leur père accomplir des tâches difficiles avec un équipement simple. Au fil des années, une boutique de 14 pieds sur 9 pieds fut aménagée pour les frères, attenante à celle de leur père, ou ils ont rêvé, planifié et travaillé.

Les frères John et Charles J. Erickson
John Erickson est né à Filipstad, en Suède, le 25 janvier 1866. Ses parents ont émigré aux États-Unis en 1869 et ont été parmi les premiers colons de la colonie suédoise de Lindsborg, au Kansas. Charles J. est né à Lindsborg, au Kansas, le 23 juillet 1870.
Jusqu'en 1893, les deux frères sont restés sous le toit parental. Les deux garçons avaient tous deux un génie de l'invention. Ensemble, ils ont conçu et perfectionné le premier orgue et piano automatique, aujourd'hui utilisé sous divers noms en Amérique et en Europe. Les frères ont été inséparables dans toutes leurs entreprises. En 1893, ils se sont rendus à Chicago afin de perfectionner et de présenter au monde commercial leur standard téléphonique automatique.
John Erickson s'est marié en 1900 à Mlle Mary Josephine L/indskog, de Karlstad, en Suède. Ils ont un fils, John Arthur.
Charles J. Erickson s'est marié en 1898 à Mlle Maria Elizabeth Schonbeck, de Stockholm. Ils ont une fille, Hazel Elizabeth, et un fils, Roy Charles.

Frank A. Lundquist est né le 24 juin 1868 à Galva, dans l'Illinois. Ses parents, ayant émigré de Suède dans leur jeunesse, étaient parmi les premiers colons de la région. À l'âge de deux ans, sa famille déménagea à Lindsborg, au Kansas. Frank fut l'un des premiers étudiants du Bethany College de Lindsborg. Il obtint son diplôme de commerce en 1891. Après un an en Californie, il partit pour Chicago et travailla pour la Bell Telephone Co. Là, il fut impressionné par l'idée qu'un téléphone automatique pourrait être une solution commerciale.
L'année suivante, il retourna à Lindsborg et communiqua ses idées à ses vieux amis, John Erickson et Charles J. Krickson.
Dans un récit écrit par Charles Erickson, le plus jeune des deux frères, on trouve une description de leurs premières activités et de leurs relations avec Frank A. Lundquist, un ami et un associé.

Les frères ne connaissaient aucune limite à leurs projets d'invention. Charles a souligné que leur premier projet était de résoudre le problème du mouvement perpétuel. Ils ont travaillé dessus pendant trois ans, mais ont été forcés comme d'innombrables autres à l'abandonner. Ils se sont ensuite tournés vers l'invention d'un "buggy sans chevaux" à conduire par explosion de gaz. Le moteur a fonctionné, mais il n'a pas généré suffisamment de puissance. L'esprit créatif a continué à défier les jeunes inventeurs tels que décrits par Charles :
John et moi sommes restés fidèles au vieux jeu et étions plus occupés que jamais. Notre atelier à la ferme était un endroit occupé jour et nuit pendant les mois d'hiver et chaque fois que l'occasion se présentait en été, et la lampe au kérosène sombre brillait jusqu'à minuit presque tous les soirs. Nous avions de nombreux idées sur le feu, un télégraphe imprimant, un nouveau principe pour un phonographe pour stocker le son sans gravure mécanique et un pianiste automatique. Nous avions un lien à Denver qui finançait le travail pour payer le matériel et les brevets, si nous pouvions aller aussi loin
Les carrières des Erickson et des Lundquist furent grandement influencées par la résidence que ce dernier établit à Chicago, où il travailla pour la Chicago Telephone Company pendant six mois. Lundquist était intéressé par une invention relative au téléphone.
Le développement de ses idées, basé sur une visite à un hôtel de Salina, où il a observé le fonctionnement du central téléphonique, a été décrit par lui comme suit :
L'idée m'est venue alors qu'un jour ces connexions seraient faites automatiquement. Je me traînais dans le hall de l'hôtel et je me fichais régulièrement de l'examen de ce standard et de la rotation qui me trottait dans la tête, puis je retournai à la maison et commençai à comprendre et à bricoler l'idée.
Lundquist avait une petite boutique dans le grenier d'une vieille grange rouge à son domicile à Lindsborg, où il a essayé de traduire ses idées dans la réalité. Il a souscrit à une revue scientifique, dont il a soigneusement étudié le contenu.

Lundquist, selon le récit de Charles Erickson, a continué à souligner son intérêt pour un téléphone automatique et a dit aux frères Erickson que quelqu'un à Chicago essayait de développer ce système.
La réponse des frères Erickson à la possibilité de développer un téléphone automatique est notée par Charles comme suit :
Après que John et moi ayons pensé au problème pendant quelques minutes, nous avons vu que cela pouvait être fait sur le même principe que le télégraphie que nous avions en cours.
Après avoir expliqué à Frank comment nous voyions cela possible, il s'est montré enthousiaste et a dit que si nous pouvions produire un tel système, ce serait une mine d'or qui valait mieux que toutes les inventions sur lesquelles nous travaillions.
Il est devenu très insistant sur le fait que nous nous attaquions au problème et que nous mettions tout notre travail de côté pour le moment ...
Cela s'est passé le 1er novembre 1892, et au Nouvel An nous avions un modèle avec une capacité de cent contacts ou des lignes.
Nous avions aussi un appareil d'appel (cadran du téléphone) fini pour faire fonctionner le commutateur.

Ce travail inachevé pour le moment est un système qu'ils surnomment "le pianola"
Le soutien financier du nouveau projet a été assuré par Lundquist de Gust et John Anderson, les négociants en grains de Lindsborg et de Salina. La lampe au kérosène a brûlé jusque tard dans la nuit dans la petite boutique de la ferme d'Erickson, près de Lindsborg, à mesure que l'invention était repensée et perfectionnée.
Le moment était venu où le trio décidait que leur téléphone automatique devait être présenté au monde.
Frank Lundquist et. John et Charles Erickson ont décidé qu'il serait souhaitable de déménager leur magasin à Chicago et d'y poursuivre leurs activités. En conséquence, le 14 mars 1893, le déménagement fut effectué. Toutes les machines automatiques et les pièces de machines ont été emballées et emportées avec la pianola inachevée (voir photo ci dessous).
L'argent était rare et aucun autre emploi ne pouvait être obtenu. Ce fut une période difficile pour les inventeurs de Lindsborg
Toutes les opérations effectuées jusqu'à présent avaient été effectuées au moyen de l'argent fourni par John et Gus Anderson, de Lindsborg.
Cet argent était maintenant épuisé. Pendant un certain temps, les inventeurs semblaient mourir de faim et été obligés d'abandonner ce travail pour quelque chose qui leur rapporterait.
Un arrangement fut trouvé avec Masten & Son, pour lequel les frères Erickson devaient fabriquer quatre commutateurs et les faire fonctionner.
Les termes du contrat sont décrits comme étant presque entièrement en faveur des prêteurs. Bien que n'aimant pas ces termes, les inventeurs acceptèrent car il n'y avait rien d'autre à faire. . .
Au bout d'un certain temps, les quatre commutateurs ont été achevés et mis en service dans le bâtiment d'Omaha. mais Masten & Son a renoncé à fournir l’argent qui avait été promis,
la pianola fût oubliée, mais en 1893, les frères Erickson ont tout de même déposé une demande de brevet.

Frank Lundquist et les frères Erickson (John et Charles J.) avaient été enfants ensemble au Kansas. Ce dernier vivait dans une ferme près de Lindsborg.
Les Erickson étaient des expérimentateurs nés. Rien ne les convenait mieux que de se procurer un journal comme le Scientific American et de lire attentivement les nombreuses inventions qui y étaient continuellement présentées, puis d'essayer de créer les objets qui leur semblaient les plus intéressants. Ils fabriquèrent toutes sortes d'instruments électriques : bobines, cloches, aimants, bobines médicales, etc. Ils travaillaient sur un télégraphe à imprimante et avaient même commencé la construction d'un piano électrique. S'inspirant de l'invention de Bell, ils fabriquèrent aussitôt plusieurs récepteurs téléphoniques parlants. Manquant de batterie pour leurs expériences, ils cherchèrent le matériel approprié et le fabriquèrent. Étant très éloignés de bons centres d'approvisionnement comme Chicago et New York, il leur était difficile de se procurer les fournitures nécessaires. Ils achetèrent du fil de cuivre nu et l'isolèrent sur une machine artisanale.

Entre-temps, Frank Lundquist avait voyagé à travers le monde et s'était initié au téléphone automatique à Chicago. À l'automne 1892, il retourna à Lindsborg, au Kansas, et incita les frères Etickson à se lancer dans l'invention d'un appareil automatique plus performant que le Strowger. C'était un travail plus ambitieux que tout ce qu'ils avaient entrepris jusqu'alors. Auparavant, pour reprendre leurs propres termes, ils n'avaient travaillé que sur des « choses absurdes », mais ils avaient maintenant un problème digne de leur génie.
Mais leurs activités antérieures n'étaient pas entièrement absurdes, car toutes leurs expériences avec des cloches, des piles, des récepteurs téléphoniques, etc., leur avaient appris de manière pratique la nature de l'électricité et comment la maîtriser. C'était une formation indispensable compte tenu de la rareté des bons écrits sur le sujet…
Ainsi, lorsqu'un garçon passe tout son temps libre à travailler sur toutes sortes d'objets mécaniques ou électriques, ne le détournez pas brutalement de ses activités préférées. Observez les résultats qu'il obtient, prévoyez du temps pour cet emploi et donnez-lui l'occasion de se développer.
Conscient que le développement d'un système automatique nécessiterait des sommes considérables, M. Lundquist a convaincu John et Gus Arderson, de Lödsborg, a fourni les fonds. Petit à petit, ils ont avancé de l'argent jusqu'à ce qu'ils aient réuni plusieurs milliers de dollars.
Les trois hommes, travaillant ensemble, ont mis au point deux systèmes de commutation qui se ressemblaient dans l'ensemble, le second étant une extension et une amélioration du premier.

Ensemble, ils mirent au point plusieurs appareils téléphoniques automatiques qui furent brevetés.
Ces brevets sont détenus par la Strowger Automatic Telephone Exchange, qui les loue et les distribue à diverses entreprises de fabrication. Leurs téléphones furent d'abord installés à La Porte, dans l'Indiana, puis ailleurs. Au printemps 1897, M. Lundquist perfectionna un autre système téléphonique automatique, dont le premier central fut installé à Stirling, au Kansas. La National Automatic Telephone Co. fut créée et plusieurs centaines de centraux répartis aux États-Unis fonctionnent désormais sous ce nouveau système. L'entreprise fut réorganisée en 1902 sous le nom de Globe Automatic Telephone Company of Chicago. M. Lundquist était directeur et ingénieur électricien. Il a maintenant démissionné de ses fonctions de directeur et se consacre entièrement à l'aspect technique de l'entreprise. Il a déposé et obtenu une trentaine de brevets pour ce nouveau système. De nombreux brevets se sont révélés fondamentaux et couvrent le système connu sous le nom de « système de jonction », utilisé dans la construction de tous les grands centraux automatiques actuellement en service. L'une de ses inventions récentes est une méthode permettant d'indiquer le numéro demandé sur l'appareil, preuve visuelle que la connexion téléphonique souhaitée a été établie.
M. Lundquist a épousé en 1898 Anna M. Anderson, de Galva, 111. Ils appartiennent à l'Église luthérienne.

Quelques années plus tard, le monde de l'électricité fut stupéfait par la nouvelle du succès du standard téléphonique automatique. Un million de dollars avait été dépensé pour perfectionner le système, mais le résultat a plus que justifié cette immense dépense.
L'Automatic Telephone Co., située aux rues Van Buren et Morgan, avec une usine employant plus de 1 000 personnes, est incapable de fabriquer des instruments suffisamment rapidement pour répondre à la demande.
Le système fut en cours d'installation dans des villes d'Europe et des États-Unis, dont Chicago. Ce système supprime les opérateurs téléphoniques, un dispositif simple permettant à l'abonné d'établir ses propres connexions.
Quatorze années de travail acharné se sont écoulées avant que les frères Erickson ne parviennent à amener leur ingénieuse invention à son état actuel de perfection.

sommaire

Le premier système est illustré aux figures 17, 18, 19 et 20.
Fig 17
La figure 17 montre le plan du commutateur. Les bornes 15 sont disposées en dix rangées de dix chacune sur une surface plane et rectangulaire. Le curseur 17 se trouve à l'extrémité d'un bras 16 porté par un chariot 18. Ce dernier est monté sur une tige 19 mobile longitudinalement vers la droite. Le bras 16 peut se déplacer transversalement vers le haut en coulissant dans le chariot 18. L'action est illustrée par la figure 18, qui présente deux vues d'extrémité : la vue supérieure, vue de gauche, et la vue inférieure, vue de droite. Un aimant, non représenté sur les figures, déplace la tige 19 longitudinalement pour sélectionner les dizaines. L'aimant 38 déplace le bras essuie-glace 16 transversalement pour sélectionner les unités. Une corde 23 et un poids 22 ramènent le racleur et la tige au point zéro.
L'aimant de déclenchement 43 déverrouille les deux cliquets, permettant au poids 22 de ramener le curseur 17 en position zéro. Le circuit alimentant l'aimant de déclenchement est contrôlé par deux points de contact 55 et 56. Si le curseur 17 est déplacé transversalement d'un espace au-delà de la rangée supérieure de bornes, les points 55 et 56 se ferment, mettant l'aimant de déclenchement en service. Les points de contact ne s'ouvrent qu'une fois le point zéro atteint. La figure 19 illustre le câblage général d'un interrupteur et d'une sous-station. Les différentes pièces portent les mêmes désignations que dans les figures précédentes. Il y a deux fils vers la sous-station : le fil de commande 167 et le fil de commande 168. Le fil 167 relie un relais de commande polarisé 74 au verrou 150 de l'aimant 145. De là, il traverse un interrupteur lesté 53 pour atteindre un interrupteur de changement de pôle 132, muni d'un bras et d'une pièce d'extrémité isolée 162, conçus pour entrer en contact mécanique avec l'obturateur 153 lorsque l'interrupteur 132 est en position basse. 129. L'interrupteur 132 reste dans l'une ou l'autre position. Le fonctionnement est le suivant : avec l’interrupteur 132 sur son contact supérieur 130, l’abonné pousse le commutateur de pôles PC vers la droite autant de fois qu’il y a de dizaines dans le nombre souhaité. Cela envoie autant d’impulsions de courant positif sur la ligne 167 au relais de commande 74, le faisant basculer vers la droite et actionnant l’aimant des dizaines. Cela déplace le curseur 17 lentement vers la droite, jusqu’à la rangée des dizaines appropriée. L’abonné pousse ensuite le commutateur de pôles PC vers la gauche autant de fois qu’il y a d’unités dans le nombre. Cela envoie des impulsions négatives sur la ligne, faisant basculer l’armature du relais de commande 74 vers la gauche, actionnant l’aimant des dizaines. Ce dernier déplace le curseur 17 jusqu'à l'unité souhaitée, c'est-à-dire jusqu'au terminal de la ligne appelée. Depuis le téléphone T, un courant de signalisation est envoyé pour appeler le poste distant, le courant de sonnerie passant par l'aimant 145 sans nécessairement l'actionner.
Pour déconnecter, l'embout 162 est poussé contre l'obturateur 153, ce qui déplace l'interrupteur 132 de la position 130 à la position 129. L'interrupteur inverseur de pôles PC est alors enfoncé plusieurs fois vers la gauche, ce qui envoie un courant négatif via la ligne 167 au relais de commande, de manière à déplacer le curseur au-delà de la borne indiquée. Lorsque le curseur dépasse la borne la plus haute de la rangée, le contact 55 est forcé mécaniquement contre le contact 56, activant ainsi l'aimant de déclenchement 43. L'aimant de déclenchement remonte alors et ramène l'interrupteur en position zéro.
Lorsque l'aimant de déclenchement remonte, en plus de déverrouiller le mécanisme pas à pas, il tire son ressort d'armature 179 à l'écart du contact 175 et le met en contact avec 177. Ceci crée une masse morte sur le contact 168, de sorte que l'aimant 145 du poste est excité, tirant le contact 150 vers le bas et laissant tomber l'obturateur 153, signe que le déclenchement de l'interrupteur au central a eu lieu.
Il est à noter que pendant que l'abonné donne les impulsions pour déplacer le curseur au-delà de la rangée de contacts, le circuit de travail passant par la ligne 167 est shunté par l'aimant 145, la ligne 168, le curseur 17, la ligne appelée et toutes les lignes successives sur lesquelles passe le curseur.
Le Le système de numérotation des bornes de ligne du groupe allait de 0 à 9 pour la première rangée, de 10 à 19 pour la deuxième rangée, et ainsi de suite jusqu'à 99 pour la dixième rangée. Le curseur de chaque commutateur reposait sur le 0, son point d'origine, auquel son fil était connecté et par lequel tous les appels entrants étaient reçus. Si le curseur A est déplacé vers le haut pour appeler une autre ligne (B), un tiers (C) qui tente d'appeler A trouvera sa ligne ouverte. Le câblage est illustré à la figure 20.
Elle montre une coupe verticale des groupes de bornes de trois commutateurs, n° 1, 5 et 9. Le zéro est le point d'origine du curseur de chaque commutateur. Le curseur 17, porté par le bras 16, est connecté en permanence à la ligne de l'abonné. Prenons l'exemple du n° 1 : un fil multiplie les contacts n° 1. de toutes les rangées, sauf celle du commutateur n° 1, où l'eau est acheminée vers le contact zéro. Ce dernier est normalement connecté à la ligne n° 1, permettant à tout autre abonné de se connecter en déplaçant son curseur. Mais si l'abonné n° 1 a déplacé son curseur pour appeler quelqu'un, toute personne appelant le n° 1 trouvera la ligne ouverte. Mais si cette personne appelle l'abonné appelé, elle peut se connecter.
Les principaux points de ce système, le premier des Erickson, peuvent se résumer comme suit :
1. Bornes disposées en rangée rectangulaire et plate.
Il semble s'agir d'une imitation de la façade d'un standard téléphonique, tel qu'utilisé en pratique manuelle, en remplaçant les prises par des bornes.
2. Capacité de cent lignes. La plupart des inventeurs ont initialement prévu cette limite.
3. Commutation à 50 %. Autrement dit, tous les abonnés pouvaient communiquer simultanément.
4. Racleur à déplacement rectangulaire, mouvement longitudinal
pour les dizaines, transversal pour les unités.
5. Racleur maintenu par poids sur les bornes. Ceci est assez inhabituel dans la gamme des premiers automates.
6. Batterie locale à la sous-station. C'était très courant, et prévisible, car l'idée de centraliser
toutes les batteries au bureau de change ne s'était pas encore concrétisée à l'époque.
7. Aimants de fonctionnement sur l'interrupteur commandés par un relais.
C'était un bon point.
8. Relais de fonctionnement polarisé. Un mauvais point, à éviter.
9. Deux leviers sur l'instrument de la sous-station, un pour les dizaines et un pour les unités. Cela rappelle les boutons de Strowger.
10. Déblocage complet. Un bon point.
11. Signal de déblocage à la sous-station. Cela a évité le problème que nous venons de signaler sur le système LaPorte de l'automate Strowger. L'abonné devait maintenir le levier de l'appareil enfoncé jusqu'à ce que le volet tombe, ce qui lui donnait le signal de quitter.
12. Confidentialité partielle.

Un brevet a été déposé pour ce système le 28 mars 1893 et délivré le 27 décembre 1898 sous le numéro 616,714,.

Lunguist. Erikson AUTOMATIC TELEPHONE EXCHANGE
, d'une capacité maximale de 1000 lignes doit être développé.
Almon B. Strowger a également participé à ce développement. qui devrait être le dernier projet avec lui. Il ne sera jamais être utilisé publiquement
Le champ de contact du banc comprenait 10 groupes de 100 fils.

Conscients des limites de leur carte de 100 lignes, les inventeurs se sont alors tournés vers une plus grande capacité et une confidentialité totale. Ils ont obtenu cette capacité accrue en plaçant côte à côte dix rangées de 0,100 contact chacune.
Voir figure 21. Chaque rangée était surmontée d'un curseur, tous fixés mécaniquement au même arbre, mais isolés de celui-ci. Cet arbre était capable d'un mouvement longitudinal et transversal, permettant d'amener les curseurs à n'importe quel point de leur rangée. Un interrupteur auxiliaire déterminait lequel des curseurs devait être utilisé et fixait ainsi la centaine.

Voici, en bref, la manière dont ils proposaient d'augmenter la capacité, mais d'autres caractéristiques intéressantes méritent d'être approfondies. Une confidentialité totale était un impératif, comme indiqué ci-dessous :
La partie supérieure de la figure 22 montre la disposition des dix blocs sur deux rangées. Ils étaient numérotés comme indiqué. Sous ces dix blocs se trouvaient dix autres blocs identiques, alignés exactement en dessous. La partie inférieure de la figure 22 montre une vue de côté, depuis la gauche. Pour chaque ligne du standard, il y avait deux contacts, l'un pour l'usage général, l'autre pour les conversations privées. Dans la rangée de blocs la plus proche, 0-99, 200-299, 400-499, etc., les contacts généraux étaient au-dessus et les contacts privés en dessous. Autrement dit, la ligne n° 50 avait son contact général à l'emplacement approprié, dans la rangée supérieure de la centaine. Juste en dessous se trouvait son contact privé. Dans l'autre rangée de rangées, 100-199, 300-399, etc., les contacts généraux étaient en dessous et les contacts privés au-dessus. Un arbre, 25, courait longitudinalement entre les deux séries de rangées, supérieure et inférieure. Cet arbre portait les frotteurs, des ressorts destinés à toucher les contacts. Ainsi, 32 était un ressort qui pouvait toucher les contacts de la rangée arrière de rangées. Si l'arbre 25 tournait vers la gauche, ou dans le sens inverse des aiguilles d'une montre, 32 entrait en contact avec une borne de la rangée inférieure, qui était la borne générale. Au même moment, l'autre ressort, 9, était mis en contact avec la rangée supérieure, qui était également la borne générale. Si l'arbre tournait dans le sens inverse, les deux ressorts toucheraient les rives privées.
La figure 23 montre les dix curseurs ou ressorts montés sur l'arbre 25.

Chaque curseur est relié à l'un des contacts de l'interrupteur auxiliaire situé juste en dessous. Le levier 83 de cet interrupteur repose normalement sur le contact de gauche, qui doit conduire au curseur commandant les centaines. La ligne de l'abonné est reliée au levier 83, de sorte que sa position détermine à laquelle des dix banques elle sera connectée. L'arbre 25 peut être déplacé longitudinalement par un aimant pas à pas pour sélectionner les dizaines et transversalement pour sélectionner les unités, comme dans le premier système Erickson.

La figure 24 montre le schéma général de câblage de la machine. Au centre du schéma se trouve l'interrupteur auxiliaire, appelé « interrupteur sélectif ». C'est celui dont le levier 83 détermine les centaines. À sa gauche se trouve un autre interrupteur qui lui ressemble beaucoup. On peut l'appeler « interrupteur latéral » et il est actionné par l'« aimant de commande ». Le levier 139 de cet interrupteur est relié à la plaque de base 20a de l'appareil, qui, en bas de la figure, traverse le fil de ligne 215 jusqu'au poste. Ce fil est le fil de communication de l'abonné et, par l'intermédiaire de l'interrupteur latéral, il est normalement relié à un fil reliant d'autres appareils pour les appels entrants. Le deuxième contact de l'interrupteur principal relie l'aimant du commutateur sélectif, le troisième l'aimant de déplacement longitudinal, le quatrième l'aimant de déplacement transversal, le cinquième l'aimant général, le sixième l'aimant privé et le dernier le déclencheur. Dans le coin inférieur droit du schéma se trouve l'aimant de commande de la sous-station, situé entre la batterie mise à la terre et le fil de ligne 214.

Examinons maintenant la sous-station (figure 25) pour voir ce qui peut s'y produire et affecter la machine du central.
En haut à droite de la figure se trouve une sorte de cadran. Il comporte six bornes : 222, 223, 224, 225, 226 et 227. Disposées en cercle, elles sont reliées entre elles et mises à la terre. Trois autres contacts, 228, 229 et 230, sont reliés entre eux et connectés au téléphone 250, lui-même relié à la terre. Un mécanisme à manivelle et vis sans fin actionnait deux ressorts autour du cadran. Le ressort 234 ne pouvait toucher que le cercle extérieur des contacts et était relié au fil de ligne 214, relié au centre à l'aimant de commande de la sous-station 161. Le ressort 235, sur le cadran, ne pouvait toucher que les trois contacts intérieurs reliés au téléphone et les contacts 223 et 224 du cercle extérieur, qui se projetaient vers l'intérieur. Il fallait six tours de manivelle pour faire faire aux ressorts un tour du cercle, dans le sens inverse des aiguilles d'une montre.
Le ressort 235 est relié au fil de ligne 215, qui est le fil de communication.
Pour tracer la procédure de sélection d'un numéro, les deux chiffres 24 et 25 doivent être constamment comparés, bien que deux relais du central téléphonique soient redessinés à la figure 25. En position normale des ressorts du cadran, le téléphone est relié à la ligne 215 et peut recevoir des appels.
La ligne 214 est reliée à la masse par le ressort 234, de sorte que le relais 161 est constamment tiré vers le haut. Pour émettre un appel, la manivelle effectue un tour complet. Ceci déplace le ressort 234 hors du contact 222, ouvrant ainsi la ligne 214. Le relais 161 retombe, fermant deux autres circuits. L'un d'eux est celui de l'aimant de commande, qui le tire vers le haut et fait avancer le levier 139 du commutateur latéral jusqu'au deuxième contact. L'autre est un circuit reliant la batterie 208 à la ligne 215, en passant par l'aimant du bouton-poussoir 157, puis par le contact 167 et le levier 162. Ce circuit aboutit au bouton-poussoir du poste secondaire, que l'abonné appuie alors autant de fois que son appel comporte de centaines. Cela actionne l'aimant 157 autant de fois que nécessaire, ce qui fait passer l'aimant du commutateur sélectif 92 au groupe ou à la banque approprié.
La manivelle est alors actionnée une nouvelle fois. Ce faisant, elle déplace le ressort 234 sur le contact 223 et s'arrête entre 223 et 224. En passant sur 223, elle met à la masse la ligne 214 pendant un instant. Le relais 161 est alors relevé, coupant le circuit de l'aimant de commande 142. Puis, lorsque le ressort 234 quitte le contact 223, il fait retomber le relais 161, alimentant l'aimant de commande, de sorte que le levier 139 est avancé jusqu'au troisième contact. Le bouton-poussoir contrôle alors le mouvement longitudinal de l'aimant et sélectionne les dizaines. Un autre tour de manivelle et d'autres pressions sur le bouton sélectionnent les unités. Le ressort 234 se trouve alors entre les contacts 224 et 225. Un autre tour de manivelle entraîne le ressort 234. Passé le 225, il reste sur le 226. En passant le contact 225, il déplace l'interrupteur latéral jusqu'au cinquième contact, où il le quitte. Ceci active le fil-aimant général 117, inclinant l'axe 25 (Figure 23), de manière à mettre les racleurs en contact avec les rangées générales. Le commutateur sélectif 83 étant placé en position con, le téléphone est connecté à la ligne souhaitée. L'abonné appelle alors le poste appelé par magnéto et ils conversent. On remarquera que pendant la conversation, le ressort 235 du cadran repose sur le contact 228, connectant le téléphone à la ligne. Le ressort 234 repose également sur le contact 226, maintenant le relais 161 excité.
Si les abonnés souhaitent converser en privé, l'abonné appelant demande à l'appelé d'utiliser sa ligne privée, tout en lui communiquant son numéro. L'abonné appelant effectue ensuite un tour complet de manivelle, ce qui déplace le curseur 234 du contact 226 au contact 227. Ceci active et libère le relais 161, amenant l'interrupteur latéral 139 au sixième point. Pendant le déplacement du ressort 234 du contact 226 au contact 227, le ressort 235 entre en contact momentané avec 223. La ligne 215 est alors mise à la terre pendant un instant, tirant ainsi vers le haut l'aimant du fil privé 127, inclinant les curseurs dans la direction opposée afin de toucher les faisceaux de fils privés. Le curseur auquel la ligne de l'abonné appelant est reliée par l'interrupteur 83 repose alors sur le fil privé menant à l'abonné appelé. Pendant ce temps, l'abonné appelé appelait le numéro de l'abonné appelant. Une fois la connexion établie, il orientait son cadran vers le contact 227, ce qui le mettait également sur la même ligne privée, où ils pouvaient converser sans risque d'être interrompus. Le déverrouillage s'effectuait en tournant la manivelle du cadran d'un tour supplémentaire, ramenant le ressort 234 sur le contact 222, où il reposait normalement. En relâchant le contact 227, la ligne 214 s'ouvrait, permettant au relais 161 de retomber et d'exciter l'aimant de commande 142, déplaçant ainsi l'interrupteur latéral au dernier point. Pendant ce temps, le ressort 235 frotte lentement sur le contact 224, reliant la ligne de masse 215. Ceci tire vers le haut l'aimant du bouton-poussoir 157, qui à son tour excite les deux aimants de déclenchement, I-t et 102. Le premier courant traversant les aimants de déclenchement passe par le levier 139 de l'interrupteur latéral. Comme l'actionnement de l'aimant de déclenchement ramène 139 à sa position initiale, il coupe son propre courant. Pour éviter cela, un contact 191 est prévu, qui est touché par le levier 103 de l'aimant de déclenchement. Cela ferme le circuit indépendamment de l'interrupteur latéral, et tant que le ressort 235 du cadran de la sous-station reste sur le contact 224, les aimants de déclenchement restent levés pour accomplir leur travail. On s'attendait à ce que la largeur du contact 224 soit telle qu'il y ait suffisamment de temps pour un déclenchement complet. Le système de fils privés est intéressant car il montre les complications auxquelles les inventeurs ont recouru pour parvenir à ce résultat.
La figure 26 illustre le système.
Des parties de trois centraux téléphoniques sont représentées : les numéros de téléphone 12, 15 et 20. La moitié inférieure de chacun constitue le bloc général. Tous les contacts numérotés 12 sont câblés ensemble et connectés au premier contact de l'interrupteur 83 de la machine n° 12. Il en va de même pour toutes les autres lignes. Le fil privé reliant les lignes n° 12 et 15 se trouve dans la moitié supérieure des blocs. Il relie le contact 15 de la machine n° 12 au contact 12 de la machine n° 15. Tous les autres sont disposés de la même manière, comme on le verra à l'inspection.
Le résumé des points de ce système montrera de nombreux éléments qui sont encore présents dans le système Strowger actuel.
1. Mille lignes, sécurisées par l'assemblage de dix rangées de contacts de 100 chacune sur chaque machine. Cela représentait un gaspillage de matériau et n'aurait jamais permis de créer un système compact.
2. Un curseur séparé pour chaque rangée. Compte tenu des efforts antérieurs de Strowger pour qu'un seul curseur parcoure l'ensemble des 1 000 contacts, ce dispositif était très ingénieux.
3. Des aimants à relais. Comme indiqué précédemment, ce système constituait un progrès considérable et peut être considéré comme l'un des fondamentaux de l'ingénierie téléphonique moderne.
4. Les cliquets étaient libres de dents.
5. Un système d'arrêt du cliquet pour éviter les erreurs dues à l'inertie.
Ces deux derniers points sont mentionnés en raison de leur similitude avec les dispositifs Strowger que nous avons décrits.
6. Le zéro n'était pas utilisé comme point d'origine. 7. Les Vipers étaient exempts de contacts. Ils n'étaient pas à proprement parler des « essuie-glaces », car ils ne frottaient pas. Ils éliminaient très bien la difficulté du frottement. 8. Batterie au central. C'est un point très important. On peut dire que c'était le début d'un fonctionnement courant sur batterie. Cela n'affectait cependant pas la communication, qui était assurée par la magnéto ou la batterie locale.
9. Batterie circulant normalement d'un côté de la ligne vers la sous-station. Ce n'est pas un très bon point, car cela gaspille du courant.
10. Interrupteur latéral. Le fonctionnement du dispositif de ce système, que j'ai appelé « interrupteur latéral », ressemble tellement à celui de l'interrupteur latéral de la machine Strowger actuelle, en particulier le connecteur, qu'il mérite d'être souligné.
11. Actionnement vertical et rotatif du relais. Bien qu'il n'y ait pas d'action verticale ou rotative, les relations entre l'aimant du bouton-poussoir 157 (figure 24) et l'aimant de commande de la sous-station 161 ressemblent étrangement à celles entre les relais verticaux et rotatifs de la machine moderne. L'aimant du bouton-poussoir 157 correspond exactement au relais vertical, car il est le relais pas à pas. Grâce à lui, l'abonné fait avancer les relais d'un cran à la fois jusqu'au point souhaité. L'aimant de commande de la sous-station 161 ressemble beaucoup au relais rotatif, car il dirige les activités de l'aimant du bouton-poussoir. L'aimant de commande 142 est comparable à l'aimant privé de l'interrupteur moderne, car il est sous le contrôle du relais rotatif et déplace l'interrupteur latéral vers certains points, indiquant quels aimants doivent être intensifiés par l'aimant du bouton-poussoir. Nous avons ainsi illustré ici les relais véhiculaires et rotatifs, l'aimant privé et l'interrupteur latéral.
12. Confidentialité totale grâce à des fils spéciaux. Cette méthode pour obtenir le résultat était plutôt rudimentaire et compliquée, mais c'était mieux que rien.
13. Commutation à 50 %.

sommaire

Rappelons nous en 1893, A. E. Keith et A. B. Strowger, contactent les inventeurs de Lindsborg, les frères Erickson et demandent un entretien dans le but de discuter du téléphone automatique.
Charles Erickson a décrit la situation comme suit
:
Avant notre arrivée dans ce domaine, environ un an plus tôt, une société avait été créée à Chicago dans le but de développer un système téléphonique automatique, à savoir la Strowger Automatic Telephone Exchange Company, et en dernier recours, nous avons invité cette société à examiner ce nous avions développé : un système téléphonique automatique, ils étaient en bien pire état que nous. Ils ont réalisé leur propre faiblesse et étaient aussi près de jeter l'éponge comme nous, donc ils ont rapidement accepté notre invitation avec plaisir et le lendemain matin deux des ingénieurs de la compagnie se sont présentés , MM. AE Keith et AB Strowger. Après quelques heures de discussion et d'explications, ils ont été assez enthousiastes et ont admis que ce que nous avions été un peu plus avancé qu'eux. Alors Strowger, en 1893, étendit son entreprise en faisant un excellent choix de collaborateurs, qui devinrent ensuite des noms dans le domaine du développement de la commutation automatique: Frank A. Lundquist et les deux frères John et Charles Erickson.
Ils ont d'abord développé un système expérimental de 90 lignes avec les contacts de lignes disposés sur un certain nombre de banques les unes au dessus des autres, chaque banque étant positionnée horizontalement avec 10 fils parallèles.
Un nombre égal d'arbres, également disposés dans un plan horizontal, constituaient les bras de sélection.
Cette conception, connue à la fois sous le nom de pianola ou de cithare, a rapidement été abandonnée car elle nécessitait un grand nombre de relais et provoquait une grave diaphonie entre les fils parallèles,
la complexité du câblage, était évidente.

Le commutateur à corde de piano

Frank Lundquist, John et Charles Erickson décidèrent qu'il serait judicieux de déménager leur atelier à Chicago et d'y poursuivre leurs activités. Le déménagement eut lieu mi-mars 1893. Toutes les machines automatiques et leurs pièces furent emballées et emportées, ainsi que le pianola inachevé.
Les frères Erickson espéraient pouvoir terminer ce dernier à leur guise. Mais les loisirs ne vinrent jamais et le piano électrique fut oublié dans le projet principal. Un entrepôt du South Side fut loué et aménagé en atelier expérimental. Ils y reprirent le développement de leur appareil.
Le 25 mars 1893, ils déposèrent un brevet pour leur premier système, inventé auparavant au Kansas.
Jusqu'alors, toutes les opérations avaient été menées grâce à l'argent fourni par John et Gus Anderson, de Lindsborg, au Kansas. Cet argent était désormais épuisé et il n'y en avait plus. Pendant un temps, il sembla que les inventeurs allaient mourir de faim ou être contraints d'abandonner le travail pour trouver un moyen de payer. Finalement, des conditions furent convenues avec Iasten & Son, du South Side, selon lesquelles ils devaient fournir les moyens nécessaires au développement de l'invention. Les frères Erickson devaient fabriquer quatre aiguillages et les faire fonctionner. Les termes du contrat sont décrits comme étant du type « gelée », étant presque entièrement en faveur des prêteurs.
Bien que mécontents des conditions, les inventeurs signèrent, car il n'y avait rien d'autre à faire.
Après un certain temps, les quatre aiguillages furent terminés et installés dans le bâtiment Omaha. Mais, pour une raison inconnue, Masten & Son refusa de fournir les fonds promis. Les Erickson durent à nouveau solliciter une aide financière, et la Western Electric Company se vit proposer l'invention. Ils envoyèrent un homme pour l'examiner, mais aucune autre mesure ne fut prise. La situation commença à paraître très décourageante ; mais malgré tous ces embarras financiers, les frères Erickson ne perdirent jamais confiance dans le système automatique. Non pas qu'ils croyaient l'avoir déjà perfectionné, mais ils étaient convaincus qu'il pourrait fonctionner.

La meilleure description disponible de cette carte se trouve dans le brevet délivré ultérieurement, qui en décrit les principes fondamentaux.
Ce brevet a été déposé le 7 novembre 1894 et a été délivré sous le numéro US 0540,168.



La pianola utilisait un fil de piano et un bras de contact pouvant se déplacer dans deux directions pour sélectionner le fil choisi.

Fig 26
Le plan du tableau est présenté à la figure 26. À gauche, des lignes parallèles représentent les fils formant le bornier. Elles sont prolongées autant que nécessaire pour le nombre de machines. A, B, C, D et E sont les groupes de fils, chacun comportant 10 fils. L'arbre principal, 2, porte les frotteurs, chacun étant relié électriquement et mécaniquement à l'arbre. Au lieu d'être alignés, les frotteurs sont disposés en spirale régulière autour de l'arbre.
Un pas de rotation de l'arbre amène le frotteur gauche en contact avec le premier fil du groupe A. Un second pas de rotation amène le frotteur suivant en contact avec le premier fil du groupe B ; simultanément, le frotteur gauche est déplacé au-delà de son fil.
De cette manière, par pas successifs, l'arbre peut être relié électriquement au premier fil de chaque groupe. L'arbre z possède également un mouvement longitudinal, permettant d'aligner tous les racleurs avec le deuxième, le troisième, etc. fil de leurs groupes respectifs, après quoi, par rotation, chaque fil peut être relié à l'arbre. La figure 27 montre plus clairement la disposition des racleurs sur l'arbre.
Le mouvement longitudinal est produit par le mouvement à cliquet habituel, actionné par un électroaimant. Sur la figure 31, l'aimant longitudinal actionne le levier 32 et le cliquet 33. Ce cliquet agit sur la roue 26, qui est également engrené dans une crémaillère circulaire sur l'arbre 2. Le mouvement rotatif provient d'un aimant agissant par l'intermédiaire des pattes 3 et 4 d'un arbre de transmission, schémas 17 et 18. En position normale (figure 27), les détentes 8 et 24, qui empêchent le mouvement arrière des axes longitudinal et rotatif, sont désengagées. Pour actionner l'interrupteur, il est donc nécessaire d'effectuer un mouvement préliminaire avec l'aimant auxiliaire. Cela déverrouille le fil 41 de son support....


De plus, pour effectuer ce mouvement de la roue 11 (Fig. 27), d'après notre connaissance du système décimal, les unités sont regroupées par dizaines, de sorte qu'un groupe contient les nombres de 0 à 09, le suivant de 11 à 19, le suivant de 11 à 19, le suivant de 11 à 19, etc. Mais ici, la disposition est inversée. Les « uns » sont dans le premier groupe, tous les « deux » dans le groupe, et ainsi de suite. Ainsi, le premier groupe comprend les nombres de 11 à 19, le suivant comprend les nombres de 12 à 12, etc. La nécessité d'un mouvement rotatif préliminaire pour amener les crans en position provoque le placement du chiffre « 1 » à la position des centaines, bien que leur nombre ne soit pas aussi élevé que celui des lignes du tableau de distribution. Le déclenchement du commutateur a été obtenu par une interaction mécanique des aimants longitudinaux et rotatifs. La figure 27 donne une idée de cette fonction. Lorsque l'aimant rotatif I2 est excité, il soulève le fil 37, ce qui fait basculer le cliquet 13 vers l'arrière afin qu'il soit aligné avec l'encoche située à l'extrémité inférieure de 39. Si, pendant que cet aimant est maintenu excité, un courant traverse l'aimant 31, le cliquet 33 est forcé dans l'encoche, soulevant les deux cliquets de leurs taquets. L'aimant rotatif I2 est alors libéré et les ressorts de rappel peuvent tirer l'arbre autour de lui et le ramener à sa position d'origine. Enfin, l'aimant longitudinal 31 est libéré, mais les cliquets ne peuvent pas retomber, car le fil 41 est coincé derrière la saillie du levier 13 du cliquet rotatif. La partie inférieure de la figure 26 montre en détail la partie de l'arbre liée au mouvement longitudinal. On y voit plusieurs dents taillées dans l'arbre, qui s'étendent tout autour de celui-ci. De plus, une rainure longitudinale les traverse. Une butée de sécurité repose normalement dans cette rainure. Cette butée est fixée à la base de l'interrupteur. La rainure est suffisamment large pour permettre à l'arbre de tourner d'un cran sans que la butée de sécurité ne se loge dans l'une des dents circulaires. Lors du mouvement longitudinal, l'arbre coulisse avec la butée de sécurité dans la rainure. Lors du mouvement rotatif suivant, la butée de sécurité pénètre dans l'espace entre deux dents et empêche l'arbre de se déplacer longitudinalement. Lors du déverrouillage, cette butée de sécurité empêche tout mouvement longitudinal jusqu'à ce que l'arbre soit retourné au maximum et qu'aucun frotteur ne soit en contact avec les fils. C'était et reste un moyen très efficace et simple pour éviter d'endommager les frotteurs par un mouvement longitudinal accidentel lors de leur contact. Les caractéristiques électriques sont illustrées à la figure 28. Les trois interrupteurs sont représentés dans trois positions différentes, celle du bas étant en position normale. L'aimant longitudinal est représenté en 31 et l'aimant rotatif en 12. Tous deux sont reliés à la batterie commune du central. Le fil de communication R, provenant du poste, est connecté au châssis de l'interrupteur et donc à l'arbre 2 et à ses frotteurs. Le fil de fer, ou « normal », J, est relié à un ressort 21 près de la roue conique 15 qui se déplace. (Fig. 28) La broche 20 est déconnectée du fil normal J et reliée à l'aimant longitudinal 31. Appuyer sur le bouton des dizaines met à la terre la ligne R et, via l'interrupteur latéral rudimentaire décrit précédemment, active l'aimant longitudinal. Appuyer sur le bouton des unités met à la terre la ligne P, ce qui actionne l'aimant rotatif pour faire tourner l'arbre et les curseurs pour entrer en contact avec le fil souhaité. Cette même rotation provoque également la rupture de la broche 20 du ressort, coupant ainsi l'aimant longitudinal.
Ce système était évidemment prévu pour fonctionner avec seulement deux fils de ligne, mais il ne nécessite qu'une inspection superficielle du fonctionnement.

Fig. 28 : la broche 20 est déconnectée du fil normal J et connectée à l’aimant longitudinal 31. Appuyer sur le bouton des dizaines met à la terre la ligne R et, via l’interrupteur latéral rudimentaire décrit précédemment, active l’aimant longitudinal. Appuyer sur le bouton des unités met à la terre la ligne P, ce qui actionne l’aimant rotatif pour faire tourner l’arbre et les curseurs pour entrer en contact avec le fil souhaité. Cette même rotation provoque également la rupture de la broche 20 du ressort, coupant ainsi l’aimant longitudinal.
Ce système était évidemment prévu pour fonctionner avec seulement deux fils de ligne, mais une simple inspection des opérations et des circuits décrits précédemment suffit pour constater que, dans l’état actuel des choses, la libération est impossible. Ceci est dû à deux faits : a. La libération dépend de l’action mutuelle des aimants longitudinaux et rotatifs, et simultanément. b. La dernière action de sélection déconnecte l'aimant longitudinal, l'empêchant ainsi de coopérer avec l'autre pour la déconnexion.
Les caractéristiques du système peuvent être résumées comme suit :
I. Groupe de connecteurs : un agencement continu de fils parallèles. Fils regroupés par groupes de 10 fils chacun.
2. Arbre avec plusieurs frotteurs décalés.
3. Mouvements longitudinal et rotatif.
4. Les deux aimants agissent sur l'arbre par l'intermédiaire d'une roue dentée.
Comparons cela à la pratique actuelle, où l'action est directe.
5. Rappel par ressort pour les deux mouvements. La gravité ne pouvait être utilisée pour l'un d'eux, l'arbre étant horizontal.
6. Rainure longitudinale avec butée de sécurité. Ce dispositif est à l'origine de ce même dispositif que l'on retrouve encore sur les interrupteurs actuels.
7. Mouvement initial de la roue dentée pour actionner les détentes. Dans la machine moderne, cela se fait plus simplement par la première action de l'aimant vertical.
8. Déclenchement par action mutuelle des aimants rotatifs et longitudinaux. Ce point mérite d'être souligné, car dans les systèmes modernes, le déclenchement s'effectue par une action très similaire, non pas par des aimants, mais par des fils et des relais de ligne.
g. Sélection de batterie commune. Un bon point.
10. Interrupteur latéral à deux contacts. Il s'agissait d'un commutateur imparfait et très limité, dont l'utilité a ensuite été étendue à une très grande échelle. Il a fallu passer de 10 à 199, en omettant 110, 120, etc.
12 systèmes de commutation en un seul point.
Tel était le plan, mais la mise en œuvre de l'opération a nécessité davantage de ressources.
Cela a continué la pratique suivie jusqu'alors. L'attention principale des opérateurs était concentrée sur tout ce qui pouvait être fait pour créer un commutateur qui répondrait aux besoins, et il n'est pas surprenant que les sous-systèmes n'aient pas été développés aussi rapidement que les commutateurs. I4- ar:ta pnvacy. Si quelqu'un appelait sur la ligne d'appel d'un poste, il ne pouvait pas intervenir, mais s'il essayait d'obtenir le poste, il serait mis en communication.
13. Test de sécurité. Lors d'une sonnerie avec le générateur manuel magnéto de la sous-station, la sonnerie serait coupée.
14 Déclenchement électrique impossible, car à ce moment-là, l'aimant de la ligne n'était pas en circuit.

Le tableau de distribution décrit ci-dessus a été construit à l'automne 1899 pour remplacer l'ancien tableau à disque plat de LaPorte, en service depuis le 3 novembre 1892 où une cellule primaire a été utilisée. Pour actionner les interrupteurs, il s'agissait principalement, voire entièrement, de lignes à fils ouverts, et de graves problèmes provenaient des masses. Ce problème ne se faisait pas sentir sur les aimants, car leur fonctionnement nécessitait tellement de courant qu'un petit élément ne pouvait pas les affecter ; en revanche, il était très grave sur la masse, qui se déchargeait rapidement, de sorte que la batterie se renouvelait très rapidement. Plus tard, le coût de cette opération devint si élevé qu'il devint trop élevé.
Les contacts obtenus entre les curseurs et les fils du système de retour étaient très bons, et aucun problème de ce côté-là ne fut ressenti. Grâce à un système de retour commun, il y avait une très grande diaphonie. La plupart des opérateurs téléphoniques pensaient qu'un simple fil avec retour à la terre suffisait. Le fonctionnement pratique des boutons du sous-système posait également problème, car il semblait difficile pour certains d'apprendre à les utiliser correctement. Malgré ces problèmes, il existait des preuves que le standard automatique était bloqué. Des lettres ont été écrites aux utilisateurs du système, après l'installation du tableau amélioré chez LaPorte, pour exprimer leur satisfaction quant à son fonctionnement.

Le sélecteur automatique est le deuxième modèle utilisé pour le central téléphonique LaPorte (Indiana, États-Unis) à l'automne 1894.
C'était le premier commutateur à utiliser le mécanisme de base qui sera utilisé dans les commutateurs étape par étape des centraux téléphoniques
Il n'a été utilisé que peu de temps avant d'être remplacé par le commutateur pas à pas plus familier


Dans le tout premier système, le poste d'abonnés comportait une batterie de piles très puissante, et la ligne comptait 5 fils.
Ce système présenté en 1894 par MM. Keith, Landquist et Ericson, réduisait à 2 le nombre des fils (plus la terre) , et plaçait au bureau central la source d'énergie nécessaire pour faire progresser le mécanisme.
Dans le. poste d'abonnés il y avait une clef correspondant aux unités, une autre correspondant aux dizaines, et ainsi de suite.
Lorsque l'abonné voulait appeler le numéro 247, par exemple,. il appuyait 2 fois sur la clef des centaines, 4 fois sur la clef des dizaines et 7 fois sur la clef des unités.

C'est aussi en 1894 que le principe de présélection, réduisant considérablement le nombre de sélecteurs de groupe requis en fonction du trafic téléphonique simultané attendu, avait été breveté en 1894 par la Romaine Callender, propriétaire de la Callender Company à Brantford, Ontario, Canada.
La présélection s'opère très rapidement et de manière inaperçue de l'abonné à partir du moment où il décroche le combiné jusqu'au début de la numérotation. Brevet US498763A.

sommaire

En 1895, les frères Erickson et un nouvel ingénieur, Alexander E. Keith, commencent à travailler sur la première version citée dans le brevet de Strowger.
Ils ont construit le sélecteur de mouvement à deux mouvements, vertical et horizontal, qui est devenu célèbre sous le nom de système Strowger et est toujours utilisé dans certains centres à distance après plus de 100 ans. Fondamentalement, ce sélecteur comprend: Une rangée ou une banque semi-circulaire de 10 contacts sélectionnés par la rotation d'un bras ou d'un essuie-glace Une disposition verticale de 10 de ces rangées, l’une au dessus de l'autre.

1895 Keith a repris le brevet de Strowger et l'a considérablement amélioré. Comme décrit ci-dessous, la version Keith était un commutateur à 1 000 points.
La figure ci-dessous, tirée de Miller, illustre l'invention de l'interrupteur de Keith. Voyons comment il fonctionne. Pour cette explication, supposons que le « cadran » se trouve au domicile de l'abonné. Dans ce cas, il s'agit simplement de deux boutons-poussoirs V et R, et non d'un cadran rotatif.
Le commutateur est représenté en position initiale. Supposons que l'abonné souhaite appeler le numéro 88. Il appuie d'abord 8 fois sur le bouton V, ce qui fait monter l'arbre jusqu'au niveau 8 grâce à l'électroaimant vertical. Ensuite, il appuie 8 fois sur le bouton R, ce qui fait avancer le cliquet de 8 crans grâce à l'électroaimant rotatif. Les racleurs se positionnent sur la borne 88 (marquée en rouge).
La connexion se poursuit jusqu'à la fin de l'appel, puis un électroaimant de déclenchement (non représenté) fait revenir les essuie-glaces à la position la plus à gauche de la rangée 8 (retour par ressort), puis les fait retomber (gravité) à leur position d'origine, prêts pour un autre appel.

La conception de Keith prévoyait des blocs de bornes séparés du corps du commutateur. Un seul bloc est représenté sur la figure, mais jusqu'à dix sont cités dans le brevet. Cette idée a considérablement simplifié l'installation et la maintenance du commutateur composite.

Une demande de brevet de A. E. Keith et des frères Erickson, a été déposée le 16 décembre 1895, sous le numéro 638 249, et sera accordée le 5 décembre 1899. Cette version a remplacé le commutateur Zither de Keith au central de La Porte (Indiana) en 1895.
Elle reconnaissait un type de commutateur assez semblable au commutateur, étape par étape (Step-By-Step comme la photo ci dessous).

Peu après, divers autres centres de ce type, d'une capacité variant entre 200 et 400 lignes, ont été installés à Michigan City, Indiana. ; Albuquerque, Nouveau-Mexique; Trinidad et Manchester, Iowa; Rochester et Albert Lea, Michigan; Albion, New York; et Milwaukee, Wisconsin
C'est le succès.




Les développements les plus importants auxquels les frères Erickson étaient associés furent achevés à l'été 1896.

L'avenir du téléphone automatique était limité par le nombre de lignes nécessaires.
Keith et les Erickson travaillaient régulièrement sur un nouveau système «utilisant le principe du trunking ou du transfert afin de supprimer la limitation de la taille d'un centre automatique imposée par la nécessité de multipler toutes les lignes d'abonnés à chaque commutateur».

Charles Erickson a décrit les facteurs de base comme suit :
John et moi avions, bien avant cette époque, décidé du seul et unique principe à suivre pour réussir. Au début, nous avons réalisé à quel point le principe était irréalisable et impossible et que tous les autres avaient suivi leur tentative de développer un système automatique. Le deuxième principe entretenu par John et moi-même resta assez brumeux pendant longtemps. Le problème de la dispersion de la brume était difficile et semblait impossible à certains moments, mais le passe-temps pour les problèmes non résolus vivait toujours en nous et la volonté qui nous trouve toujours un chemin nous poussait à déloger le doute et entre l'espoir et le désespoir nous avons ouvert la voie au couronnement de notre travail. Trois années se sont écoulées avant que nous ne voyions le chemin pour faire un test et, le 6 juin 1896, nous avons mis au point le modèle le plus important jamais construit dans le domaine de l'ingénierie téléphonique automatique, et après quelques démonstrations, le le travail a été prononcé un succès. Les portes étaient maintenant ouvertes à un champ de grandes possibilités dont les limites n'ont pas encore été explorées.
Lundquist, qui avait quitté la société Strowger en 1896, a reçu un brevet n ° 776,524 en 1904 pour la sélection automatique.

sommaire

A partir de 1896, pour suivre l'évolution du système avec beaucoup plus de détails, consultez la page "Evolution du Strowger 1896-1905"

Les premiers téléphones n'avaient pas de cadran tel que nous le connaissons. Les appels étaient « composés » en appuyant sur un bouton le nombre de fois approprié pour forcer le commutateur du central à « monter » puis à passer au terminal approprié. Cela a donné au système son nom commun de « step bu step». La méthode de numérotation par bouton-poussoir a été rapidement remplacée par le premier cadran rotatif au monde vers 1896, encore une fois inventé par Keith et les Erickson.

La contribution la plus connue des Erickson en téléphonie est l'invention du cadran de téléphone qui supprime les trois fils excédentaires
Ce système fonctionnait avec un cadran (ne tournant qu'à 180°) , inventé aux USA par Alexander Keith, J.Charles Eriksson (brevet déposé le 20 août 1896, publié le 11 janvier 1898); avant cette date, l'abonné américain à l'automatique devait actionner des boutons dans une séquence précise, ce qui engendrait beaucoup d'erreurs de numérotation.

Le Cadran d'appel, est fabriqué par Automatic Electric Company, États-Unis, à partir de 1900.
A chaque trou figure une lettre, ce sera ensuite généralisé pour la désignation des centraux de rattachement.


Ce cadran d'appel a été le premier modèle à utiliser le système «trois fils» qui avait une connexion à la terre en plus des deux fils téléphoniques se connectant au commutateur. Les impulsions de numérotation sont envoyées alternativement le long des deux fils d'échange, et du retour par la terre . Le schéma théorique permet de suivre le processus.
Lors de l’armement du cadran (rotation dans le sens des aiguilles d’une montre), la bordure extérieure de celui-ci est mise à la terre. Par un frotteur sur l’axe, cette terre est amenée au fils a et b de la ligne de l’abonné. Lorsque le cadran revient en arrière, ses dents soulèvent un contact qui provoque la suppression de la terre sur le fil a, le fil b restant à la terre.
Ces coupures sur le fil a agissent sur les relais qui commandent les déplacements des organes mécaniques jusqu’à l’établissement de la relation avec la ligne du demandeur.

La demande de brevet a été faite par Keith et les Ericksons le 20 août 1896, et le brevet n ° 596,062 a été accordé le 11 janvier 1898.
Version suivante US 597 062 jan.1898
Pour illustrer l'application et le fonctionnement de ce dispositif d'appel dans un système téléphonique automatique, où chaque machine du central est dotée d'une pluralité d'électroaimants et chacun desdits aimants est adapté pour exécuter une fonction distincte, nous nous référerons à la figure 14, qui est une vue schématique du dispositif d'appel en connexion électrique avec un central téléphonique automatique, lequel central est représenté par un électroaimant U, adapté pour faire tourner l'arbre de commutation V, et un autre électroaimant U, adapté pour faire coulisser l'arbre de commutation V longitudinalement dans l'opération de commutation, comme cela se fait dans le central électrique incorporé dans les lettres patentes des États-Unis, n° 540 168, accordées le 28 mai 1895 à Alexander E. Keith, Frank Lundquist, John Erickson et Charles J. Erickson.



La méthode du cadran était basée sur un cadran à molette au lieu des boutons poussoirs, qui étaient encombrants et pas pratique.
La méthode du cadran, avec les systèmes de commutation et de jonction, permettait un accès complet aux vastes ressources d'un central téléphonique. RB Hill, une autorité en matière de téléphonie, a décrit ce développement important comme suit :
« La numérotation fait remonter un ressort dont la tension, lorsque le doigt est retiré, ramene le cadran à sa position initiale. La vitesse est contrôlée par un mécanisme d'échappement, et, pendant le retour, le nombre requis d'interruptions de circuit est envoyée sur la ligne pour contrôler le mouvement de l'appareil du bureau central. "
Cette invention était un développement distinctif et unique; le principe n'a pas été remplacé avant l'arrivée du clavier à fréquence ou numérique d'aujourd'hui .
Les inventeurs de la vallée de Smoky, qui s'étaient toujours placés sur la voie de la découverte, voyaient se concrétiser leurs espoirs et leurs rêves.

sommaire

Almon B. Strowger, Frank A. Lundquist et les frères John et Charles Erickson ont déposé ensemble le 17 Juillet, 1895 un brevet 556,229
Le 5 octobre 1897, ils ont obtenu un brevet sous le numéro 591,201



 
Ce système très peu utilisé, aurait très rapidement atteint ses limites. Il demandait aussi beaucoup d'énergie
sommaire

À l'automne 1897, Almon B. Strowger, le fondateur du système, quitta le Central Téléphonique Automatique Strowger et se rendit en Floride pour se refaire une santé, qui déclinait depuis un certain temps.
Le 28 janvier 1897, la Société du Central Téléphonique Automatique, Ltd., de Washington, D.C., fut créée pour exploiter le secteur du téléphone automatique. Auparavant, elle portait le nom de « Drawbaugh Telephone & Electric Appliance Company, Ltd., de Baltimore, Maryland et Londres, Angleterre ».
Le colonel T. W. Tyrer, de Washington, D.C., en était le surintendant général et l'âme dirigeante. Il avait pour associés John Bauernschmidt, vice-président, et Joshua Horner, tous deux de Baltimore. Cette société avait pour objectif de vendre les appareils fabriqués par la société Strowger et, à cette fin, elle a conclu des accords avec cette dernière à la date susmentionnée. L'Automatic Telephone Exchange Company devait agir en tant qu'agent aux États-Unis pour le central téléphonique automatique Strowger. Elle devait verser une redevance de 3 $ par an « pour chaque commutateur et équipement, tant que ce commutateur et ce dispositif auxiliaire seraient en service », et installer 3 000 commutateurs la première année, puis 2 000 supplémentaires chaque année pendant 10 ans. Les redevances différées devaient être de 6 %.
Même si cela semblait être une bonne décision pour la société Strowger, presque en faillite, en juin 1900, la société de Washington était en retard et utilisait des tactiques juridiques pour empêcher Strowger de fabriquer ou de vendre elle-même d'autres bourses. Dans le cadre d'une démarche bien planifiée, Meyer et Keith ont réussi à saisir leur équipement dans l'usine de la société de Washington et à le restituer à leurs propres usines à Chicago.

Organisation de l'entreprise
Les contrats préliminaires de janvier 1897 entre le central téléphonique automatique Strowger et l'Automatic Telephone Exchange Company furent suivis d'un autre contrat signé le 10 août 1897. L'ancienne société se consacra alors plus activement que jamais au développement et, à l'automne 1897 et au printemps 1898, elle constitua plusieurs panneaux d'exposition permettant de démontrer le système et de générer des contrats. L'un d'eux était équipé de plusieurs lignes inter-groupes, la sélection de la ligne non occupée se faisant selon le schéma « 0 » décrit précédemment. Une autre solution avait été envisagée pour garantir cette sélection, mais jugée peu pratique : le courant de la batterie interrompue serait fourni par une machine au central, au lieu d'être assuré par la touche supplémentaire du cadran. Mais en raison de la nécessité de faire fonctionner l'interrupteur en permanence, cette solution fut jugée peu pratique. L'un des panneaux exposés avait des aimants pontés.
Le 27 janvier 1898, un contrat fut signé entre la société Strowger et l'Automatic Telephone Exchange Company, portant sur la fabrication par la première et l'exploitation des centraux par la seconde.
Le 12 mars 1898, M. A. E. Keith entreprit un voyage en Europe concernant des redevances étrangères. Il emmena avec lui quelques panneaux d'exposition et en présenta le fonctionnement à Londres. En juin 1895, un tableau de 400 lignes fut installé à Washington, New York, remplaçant celui de 200 lignes installé en mai 1890.
Au début de ses projets d'exploitation, l'Automatic Telephone Exchange Company de Washington, DC, fut rattachée à son territoire des États-Unis. Le 1er octobre 1895, un contrat fut attribué à la New England Automatic Telephone Exchange Company pour l'exploitation du système Strowbridge en Angleterre.
Le 11 décembre, un contrat similaire fut attribué à la Pacific Automatic Telephone Exchange Company.

En novembre et décembre 1898, la société Strowger s'est employée à repenser le système à 1000 lignes ( plus de détails dans cette page).

Pour résumer : le commutateur, cet accessoire essentiel du sélecteur et du connecteur modernes, a été introduit à cette époque. Il répondait au besoin de regrouper les opérations auxiliaires en un seul groupe compact, contrôlé avec certitude par un seul aimant. Un autre changement important était la commutation des deux fils de ligne au lieu d'un seul comme auparavant. Les aimants principaux (magnétiques et rotatifs) étaient encore en service. Le circuit de communication était parfaitement fonctionnel. Le circuit de communication était utilisé pour la déconnexion. La batterie était divisée en trois parties : 100 contacts pour les lignes privées, 100 pour les lignes verticales et 100 pour les lignes rotatives. Comme nombre de ces caractéristiques apparaîtront dans le New Bedford Bar, elles ne seront pas décrites plus en détail ici.
Afin de régler certains différends survenus entre les deux sociétés, un autre contrat fut signé le 1er janvier 1899.
Dans ce contrat, la question des redevances fut réglée. Cependant, les deux sociétés ne semblaient pas pouvoir faire des affaires de manière mutuellement satisfaisante, car la société Washington intenta une action en justice contre la société Strowger. Le procès de la société Washington fut réglé à l'amiable par des accords conclus le 11 juin 1899, aux termes desquels la société Strowger gérait l'ensemble de l'entreprise, y compris la fabrication. La société Strowger accepta de céder toutes les affaires et la correspondance à la société Washington et lui accorda une option sur les brevets étrangers, tout en conservant le droit d'utiliser les commutateurs automatiques dans le comté de Cook, dans l'Illinois. La société Strowger rejeta sa plainte et assuma la responsabilité du procès Strowger.
Conformément à ce qui précède, le 21 juin 1899, la société Washington prit en charge l'usine de Chicago. ·
La société Strowger, ayant obtenu un contrat pour une carte destinée à Berlin, en Allemagne, passa l'été 1899 à la construction d'une carte de 400 lignes pour honorer la commande. En août et septembre, la carte fut expédiée. Le système de commutation automatique était basé sur le système « 0 ». En octobre, MM. E. A. Mellinger et R. R. Landon commencèrent l'installation du tableau, qui fut mis en service en mai 1903. Ce tableau fonctionna jusqu'en 1903, date à laquelle il fut remplacé par un tableau plus grand de type ultérieur.
En octobre 1899, 11r. B. G. Dunham, qui travaillait à Augusta, en Géorgie, à l'usine automatique de l'Augusta Telephone & Electric Company, commença à travailler pour l'Automatic Telephone Exchange Company.
Les ingénieurs de la société Strowger continuèrent à travailler sur le problème de la sélection automatique des lignes non occupées, ce qui était alors une nécessité absolue. En novembre 1899, ils produisirent un sélecteur performant doté d'un sélecteur rotatif, évitant ainsi l'insertion du « 0 » dans le numéro. Un petit central fut construit et mis en service au bureau. de l'entreprise en novembre 1900.
Le 11 décembre 1900, l'Automatic Telephone Exchange Company déménagea l'usine à Baltimore, dans le Maryland, constatant qu'il n'était pas possible de travailler à distance de manière satisfaisante. Mais finalement, la société de Washington abandonna la lutte et revendit tout à la société Strowger.
Cela eut lieu les 5 et 9 juin 1900. L'usine fut relocalisée à Chicago le 10 juin.
Durant ses années d'activité, l'Automatic Telephone Exchange Company avait installé des centraux intérieurs à Washington, D.C., à la Maison-Blanche, au Bureau des études géodésiques, au Times Building et au Bliss Building, ainsi qu'à Yuma, en Arizona. En décembre 1900, l'entreprise fit faillite et passa aux mains d'un récepteur. En 1900, la société Strowger commença à fabriquer ses propres émetteurs améliorés. M. B. G. Dunham, qui avait été muté de la société de Washington au moment du règlement final, quitta cette dernière à la fin du mois d'août 1900 pour occuper un poste à l'usine automatique d'Augusta, en Géorgie.
En 1901, la société Strowger créa une nouvelle société, la Automatic Electric Company, pour gérer la commercialisation et la production. La société Strowger n'agissait désormais qu'en tant que titulaire des brevets. Meyer a pris sa retraite et Harris est devenu vice-président. Keith est devenu surintendant général. L'équipe de conception et de fabrication comprenait toujours les frères Erickson. En 1910, l'entreprise employait 850 ouvriers.
Le premier contrat de la nouvelle société portait sur un central de 6 000 lignes à Dayton. Cela donne une idée de la taille des centraux en cours d'installation et de la confiance des compagnies de téléphone indépendantes en AE. L'échange de Dayton était garanti dix ans, avec remplacement sans frais de toute pièce défectueuse à la fin de cette période. Après l'expiration du délai de dix ans, un représentant d'AE s'est rendu à Dayton pour rencontrer les propriétaires. Ils ont demandé à AE de remplacer une partie de l'isolation détériorée de certains interrupteurs, pour une valeur de quelques centaines de dollars, mais par ailleurs, ils n'avaient aucune plainte et n'avaient pas vraiment l'intention de faire une réclamation - l'équipement avait complètement répondu à leurs attentes. Une situation similaire s'est produite au central de 10 000 lignes de Grand Rapids. Après sept ans, environ 900 $ de pièces de maintenance avaient été utilisés. AE a crédité ce montant sur le compte de l'entreprise et tout le monde a été très satisfait.
Le développement de fonctionnalités à ajouter aux échanges était particulièrement important au début des années 1900.
En 1900, à l'installation de New Bedford, un commutateur « sélecteur » détectait qu'un téléphone avait été décroché, puis recherchait le premier commutateur de ligne libre disponible. C'était plus efficace, puisque chaque client n'avait pas besoin de son propre commutateur.
Une installation à Chicago en 1902 comprenait un comptage automatique ; une bourse de Los Angeles de 1904 avait un troisième fil dans la bourse pour le contrôle interne et seulement deux fils vers les locaux des clients au lieu de trois.

Des améliorations au commutateur de ligne ont finalement été apportées par Siemens & Halske, ATEA, Kellogg, Peel Conner et Keith.
Au cours de la décennie suivante, les centraux automatiques furent installés en nombre croissant.
Los Angeles comptait 19 300 lignes de Strowger en 1905 et il y en avait 8 000 à Chicago.
La poste britannique a accepté Strowger comme appareillage automatique standard après la Première Guerre mondiale, tout comme l'Australie et le Japon. Siemens et Halske en Allemagne avaient signé un accord de licence en 1909 qui leur permettait de construire des appareils de commutation automatiques pour l'Allemagne et de nombreux autres pays européens.

Harris a joué un rôle déterminant dans la promotion des ventes et la signature de contrats (il avait été voyageur de commerce dans sa jeunesse) pour des licences à l'étranger. C'est autant que toutes les ventes aux États-Unis qui ont permis à l'entreprise de continuer à fonctionner. Nous examinerons certaines de ces sociétés étrangères plus tard. Harris était également en train de régler le gâchis causé par les contrats et les licences à l’étranger de la défunte société de Washington. Il était stratégique de garantir les ventes dans les pays étrangers. Les différents systèmes concurrents étaient incompatibles, de sorte que la première entreprise à vendre ses systèmes dans un pays était susceptible de lier ce marché à ses produits à l'avenir.

sommaire


Regardons comment LE SYSTÈME« PAS A PAS » fonctionne Animation du commutateur. Document cours en pdf



Appels sortants
L' abonné appelant accède à l'équipement automatique du central téléphonique en décrochant son combiné et en composant le numéro indiqué sur la carte d'instructions. Lorsque le combiné est décroché du commutateur téléphonique, celui-ci se lève et les fils A et B du circuit de la ligne du central téléphonique sont bouclés à travers l'enroulement primaire de la bobine d'induction et l'émetteur de l'abonné, en parallèle avec la sonnerie et le condensateur, connectés en permanence aux fils A et B du circuit. Cette boucle assure un circuit continu vers la batterie centrale du central téléphonique. Le courant circule alors dans la boucle et traverse les appareils du central téléphonique, dont le fonctionnement met l'appareil de commutation à la disposition de l'abonné pour obtenir la connexion souhaitée par simple pression sur son cadran.
Comme illustré ci-dessus, la tonalité est renvoyée à l'appelant lorsque l'Uniselector trouve un premier sélecteur libre. Dans ce cas, l'appelant compose un numéro à quatre chiffres. Les sélecteurs sont tous dotés d'un bras permettant de se connecter à 100 contacts en 10 x 10. Le premier chiffre composé déplace le bras du premier sélecteur verticalement jusqu'au numéro composé, puis le bras du sélecteur se déplace horizontalement pour trouver un second sélecteur libre. Le second chiffre est composé et le bras du second sélecteur se déplace verticalement jusqu'au numéro composé, puis le bras du sélecteur se déplace horizontalement pour trouver un dernier sélecteur libre. Le dernier sélecteur répond aux deux derniers chiffres : son bras se déplace verticalement avec le troisième chiffre, puis horizontalement avec le quatrième. Le dernier sélecteur teste ensuite la ligne et, si elle est libre, renvoie une sonnerie et fait sonner le téléphone appelé. Le système ci-dessus permet une flexibilité dans les schémas de numérotation car n'importe quel nombre de sélecteurs peut être utilisé pour étendre la longueur du numéro, c'est-à-dire qu'un échange avec une numérotation à 6 chiffres utiliserait 4 sélecteurs et un sélecteur final pour connecter un appel.
Si la ligne de l'abonné appelé est débranchée et que la communication est établie, les deux abonnés peuvent immédiatement converser grâce au circuit de communication. Ce circuit, pour l'abonné appelant , repose sur la continuité du courant provenant de la batterie centrale, passant par l'appareil de commutation du central et par la boucle de l'abonné via son émetteur. À la fin d'une communication, l'enfoncement du commutateur téléphonique, par le remplacement du combiné de l'abonné , coupe la boucle reliant les fils A et B et rétablit la connexion normale entre eux via la sonnerie et le condensateur. Le courant précédemment fourni au circuit par la batterie centrale du central cesse alors de circuler et le fonctionnement normal du central est rétabli par la libération de l'appareil de commutation.
Dans l'image ci-dessus, le décrochage active l'Uniselector, qui trouve un premier sélecteur libre. Le premier sélecteur renvoie la tonalité et accepte le premier chiffre. Le deuxième sélecteur accepte le deuxième chiffre et se connecte à un troisième sélecteur. Ce dernier accepte les troisième et quatrième chiffres, puis fait sonner le téléphone appelé ou émet une tonalité occupée si le téléphone est utilisé.

Appels entrants
Le central téléphonique sonne l'abonné grâce au générateur et les sonneries sont captées par la sonnerie magnéto associée à son poste. En réponse, l'abonné décroche le combiné du commutateur à gravité, fermant ainsi le circuit de communication, répond et, à la fin de la conversation, signale la fin de l'appel au central téléphonique en raccrochant le combiné . Les fonctions de l'appareil de l'abonné à chaque étape sont les mêmes que celles d'un appel sortant

Dans ces systèmes, ce sont les impulsions émises par l'abonné demandeur qui provoquent ellesmêmes, sans l'interposition d'aucun intermédiaire, le choix de la ligne demandée. C'est l'abonné demandeur qui, à partir de son poste, par la manœuvre de son cadran d'appel, déplace les appareils que met en jeu successivement l'établissement de la communication, limite leurs déplacements, et, en définitive, relie sa ligne à celle de l'abonné demandé.
Etudions, d'une façon plus précise, comment les choses se passent dans un bureau de 10000 abonnés, numérotés de 0000 à 9999.
La division des lignes d'abonnés.
— Les lignes d'abonnés sont rangées, dans l'ordre numérique, en 10 groupes de mille, d'après le premier chiffre de leur numéro. Le premier groupe comprend les 1000 lignes dont le numéro commence par 1; le 10° groupe comprend les 1000 lignes dont le numéro commence par 0. Chacun de ces groupes se subdivise à son tour, dans l'ordre numérique, en 10 sous-groupes, comprenant chacun 100 lignes. Dans chacun des groupes de mille, le premier sous groupe renferme les 100 lignes dont le chiffre de centaine est 1 ; le 10" sous-groupe renferme les 100 lignes dont le chiffre de centaine est 0. Dans chaque centaine, les lignes d'abonnés sont rangées de même, dans l'ordre numérique, d'après le chiffre de dizaine de leur numéro, en dix divisions de 10 lignes chacune. Enfin, les 10 lignes de chaque dizaine sont rangées à leur tour dans l'ordre numérique, la première étant celle dont le chiffre d'unité .est 1, la dixième celle dont le chiffre d'unité est 0.
L'ordre dans lequel les lignes d'abonnés sont rangées dans le bureau reproduit donc, purement et simplement, la division en milliers, centaines, dizaines et unités de la numération décimale, à la seule différence que le chiffre zéro est considéré dans le bureau comme un chiffre dont la valeur est 10 et qui suit le chiffre 9, et non pas comme un chiffre de valeur nulle et qui précède le chiffre 1. La ligne de numéro 6345, par exemple, se trouve avoir dans le bureau la situation suivante : 6e groupe, 3e sous-groupe, 4e division, 5e ligne.
Une communication à destination de cette ligne s'établit de la façon suivante.
— L'abonné demandeur, dès qu'il décroche son appareil, provoque dans le bureau téléphonique quelques opérations préliminaires, dont le résultat est de relier sa ligne aux balais d'un appareil, appelé premier sélecteur ou sélecteur de mille. L'envoi du signal de manœuvre à l'abonné marque la fin de ces opérations préliminaires, qu'on appelle opérations de présélection. Au reçu de ce signal, l'abonné envoie le chiffre 6. Les six impulsions de rupture correspondantes sont reçues par le premier sélecteur, qui leur obéit de la façon suivante.
Les balais du sélecteur peuvent explorer un champ de 100 lignes, disposées en 10 rangées horizontales (ou niveaux) superposées, de 10 lignes chacune. Ils occupent au repos, par rapport aux 100 lignes qui constituent leur champ d'exploration, la situation marquée par une croix sur la figure 3. Les six ruptures reçues par l'appareil font monter les balais de six pas verticaux d'ascension (un pas à chaque impulsion reçue), et les amènent ainsi à la hauteur de la sixième rangée de lignes.
Les 10 lignes de cette rangée sont reliées chacune à un appareil, appelé deuxième sélecteur ou sélecteur de centaine, capable d'atteindre l'un quelconque des abonnés du sixième mille. Les balais se mettent alors à explorer automatiquement de gauche à droite les 10 lignes de cette rangée, et s'arrêtent sur la première qu'ils trouvent libre. La ligne de l'abonné demandeur se trouve ainsi prolongée jusqu'aux balais d'un deuxième sélecteur, capable d'atteindre l'un quelconque des abonnés du sixième mille.
Le deuxième sélecteur est un appareil à peu près identique au premier sélecteur. Le champ d'exploration de ses balais est constitué, lui aussi, par 10 niveaux comprenant chacun 10 lignes.

Les 10 ligues du niveau de rang n sont reliées aux balais d'un appareil appelé connecteur, capable d'atteindre directement un abonné quelconque appartenant à la ne centaine du sixième mille. Quand l'abonné demandeur enverra le deuxième chiffre du numéro demandé (le chiffre 3, dans l'exemple considéré), les trois impulsions de rupture correspondantes seront reçues par le deuxième sélecteur, dont les balais monteront de trois pas verticaux (un pas pour chaque impulsion reçue), atteindront la hauteur du troisième niveau et se mettront automatiquement à rechercher une ligne libre parmi les 10 lignes de ce niveau. La première ligne trouvée sera prise et prolongera la ligne de l'abonné demandeur jusqu'au connecteur correspondant.
C'est ce connecteur, appareil analogue aux sélecteurs, qui recevra les deux derniers chiffres du numéro demandé. Ses balais peuvent explorer un champ de 100 lignes, rangées en 10 niveaux de 10 lignes, à chacune desquelles est reliée directement une ligne d'abonné.
Sur le connecteur en cause, les 10 lignes du ne niveau sont reliées aux 10 lignes d'abonnés qui appartiennent à la n, dizaine dans la centaine 63.
Ces 10 lignes sont rangées de gauche à droite, dans l'ordre numérique de leur chiffre d'unité, en commençant par le chiffre 1 et terminant par le chiffre zéro.
Quand le connecteur reçoit le chiffre 4, ses balais montent pas à pas jusqu'à la hauteur de leur quatrième niveau.
Ils attendent dans cette position l'envoi du chiffre 5, puis, sous l'action de cinq impulsions reçues, font cinq pas horizontaux, qui les amènent sur la ligne de l'abonné 63 45 demandé.
Aussitôt sa ligne atteinte, l'abonné demandé est sonné, s'il est libre, ou le signal d'occupation est envoyé à l'abonné demandeur, si le poste 63 45 est trouvé occupé.
Caractères généraux des systèmes pas à pas.
— Cette description sommaire de la façon dont s'établit une communication va nous permettre de dégager les caractères généraux des systèmes pas à pas.
La recherche de la ligne demandée s'effectue de proche en proche, en choisissant d'abord le millier qui la contient, puis la centaine dans le mille, la dizaine dans la centaine, et enfin la ligne dans la dizaine. Ces recherches successives sont commandées à distance, et directement sans aucun intermédiaire, par les manœuvres de l'abonné demandeur. Les différents appareils mis en jeu se déplacent pas à pas, à raison d'un pas pour chaque impulsion qu'ils reçoivent. Ces commandes pas à pas sont assurées par des circuits tous identiques, d.ont le fonctionnement est le suivant (fig. 4).
Dès qu'un sélecteur est pris, la ligne de l'abonné demandeur se trouve bouclée sur un relais rapide L, qui attire son armature.
Ce relais met en circuit un relais B retardé au décollage.
L'armature du relais L retombe à chaque rupture produite sur la ligne par la manœuvre du cadran d'appel. Si l'abonné envoie le chiffre 6, le relais L retombe donc six fois de suite, mais le relais B, dont le retard au décollage est supérieur à la durée d'une rupture, ne retombe pas. Dans ces conditions, chacune des retombées du relais L provoque l'attraction de l'éleclro d'ascension, dont l'armature commande le déplacement vertical des balais de l'appareil. Ces derniers se déplacent donc pas à pas, à raison d'un pas pour chaque impulsion reçue.

Dans l'exemple considéré, le premier sélecteur reçoit le chiffre 6. Mais nous avons remarqué que cet appareil, après avoir déplacé ses balais de six pas d'ascension à la commande de l'abonné demandeur, se déplace d'un mouvement automatique, pour rechercher une ligne libre sur le sixième niveau.

Cette recherche automatique, dont le but est de trouver un deuxième
sélecteur sur lequel sera reçu le chiffre 3, doit évidemment être terminée avant que l'abonné demandeur envoie ce chiffre. Il en résulte une conséquence importante pour le nombre des lignes que peut utilement comprendre chaque niveau. Ce nombre ne doit pas être supérieur à celui que peuvent explorer les balais de l'appareil, en recherche automatique, pendant l'intervalle de temps minimum qui peut séparer la fin de l'envoi d'un chiffre et le commencement de l'envoi d'un chiffre suivant. Les conditions les plus défavorables sont réalisées, à ce point de vue, quand un abonné exercé envoie des chiffres 1 consécutifs. Le nombre des lignes possible est, d'autre part, fonction de la vitesse à laquelle s'effectue la recherche automatique, vitesse qui est elle-même limitée par des considérations de sécurité. En pratique courante, le nombre des lignes de chaque niveau est limité à 10; on peut cependant atteindre 20, et même réaliser des champs de sélection beaucoup plus étendus, au moyen de quelques artifices.
Quoi qu'il en soit, nous retiendrons de ce qui précède que le nombre des lignes de chaque niveau est, en principe, limité.
La figure 4 montre comment on déclenche la recherche automatique, consécutive à une sélection commandée.
C'est ici qu'intervient le relais C. Ce relais, retardé au décollage, se trouve mis en circuit avec l'électro d'ascension, à la première rupture produite sur la ligne de l'abonné demandeur. Son retard est supérieur à l'intervalle de temps qui s'écoule entre deux ruptures consécutives appartenant au même train d impulsions : il reste donc attiré jusqu'après l'envoi de la dernière impulsiondu train d'impulsions considéré, mais il retombe alors.
Le contact A est coupé quand l'appareil est au repos, mais établi dès que ses balais ont fait au moins un pas d'ascension. A la retombée du relais C, l'électro de rotation attire donc son armature et amène les balais de l'appareil sur la première ligne du niveau à la hauteur duquel ils se trouvent. Si cette ligne est libre, les balais s'arrêtent sur elle; sinon, ils passent sur la ligne suivante, et ainsi de suite, par le jeu d'un circuit non représenté sur la figure.

Il peut se faire qu'aucune ligne ne soit libre, parmi celles du niveau exploré. Dans ce cas, les balais du sélecteur passent au delà de la dernière ligne du niveau exploré et s'arrêtent dans cette position, tandis que le signal d'occupation est envoyé à l'abonné demandeur. Ce dernier, qui ne garde généralement pas le récepteur de son appareil à l'oreille pendant la manœuvre de son cadran, n'est pas prévenu de cet incident au moment même où il se produit; mais il continue l'envoi du numéro demandé et ne perçoit le signal d'occupation qu'après l'envoi complet de ce numéro. Les appels qui ne peuvent aboutir, par suite d'un encombrement sur un niveau d'un sélecteur, sontdits « perdus » : ils le sont, en ce double sens que l'abonné doit recommencer son appel et qu'une partie des chiffres qu'il a composés ont été envoyés en pure perte.

Enfin, puisque c'est l'abonné demandeur, qui, depuis son poste, commande lui-même le déplacement des appareils de sélection, le fonctionnement de ces appareils se trouve sous la dépendance directe du bon état de sa ligne.

Photo de droite : Commutyateur Strowger original de Keith du Science Museum de Londres, vers 1898

Le sélecteur Strowger à deux mouvements, celui que l'on utilisera dans le monde entier.

sommaire

Les frères Erickson poursuivirent leur association avec la Strowger Automatic Telephone Exchange Company jusqu'en 1901, date à laquelle l'Automatic Electric Company fut organisée à Chicago.
Ils sont devenus ingénieurs de développement et sont restés avec cette organisation jusqu'à la retraite. La poignée d'hommes, y compris A. B. Keith, Almon B. Strowger, Charles J. et John Erickson, et Frank A. Lundquist, les trois derniers de Lindsborg, ont participé au développement d'une grande industrie.
La société Automatic Electric Company, Chicago, emploiyait 6 000 hommes et femmes.
Le système Strowger a été plus utilisé aux États-Unis que dans le reste du monde et aussi beaucoup en Europe.
Le système a été introduit à l'étranger pour la première fois en 1898 par l'utilisation d'un standard de 200 lignes à Londres.
Un système de 400 lignes a été établi à Berlin en 1899.
Le système a ensuite été installé au Canada, à Cuba, en Australie, en Argentine, à Hawaï, en Nouvelle-Zélande, en Inde et en Afrique du Sud et ailleurs en Extrême-Orient et en Europe.

Leslie H. Warner, diplômé de Wichita High School East et de l'Université de Wichita, est président de la Automatic Electric Company.
Strowger vendit ses brevets à des associés en 1896 pour 1 800 $ et vendit sa part dans la société Automatic Electric Company pour 10 000 $ en 1898. Ses brevets ont ensuite été vendus à Bell Systems pour 2,5 millions de dollars en 1916..

Avec l'invention du cadran et du centre téléphonique automatique, c'est le début de la fin programmée des opératrices que l'on appelait les "Demoiselles du téléphone" en France dans les années 30.

Avec l'expiration du brevet original de Bell, Bell perdit son monopole téléphonique. Les compagnies de téléphone indépendantes et les fabricants indépendants rongeaient leur frein et sont passés à l'action pour concurrencer légalement la société Bell le jour où le brevet a expiré. Quelques-uns des plus grands indépendants, désireux de surpasser Bell, n'ont pas tardé à adopter ce que certains percevaient comme le système de numérotation automatique supérieur au Strowger pour concurrencer directement les systèmes manuels de Bell dans des villes comme Los Angeles, Chicago, San Francisco, Grand Rapids, Dayton. , Wilmington, Akron, Columbus, Buffalo, etc. À cette époque, Bell refusait d'interconnecter ses lignes avec celles des sociétés indépendantes, de sorte que dans de nombreuses villes et villages américains, petits et grands, des systèmes concurrents en double furent bientôt installés. Certaines sociétés indépendantes ont également construit des lignes à péage longue distance, parallèlement à celles du système Bell, pour interconnecter les systèmes indépendants avec d'autres systèmes indépendants dans différentes villes. L'effet immédiat a été que les tarifs mensuels de Bell ont été considérablement réduits par la concurrence. Les guerres de taux ont réduit les bénéfices de Bell et des indépendants. Les abonnés avaient le choix, mais en faisant ce choix, ils ne pouvaient appeler que les utilisateurs de téléphones desservis par la seule entreprise de leur choix. Les entreprises souscrivaient souvent au service des deux sociétés afin de pouvoir appeler tout le monde avec un téléphone.
...
En 1896, les abonnés connectés à centre privé de l’hôtel de ville de Milwaukee ont eu l’honneur d’être les premiers au monde à être équipés d’un téléphone.
Le système de cadran «à trois fils» était standard jusqu'en 1907. ensuite le fil de terre ne sera plus utilisé.
En France et en matière de téléphonie, le mot cadran n’est apparu qu’après 1925. Auparavant, on utilise les locutions disque transmetteur ou disque automatique ou encore, combinateur.


Le plus grand centre automatique au monde au dix-neuvième siècle a été mis en service à Augusta (Géorgie) en 1897. Dans cette circonscription de 900 lignes, deux niveaux de sélection ont été introduits .
Les premiers bureaux automatiques furent installés dès les premières années du xxe siècle et, en 1910, on en comptait 130 aux Etats-Unis; mais la commande du mécanisme s'effectuait par deux fils de ligne, avec mise à la terre de l'un d'entre eux pour l'envoi de signaux de manœuvre : cette mise à la terre était un point faible pour la sécurité de l'exploitation.

Octobre 1900 premier essai du système automatique Strowger en France, mené dans les seuls locaux du Ministère du Commerce

sommaire

Pour les plus curieux, voici comment est décrit le fonctionnement dans un manuel de cours de téléphonie en 1910.

Le 1er type Strowger— le plus répandu actuellement— repose, comme nous l'avons vu, sur le principe suivant : Il faut donner à l'organisme connecteur, situé au bureau central, deux mouvements
successifs, l'un vertical, l'autre horizontal, commandés du poste d'abonné.
On utilise pour cela les 2 fils de ligne, qui jouent un rôle différent, le premier (fil A) commandant les déplacements verticaux, le second (fil B) les déplacements horizontaux.

Dans le 2° type au contraire, les 2 fils jouent le même rôle et sont absolument symétriques.
Pour gagner du temps, nous exposerons tout de suite le cas d'un nombre quelconque d'abonnés ; la compréhension du système n'en sera pas plus difficile.

Poste d'abonné. — Outre les appareils ordinaires, microphone, téléphone, sonnerie, etc., le poste d'abonné comporte extérieurement un disque percé de 10 trous numérotés de 0 à 9
Pour appeler le numéro 6851, l'abonné enfoncera son doigt dans le trou 6 du cadran, tournera le disque (du cadran) jusqu'à ce que son doigt rencontre un arrêt, le laissera revenir de lui-même, enfoncera son doigt dans le trou 8, etc... Quand il aura fini sa combinaison, il appuiera sur le bouton d'appel; quand la communication sera terminée, il raccrochera simplement son récepteur.
Le mécanisme intérieur (du cadran) que je ne décrirai pas, la vue seule de son fonctionnement permettant de s'en faire une idée précise, a pour mission de remplir les conditions suivantes :
1° Quand le disque revient à sa position de repos, après en avoir été écarté à partir, je suppose, du trou 4, le fil A est mis 4 fois à la terre, puis le fil B 1 fois ; du trou 7, le fil A 7 fois, puis le fil B 1 fois...
2° Quand l'abonné appuie sur son bouton d'appel, le fil A est mis à la terre à travers une résistance.
3° Quand l'abonné raccroche (et seulement à ce moment-là) les 2 fils sont mis simultanément
et directement à la terre pendant un instant très court.
4° Naturellement, quand l'appareil est au repos, les 2 fils sont sur le circuit de sonnerie, la terre étant coupée, et quand l'abonné a décroché et qu'il ne touche point à son disque, les 2 fils sont sur
circuit de conversation.
Principe
Au bureau central l'organe sélecteur est basé sur le principe de la commande directe suivant :
Un arbre selecteur vertical (Fig. 2) portant 3 petits balais ou frotteurs, fait prendre 2 mouvements, l'un de translation verticale suivant son axe, l'autre de rotation, dans chaque cas il peut prendre 10 positions différentes, en dehors de la position de repos.
Le mouvement ascendant lui est imprimé par une came solidaire de l'armature d'un électro-aimant (VA) et agissant sur des dents, au nombre de 10, à arête horizontale ; le mouvement de rotation lui est imprimé de la même façon par une came commandée par un autre électro-aimant (RA) agissant sur 10 dents à arête verticale.
L'arbre est fixé dans chacune de ses fonctions par deux cliquets de retenue, commandés par un 3e électro-aimant DA.
Lorsque celui-ci est actionné, les deux cliquets échappent, l'arbre revient à sa position de repos en effectuant d'abord un mouvement de rotation inverse sous l'action d'un ressort antagoniste, puis en retombant sous l'action de son propre poids.
Les 3 frotteurs commencent par se déplacer à vide pendant le mouvement ascendant, puis, pendant le mouvement de rotation, frottent chacun sur une rangée de 10 contacts disposés suivant une section d'un cylindre vertical ayant l'arbre pour axe ; comme chaque frotteur peut prendre 10 positions verticales, il y a donc en tout 100 contacts par frotteur.

Les deux premiers sont reliés aux 2 fils du circuit de conversation, le 3e à un fil ne sortant pas du bureau, dit fil privé.
Pendant la conversation, les deux fils de la ligne d'abonné aboutissent ainsi aux deux balais d'un sélecteur déterminé, dit premier sélecteur, par l'intermédiaire des plots de droite d'un commutateur quintipolaire, dit side-switch, montré en 1, 2, 3, 4, 5 sur la fig. 3.



Fig 2



Au repos, au contraire, ces deux fils sont reliés par les plots de gauche du même commutateur à deux fils multiplés sur les contacts, de rang déterminé par le numéro qu'occupe l'abonné dans sa centaine, d'un certain nombre d'autres sélecteurs dits connecteurs.
Quand l'abonné est demandeur, le circuit de conversation passe par son 1er sélecteur et le multiplage des connecteurs est coupé.
Au contraire, quand il est demandé, sa ligne est prise par l'un des connecteurs, et son premier sélecteur reste sur la position de repos.
Examinons maintenant la suite des opérations quand un abonné appelle.
Son fil A est relié à une batterie centrale B par l'intermédiaire du relais YR et du contact 23-24-25.
Donc quand le fil A est mis à la terre, le relais YB. est actionné et ferme le circuit de l'électro-aimant YA par le plot de gauche du commutateur 4.
Nous avons vu que VA faisait monter l'arbre du sélecteur. Donc celui-ci s'élèvera d'autant de crans que le fil A sera mis de fois à la terre.
Si l'abonné appelé est le 6832, l'arbre s'élèvera donc de 6 crans ; ensuite nous savons que le fil B est mis une fois à la terre : R R est actionné, ce qui ferme le courant de l'électro-aimant. privé P A. Celui-ci contrôle la position du commutateur 1. 2.3. 4. 5. par un renvoi mécanique qu'il est impossible de figurer sur le schéma, mais facile à concevoir : Quand P A est actionné une fois, puis retombe, le commutateur passe de la position de gauche à la position médiane ; quand P A est actionné une 2e fois, puis retombe, il passe de la position médiane à la position de droite.
Il est ramené à la position de gauche par un ressort commandé également par l'électro de déconnection D A.
Revenons au fonctionnement de R R, qui ferme le circuit de PA une première fois, le commutateur quintipolaire passe sur la position médiane, et R A reçoit par le bras 5 un courant continu interrompu qui, d'après ce que nous avons dit de R A, fait tourner d'un cran à chaque émission l'arbre du 1er sélecteur. Les frotteurs de celui-ci vont donc se promener sur les contacts de la 6e rangée horizontale ; or, sur ces contacts sont multiplées des lignes auxiliaires aboutissant à d'autres sélecteurs chargés de choisir parmi les abonnés de 6000 à 6999.
Le 3e frotteur, en particulier, frotte sur les 3e fils de ces lignes auxiliaires, et ce 3e fil est mis à la terre quand la ligne est occupée, ou est à zéro si elle est libre. Donc tant que le 3e frotteur sera sur des lignes occupées, le circuit de P A sera fermé par le plot du milieu du commutateur 3 ; dès qu'il rencontrera une ligne libre, PA retombera et le commutateur quintipolaire passera sur la position de droite.
A ce moment V A et R A sont hors circuit, l'arbre du sélecteur reste immobile, et les 2 fils de ligne sont reliés aux 2 premiers frotteurs, c'est-à-dire à une ligne libre allant vers le 6e mille.
Cette ligne aboutit à un 2'" sélecteur, absolument semblable au 1er sélecteur, libre puisque sa ligne est libre, et qui recevra la 2e impulsion de l'abonné, c'est-à-dire 8 mises à la terre du fil A, plus 1 mise à la terre du fil B.
En vertu du même processus, le sélecteur choisira une ligne libre allant vers la 8e centaine du 6e mille, et la ligne d'abonné sera mise en communicalion cette fois avec un sélecteur un peu différent, dit connecteur, qui recevra à lui seul les 2 dernières impulsions, et achèvera la mise
en communication.
En effet, il porte sur ses 100 tierces de contact les 100 tierces des abonnés 6800 à 6899, et l'abonné demandé occupe le 2e contact de la 3e rangée.

Comme tout à l'heure, le relais V2 R (Fig. 4) commence par actionner, 3 fois cette fois, l'électro-aimantde translation V A et l'arbre monte de 3 crans ; puis V2 R actionne P2 A et le commutateur passe sur la position médiane. Mais cette fois, R2 A est actionné, non plus par du courant interrompu du bureau, mais par les dernières impulsions de l'abonné transmises par le fil A et V2 R, et par suite, l'arbre tourne de 2 crans.
A ce moment les frotteurs sont en communication avec la ligne de l'abonné demandé, mais le circuit n'est pas encore fermé.
Le fil B mis encore une fois à la terre R2 R fonctionne ainsi que P2 A (2e fois).
Si l'abonné est occupé, nous avons; une terre sur son 3e fil, qui, par le plot médian du commutateur 3 et
la 2e armature de R2 R ferme le circuit de l'électro de déconnection D2 A. Arbre et commutateur reviennent à leur position de repos, et l'abonné reçoit le courant libre d'occupation par le plot de gauche de 2, el le fil A (le circuit se fermant par le fil B, le R2 R et la batterie).
Si l'abonné est libre, p2 A en revenant au repos une 2e fois met le commutateur à droile, et le circuit de conversation est fermé.
Lorsque l'abonné appuie sur son bouton d'appel, il met à la terre son fil A : V2 R est actionné et le circuit des relais d'appel est fermé par
le plot de droite du commutateur 4, ce qui envoie du courant d'appel alternatif chez l'abonné demandé.

Quand l'abonné raccroche, R2R et V2R sont actionnés simultanément, P2A également, et le circuit de l'électro-aimant de déconnection est fermé, par les armatures de ces 3 relais ; à ce moment tout revient au repos.
De même dans les premier et second sélecteurs.

Nous aurons donc, dans un bureau central :
1° Autant de premiers sélecteurs que d'abonnés. Aux cent paires de contacts de ces sélecteurs seront reliées des lignes auxiliaires se dirigeant, suivant la rangée horizontale dont elles partent, vers une série d'organes destinés à assurer la liaison entre ce premier sélecteur et les abonnés dont le numéro commencera par un même chiffre ; ces abonnés peuvent d'ailleurs être reliés soit au même bureau, soit à un autre (ce n'est qu'une question de longueur de ligne auxiliaire).
Dans un même bureau ces lignes ont trois fils ; entre deux bureaux, un dispositif spécial permet de les réduire à 2.
Comme nous l'avons vu chaque premier sélecteur peut choisir entre 10 de ces lignes.
Si donc nous considérons un groupe de 1.000 premiers sélecteurs correspondant à 1.000 abonnés, et que la statistique montre que les communications demandées par ces 1.000 abonnés pour les abonnés dont le numéro commence par un même chiffre, 6 par exemple, exigent l'établissement de 40 lignes auxiliaires, nous les répartirons en 4 groupes de 10 que nous multiplerons chacun sur 250 des premiers sélecteurs.
Si aucun abonné n'a de numéro commençant par 9 par exemple, il est évident que les contacts de la 91 rangée horizontale des premiers sélecteurs ne seront pas équipés.
Les lignes auxiliaires aboutiront chacune à un second selecteur :
2° Des seconds sélecteurs en nombre déterminé comme nous venons de le dire ;
3° Des troisièmes sélecteurs si le numéro des abonnés comporte 5 chiffres.
4° Enfin des connecteurs, dont le rôle, comme nous l'avons vu, est de donner les communications demandées pour une centaine d'abonnés déterminée; leur nombre sera donc déterminé par le nombre d'abonnés pouvant causer simultanément comme demandés dans la même centaine, soit 10 par exemple.
On voit donc que le nombre d'appareils sélecteurs ou connecteurs sera supérieur à un par abonné, soit 1,3 en moyenne pour un réseau de 10.000.
Parmi ces appareils, les seconds, troisièmes sélecteurs et les connecteurs, qui jouent le même rôle que les lignes auxiliaires dans le système manuel, peuvent avoir un bon rendement. Les premiers sélecteurs, au contraire, solidaires des lignes d'abonnés, ont forcément le même coefficient d'utilisation que celles-ci, c'est-à-dire en. général très faible, et en tout cas très inégal.
C'est pourquoi la première modification de principe qu'on ait cherché à apporter, à l'automatique, a été de séparer le premier sélecteur, organe coûteux et encombrant, de la ligne d'abonné, pour lui fairejouer le rôle d'un organe de ligne auxiliaire et améliorer par suite son coefficient d'utilisation.

 

sommaire

Principales phases de développement du commutateur de Strowger


Enfin en 1901 Est mis au point le Commutateur Keith Erikson, brevet no 672 942, accordé le 30 avril 1901 , qui sera l'élément le plus utilisé pour équiper de nombreux commutateurs Strowger dans le monde entier..


La première est en taille normale, cliquez sur les autres pour agrandir

Livre
1901 Après le retrait d’Almon Strowger de sa société, le nom de la société a été changé en Automatic Electric Company (Autelco), avec Alexander E. Keith comme directeur technique.
Le développement du système Strowger s’est poursuivi avec les sélecteurs de groupes qui ont sélectionné les milliers et les centaines, puis ont donné accès aux sélecteurs de lignes.
Cette solution a été appliquée pour la première fois à New Bedford, Massachusetts, pour un centre d'une capacité de 4000 abonnés.
1903 Un centre similaire pour 10 000 abonnés (une capacité supérieure à celle de tout centre manuel contemporain) a été installé à Chicago, y compris la possibilité de mesurer les appels.

1905

Brevet américain 1586033 de Charles & John Eriksson, daté au 14 novembre 1905, système pour centre automatique

62 pages

 

Dans sa carrière, John Erickson a déposé 115 brevets, Charles Erickson 35 brevets.
John était caractérisé par un esprit philosophique, explorant théoriquement les lois de la nature. Il a souvent été appelé par des associés de l'entreprise pour résoudre des problèmes compliqués et a rencontré un grand succès.
Les deux frères ont reçu le prix Talbot G. Martin pour leur service distingué en téléphonie. Le prix a été décerné à John en 1936 et à Charles en 1938. Le bilan de leur réalisation est impressionnant. Des contributions exceptionnelles ont été faites par eux dans l'invention du téléphone à cadran, le commutateur de fil de piano, la sélection automatique d'un tronc inactif, les stations de paiement pour les lignes automatiques d'abonné, la présélection des lignes principales,
Lundquist a déposé plus de 100 brevets sur le téléphone automatique.


Commutateur Line Finder (basé sur le Strowger de Keith ) avec relais de commande [Western Electric]

Ce commutateur faisait partie de la principale centrale téléphonique de Wanganui, en Nouvelle-Zélande, jusqu'au milieu des années 1990.
Des commutateurs de ligne similaires ont été installés à Epsom et d'autres centres automatiques d'essai en Grande-Bretagne à partir de 1912.

sommaire

sommaire

En 1906 Le commutateur de ligne, conçu par Alexander Keith de la Strowger Company, évitait le besoin de connecter la ligne de chaque utilisateur à un commutateur plus coûteux.
Le nombre de commutateurs utilisés ne doit désormais être suffisant que pour gérer le nombre maximum d'appels attendus à tout moment.

La ligne d'abonné aboutit à un appareil appelé lineswitch (aiguilleur de ligne) ou présélecteur, de volume réduit, qui a pour fonction d'aiguiller automatiquement sa ligne, dès qu'il reçoit un appel, vers un premier sélecteur libre.
Cet organe à été réalisé différemment en Amérique, en Allemagne, en Autriche.
Je me bornerai à exposer sommairement le principe du line-switch américain (fig. 5).

Un relais est placé, comme un relai d'appel dans la batterie centrale, sur la ligne d'abonné. L'armature de ce relai commande une sorte de plongeur, tige métallique munie d'un disque isolant à son extrémité ; lorsque l'armature est attirée, cette tige plonge et vient mettre en contact 4 ressorts deux à deux. Indépendamment de ce mouvement, l'ensemble du relai et du plongeur peut tourner autour d'un axe vertical, et prendre des positions correspondant à dix groupes de ressorts différents ; dans ces dix groupes les deux: ressorts intérieurs sont multiplés respectivement entre eux et sont reliés aux deux fils de la ligne d'abonné ; les, deux ressorts; extérieurs non multiplés sont reliés aux deux fils d'une ligneauxiliaire; on voit donc que selon la position à laquelle se sera arrêté le line-switch dans sa rotation, le mouvement du plongeurmettra en communication la ligne d'abonné avec une des dix lignesauxiliaires différentes.
En même temps qu'il plonge, le plongeur quitte l'arbre vertical qui l'entraîne par une encoche faite à sa partie postérieure, et par suite ne peut plus être entraîné dans le mouvement de rotation.
Ceci posé, voici le fonctionnement jdu système : Cinquante ou cent line-switchs sont disposés l'un au-dessus de l'autre sur un même bâti, et commandés par le même arbre ; les dix lignes auxiliaires entre lesquelles peut choisir chaque line-switch dans son mouvement horizontal, sont les mêmes pour les cinquante appareils, et sont par suite multiplés verticalement.
Avant tout appel, les cinquante plongeurs, tous embrayés, sont en regard de la même ligne auxiliaire ; la première ligne appelante met en mouvement son plongeur qui prend ladite ligne auxiliaire, en même temps qu'il se débraye.
Automatiquement l'arbre se met en mouvement et entraîne les 49 autres line-switchs qu'il arrête devant la première des 9 autres lignes auxiliaires trouvée libre, et ainsi de suite.
Lorsque l'abonné raccroche, son plongeur revient à la position de repos, et sera réembrayé dès que l'arbre repassera par la position dans laquelle il s'était arrêté. Comme la même ligne ne peut être prise auparavant par un autre plongeur, il n'y a pas d'inconvénient à ce que le même abonné rappelle dans l'intervalle ; il retrouvera la même ligne auxiliaire restée forcément libre.
On voit donc que cinquante ou cent abonnés pourront choisir chacun un premier sélecteur libre entre dix ; si on veut que la sélection se fasse sur cent, c'est-à-dire que mille abonnés, au lieu de 100, puissent choisir entre 100 sélecteurs, au lieu de 10, ce qui diminue grandement, comme on le reconnaît facilement, la chance de les trouver tous occupés, sans en augmenter le nombre total, on intercale, entre les line-switchs d'abonné et les sélecteurs,d'autres line-switchs dits secondaires.
Chaque line-switch primaire pourra choisir entre dix line-switchs secondaires, dont chacun pourra luimême choisir entre dix sélecteurs.
Un multiplage convenable mettra les 100 sélecteurs à la disposition des mille abonnés.
Un bâti de 100 line-switchsd'abonnés (fig. 6), portera également les connecteurs destinés à donner les communications demandées pour
cette centaine d'abonnés.
Il représente à peu près comme encombrement horizontal et comme rôle un groupe de départ à 100 abonnés.
De même les bâtis de sélecteurs représenteront approximativement au total les groupes d'arrivée, du moins pour les grands réseaux, où la
proportion de ceux-ci est assez forte.
Comme on gagne l'espace vide nécessité par la présence d'un nombreux personnel dans le système ordinaire on voit que, au moins pour les grands réseaux, l'automatique demande moins de place que le manuel.

Photo : Bank of 50 Keith Line Switches
récupéré d'un centre rural en Nouvelle-Zélande, faite par la Automatic Electric Company, Chicago,

Les derniers perfectionnements qui aient été apportés au système Strowger américain sont :

La simplification du poste d'abonné : le mécanisme transmettant l'appel est réduit considérablement comme dimension et comme rôle, et se borne à ouvrir et à fermer le circuit de ligne un nombre de fois égal au chiffre transmis ; cela a exigé, bien entendu, une transformation complète des schémas des sélecteurs et connecteurs.
Dans ce nouveau système (San-Francisco), il n'y a plus lieu de différencier les 2 fils de ligne et il n'y a plus de terre au poste d'abonné.
Ces cadrans équiperont le monde entier.

2° La réalisation d'un compteur automatique de conversations, d'un connecteur rotatif donnant automatiquement la ligne suivante. lorsqu'elle appartient à un même abonné et que la première est occupée, l'adaptation au système dit de party-lines,
etc

Preselection, Enregistreurs, traducteurs ....

Le détecteur de ligne a pour fonction de localiser la ligne de l'abonné appelant et de la prolonger jusqu'à un premier sélecteur.
En général, le détecteur de ligne peut desservir 100 ou 200 lignes d'abonnés. Les détecteurs de ligne et leurs relais de ligne associés constituent un groupe de détecteurs de ligne. Les unités de détecteur de ligne standard, équipées ou non, offrent des groupes de 16, 20 et 30 détecteurs de ligne pour l'unité de 200 lignes. L'unité de 100 lignes est fournie uniquement en version 10 détecteurs de ligne.
En règle générale, les unités de recherche de ligne sont réparties dans les classes de lignes d'abonnés suivantes :
a. Lignes à tarif fixe
b. Lignes à tarif de message
c. Lignes à pièces prépayées
Le mélange de plusieurs classes peut parfois s'avérer économiquement avantageux lorsqu'il n'y a qu'un nombre relativement faible de lignes d'une même classe, ou pour répondre à des conditions inhabituelles. Cependant, les lignes à prépaiement ne peuvent pas être combinées dans un même groupe avec des lignes à tarif fixe ou à tarif message.
Les détecteurs de lignes d'un groupe ont leurs banques multiples glissées d'un niveau entre les détecteurs de lignes adjacents, donnant ainsi à chaque abonné une chance égale d'avoir un détecteur de lignes localisant sa ligne au niveau le plus bas de la banque et dans le temps le plus court.

Evolution des cadrans Strowger

L'évolution du cadran Strowger Quelques points saillants du développement du cadran d'AutomaticElectric Inc.
Extraits d'un article présenté devant la Society of Automatic Telephone Engineers à Chicago. le jeudi 3 mars 1927.

Lorsque l'utilisateur d'un téléphone automatique actionne le cadran de son téléphone, il pense rarement aux années et aux années d'expérimentation, d'essais et de développement qui ont permis de produire cet appareil apparemment simple et pratiquement sans problème. Même s'il y pense un peu ou se demande comment il fonctionne, il ne se rend probablement pas compte de l'importance de ce petit mécanisme et du fait qu'il doit faire un certain nombre de choses avec une exactitude scientifique et une uniformité absolue pendant toute sa durée de vie de plusieurs années, sans aucune attention.

Le fait est que des années de recherche et d'expérimentation ont été nécessaires pour produire, par des méthodes de fabrication pratiques, un cadran capable d'exécuter ses fonctions nécessaires de manière fiable pendant de longues périodes de temps sans aucune attention.
L'histoire du développement et du perfectionnement du cadran automatique, depuis ses débuts bruts jusqu'à son état actuel de perfection, comme l'illustre le cadran Type 24, est l'une des histoires les plus intéressantes de tout le domaine de la téléphonie automatique. Dans cet article, nous décrivons et illustrons certaines des améliorations remarquables qui ont caractérisé le développement du cadran par le personnel d'ingénierie d'Automatic Electric Inc.
Au début de l'histoire du système téléphonique automatique Strowger, les mouvements verticaux et rotatifs de tous les commutateurs centraux étaient directement contrôlés par des impulsions de cadran.
Lorsque l'utilisateur du téléphone automatique actionne le cadran de son téléphone, il pense rarement aux années et années d'expérimentation, d'essais et de développement qui ont permis de produire cet appareil apparemment simple et pratiquement sans problème. Même s'il y pense un peu, ou se demande comment il fonctionne, il ne se rend probablement pas compte de l'importance de ce petit mécanisme, et du fait qu'il doit faire un certain nombre de choses avec une exactitude scientifique et une uniformité absolue pendant toute sa durée de vie de plusieurs années. sans aucune attention. Le fait est que des années de recherche et d'expérimentation ont été nécessaires pour produire, par des méthodes de fabrication pratiques, un cadran capable d'exécuter ses fonctions nécessaires de manière fiable sur de longues périodes de temps sans intervention.
L'histoire du développement et du perfectionnement du cadran automatique, depuis ses débuts bruts jusqu'à son état actuel de perfectionnement, comme l'illustre le cadran de type 24, est l'une des histoires les plus intéressantes de tout le domaine de la téléphonie automatique.
Dans cet article sont décrites et illustrées certaines des améliorations remarquables qui ont caractérisé le développement du cadran par le personnel d'ingénierie d'Automatic Electric Inc.
Au début de l'histoire du système téléphonique automatique Strowger, les mouvements verticaux et rotatifs de tous les commutateurs centraux étaient directement contrôlés par des impulsions de cadran. Ce n'est qu'en 1899 que le mouvement rotatif est devenu automatique.
La première installation publique de l'équipement Strowger a eu lieu en 1892 à La Porte, dans l'Indiana, 400 ans après le débarquement de Colomb.
fig 1 L'un des premiers téléphones automatiques, montrant les boutons-poussoirs pour appeler.
La figure 1 montre le type de dispositif d'appel utilisé dans la première installation. Il s'agissait d'une série de touches d'envoi télégraphique ; En lisant de gauche à droite, on pouvait lire les milliers, les centaines, les dizaines, les unités et relâcher. Pour appeler un numéro, par exemple, le 232, on appuyait deux fois sur le bouton des centaines, trois fois sur le bouton des dizaines et deux fois sur le bouton des unités. Il n'y avait pas de facteur temps quant à la fréquence des impulsions, car les aimants étaient actionnés directement à partir des boutons-poussoirs. Pour relâcher l'interrupteur, on appuyait un instant sur le bouton de relâchement, ce qui ramenait l'interrupteur à sa position normale. Le crochet du récepteur ne faisait que contrôler le circuit de communication local de la batterie.

La figure 2 illustre le premier type de cadran d'appel fabriqué, qui utilisait un mouvement oscillant ainsi que des moyens de régulation pour contrôler la vitesse des impulsions. Ce type de cadran a été fabriqué en 1893 et ??a été installé à Wilwaukee. Le "cadran à doigts" était constitué d'une plaque en laiton moulé ayant des ailettes perpendiculaires appelées "maintiens pour doigts". Lorsque le cadran était en position normale, l'abréviation "TEL." était visible à travers la fente de la partie fixe du cadran, qui servait de butée pour les doigts. Lorsque le premier chiffre était composé, l'action de la roue à rochet (connue sous le nom de roue "étoile"), montrée dans la vue arrière, déplaçait le segment portant le mot "TEL." vers une autre position et le mot "centaines" apparaissait. Lorsque le chiffre suivant était composé, la roue à rochet avançait vers une autre position. lorsque le mot "dizaines" apparaissait. La composition du dernier chiffre du nombre révélait le mot "unités".
Ce cadran était actionné au moyen d'un ressort d'horloge utilisant le type de régulateur à échappement, ce dernier constituant un côté du circuit d'impulsion. La feuille de platine, visible sur le bras gauche du régulateur, est entrée en contact avec le ressort représenté juste en dessous. Afin de déconnecter les interrupteurs, il a fallu remettre le récepteur sur le crochet, en ramenant simultanément la roue étoilée à sa position normale, le mot "TEL" redevenant visible à travers l'ouverture. C'était le premier cadran fabriqué dans lequel le doigt était utilisé pour appeler un numéro, et dans lequel les impulsions correspondaient aux chiffres composés. Le brevet était suffisamment large pour interdire à quiconque de fabriquer un cadran fonctionnant ainsi.

L'étape suivante dans le développement du cadran est illustrée à la figure 3, dans laquelle un potentiomètre à mercure a été utilisé pour réguler la vitesse d'impulsion. Cette conception a été adoptée afin d'éliminer ou au moins de minimiser le bruit du régulateur d'échappement. Ce type, fabriqué en 1896, a été installé à Amsterdam, N. Y. Le cadran à doigt était similaire à celui de la conception précédente qui avait les "prises de doigt", et était en fonte et laqué. Les impulsions étaient produites par un type de came oscillante fonctionnant dans un seul sens, c'est-à-dire lors de la course de retour. La disposition de la roue étoilée. On notera que le crochet récepteur a une course exceptionnellement longue, dont le but était d'assurer un temps de déclenchement suffisant pour les interrupteurs, car ces derniers étaient alors actionnés en mettant d'abord sous tension le bouton rotatif.

La figure 4 montre le premier type de cadran à régulateur à friction, sorti en 1897 et installé à Augusta, en Géorgie. Le "finger dial" de ce dispositif d'appel était le même que celui illustré à la figure 3 et les impulsions étaient fixées de manière similaire.
Cependant, un régulateur à friction entraîné par engrenage a été utilisé pour contrôler la vitesse d'impulsion.
Il convient de noter que le crochet récepteur a une course exceptionnellement longue, dont le but était d'assurer un temps de déclenchement suffisant pour les interrupteurs, car ces derniers étaient alors actionnés en mettant d'abord sous tension le bouton rotatif.
Il faut noter que le crochet récepteur a une course exceptionnellement longue, dont le but était d'assurer un temps de déclenchement suffisant pour les interrupteurs, comme ces derniers étaient alors conçus, en activant d'abord les aimants rotatifs, en les maintenant sous tension, puis en activant les aimants verticaux. Les interrupteurs n'avaient ni relais ni aimants de déclenchement. Ils étaient constitués d'une paire d'aimants rotatifs, d'une paire d'aimants verticaux et d'un aimant privé, le déclenchement de l'interrupteur étant réalisé par une action de came qui devenait effective lorsque l'élément rotatif était maintenu en position de fonctionnement. Ainsi, lorsque l'aimant vertical était alors actionné, le cliquet vertical ne s'engageait pas dans les dents du cliquet, mais déverrouillait le double ergot et permettait ainsi à l'arbre de revenir à sa position normale au moyen du ressort rotatif et de la gravité.
A cette époque, le premier téléphone de bureau automatique a été fabriqué en prenant le téléphone mural, qui est représenté sur la figure 4, et en le montant sur un piédestal.
L'année 1899 a été témoin de changements marqués dans le système Strowger. Jusqu'à cette époque, il n'y avait pas de sélection automatique des lignes principales. Cette année-là, des relais furent également ajoutés aux commutateurs afin que les impulsions n'actionnent pas directement les aimants mais actionnent les relais qui, à leur tour, actionnent les aimants. L'aimant de déclenchement fut également ajouté au commutateur Strowger et, bien qu'il puisse sembler à première vue qu'il devienne compliqué à cette époque, il fut en réalité perfectionné dans son action mécanique pour assurer la rotation automatique de l'arbre du commutateur. Ce cadran est représenté sur la figure 6 et était connu sous le nom de cadran "pièce en J", car le bras qui fonctionnait pour démarrer la rotation du commutateur avait une forme similaire à la lettre " J ". Ce type de cadran fut installé à New Bedford, dans le Massachusetts.

La figure 5 montre le cadran fabriqué cette année-là et installé à Berlin, en Allemagne, et à Ithaca, en N. V. Afin d'assurer la sélection automatique des lignes, le "0" était composé après le premier chiffre. Par exemple, si le numéro 212
était appelé, les chiffres 2012 étaient composés. Le "0" étant utilisé pour délivrer dix impulsions pour l'action rotative du sélecteur. Si la première ligne n'était pas occupée, les neuf impulsions restantes ne déplaçaient pas le commutateur, mais il était nécessaire de composer ou d'appeler le "0" au cas où les neuf lignes seraient occupées. On notera en se référant à la figure 5 que le crochet récepteur est sous le contrôle du même régulateur qui contrôle les impulsions du cadran. La libération lente ne s'est pas révélée entièrement satisfaisante dans le modèle montré à la figure 4.
Un autre changement important dans le système Strowger s'est produit en 1900. Il permettait la sélection automatique des lignes sans avoir à composer un chiffre supplémentaire au-dessus du numéro appelé afin d'assurer la rotation automatique de l'arbre du commutateur.
Ce cadran est illustré à la figure 6 et était connu sous le nom de cadran « j piece », car le bras qui fonctionnait pour démarrer la rotation de l'interrupteur était semblable à la lettre « J ». Ce type de cadran a été installé à New Bedford, dans le Massachusetts

La figure 7 montre le type de cadran fabriqué en 1901 et installé à Fall River, dans le Massachusetts. Un commutateur a remplacé la pièce en « J », remplissant la même fonction de manière plus fiable. Le "cadran à doigts", comme on le voit sur cette photo, était un moulage sous pression avec des trous allongés. Le dispositif d'impulsion était contrôlé au moyen d'un long ressort d'impulsion actionné par un disque d'impulsion qui avait dix broches pliées chacune à un angle, de sorte que lorsque le cadran était actionné, il ne coupait pas le circuit du ressort d'impulsion mais entrait simplement en contact avec le ressort, exerçant une plus grande pression sur les contacts. Lorsque le cadran était autorisé à revenir à sa position normale, le ressort d'impulsion était éloigné de son contact stationnaire par le segment d'impulsion.

La figure 8 montre le cadran fabriqué en 1903 et installé à Dayton, dans l'Ohio, et à Chicago, dans l'Illinois.
Les ressorts représentés sur ce cadran n'étaient pas complets, mais les pièces essentielles sont représentées. Le dispositif d'impulsion était similaire à celui utilisé dans le modèle précédent. et le mouvement rotatif automatique des commutateurs était assuré par un long ressort de forme similaire au ressort à impulsion qui formait un circuit et le coupait une fois pour chaque chiffre appelé.
Ce dernier remplaçait le commutateur qui avait été utilisé dans le même but.
Le premier téléphone de bureau de quelque importance fut fabriqué en 1904 et nécessita naturellement une refonte du cadran afin de se conformer aux exigences d'un instrument de bureau. Ce cadran est représenté sur la figure 9.

Le cadran à doigt était en laiton estampé et 11 trous pour les doigts étaient utilisés afin de séparer la « longue distance » du « 0 ». Cependant, les dix impulsions pouvaient être délivrées par le « 0 » ou par la « longue distance ». Les trous étaient séparés pour éviter toute confusion de la part de l'abonné lorsqu'il appelait un numéro contenant le « 0 ».
Ce cadran avait deux positions « normales », avec le récepteur détaché du crochet. Le levier, qui est représenté à l'arrière du cadran, restait dans sa position normale. Ce faisant, il verrouillait le levier du bouton de sonnerie, de sorte qu'il ne lui serait pas possible de sonner avant qu'un numéro ne soit appelé. \\lien le cadran était déplacé de la position normale, comme pour appeler un chiffre. Le premier levier mentionné se déplaçait d'environ un quart de pouce vers le haut et restait dans cette position pendant que les autres chiffres étaient composés. Dans cette position, il libérait le levier de sonnerie de sorte qu'après avoir appelé le numéro souhaité, le bouton-poussoir devenait opérationnel, établissant ainsi la sonnerie. Pour libérer les interrupteurs, le récepteur était remis sur le crochet et, pendant le dernier quart de pouce de sa course, le levier de verrouillage s'est désengagé, provoquant une libération lente qui ne pouvait pas être forcée. Le levier de verrouillage était également sous le contrôle du régulateur, qui était du type à friction.

La figure 10 montre un type ultérieur de cadran à trois fils. Il a été fabriqué en 1905 et était similaire à celui montré dans la figure 9, sauf que le levier de verrouillage a été éliminé et le bouton d'occupation séparé du cadran et monté sur la base, dans les modèles de bureau, et sur le devant des modèles muraux. La raison pour laquelle le type de cadran à deux fils ne peut pas être appliqué au fonctionnement à trois fils dans le téléphone mural et de bureau est que, en raison de la libération lente nécessaire pour les interrupteurs à trois fils, le crochet du récepteur doit être sous le contrôle du régulateur, ce qui est plutôt difficile à réaliser avec le cadran à deux fils.

Les premiers cadrans à deux fils étaient des cadrans à trois fils modifiés, semblables à celui montré dans la figure 8 ; cependant, la production de cadrans à deux fils à l'échelle commerciale n'a pas eu lieu avant l'année 1909. La caractéristique remarquable du cadran montré dans la figure 11 est qu'il était non rotatif.
Le "cadran à doigts" ne fonctionnait que dans le sens des aiguilles d'une montre. Lorsque le doigt s'approchait de la butée, un autre levier juste en dessous du trou "1" était automatiquement déplacé jusqu'à la butée, bloquant le cadran, contre toute libération jusqu'à ce qu'il ait terminé son cycle de fonctionnement.
Une fois cette opération terminée, le levier auxiliaire revenait à sa position normale, libérant le cadran pour un appel ultérieur. Ce cadran était un précurseur de notre modèle actuel et contenait deux principes fondamentaux que notre expérience a prouvé être corrects dans le fonctionnement du cadran.
Ils sont :
- Premièrement, la came à impulsion unidirectionnelle.
- Deuxièmement, le régulateur à vis sans fin à grande vitesse.
La came à impulsion unidirectionnelle donne les impulsions les plus uniformes en raison du fait que l'usure est uniforme tout au long de sa durée de vie. Dans les premiers modèles, la came de type segmenté. Le régulateur à friction, qui avait au total dix segments, a été utilisé. On peut facilement voir que les premiers segments ont été beaucoup plus utilisés que le dixième segment.
En conséquence, la première impulsion ne pouvait pas rester la même que la dixième impulsion en raison d'une usure inégale. De plus, le régulateur à friction était entraîné par des engrenages droits et était d'un poids considérable. Le régulateur à vis sans fin a été choisi afin d'obtenir un entraînement uniforme et ininterrompu. Une vitesse élevée est essentielle pour une régulation sensible. L'entraînement par vis sans fin exerçait la plus grande contre-pression de tous les régulateurs lorsqu'on tentait de forcer le cadran. Les impulsions sur ce cadran étaient obtenues par la came en forme de coupelle qui soulevait et abaissait l'un des ressorts d'impulsion, lui permettant d'être déplacé de son ressort homologue et de le remettre en contact avec celui-ci.

Afin de simplifier le cadran illustré à la figure 11, ainsi que de le rendre plus fiable, il a été redessiné en 1911 pour ressembler à celui illustré à la figure 12.
Le "cadran à doigts" revenait à certains des principes appliqués aux tout premiers modèles, c'est-à-dire qu'il était de type oscillant. Cependant, la came unidirectionnelle fut conservée, ce qui nécessita naturellement l'intervention d'un engrenage à cliquet. La came d'impulsion fut conçue de manière à permettre de maintenir les deux ressorts d'impulsion séparés ; en d'autres termes, elle agissait comme un coin qui séparait les ressorts pendant un certain temps, leur permettant de se fermer pendant une autre période. Le régulateur à vis sans fin à grande vitesse fut conservé, mais modifié par une vis sans fin coupée. Dans les premiers cadrans, la vis sans fin était constituée d'un morceau de fil à piano enroulé en spirale autour de l'arbre. C'était une construction assez difficile du point de vue de la fabrication.

En 1918, d'autres améliorations furent apportées. Sur la figure 13, on voit que le groupe de ressorts de shunt a été séparé du groupe de ressorts d'impulsion. Cela visait à éviter les réglages critiques entre un shunt :g et son ressort d'impulsion correspondant, comme dans le cas de la figure 12, dans lequel le ressort de shunt inférieur entrait en contact avec le ressort d'impulsion supérieur. La disposition du cliquet de l'engrenage principal a également été modifiée,
le ressort de l'horloge a été éliminé et remplacé par un chien durci maintenu par un ressort en bronze phosphoreux. De plus, les trous pour les doigts dans la plaque à doigts ont été agrandis à un demi-pouce de diamètre (les trous précédents étaient de 1/2 pouce), pour permettre une utilisation plus pratique du cadran, ainsi qu'une meilleure visibilité des chiffres.

En 1923, d'autres améliorations furent apportées : la roue à vis sans fin laminée et le régulateur à roulement à billes furent introduits. Ce modèle est représenté sur la figure 14 et est connu sous le nom de type 23. Les premiers modèles du petit type utilisaient un palier à pierre pour contrer la poussée de la vis sans fin. Afin d'obtenir un type de palier de butée plus uniforme et d'éliminer les difficultés rencontrées par les pierres tendres et les incertitudes des paliers à pierre en général, le type à roulement à billes fut remplacé.
Le palier de butée se composait d'une bague à billes, durcie, hautement polie et concave, et d'une seule bille d'acier de très haute qualité maintenue en position de manière lâche entre l'extrémité durcie et hautement polie de la vis sans fin et la bague à billes. Ce type de palier a été soumis à d'innombrables tests, dont l'un a représenté plus de sept cent millions de révolutions, prouvant qu'il s'agissait du type de palier de butée le plus adapté à cet usage.
La conception des ailes du régulateur a également été modifiée, du bronze phosphoreux en forme de coupelle étant utilisé et les billes de vol en laiton avec un insert en fibre.
Cette construction éliminait entièrement toute action abrasive entre les billes de vol et la coupelle du régulateur. Le type de roue à vis sans fin laminée a remplacé le type en bronze massif. Il se composait de deux disques en bronze renfermant un disque en fibre. Après avoir été coupée, la roue à vis sans fin a été soumise à une température suffisamment élevée pour exclure l'humidité, puis traitée à l'huile afin d'empêcher toute absorption supplémentaire d'humidité. La roue à vis sans fin laminée empêchait absolument le collage entre la vis sans fin et la roue à vis sans fin, ce qui était important car un cadran est censé fonctionner de manière satisfaisante pendant un grand nombre d'années sans lubrification supplémentaire. Le ressort principal a été changé pour un diamètre uniforme sur toute sa longueur et le bras de levier des ressorts de shunt a été modifié afin d'assurer une action plus positive, ainsi que pour faciliter la tension du ressort principal.
On verra également, en se référant à la figure 14, que l'écusson pour le montage des cartes d'écusson a été amélioré.
En 1926, le type 24, représenté sur la figure 15, a été fabriqué et s'est avéré être le cadran le plus facile à utiliser et le plus silencieux jamais fabriqué.
La conception intègre des caractéristiques qui empêchent toute altération du mécanisme, car la conception est telle que le cadran ne peut pas être démonté sans avoir d'abord retiré l'écusson. Pour ce faire, il est nécessaire de savoir comment il est cloné, car il n'existe aucun moyen visible d'indiquer la méthode utilisée. L'anneau de l'écusson ne peut pas être retiré. Le cadran à doigts est en laiton poinçonné et formé à la forme, ce qui donne un cadran à doigts très résistant et léger. Le même type de régulateur et de roue à vis sans fin laminée est utilisé dans ce cadran que dans le type 23. La came d'impulsion, ainsi que les ressorts d'impulsion et de shunt, ont été améliorés, ayant été déplacés pour être positionnés perpendiculairement à la face du cadran, minimisant ainsi les problèmes de poussière ainsi qu'une meilleure visibilité pour effectuer les réglages. .1 plus. Les bornes à vis sont utilisées sur le Fl, éliminant ainsi les cordons soudés utilisés sur le ea. ;ode]. La came d'impulsion est poinçonnée et rasée en fibre par cette méthode, toutes les cames sont exactement identiques car elles doivent se conformer exactement au contour de la matrice. Le palier du pignon a été réalisé sous la forme d'un pont et riveté fermement à la plaque de base, ce qui rend impossible que ce palier se décale. Les ressorts sont montés sur une unité détachable, chevillés à la plaque de base et maintenus au moyen de deux vis. L'image montre un cadran à impulsion retardée de type 24.
Le fait que le cadran à impulsion retardée de type 24 se soit rapproché de ce que l'on pourrait appeler la perfection pratique a déjà été largement prouvé à la fois par l'utilisation quotidienne et par des tests en laboratoire. Dans une série de tests exhaustifs effectués sur des cadrans de type 24 tirés de stocks manufacturés, des records très remarquables ont été établis.
Sur trois cadrans testés, en étant tournés mécaniquement de "0" à la butée du doigt puis relâchés, délivrant à chaque fois l'équivalent de dix impulsions. L'un a résisté à plus de 5 000 000 d'opérations, l'autre à plus de 6 000 000 et le troisième a accompli plus de 7 000 000 d'opérations lorsque le test a été arrêté et le cadran démonté pour inspection. Ces cadrans ont été testés exactement tels qu'ils ont été reçus, sans aucun lubrifiant supplémentaire ni réglage spécial à aucun moment. Comme plusieurs pays spécifient maintenant 500 000 opérations à partir de "0" sans défaillance comme norme minimale de performance pour les cadrans de série, on peut voir à quel point le cadran de type 24 est supérieur aux normes ordinaires.
Un travail de développement considérable a été effectué au cours des trente-cinq années qui se sont écoulées depuis la fabrication du premier téléphone automatique. Ceux qui sont engagés dans ce travail ne sont en aucun cas convaincus que les trois prochaines décennies ne verront pas d'autres changements importants, mais dans ses éléments de base, la conception du cadran semble être arrivée à un point où l'on peut dire que les problèmes majeurs ont été amenés à leurs solutions ultimes.

sommaire

Adaptation Britanique et Australienne, les sélecteurs type 2000 , SE50 et type 4000

Le système Strowger de téléphonie automatique est la norme de la Poste Britanique depuis 1921 et est resté prédominant grâce à la simplicité inhérente de son fonctionnement "pas à pas" ou sxs "step by step), sur une base décimale, les sélecteurs répondant directement aux impulsions composées.
Si le système Strowger est resté fondamentalement identique à sa conception d'origine, son mécanisme de base, le sélecteur à deux mouvements, a suscité une grande attention de la part des concepteurs.

Avant la Seconde Guerre mondiale, deux principaux modèles de sélecteurs à deux mouvements étaient couramment utilisés. Le sélecteur Strowger était le plus ancien et avait peu évolué depuis sa création. L'autre, plus récent, était normalisé par la Poste britannique en 1937 et désigné sélecteur type 2000. Il fut adopté en Australie, les premières installations ayant eu lieu à North Sydney et City West (Melbourne) en 1938. Ces deux sélecteurs sont bien connus en Australie.

Tout au long de leur durée de vie, de nombreuses informations pertinentes sur leurs performances opérationnelles ont été obtenues. De plus, d'importants travaux de développement et de recherche ont été entrepris pour répondre aux exigences toujours croissantes de la téléphonie automatique. Un examen attentif des données obtenues a permis d'établir un tableau assez complet de l'état des sélecteurs à deux mouvements.
En général, l'existence de deux modèles tendait à souligner les faiblesses de chacun, et General Electric Co. Ltd. a finalement été contrainte d'envisager sérieusement l'introduction d'un nouveau modèle de sélecteur. Un projet d'une telle envergure ne pouvait être entrepris à la légère.
Après de longues discussions approfondies sur les problèmes impliqués, il a été décidé d'adopter une nouvelle conception axée sur une fiabilité maximale. À cela s'ajoutaient un gain de place, une maintenance réduite au strict minimum et un système de réglages uniforme permettant d'obtenir un engagement métal sur métal maximal sur les pièces d'usure, le tout associé à une référence soigneusement définie, facilement accessible et fiable, garantissant l'obtention de ces fondamentaux au moindre coût.

Le nouveau sélecteur S.E.50 développé par General Electric Co. conserve tous les principes Strowger bien connus et éprouvés. Une description détaillée de ses caractéristiques, de ses points forts, de ses nombreux avantages de construction, ainsi que de la facilité et de l'accessibilité des réglages, est présentée ci-après. Une rupture radicale a été opérée par rapport à la procédure généralement acceptée pour l'assemblage de mécanismes de ce type, en introduisant le principe d'utilisation de sous-ensembles assemblés, réglés et testés au lieu de l'assemblage habituel de pièces individuelles. Ceci constitue non seulement un avantage considérable pour l'assemblage des lignes de production, mais peut également s'avérer très utile pour les administrations dont la qualité de maintenance n'est pas particulièrement élevée. Le personnel de maintenance peut être formé au réglage correct de ces sous-ensembles, laissant les ajustements de détail à un dépôt central où un technicien hautement qualifié peut s'en charger.
Le premier sous-ensemble est l'ensemble châssis-colonne, base sur laquelle reposent tous les autres sous-ensembles.

Le sélecteur S.E.50 SE50, est une version améliorée du type 2000.

Cette nouvelle conception était plus fiable et plus facile à entretenir. (Le dernier autocommutateur Strowger britannique à être mis hors service se trouvait à Crawford, en Écosse, et a été mis hors service en 1995).
Il s'agissait d'une refonte complète du concept de commutateur bi-motionnel, visant à obtenir un commutateur plus économique et plus fiable.
Tous les équipements étaient montés sur des racks uniformes à simple face, ce qui permettait un gain de place d'environ 20 % grâce à l'utilisation de racks de 3,2 mètres de haut.
Les avantages revendiqués pour ce nouveau type de sélecteur peuvent être résumés comme suit :
(a) Encombrement réduit.
(b) Poids réduit.
(c) Coût réduit.
(d) Meilleure efficacité magnétique.
(e) Similitude de conception des composants.
(f) Montage amélioré des ressorts à commande mécanique.
(g) Facilité de démontage et de remplacement du sélecteur.
(h) Possibilité de PBX 2/10 sur toutes les lignes d'un sélecteur final multiple de 200 lignes.
(i) Capacité de la batterie supérieure.
(j) Facilité de réglage accrue.

Encombrement réduit.
Efficacité magnétique accrue.

Les aimants verticaux et rotatifs logés dans les évidements latéraux du châssis du sélecteur sont de type monobobine avec des noyaux de dimensions généreuses en forme de « H ». L'armature est parallèle à l'axe du noyau et porte une lourde plaque auxiliaire conçue pour produire rapidement un flux de haute densité.
L'efficacité des aimants peut être mesurée par le fait qu'un modèle fourni à la Poste britannique, équipé de dix batteries de 200 volts et des mêmes aimants que les modèles à quatre batteries, offrait une vitesse de commutation égale à celle du sélecteur Strowger actuel.

 


Le sélecteur de type 2000 est devenu le mécanisme de commutation bimotionnel standard en Australie dans les années 1930. Depuis, les versions Le mécanisme SE.50 occupe le même support que le type 2000, et les sélecteurs de groupe des deux types peuvent fonctionner côte à côte sur la même étagère. (voir détails ici)

Le Type 4000
Un nouveau sélecteur à deux mouvements a récemment été normalisé par la Poste britannique. Appelé sélecteur de type 4000, il est basé sur le modèle SE 50 des différences mineures au niveau du circuit, principalement dues à l'utilisation d'un aimant de déclenchement.
Il est développé par General Electric Company, Ltd. entièrement interchangeable avec le sélecteur de type 2000 en termes d'équipement, de montage et de disposition des racks.
Parallèlement à l'adoption du sélecteur de type 4000 pour les nouveaux centraux autres que ceux de l'U.A.X., la Poste a profité de l'occasion pour apporter des modifications au circuit afin de faciliter l'introduction de la numérotation interurbaine d'abonnés en temps voulu.
La décision d'adopter ce commutateur a été prise suite aux résultats satisfaisants obtenus lors de tests approfondis au Laboratoire des circuits de dérivation téléphonique et d'essais sur le terrain d'environ trois ans.
Les modifications mineures mentionnées ci-dessus résultent principalement des tests en laboratoire, qui comprenaient la prise d'enregistrements sur film à grande vitesse. Ces films se sont révélés particulièrement utiles pour évaluer l'étendue de la plage de réglage et les tolérances de fabrication admissibles sur différentes pièces. Cette technique a permis d'identifier les points de risque de vibrations mécaniques et de rebonds, et ainsi de déterminer l'adéquation des méthodes adoptées pour les réduire.

sommaire

Adaptations du Strowger par Siemens & Halske

Siemens & Halske avaient commercialisé leurs premiers PABX dès 1912. Poole mentionne dans son livre de 1912 « Ils ont équipé environ six ou plus de grands centraux sur le continent, et un pour 17 000 lignes est actuellement en cours de construction à Dresde ».
A gauche le Selecteur standard, à droite le selecteur N°16

Le sélecteur unidirectionnel Siemens n° 16 est un commutateur à 10 points utilisé comme sélecteur unidirectionnel primaire et secondaire dans les commutateurs Siemens n° 16. Le sélecteur unidirectionnel primaire est un commutateur de retour à la position initiale et le sélecteur unidirectionnel secondaire est un commutateur de non-retour à la position initiale. L'aimant d'entraînement n'est pas auto-interrompu ; il est entraîné par des impulsions fournies par des interrupteurs entraînés par la machine, qui donnent aux sélecteurs unidirectionnels une vitesse de 32 pas par seconde. Des curseurs à triple extrémité espacés de 120° sont utilisés, donnant 30 pas par tour. Ces commutateurs diffèrent sur le principe d'entraînement "en avant" qui est utilisé, les curseurs étant entraînés par le cliquet pendant que l'armature fonctionne.

Leur système n° 16 a également été installé et évalué par la Poste britannique dans des installations à Édimbourg, Sheffield, Brighton et Leicester. Il se peut également qu'il s'agisse du modèle qui a équipé le nouveau central téléphonique de Brisbane en 1929.



Fig. 4. Sélecteur Strowger . Fig. 5. Sélecteur à mouvement rectangulaire.

Contrairement au commutateur pas à pas, qui n'a que dix options de connexion, le sélecteur rotatif de levage inventé par Strowger et développé par Siemens & Halske avait une centaine d'options de connexion (voir Fig. 4). Le sélecteur rotatif de levage se composait essentiellement d'un aimant de levage et d'un aimant rotatif. Dans le sens vertical, dix marches superposées pourraient être sélectionnées ; Il existe également dix options de connexion différentes dans le sens horizontal. Selon l'usage de l'électeur (électeur de groupe ou électeur de ligne), le vote vertical était contrôlé et le vote horizontal était libre ou également contrôlé. Avec ce sélecteur, une fois la touche finale reçue, il a été facile de construire des centres de contrôle fonctionnels et de toute capacité de connexion.
Un développement ultérieur du sélecteur Strowger a conduit au sélecteur dit quadrilatère (Fig. 5).
Les bras de commutation de ce sélecteur effectuent d'abord un mouvement de levage puis un mouvement de rotation pour le réglage. Lorsqu'ils sont déclenchés, les bras de commutation continuent de tourner dans la décennie au-delà de la dernière lame de contact, tombent jusqu'à leur position la plus basse et le sélecteur Strowger devient par la suite le sélecteur à mouvement rectangulaire .
Les bras de cet appareil exécutent d'abord un mouvement d'ascension, puis un mouvement de rotation. A la fin de la communication, ils continuent à tourner à l'intérieur de la décade jusqu'à la dernière lamelle de contact, puis tombent à la position la plus basse où ils retournent, par-dessous le banc de contacts, à la position initiale. C'est ce mouvement «rectangulaire» qui a donné son nom au sélecteur.
Le sélecteur à moteur

Le sélecteur à moteur est un élément de commutation absolument différent du sélecteur pas à pas (voir fig. 6). Il est entraîné de manière à ne plus progresser pas à pas, mais suivant un mouvement de rotation régulier et a ainsi une marche plus douce, ce qui est important sous le rapport du bruit. Dans toutes les nouvelles constructions, on cherche à libérer les communications téléphoniques des bruits qui peuvent les affecter. Des mesures de bruit faites dans des centraux équipés de sélecteurs à moteur ont prouvé que le niveau du bruit y est très bas. Ce n'est pas là le seul avantage du sélecteur à moteur. Son moteur est construit de manière que le porte- balais stoppe en un instant extrêmement bref. On a pu ainsi augmenter la vitesse de rotation et la porter à 200 pas par seconde. Comme on cherche, dans les nouvelles constructions, à abréger autant que possible le temps de commutation, la vitesse de rotation des sélecteurs joue un rôle important; c'est particulièrement le cas lorsque, en sélection libre, le sélecteur doit chercher une sortie libre.
En Suisse, seuls les sélecteurs de moteur sont utilisés dans les nouveaux systèmes de tableaux publics construits selon le système Siemens.

Le sélecteur rotatif de moteur en métal précieux (sélecteur EMD)

Le sélecteur EMD peut être considéré comme un développement ultérieur du sélecteur de moteur. Il possède le même moteur d'entraînement que le sélecteur de moteur ordinaire, mais présente également des perfections constructives très remarquables (voir Fig. 7). Par exemple, les balais parlants et les bancs de contacts associés sont plaqués de métal précieux (palladium).
Mais maintenant que le sélecteur est décrit plus haut, il y a certaines améliorations d'intérêt . Par exemple, les balais des circuits de conversation et les bancs de contacts correspondants sont recouverts de métal rare (palladium). Le palladium n'ayant pas la même résistance mécanique que l'acier ou le bronze, les balais pour les fils de conversation ne doivent pas passer sur les bancs de contacts. Ils ne sont pressés que lorsque la brosse de test a « testé » et que le chariot à brosses (Fig. 8) est à l'arrêt. De cette manière, l'usure du métal précieux est évitée car les contacts en métal précieux ne fonctionnent pas comme des contacts glissants, mais uniquement comme des contacts à pression.

Une autre amélioration réside dans le multiple sans joint de soudure (Fig. 9).
Alors qu'avec tous les autres sélecteurs, la commutation multiple des sorties s'effectue à l'aide de câbles plats, avec le sélecteur EMD, le multiple est constitué d'une « seule pièce ». Il s'agit de bandes de bronze conçues pour former des bancs de contacts de manière à s'emboîter de manière appropriée à l'avant. A l'arrière, là où les câbles plats sont normalement soudés, les bandes sont à nouveau entrelacées et continuées jusqu'au sélecteur suivant. Quiconque est confronté à des problèmes de câbles plats peut juger des avantages d'un tel joint de soudure et d'un multiple sans câble plat.
L'entraînement par friction a été remplacé par des disques d'engrenage flexibles, et les viseurs et sélecteurs ont été conçus de manière à offrir une sécurité de fonctionnement maximale.
Fig. 9. Multiple sans soudure du sélecteur EMD Multiple sans soudure d'un sélecteur à contacts en métal rare.
Le sélecteur McBerty a bien entendu bénéficié d'un développement parallèle.

sommaire

Le plus ancien des systèmes automatiques est le système Strowger, à base décimale et à commande directe.
Sa forme primitive a rapidement été abandonnée. Parmi les nombreux systèmes dérivés du Strowger, les plus répandus sont :
1 - Le système de l’Automatic Electric Cy, de Chicago;
2 - Le système de l’Automatic Téléphoné Manufacturing C°, de Liverpool ;
3 - Le système Siemens et Halske, de Berlin.
Les deux premiers sont assez peu différents l’un de l’autre, le troisième l’est davantage.
- Citons également le système Clément, de la North Electric Cy.


Domaine d'utilisation
Les systèmes pas à pas sont assez flexibles dans la mesure où ils peuvent être utilisés pour le service de numérotation locale dans les communautés nécessitant environ 100 lignes, ou pour les grands bureaux centraux nécessitant 10 000 lignes ou plus.
Lors de l'introduction de la numérotation interurbaine, les systèmes de télépéage progressif ont été facilement adaptés à ce nouveau concept de service téléphonique. C'est pourquoi de nombreux centres de péage ont utilisé des systèmes de télépéage progressif, configurés pour un fonctionnement bidirectionnel ou unidirectionnel des appels entrants. Les systèmes à barres croisées (crossbar), forts de leurs nombreux avantages, remplacèrent certains des plus grands systèmes de télépéage progressif. La plupart des futurs systèmes de télépéage seront de type à barres croisées, sauf dans certains cas, comme les petits centres de péage isolés ou les centres de péage dotés de systèmes de télépéage progressifs locaux, où des systèmes de télépéage progressifs pourront être installés pour des raisons économiques.
Fondamentalement, tous les systèmes pas à pas se ressemblent ; toutefois, certaines exigences en matière de circuits varient selon la taille du système.
De plus, certaines fonctionnalités souhaitables dans les grands bureaux sont inutiles dans des unités plus petites et moins complexes.
C'est pourquoi différents types de systèmes ont été développés, offrant un service adéquat et économique – un objectif constant de Bell System – pour leur domaine d'application spécifique.
À l'origine, le système pas à pas n° 1 était le seul disponible pour le service local et était principalement conçu pour les grands centraux téléphoniques de 10 000 lignes ou plus. Avec l'évolution de la conversion au mode commuté, le besoin de systèmes plus petits est devenu évident. C'est ainsi que furent développés les systèmes 350-A et 360-A. Certaines caractéristiques indésirables du système 360-A ont conduit au développement d'un petit central téléphonique amélioré, le type 355-A, largement utilisé dans l'ensemble du réseau Bell pour les petites localités.Bureaux de type n° 1 et 350-A
Ces types de bureaux étaient autrefois utilisés pour fournir un service téléphonique commuté aux zones de grande et moyenne taille. Plus tard, la barre transversale n° 5 (crossbar) a été utilisée dans la majorité de ces zones, mais lorsque cela ne se justifie pas, économiquement ou autrement, des unités échelonnées sont installées.
Le modèle 350-A était initialement conçu pour une exploitation sans surveillance : tous les services de péage et auxiliaires devaient être assurés depuis un centre de péage distant.
Le modèle n° 1 était destiné à être utilisé dans les centres de péage. Au fil du temps, cette distinction a largement disparu.

Dispositif de commutation ,rappel
-Comme nous l'avons déjà expliqué, l'élément de base du système est le commutateur « pas à pas » et son bloc. Pour des raisons de circuit, le nombre de blocs, la commande pas à pas, etc. peuvent varier, mais il s'agit essentiellement de variantes de la configuration mécanique de base.
Ses principaux composants comprennent le couvercle inférieur, le cadre, les aimants, l'axe, les cliquets, les racleurs, les cliquets, les griffes, le commutateur, la prise de test, la fiche, la bande de ventilation, les ressorts et le couvercle. Des blocs sont associés à chaque commutateur. Chaque bloc est composé de dix rangées de bornes disposées en cercle partiel, disposées de manière à ce que le commutateur se déplace vers le haut pour sélectionner la rangée et pivote pour sélectionner la borne. Les bornes sont fournies soit seules pour les blocs « 100 » points, soit par paires pour les blocs « 200 » points. Le nombre de blocs associés à chaque commutateur varie selon l'usage du commutateur et le nombre de fils requis : un bloc de 100 et un bloc de 200 pour les trois fils, deux blocs de 200 pour les quatre fils, etc. Le plan de numérotation est conforme au plan de numérotation du cadran.
Des commutateurs sont installés sur les interrupteurs devant rechercher un niveau (détecteurs de ligne, connecteurs de recherche de niveau, etc.). Ils contrôlent le passage vertical au niveau souhaité. Des racleurs de batterie établissent un contact avec les bornes de batterie pour compléter les chemins à travers l'interrupteur. Le commutateur fonctionne par rochets et cliquets. Les cliquets sont actionnés par des aimants. Des ergots, commandés par un aimant de déverrouillage, maintiennent le commutateur lorsque les cliquets retombent pendant le fonctionnement ou lorsque le point souhaité est atteint. Pour rétablir le fonctionnement normal du commutateur, l'aimant de déverrouillage libère les ergots, le ressort de l'arbre ramène l'arbre à sa position de rotation normale et la gravité le ramène à sa position verticale normale.
Détecteur de ligne : le détecteur de ligne a pour fonction de localiser la ligne de l'abonné appelant et de la prolonger jusqu'à un premier sélecteur. En général, le détecteur de ligne peut desservir 100 ou 200 lignes d'abonnés. Les détecteurs de ligne et leurs relais de ligne associés constituent un groupe de détecteurs de ligne. Les unités de détecteur de ligne standard, équipées ou non, offrent des groupes de 16, 20 et 30 détecteurs de ligne pour l'unité de 200 lignes.
L'unité de 100 lignes est fournie uniquement en version 10 détecteurs de ligne.
En règle générale, les unités de recherche de ligne sont réparties dans les classes de lignes d'abonnés suivantes :
a. Lignes à tarif fixe
b. Lignes à tarif de message
c. Lignes à pièces prépayées
Le mélange de plusieurs classes peut parfois s'avérer économiquement avantageux lorsqu'il n'y a qu'un nombre relativement faible de lignes d'une même classe, ou pour répondre à des conditions inhabituelles. Cependant, les lignes à prépaiement ne peuvent pas être combinées dans un même groupe avec des lignes à tarif fixe ou à tarif message.
Les détecteurs de lignes d'un groupe ont leurs banques multiples glissées d'un niveau entre les détecteurs de lignes adjacents, donnant ainsi à chaque abonné une chance égale d'avoir un détecteur de lignes localisant sa ligne au niveau le plus bas de la banque et dans le temps le plus court.Sélecteurs -
Les sélecteurs sont des commutateurs disposés verticalement en réponse aux impulsions de numérotation et tournant automatiquement lors de la recherche d'une ligne libre. Il existe généralement deux types de sélecteurs : locaux et interurbains.
Les sélecteurs locaux sont utilisés de trois manières à toutes les étapes de la sélection :
(a) entre les détecteurs de ligne et les connecteurs pour les appels intra-bureau ;
(b) entre les lignes entrantes (avec ou sans équipement de circuit interurbain) et les connecteurs pour les appels inter-bureaux entrants ; et
(c) entre les détecteurs de ligne et les lignes sortantes pour les appels inter-bureaux.
Pour les appels inter-bureaux entrants, les sélecteurs locaux sont appelés sélecteurs entrants. Les sélecteurs interurbains permettent de terminer les appels interurbains entrants, qu'ils soient composés par l'abonné ou par l'opérateur.
Les sélecteurs locaux sont appelés premier, deuxième, etc., selon le plan de numérotation.
Le premier sélecteur est toujours configuré pour renvoyer la tonalité à l'abonné dès sa prise par le détecteur de ligne associé.
Des blocs de trois fils sont généralement utilisés avec les sélecteurs locaux.
Les appels acheminés via les sélecteurs locaux peuvent rencontrer une condition d'occupation de tous les chemins : toutes les lignes sortantes d'un niveau donné sont occupées. Le sélecteur renvoie alors une tonalité de 60 ou 120 interruptions par minute (IPM).
Les plus anciens bureaux peuvent être configurés pour 60 IPM ; cependant, 120 IPM est désormais la norme.
Les sélecteurs de péage sont disponibles en plusieurs modèles, certains nécessitant des dispositifs de montage spécifiques et des conditions de circuit différentes. Tous les sélecteurs de péage, à l'exception des sélecteurs de pré-péage, utilisent des blocs de quatre fils, car un quatrième fil est nécessaire pour renvoyer certains signaux de supervision à la source. Les lignes provenant de centraux de péage, de sélecteurs de pré-péage, de systèmes inter-péage pas à pas ou de systèmes de péage de type n° 4 peuvent aboutir à un sélecteur de transmission de péage. Grâce à ce commutateur, la sonnerie du poste appelé est contrôlée par l'équipement précédent et les fonctions de transmission sont intégrées au sélecteur.
Ce commutateur peut également être équipé des fonctions de contrôle des pièces nécessaires au prépaiement.
Les sélecteurs intermédiaires de péage sont utilisés à toutes les étapes entre les sélecteurs de transmission de péage et les connecteurs. Ils peuvent également remplacer les sélecteurs de transmission de péage pour terminer les lignes de commutation à quatre fils provenant du standard téléphonique ou des systèmes interurbains situés dans le même bâtiment que l'équipement de numérotation. Dans ce cas, les fonctions de transmission sont intégrées dans un circuit principal interconnecté en amont du sélecteur.
Un autre type de sélecteur de péage est le sélecteur de transmission de péage AB. Il offre toutes les fonctions d'un sélecteur de transmission de péage, à l'exception de la sonnerie contrôlée. Les sélecteurs de péage précédant sont utilisés immédiatement avant les sélecteurs de transmission de péage ou de transmission de péage AB et fournissent généralement une liaison commune à tous les bureaux d'un bâtiment.
Les étagères de sélecteurs peuvent avoir une capacité de dix ou vingt sélecteurs.
Les bancs de dix sélecteurs sont multipliés pour former une unité de banc. Deux unités de banc sont nécessaires pour l'étagère de vingt.
De plus, l'étagère de plus grande capacité étant principalement utilisée dans les grands bureaux, elle dispose d'un système de jonction sortant spécial , appelé ensemble de terminaux de distribution.
Dispositions de jonction : les premiers sélecteurs, en réponse au premier chiffre composé, acheminent le trafic via l'une des dix jonctions d'un niveau de banc vers un autre groupe de sélecteurs ou vers des jonctions vers un autre bureau. Le service de prépaiement par pièces de monnaie nécessite de séparer les premiers sélecteurs à tarif fixe (FR) et à pièces de monnaie (CB) en groupes de jonction distincts, car le niveau zéro est utilisé pour les jonctions vers le standard et des groupes de jonctions FR et CB distincts sont nécessaires.
De plus, le premier niveau permet d'accéder à un groupe de sélecteurs de codes de service, eux-mêmes divisés en groupes FR et CB.
À partir de ces commutateurs de codes de service, des chemins sont accessibles aux informations, au service de réparation, au bureau d'essai local et à tout autre service spécialisé nécessaire. Comme ces différents codes sont généralement 11X, les sélecteurs de codes de service sont conçus pour absorber un seul chiffre, ce qui permet au commutateur de revenir à la normale après la composition du premier chiffre, puis de poursuivre son fonctionnement normal. Par exemple, pour le code 113, le premier chiffre 1 s'enregistre sur les premiers sélecteurs et le second chiffre 1 fait avancer le sélecteur de codes de service d'un cran. Cependant, étant conçus pour absorber les chiffres, ils se libèrent et reviennent à la normale ; le chiffre 3 suivant s'enregistre ensuite et achemine l'appel. Les autres niveaux des premiers sélecteurs fournissent des routes interurbaines vers d'autres bureaux, vers les seconds sélecteurs ou vers des connecteurs. Les chiffres supplémentaires sont enregistrés aux étapes successives des sélecteurs. Le nombre d'étapes dépend du nombre de chiffres du bureau.
Cependant, les dizaines et les unités sont toujours enregistrées dans le connecteur.
Multiple gradué - Le sélecteur recherche une ligne libre à n'importe quel niveau de banque, mais son choix de lignes à ce niveau est limité à dix.
Lorsque les groupes de lignes vers un autre bureau ou vers un groupe de sélecteurs suivant dans le bureau local dépassent 10 lignes, un système de multiple gradué est utilisé.
Le multiplexage gradué permet à certaines liaisons, appelées liaisons communes, d'apparaître devant tous les sélecteurs de toutes les divisions d'un sous-groupe de liaisons. Les liaisons restantes sont divisées en sous-groupes supplémentaires et sont appelées liaisons individuelles. Comme les liaisons individuelles portent toujours les numéros les plus bas, elles constituent les liaisons de premier choix pour les sélecteurs des divisions où elles se trouvent.
Afin de réduire le temps de recherche des sélecteurs et l'usure des commutateurs, une inversion des liaisons communes est généralement placée entre les divisions de sélecteurs, au milieu du sous-groupe. La dixième liaison est toujours multipliée directement pour toutes les divisions d'un sous-groupe afin d'enregistrer le dernier enregistrement occupé.
Absorption de chiffres - Avec l'impulsion donnée au programme 2L-5N, il est devenu évident qu'il fallait trouver des moyens de réduire le nombre d'étages de sélection nécessaires aux sept sélecteurs requis par le système 2L-5N.
Ce développement a conduit à l'utilisation généralisée de diverses fonctions d'absorption de chiffres. Bien que la discussion suivante porte sur les sélecteurs locaux, différents types de sélecteurs de péage dotés de fonctions d'absorption de chiffres sont disponibles. Le sélecteur local d'absorption à un seul chiffre (SDA) est disponible depuis un certain temps et a servi de base aux modèles à deux et deux chiffres. Le sélecteur à deux chiffres (DDA) absorbe n'importe quel chiffre de manière répétée ou unique, et les deux actions peuvent être opérationnelles à différents niveaux du même commutateur. C'est la principale différence entre les types à un et deux chiffres : le SDA ne peut être configuré que pour l'une ou l'autre des actions, et non les deux, sur le même commutateur. Tout niveau non configuré pour l'absorption peut être bloqué (configuré pour renvoyer la tonalité d'occupation sur tous les chemins) jusqu'à ce que l'absorption unique se produise. Dans ce cas, l'absorption unique prépare le commutateur à fonctionner normalement sur tous les chiffres suivants composés ; c'est pourquoi on parle de fonction de déverrouillage. Les deux types SDA et DDA peuvent être configurés pour cette fonction.
Sur le sélecteur à un seul chiffre, les niveaux de sélecteur configurés pour une absorption répétée ne peuvent pas être utilisés pour la jonction. Des modifications de circuit peuvent être apportées aux sélecteurs SDA pour les configurer pour une absorption à deux chiffres.Récemment, un nouveau sélecteur, le sélecteur absorbant à deux chiffres, a été lancé. Ce commutateur n'absorbe pas plus de deux chiffres successifs, mais son principal avantage est que le traitement accordé à un niveau particulier pour le premier chiffre composé n'a aucune incidence sur la condition imposée à ce même niveau pour le second chiffre composé.
Une innovation de ce commutateur est la fourniture d'une tonalité d'absence de numéro (NSNT) sur les niveaux bloqués plutôt que d'une tonalité d'occupation sur tous les trajets. Le premier chiffre et le second, si le premier a été absorbé, peuvent être traités de trois manières : a. Absorber une fois à un niveau spécifié. b. Couper à n’importe quel niveau spécifié. c. Bloquer à n’importe quel niveau spécifié et renvoyer NSNT à l’appelant.L'absorption répétée n'est pas possible sur ce commutateur. Cependant, ce nouveau type offre une plus grande liberté de choix des codes de bureau et une plus grande flexibilité que sur d'autres commutateurs. Sur tout sélecteur à absorption de chiffres, les différentes fonctions sont assurées par un ensemble de tiges standard et une came placée sur la tige standard du sélecteur. Lorsque l'arbre atteint un certain niveau, la came se lève simultanément et, si l'une des dents (droite, gauche ou les deux) est pliée, elle actionne les ressorts associés pour activer le commutateur.
Connecteurs : Le connecteur constitue la dernière étape du processus de sélection et réagit aux chiffres des dizaines et des unités (les deux derniers chiffres) composés pour localiser le poste appelé.
Ce commutateur pas à pas remplit de nombreuses fonctions : il applique une sonnerie prédéterminée à la ligne appelée, renvoie une sonnerie audible à la ligne appelante et renvoie un signal d'occupation (tonalité et/ou flash de 60 ipm) si une ligne est occupée. Il fournit également une batterie de communication aux émetteurs de l'appelé et, lors des appels locaux, aux appelants.Chaque groupe de connecteurs comprend une ou plusieurs étagères, généralement onze positions de commutation, un multiple de banc pour 100 terminaux et un nombre quelconque de commutateurs de connecteur, selon le volume de trafic.
Une position de commutation, généralement la première, permet de monter un connecteur de test. Il existe deux types de connecteurs : ceux utilisés pour desservir les lignes d'abonnés non consécutifs et ceux utilisés pour desservir les lignes consécutives d'un PBX ou d'un abonné multiligne.
Ce dernier est appelé connecteur de recherche et est disponible en version rotative ou à niveau.
Le connecteur de recherche rotatif est conçu pour rechercher un groupe prédéterminé de bornes sur un seul niveau et se connecter au premier ensemble de bornes libres. Les connecteurs de recherche de niveau sont généralement conçus pour rechercher toutes les bornes d'un groupe prédéterminé de niveaux et se connecter au premier ensemble de bornes libres du groupe recherché.
Équipements divers pour cadres de commutation.
Répéteurs – Pour établir une connexion entre un bureau de commutation et un autre bureau de commutation situé dans un bâtiment séparé, il est nécessaire de prévoir un moyen de répéter les impulsions de commutation entre les bureaux.
Si la connexion est bidirectionnelle, un répéteur de commutation bidirectionnel ou une ligne réseau est utilisé dans les deux bureaux, tandis que les connexions unidirectionnelles utilisent généralement un répéteur de sortie uniquement au bureau d'origine. Un répéteur sortant ordinaire ne retransmet pas les impulsions de numérotation avec la même précision que celles provenant d'un cadran. Lorsque la résistance de la boucle conductrice entre les bureaux augmente, en raison de la longueur ou de la taille des conducteurs, des modifications de répéteur sont nécessaires pour compenser cette résistance accrue. Cela peut être réalisé en utilisant des impulsions de batterie et de terre et une supervision plutôt que les configurations de boucle habituelles. Cependant, lorsque la résistance atteint un certain seuil, même ces mesures deviennent peu fiables et un répéteur spécial, appelé correcteur d'impulsions, doit être installé à l'arrivée.
Les répéteurs peuvent être montés sur rack relais ou sur commutateur. Les modèles les plus courants sont généralement montés sur commutateur et installés sur des étagères universelles de douze ou quatorze emplacements. Une petite étagère à quatre positions est également disponible pour le montage de répéteurs sur des baies de rack relais.Distributeurs de test – Ce sont des commutateurs disposés verticalement, et généralement horizontalement, sous le contrôle des chiffres composés par la source d'origine. Leurs rangées sont reliées aux connecteurs de test, permettant ainsi l'accès à tous les postes d'abonnés d'un bureau.
Deux types distincts sont disponibles. L'un permet aux standardistes d'appeler un poste spécifique et d'écouter pour déterminer s'il est occupé ; c'est la vérification du nom. L'autre est utilisé par le bureau de test pour tester les postes d'abonnés et est appelé distributeur de test.
Sélecteurs d'appels inverseurs - Les sélecteurs d'appels inverseurs permettent à un poste d'une ligne partagée d'appeler un autre poste sur la même ligne. Ils sont montés sur des commutateurs et disposés sur des étagères à dix positions, compatibles avec les châssis universels.
Un circuit d'interruption associé, également monté sur commutateur, se trouve sur la même étagère, et un ensemble de test est installé sur une baie de rack de relais.
Équipement de commutation de lignes sortantes rotatives.

Les lignes vers d'autres bureaux doivent être acheminées par des installations extérieures. En cas de grande distance, il est fortement recommandé de limiter au maximum le nombre de lignes entre les bureaux. Lorsque les groupes de lignes commutées inter-bureaux locaux atteignent une trentaine de lignes, un dispositif appelé commutateur de lignes sortantes rotatives (ROTS) permet de réduire le nombre de lignes sortantes nécessaires tout en assurant un service adéquat.
Un autre domaine d'application est la concentration des lignes d'enregistrement vers le standard afin de réduire les besoins en multiplicité de lignes.
Une brève présentation du commutateur lui-même s'impose. Il utilise un sélecteur de type 206, radicalement différent du mécanisme pas-à-pas classique.
Le commutateur comporte 22 jeux de bornes sur son banc et une série de balais qui les enclenchent. Les balais sont montés sur un arbre entraîné par un mécanisme à cliquet actionné par un aimant. Toute ligne principale aboutissant aux balais (figure ci dessus)aura donc accès à 21 bornes de sortie, ou lignes principales. La vingt-deuxième borne sert au contrôle du registre de trafic. Les lignes principales sortantes sont connectées aux bancs de ces commutateurs, et les lignes principales, des bancs de sélecteurs pas-à-pas, aux balais. Chaque ROTS, lorsqu'il n'est pas utilisé, présélectionne une ligne principale inactive parmi celles connectées sur son banc, de sorte qu'il en conserve toujours une lorsqu'il est connecté à un niveau de sélecteur.
Dispositifs d'interception – Ces dispositifs permettent d'intercepter les appels vers des terminaux de connexion hors service, des niveaux de sélecteur vacants et des lignes en panne. Ces appels peuvent être acheminés vers un équipement d'interception mécanique ou vers des opérateurs situés dans le même bâtiment ou à distance. Les appels interceptés sont concentrés sur un groupe commun de lignes sortantes.L'unité de concentration est un détecteur de lignes similaires à un détecteur de lignes. Les lignes provenant des bornes de connexion (borne par poste), des niveaux de sélection et des lignes enfichables sont raccordées aux blocs. Chaque détecteur de lignes est connecté à une ligne d'interception sortante. Les détecteurs de lignes, fonctionnant en mode pas à pas, sont équipés de ressorts de rappel classiques qui allument un voyant sur le tableau de distribution en cas d'appels interceptés provenant de lignes défectueuses. Les lignes défectueuses doivent donc être séparées par groupes de niveaux de blocs.
Numérotation interurbaine - La composition des appels interurbains, que ce soit par un abonné ou par un opérateur sortant, constitue ce que l'on appelle la composition interurbaine.
Les équipements de commutation, situés dans les centres de commutation, acheminent ce trafic en fonction des informations composées. Tous ces emplacements sont conçus pour desservir le trafic terminal entrant et sortant, et, dans certains cas, le trafic de transit.
Avec les centres de commutation à paliers, le trafic sortant est acheminé directement par l'opérateur vers les lignes interurbaines affichées sur le standard. Pour accéder aux lignes interurbaines, l'opérateur peut utiliser les lignes du standard ou composer via l'équipement de commutation.
L'équipement de terminaison entrant est conçu pour distribuer automatiquement le trafic interurbain entrant aux services de l'opérateur et à tous les centraux desservis par ce centre de commutation.
La commutation directe peut être définie comme la commutation du trafic, aux centres intermédiaires, des lignes inter-péage entrantes vers les lignes inter-péage sortantes.
La commutation peut être manuelle ou automatique. En cas de commutation directe pas à pas, les lignes inter-péage sortantes sont multipliées par niveaux de commutation, en plus de leur affichage sur le standard.
Les nouveaux systèmes inter-péage configurés pour la commutation directe utilisent généralement des équipements crossbar en raison de leurs nombreux avantages, tels que l'acheminement alternatif, la conversion de code, divers types d'impulsions et un appareillage de contrôle commun.
De plus, la plupart des nouveaux systèmes de terminaison des centres de péage seront équipés de la même manière pour les mêmes raisons.

De toute évidence, la commutation pas à pas a une application limitée à cet effet. Voici quelques situations qui pourraient justifier l'utilisation de la commutation pas à pas plutôt que de la commutation crossbar :
a. Petits centres de péage où l'équipement manuel local doit être remplacé par un équipement étape par étape.
b. La mise en place d'une numérotation inter-péage dans les centres de péage déjà équipés d'un équipement pas à pas.
Le système de péage inter-étapes présente les particularités suivantes dans le fonctionnement du circuit qui sont différentes des systèmes locaux de péage inter-étapes.
a. Sélecteur à impulsions simplex qui doit être converti en impulsions en boucle pour faire fonctionner les sélecteurs de péage réguliers dans les bureaux de numérotation locaux.
b. Tous les circuits interurbains entrants doivent être équipés d'une sonnerie de connecteur automatique, ce qui élimine le besoin de sonnerie directe depuis le bureau d'origine.
c. Une fonction de transmission (batterie parlante à l'appelé) doit être fournie pour les lignes de commutation aboutissant à un central téléphonique local.
d. Commencez à composer les signaux.

Exigences relatives à la numérotation directe à distance
– L'introduction de la numérotation directe à distance a rendu nécessaire l'adoption de certaines exigences minimales à l'échelle du système.
L'information transmise à l'appelant lorsque l'appel n'aboutit pas en raison d'une occupation, d'un code incorrect ou d'un numéro non attribué est primordiale.
Les systèmes pas à pas doivent respecter trois exigences pour permettre la numérotation directe entrante.
Premièrement, les codes libres et les numéros de poste non attribués doivent être connectés aux dispositifs d'interception, soit par annonce enregistrée, soit par l'opérateur.
Deuxièmement, une numérotation à deux lettres et cinq chiffres doit être en vigueur.
Troisièmement, des tonalités et des clignotements appropriés doivent être émis en cas d'occupation.
Les systèmes de numérotation interurbaine pas à pas, conçus exclusivement pour la numérotation par opérateur, ne transmettent que le signal d'occupation (120 IMP) en cas d'occupation sur tous les chemins d'accès des sélecteurs interurbains. Cette fonction est insatisfaisante pour les appels d'abonnés, car ils dépendent d'une tonalité pour indiquer une occupation.
Par conséquent, dans les centres de commutation interurbaine, les lignes interurbaines vers les points tributaires de la numérotation pas à pas doivent être configurées pour l'application de la tonalité.
À terme, la conception du circuit du sélecteur interurbain pas à pas pourrait être révisée pour intégrer à la fois la tonalité et le signal d'occupation (120 IPM).
Les trains sélecteurs de péage doivent être équipés d'un signal sonore et clignotant (120 IPM) pour tous les sillons occupés, tandis que les trains de péage locaux doivent être équipés de sélecteurs uniquement sonores à 120 IPM. Si les trains de péage sont de type local, des modifications peuvent être apportées pour satisfaire à cette exigence. Lorsqu'une station est occupée lors d'un appel interurbain, cela doit être indiqué par une tonalité et un flash (60 IPM) et un appel local nécessite uniquement une tonalité de la même interruption. Un autre signal à fournir est un clignotement et une tonalité de 30 IPM en cas de débordement des lignes interurbaines, généralement appelé état d'absence de circuit. Ce signal remplace le signal de 120 IPM sur les sélecteurs interurbains pas à pas uniquement.
Sélecteurs - Le seul commutateur pas à pas utilisé dans le système inter-péage est le sélecteur.
Là encore, le nombre de pas est directement lié au nombre de chiffres nécessaires à la liaison avec les différents centraux du centre de péage.
Ces sélecteurs réagissent aux impulsions de numérotation de la même manière que les sélecteurs locaux ordinaires, mais, contrairement aux sélecteurs locaux à impulsions en boucle, ceux-ci sont pulsés par un dispositif simplex. Certaines conditions de supervision sont traitées différemment des dispositions locales et nécessitent donc un fil de commutation supplémentaire. Tous les sélecteurs inter-péages sont donc à quatre fils.
Il existe essentiellement deux grandes sous-catégories de sélecteurs inter-péages.
Le premier groupe, appelé sélecteurs d'entrée et sélecteurs auxiliaires, comprend deux types de sélecteurs. Le premier est un sélecteur conventionnel offrant les fonctions habituelles, tandis que le second, plus complexe, offre de nombreuses options. Parmi celles-ci figurent l'absorption des chiffres (de manière répétée et/ou unique), les signaux d'arrêt et le contrôle de la sonnerie. Toutes ces fonctions sont associées aux niveaux de banc et sont donc contrôlées par des réglages post-came classiques.
L'autre grande catégorie comprend les sélecteurs dotés d'une fonction de transmission. Premièrement, il y a le sélecteur de transmission interurbain standard, qui reçoit les impulsions de numérotation en simplex et les convertit en impulsions de boucle pour les répéter vers les sélecteurs intermédiaires interurbains standard. L'autre type, outre sa fonction de transmission, peut également être utilisé comme sélecteur auxiliaire interurbain standard ou sélecteur entrant ; il est appelé sélecteur combiné interurbain et de transmission. Ces deux sélecteurs peuvent être configurés pour l'absorption de chiffres.
Lignes sortantes : pour tous les groupes de lignes affluentes à numérotation distante, une ligne sortante est nécessaire pour convertir les impulsions simplex en signalisation de boucle ou composite. De plus, si l'équipement périphérique est configuré pour une sonnerie contrôlée, la ligne sortante doit appliquer une condition de sonnerie immédiate lorsque le poste appelé est atteint et trouvé libre. Il existe donc une variété de ces circuits, tous montés sur rack, qui permettent de nombreuses configurations de circuits pour tout type de signalisation interurbaine.

Bureau de numérotation communautaire 355-A
S'agissant d'un système pas à pas, les trois composants de base de la commutation pas à pas, à savoir les détecteurs de ligne, les sélecteurs et les connecteurs, sont à nouveau utilisés dans ces bureaux.Des dispositions ont été prises pour gérer les différentes classes de service couramment requises dans les zones de numérotation communautaire et, outre les
fonctionnalités de trafic habituellement nécessaires, des options sont également disponibles pour de nombreuses fonctionnalités pour lesquelles la demande est limitée. Cependant, par souci d'économie, certains raffinements utilisés dans les grands bureaux à commutation pas à pas ont été supprimés du type 355-A.
Les principales simplifications sont les suivantes :
a. L’élimination des ensembles de terminaux de distribution.
b. L’utilisation de cadres d’interrupteurs universels qui montent tous les types d’unités de commutation.
c. Une conception d'unité de recherche de ligne entièrement différente éliminant certaines fonctionnalités de circuit coûteuses inhérentes à l'unité de recherche de ligne de grand bureau.
d. Système d'alarme conçu avec un minimum de fonctionnalités et élimination du cadre d'alarme de bureau.
e. Pas d'éclairage des allées et des cadres.
Les simplifications décrites ci-dessus entraînent certaines limitations d'utilisation, mais l'objectif général est d'appliquer ces bureaux aux petits emplacements non surveillés nécessitant moins de 1 000 lignes au final.
Dans certains cas, lorsqu'un plan de numérotation relativement simple peut être utilisé et que les données de croissance commerciale indiquent une croissance très faible sur une période prolongée, il peut être souhaitable d'envisager une unité 355-A pour des besoins au final légèrement supérieurs.
Lorsqu'on envisage d'utiliser un bureau 355-A dans un cas limite, on ne saurait trop insister sur l'importance d'une évaluation minutieuse, notamment à long terme.
En raison de la configuration des équipements, de sérieuses difficultés peuvent survenir à l'avenir en cas d'expansion rapide du central. Par exemple, l'absence d'ensembles terminaux de distribution complique les schémas de liaisons multiples graduées nécessaires dans les grands bureaux. De plus, des pénalités peuvent survenir en raison de la réduction de la taille des structures d'équipement, ce qui se traduit par une capacité d'équipement réduite par mètre carré.
Tous les châssis de commutateurs sont de type universel.
Ils permettent de monter tous les types d'étagères de commutateurs, et presque tous les types d'équipements peuvent être installés sur un châssis de commutateur.
Détecteurs de lignes - Les détecteurs de lignes remplissent la même fonction que les détecteurs pour grands bureaux, mais ne sont pas interchangeables.
Des unités de 100 ou 200 lignes d'abonnés sont disponibles. L'unité de 200 lignes est disponible avec deux capacités de détecteurs de lignes, 16 ou 20, tandis que l'unité de 100 points est disponible avec seulement dix détecteurs. Des détecteurs de lignes en plus petit nombre peuvent être installés sur chaque unité, en fonction du volume de trafic.
La principale différence entre cette unité et le modèle de bureau de grande taille réside dans la séparation des différentes classes de lignes d'abonnés.
Le 355-A permet de regrouper les lignes d'abonnés des classes suivantes :
a. Lignes à tarif forfaitaire.
b. Lignes à débit de messages.
c. Lignes de pièces de post-paiement.
d. Lignes de pièces prépayées.
e. Lignes de pièces pré-postpaiement (provisoire).
Il est possible de combiner deux ou trois de ces classes au sein d'un même groupe, si nécessaire, à l'exception des lignes à pièces prépayées, qui doivent être séparées en raison des différences de circuits et des différences de méthodes d'exploitation au bureau de l'opérateur et aux centrales de péage. Des cames de poste standard sont nécessaires pour tous les détecteurs de ligne de toute unité de détection de ligne contenant plusieurs classes de service. Ces cames permettent d'étendre les indications de classe aux premiers sélecteurs, qui les étendent ensuite au réseau principal pour la conversion de tonalités distinctes.
Alors que les grandes banques de bureaux sont glissées d'un niveau entre les détecteurs de ligne adjacents d'un groupe, l'unité 355-A divise les étagères supérieure et inférieure des détecteurs de ligne en groupes B et A respectivement.
Une inversion complète des banques est insérée entre les groupes A et B, ce qui limite normalement la recherche d'un détecteur de ligne aux cinq niveaux inférieurs. L'une des caractéristiques remarquables du détecteur de ligne 355-A est sa fonction de verrouillage. Sur les lignes équipées pour le verrouillage, en cas de signal permanent, la fonction de verrouillage empêche la mise hors service du détecteur de ligne et du premier sélecteur. Cette fonction est particulièrement utile pour les bureaux dont les équipes de maintenance sont situées à distance. Les différents détecteurs de ligne sont disponibles avec 20 ou 100 % des circuits de ligne verrouillés.Les lignes de pièces prépayées et les lignes à débit de messages sont traitées de la même manière que celles des grands bureaux pas à pas en utilisant des lignes de type rack relais ou des auxiliaires. Les lignes à pièces postpayées nécessitent un circuit relais spécial qui divise la connexion entre la ligne à pièces appelante et l'abonné appelé lorsque ce dernier répond. Lorsque la connexion est divisée, une tonalité est envoyée à l'abonné appelant, lui indiquant de déposer la pièce. Après le dépôt de la ou des pièces, le circuit relais établit la connexion entre les deux parties. Le service de pièces pré-paiement n'est pas considéré comme standard, mais il est disponible dans certains bureaux où cela est jugé judicieux. Le circuit lui-même est assez coûteux et ses caractéristiques de conception peuvent entraîner des irrégularités de service.
Sélecteurs - Certains sélecteurs locaux sont différents de leurs homologues des grands bureaux, tandis que d'autres sont identiques et donc interchangeables. Lorsqu'ils sont utilisés, les sélecteurs de péage sont identiques et peuvent être utilisés aussi bien pour les grands bureaux que pour les bureaux 355-A.
La disparité des sélecteurs locaux se situe principalement au niveau des premiers sélecteurs. Si les fonctions de discrimination sont étendues à partir des groupes de recherche de ligne, un premier sélecteur à quatre fils est nécessaire pour étendre cette fonctionnalité au circuit principal de niveau sélecteur. Un sélecteur local absorbant sans chiffres est disponible à cet effet, ce qui n'est pas le cas pour les bureaux n° 1 ou 350-A. Cependant, si le plan de numérotation exige une absorption à un ou deux chiffres, les types ordinaires s'appliquent. Actuellement, le sélecteur absorbant à deux chiffres n'est pas disponible dans les bureaux 355-A, car il ne dispose pas de fonctionnalités optionnelles pour la connexion au système d'alarme 355-A. Au lieu du train sélecteur de péage habituel, un train local à quatre fils peut être utilisé. Dans ce cas, un commutateur à quatre fils, comme celui du train à péage habituel, est connecté à la ligne de péage entrante. Cependant, les signaux de supervision sont transmis par le quatrième conducteur au circuit principal, qui les relaie à la source d'origine.
Ce système diffère du train à péage habituel et nécessite donc l'utilisation de lignes, sélecteurs et connecteurs spécifiques. Chaque élément est légèrement moins coûteux dans ce système, ce qui représente une économie globale. Cependant, avec le train local, le service de pièces de monnaie est limité au post-paiement, car les trains locaux ne sont pas équipés pour le contrôle des pièces de monnaie ni pour les fonctions de sonnerie contrôlée.
Le câblage des sélecteurs est très similaire à celui des grands bureaux. Il est obtenu par des connexions croisées entre les borniers des groupes et les borniers des lignes sortantes, montés à l'extrémité des étagères des sélecteurs.Connecteurs - Tous les types de classes répertoriés sous les bureaux n° 1 et 350-A sont disponibles pour les bureaux 355-A.
En ce qui concerne le montage et la disposition des étagères, il existe très peu de différence entre les méthodes de grand bureau ou de bureau 355-A.
Équipement de liaison - Étant donné que chaque phase de la conception du 355-A a été orientée vers la simplicité et un coût inférieur, les liaisons inter-bureaux ont été réduites au minimum et dépourvues de toutes les fonctionnalités spéciales dans la mesure du possible.
Les lignes bidirectionnelles à signalisation en boucle sont généralement montées sur des commutateurs à douze positions. Parmi celles-ci figurent les lignes à numérotation interlocale et les lignes de bureau opérateur.Les lignes ou répéteurs unidirectionnels peuvent être montés en rack, soit sur commutateur, soit sur relais. Tous les répéteurs associés aux bureaux n° 1 ou 350 A peuvent être utilisés dans ces bureaux.
Les liaisons de signalisation composites, unidirectionnelles ou bidirectionnelles, sont généralement de type rack relais.Distributeurs de test et de vérification et sélecteurs d'appels inversés - Ces éléments sont identiques dans tous les bureaux étape par étape.
Équipement de concentration d'interception - Ces bureaux sont généralement trop petits pour justifier le coût d'un équipement de concentration de grande taille. C'est pourquoi une petite unité rotative, utilisant 22 sélecteurs de points pour un maximum de 21 lignes d'interception entrantes, est disponible.
Elle permet également d'acheminer jusqu'à trois lignes sortantes vers le centre de service d'interception ou le standard.
L'interception en cas de panne n'est pas possible avec cette configuration simplifiée.
L'interception mécanique mentionnée précédemment a rendu ce dispositif de concentration obsolète.
Équipement d'alarme et de sonnerie - À l'origine, les relais d'alarme et l'équipement de sonnerie étaient montés sur une étagère compacte située sur un châssis de commutateur. Récemment, cet agencement a été repensé et divisé en deux composants distincts : une baie de relais d'alarme (MAB) et une baie de relais de sonnerie (806-F).Les circuits d'alarme sont considérablement plus simples que ceux du modèle plus grand, et les signaux sonores et visuels ont été supprimés. À la place, un terminal de vérification d'alarme est prévu, ainsi que des moyens permettant de transmettre l'alarme au central. Un opérateur ou un agent de maintenance du central peut composer, par le biais du système de numérotation pas à pas habituel, un connecteur dédié à la vérification d'alarme et relié à l'équipement d'alarme. La présence ou l'absence de tonalités sur ce terminal indiquera la présence et la nature du problème.Trois méthodes peuvent être utilisées pour transmettre les signaux d'alarme au central téléphonique. La première consiste à utiliser un transmetteur d'alarme, qui achemine les signaux d'alarme via les lignes du central téléphonique. Cette méthode ne nécessite pas de paires de câbles séparées et peut donc être avantageuse pour préserver les installations extérieures. Les deux autres méthodes transmettent les signaux d'alarme à deux voyants situés soit dans l'armoire du PBX, soit dans le standard téléphonique. Un voyant signale les problèmes mineurs, tandis que l'autre signale les problèmes majeurs.
La méthode de signalisation séparée, située sur l'armoire du PBX, est généralement privilégiée.
Tonalités de classe de service – Certaines classes de service, telles que les lignes à pièces postpayées ou prépayées, et les lignes à tarif réduit, nécessitent des indications distinctes lors des appels à l'opératrice et peuvent nécessiter un accès différent aux sélecteurs. Ces tonalités peuvent, bien entendu, être obtenues en séparant les détecteurs de ligne, les sélecteurs et les lignes réseau. Cette méthode est appliquée au bureau 355-A pour les lignes à pièces prépayées. Pour d'autres classes de service, cependant, des dispositions ont été prises pour gérer des combinaisons de classes via les mêmes commutateurs et lignes réseau afin de réaliser des économies d'équipement et de simplifier l'équilibrage du trafic. Les classes de service sont indiquées aux opérateurs par la présence ou l'absence d'une tonalité momentanée au branchement. L'opérateur peut provoquer la répétition de la tonalité en rebranchant. Lorsque deux classes sont concernées, par exemple avec pièces de monnaie et sans pièces de monnaie, la première sera indiquée par une tonalité grave. Lorsque trois classes sont concernées, par exemple avec pièces de monnaie, à débit de message et sans pièces de monnaie, la seconde sera indiquée par une tonalité grave interrompue rapidement
.

Cliquez ICI pour écouter le fichier audio (environ un mégaoctet, format MP3).
Au début de cet enregistrement, si vous écoutez attentivement, vous pouvez entendre un ronflement en arrière-plan. C'est l'aiguilleur qui effectue un test de détecteur de ligne pour moi. Chaque détecteur recherche 10 niveaux et banques séquentiellement. C'était très bruyant ! Ce broutage intermittent provient d'un émetteur multifréquence à relais à ressort/matrice crossbar. Bien sûr, vous pouvez facilement identifier les sélecteurs, les connecteurs et les détecteurs de ligne individuellement.

sommaire

Influence mondiale

En 1898, AE Keith se rendit en Europe dans le cadre de redevances étrangères, prenant des standards et donnant des démonstrations à Londres et ailleurs. Le plan d'expansion nationale n'a pas fonctionné de manière satisfaisante et en juin 1900, l'Automatic Telephone Exchange Company Ltd. a tout revendu à Strowger Automatic Telephone Exchange et a cessé ses activités.
Le système a été introduit en Europe pour la première fois en 1898 par l'utilisation d'un standard de 200 lignes à Londres

Le commutateur est devenu célèbre à l'échelle internationale et a été vendu ou reconditionné dans le monde entier.
- La Poste britannique, l'Australie et le Japon ont fait confiance aux commutateurs de type Strowger.
- Siemens & Halske en Allemagne ont signé des accords de licence en 1909 pour construire des commutateurs pour les pays européens (version modifiée).
- Western Electric (WE) a obtenu une licence pour la conception et a acheté certains commutateurs à AEC jusqu'en 1936. WE a amélioré la conception et a commencé à fabriquer sa propre version pour une utilisation dans la plupart des villes de petite et moyenne taille en Amérique du Nord. Les méthodes de panneau et de barre transversale de WE ont prévalu dans la plupart des zones métropolitaines.

En Grande-Bretagne, l'Automatic Telephone Manufacturing Company (ATM Co) fut fondée en 1911. Les droits de brevet furent obtenus auprès de l'Automatic Electric Company Inc. de Chicago (fondateur : Almon Strowger). Cela permit à ATM de fabriquer des commutateurs automatiques de type Strowger. ( avec un système Strowger de plus en plus modifié)
L'entreprise ATM devint l'Automatic Telephone and Electric Company (AT&E) en 1936. À cette époque, la Poste britannique, responsable du service téléphonique national, imposa que le commutateur Strowger de type 32A d'AT&E devienne un standard. Il fut rebaptisé type 2000 et comprenait une gamme de détecteurs de ligne, de sélecteurs et de connecteurs finaux pas à pas. Au cours des 25 années de développement des commutateurs de type Strowger, l'entreprise britannique ATM apporta de nombreuses améliorations. Le type 2000 s'écartait considérablement de la « version américaine » de 1911.

Aux États-Unis, la situation redevient difficile. AT&T, qui jusqu’ici avait ignoré la commutation automatique, n’en était plus en mesure. De nombreuses sociétés indépendantes achetaient auprès d'Automatic Electric, et les propres sociétés opérationnelles d'AT&T devenaient insatisfaites de l'absence de produit concurrent. AT&T a répondu par une campagne de rachat d'entreprises indépendantes, en arrachant l'équipement Strowger et en le remplaçant par leurs standards manuels. Chaque remplacement était annoncé comme un retour au service personnalisé et des appels plus faciles. Les équipements d'Automatic Electric étaient désormais si fiables qu'ils pouvaient offrir des garanties étendues allant jusqu'à huit ans sur les nouvelles installations, mais la pression exercée par les systèmes manuels moins chers d'AT&T augmentait. Automatic Electric était de nouveau en difficulté financière. Les ingénieurs d'AT&T remettaient en question la sécurité du fonctionnement du système 48 volts d'AE sur des lignes conçues pour le 24 volts des centraux CB. AE a dû souligner dans ses catalogues que pratiquement tous les systèmes automatiques du monde fonctionnaient sur des installations initialement conçues pour CB. Ils ont fait des compromis en fabriquant leurs téléphones dans des styles auxquels un cadran pourrait être facilement ajouté plus tard, lorsque la compagnie de téléphone serait prête à effectuer une mise à niveau.

Négliger la croissance de la commutation automatique a été une erreur inhabituelle de la part de l'américain Bell et de son successeur AT&T. John Carty, l'ingénieur en chef de Western Electric, semblait s'y opposer, en partie à cause de son incapacité initiale à gérer les lignes de parti. Il avait des recherches en cours, mais celles-ci manquaient de financement chronique. Nous avions une sorte de système automatique en cours de développement, le système Panel. Il descendait d'un système automatique échoué beaucoup plus tôt construit par la société Canadian Machine Telephone des Lorimer Brothers, et il lui restait encore un long chemin à parcourir pour être performant. Il y avait une attitude « pas inventé ici » chez Western Electric qui excluait effectivement les produits des autres fabricants. Les conflits de brevets avec le cadran d'Automatic Electric constituaient un autre problème. Durant cette période d'indécision, American Bell / AT&T et Western Electric, son unique fournisseur, se concentraient sur l'amélioration de la fiabilité de leurs équipements et sur la production de suffisamment de tableaux manuels pour répondre au marché en croissance rapide. Les standardistes étaient bon marché, nombreux et dévoués à leur travail, il y avait donc peu de pression pour investir dans un système entièrement nouveau.

En avril 1919, l’impensable se produit. Les opérateurs manuels d'AT&T à Boston se sont mis en grève pour obtenir un salaire décent. La ville entière a été paralysée pendant une semaine par la perte des opérateurs dont Bell faisait la promotion auprès de son public. L’attitude d’AT&T a changé presque du jour au lendemain. Ils ont dû céder aux demandes d'augmentation des salaires des opérateurs, et les actionnaires ont pris douloureusement conscience du coût caché du changement manuel. Avec des coûts d'exploitation considérablement augmentés, la commutation automatique (appelée « commutation de machine ») est soudainement apparue beaucoup plus attrayante.

Au même moment, un homme d'affaires avisé, Theodore Gary, propriétaire de plusieurs sociétés indépendantes d'exploitation de téléphones, détenait une option de rachat d'Automatic Electric, en difficulté financière. Il a rendu visite à Theodore Vail, directeur d'AT&T, et lui a proposé un accord à long terme pour qu'AT&T produise des équipements automatiques sous licence d'Automatic Electric (qu'il ne possédait pas encore). Avec un financement assuré par AT&T sur un contrat de cinq ans et un dépôt de dix pour cent en poche, il a alors pris l'option d'achat d'AE. C’est ainsi qu’Automatic Electric est devenu membre du groupe de sociétés Gary, plus tard connu sous le nom d’Associated Telephone and Telegraph. Gary a également commencé à acquérir des parts dans les sociétés titulaires de licences étrangères, élargissant progressivement l'influence d'AE dans ses domaines de marché. Cela leur permettait souvent de nommer leurs propres hommes aux conseils d'administration, et il s'agissait généralement d'hommes dotés de grandes capacités et d'une grande influence locale. A titre d'exemple, en 1928, le conseil d'administration de l'ATEA en Belgique était composé de Sir Alexander Roger (homme d'affaires britannique et magicien de la finance, directeur de British Insulated et membre du conseil d'administration de la Midlands Bank), Charles Holder : un banquier, Geo Roberts : comptable, Edward Mellinger : un ingénieur AE des États-Unis et un certain nombre d'hommes d'affaires locaux influents .
Le nombre d’hommes d’affaires locaux siégeant aux conseils d’administration est important. Outre leur influence, cela donnait aux entreprises une ambiance locale plutôt qu’américaine. Il est également significatif que de nombreux membres des conseils d’administration soient des ingénieurs.
Cela présentait deux avantages pour AE. Ils avaient une certaine influence sur leurs marchés européens et étaient capables de suivre de près les évolutions technologiques.
Dans le cas de la Grande-Bretagne et de la Belgique, les entreprises locales effectuaient un travail de développement utile qui remontait jusqu'à la société mère. L’un d’eux était le RAX, le Rural Automatic Exchange. Il s'agissait d'un petit échange autonome dans un bâtiment transportable qui pouvait être utilisé pour automatiser rapidement les zones rurales. Comptant généralement entre 50 et 200 lignes, il a été développé par les bureaux de poste britanniques et australiens en collaboration avec le titulaire de licence britannique ATM d'AE. Il a trouvé des marchés prêts dans le monde entier.

Les contrats de cinq ans avec AT&T ont été renouvelés à plusieurs reprises et les commutateurs Automatic Electric, développés par Western Electric, sont devenus leur appareillage standard. AE a même fourni des appareils de commutation à AT&T jusqu'en 1936 et a installé le premier central automatique d'AT&T à Norfolk en 1919. Western Electric a continué à développer son système de panneaux, mais ce n'était que pour être économique dans les grandes villes.

En 1920, AE a introduit son système Director Plutôt que de transmettre les impulsions de numérotation directement au commutateur, ce système stockait les impulsions et les transmettait à une vitesse qui permettait au Director de se frayer un chemin hors de son central vers d'autres centraux du réseau, en attendant. si nécessaire jusqu'à ce que la connexion soit établie avec l'autre central. Au cours des années 1920, AE a construit ou autorisé environ 80 % des systèmes téléphoniques automatiques dans le monde.

Joseph Harris avait été nommé président du conseil d'administration en 1919 suite au rachat par le groupe Gary. Il prit sa retraite en 1923 et l'homme qui avait soigné Automatic Electric pendant ses premières années les plus difficiles mourut le 1er avril 1936.

Automatic Electric était désormais dans une position financière sûre et le passage aux téléphones en bakélite dans les années 1930 ne posait aucun problème. Le style de leurs téléphones était largement considéré comme n'étant pas aussi attrayant que celui des téléphones Western Electric, mais les sociétés indépendantes fournies par AE étaient satisfaites.

sommaire

Documentations en Anglais :
- Un support de cours
- Une étude historique très détaillée a été faite : The Early History of the Automatic Telephone, par Arthur Bessey Smith
- Un article qui donne un aperçu détaillé des systèmes.
- Trois articles abordent en détail : Le commutateur de connexions ; Le Chercheur de lignes : La séléction

En France, le réseau de Nice a été équipé suivant le système de l’Automatic Electric CY.
La Compagnie française Thomson-Houston, concessionnaire pour la France des brevets de ce système, y a apporté, dans les installations ultérieures, diverses modifications. Tout d’abord le système de Nice; puis des modifications ont été apportées à ce système dans l'équipement des grands bureaux français en cours d’installation (Bordeaux, Le Havre, Montpellier, Lyon).


Développement dans le monde et en Europe

Au Canada, les premiers centres Strowger ont été introduits en 1883 à Londres, Seaforth, Mitchell et Arnprior en Ontario, et à Terrebonne au Québec. Malheureusement, l'histoire raconte qu'aucun d'entre eux n'est resté en activité plus de plusieurs semaines.
Le premier central Strowger à fonctionner réellement au Canada fut celui de Whitehorse, au Yukon, donc aussi le plus au nord, mis en service en 1901.

L'entreprise américaine Strowger Automatic Telephone Company s'est développée en organisant des démonstrations du système à travers les États-Unis et en Europe, en utilisant sa filiale Automatic Telephone Exchange Company, rebaptisée plus tard.
Au début de 1897, le colonel TW Tyrer et d'autres ont formé l'Automatic Telephone Exchange Company, Ltd., de Washington, DC pour commercialiser le système Strowger par sous-licence. Les sociétés d'exploitation devaient louer des commutateurs à 3 $ par année. Une société de la Nouvelle-Angleterre a été créée, tout comme la Pacific Automatic Exchange Company.

En 1901, l'Automatic Electric Company a été créée pour poursuivre l'exploitation du système Strowger, tandis que le Strowger Automatic Telephone Exchange ne restait que pour détenir les brevets, attribuant les droits à la nouvelle société.
De nombreux systèmes automatiques importants ont été installés dans les années suivantes, parmi lesquels Lincoln, Dayton, Columbus, Grand Rapids, Tampa, Jacksonville, St.Paul, Sioux City, Buffalo, Spokane, Portland, Omaha, Edmonton, Regina et Saskatoon au Canada. La Havane, Cuba et pratiquement toute l'Australie.

En 1909, Joseph Harris est allé en Europe et en Allemagne a établi des relations contractuelles avec Siemens & Halske qui ont abouti à l'installation d'équipements automatiques dans de nombreux pays européens.

Des accords similaires ont été conclus avec Thomson-Houston en France, en 1911, et avec Helsby Cable Company en Angleterre et avec Nicholson & Bainton en Australie.

La position de l'Automatic Electric Company dans l'industrie du téléphone est illustrée par le fait qu'elle a accordé de temps à autre des licences sur ses brevets à la Western Electric Company des États-Unis ; Compagnie d'électricité du Nord, Canada ; Automatic Telephone Manufacturing Company Limited , Angleterre ; Siemens Brothers , Angleterre ; Siemens & Halske , Berlin ; Thomson-Houston, Paris et autres entreprises et sociétés.

Avec le temps, un grand nombre de modifications et d'améliorations, diverses ont été apportées à ce système.
D'autres systèmes basés.sur des principes différents ont vu le jour.

Les anciens brevets étrangers ont été repris, et considérablement modifiés, par l'Automatic Electric C° aux États-Unis, par la Maison Siemens et Halske en Allemagne et par divers autres constructeurs, notamment en Autriche.
Plus bas dans cette page est détaillée les études, essais et installations des différentes versions, amélioration ... du système Strowger en Allemagne.

Des améliorations comparables ont été réalisées parallèlement de façon à créer un type à peu près uniforme comme principe et comme procédé général de réalisation mécanique.

Theodore Gary & Company était une société d'investissement qui était à la tête d'un groupe de sociétés d'exploitation et de fabrication de téléphones de caractère mondial. Telephone Bond & Share Company, qui contrôle des filiales de téléphonie en exploitation dans quinze États, est directement contrôlée par Theodore Gary & Company par le biais de la propriété de 100 % des actions avec droit de vote ; Associated Telephone & Telegraph Company, qui contrôle la fabrication et l'exploitation des compagnies de téléphone dans le monde entier, est contrôlée par la propriété de plus de 70 % des actions avec droit de vote. La société possède d'autres intérêts importants qui ne sont pas énumérés ici.

D'une manière générale, les activités de ce que l'on appelle communément le groupe Gary englobent pratiquement tous les pays du monde, que ce soit par le biais des activités de fabrication ou d'exploitation. Il y a environ 200 sociétés du groupe engagées dans des affaires à travers le monde. La société a été constituée le 14 octobre 1907 sous le nom de Theodore Gary Investment Company et en 1919, lors d'une réorganisation d'entreprise, elle a pris le nom de Theodore Gary & Company.

Elle détient ou a détenu des investissements dans des opérations syndicales, des entreprises et des entreprises de divers types, y compris des sociétés de téléphonie et de fabrication, des banques, des mines et d'autres entreprises d'investissement et a effectué dans le monde entier diverses opérations syndicales et des opérations financières, en particulier dans les domaines du téléphone et de l'électricité. entreprise, le financement étant généralement de nature privée et non accompagné d'une distribution publique. De manière générale, elle a agi en tant que spécialiste du domaine téléphonique dans le financement d'opérations commerciales bénéfiques à l'industrie.

Parmi les entreprises bien connues du groupe figurent British Columbia Telephone Company et Eugene F. Phillips Electrical Works au Canada, l'International Automatic Telephone Company, Ltd. et Telephone & General Trust, Ltd., Londres; Compagnie électrique automatique, Ltd.

De Liverpool, Automatique Electrique de Belgique SA Anvers, Belgique ; Téléphones Automatiques, Chine ; Téléphones automatiques, Sydney ; les propriétés d'exploitation de téléphones et de systèmes sans fil en Colombie, au Venezuela, à Saint-Domingue, aux Philippines, au Portugal, etc., Automatic Electric Company, Chicago et des propriétés d'exploitation dans quinze États des États-Unis.

sommaire

Années 1910 Etat des lieux :


C'est ce dernier type qui est vers 1910 de beaucoup le plus répandu aux États-Unis; il a servi à l'équipement, de plus de 150 réseaux, dont les plus importants sont ceux de Los Angeles (Californie), 33.000 abonnés, Columbus (Ohio), 13.000 abonnés, Portland (Oregon), 11.500 abonnés, etc. Certains de ces réseaux, comme celui de Dayton (Ohio) (7.000 abonnés), sont en service depuis plus de 9 ans. Le plus récemment équipé, le réseau indépendant (1) de San Francisco (14.000 abonnés), qui ne date que de septembre 1909, comporte surtout dans le schéma électrique, et dans la constitution du poste
Aux États-Unis, environ 200 000 abonnés de sociétés indépendantes étaient connectés à quelque 130 centraux téléphoniques fournis par l'Automatic Electric C°.
L’américaine Bell Telephone Company, déjà puissante, n’était pas intéressée par ce produit non Bell ou par la commutation automatique et continuait à servir ses clients par des centres manuels et semi-automatiques qui représentait la majorité des abonnés au téléphone.
Jusque dans les années 1960, le Strowger a été le système le plus répandu dans le monde.
Des systèmes semblables sont en cours d'installation à Honolulu (Iles Hawaï) et à La Havane (Cuba).
En Allemagne sont actuellement en service le réseau de Hildesheim (Hanovre) (1.000 ab.) et une partie du réseau de Munich, Munich-Schwabing(3.000 ab.) ; un deuxième bureau est en construction.
En Autriche, le nouveau bureau de Gratz est entièrement équipé à l'automatique, et les 1.200 abonnés sont en voie de transfert.
En Suède, quelques petits réseaux sont munis d'un système automatique différent du type Strowger, mais dont le principe est analogue.
Enfin, un système, tout à fait dissemblable cette fois comme principe et comme réalisation, le système Lorimer, a été installé au Canada dans deux réseaux de 500 et de 700 abonnés, à Péterborough et à Brantford, et en France, à Lyon, dans une station d'essai de 250 abonnés.

En 1916 Cela changeat, quand AT & T avait repris tant d'opérateurs téléphoniques indépendants qui exploitaient des centraux Strowger qu'AT & T devait reconsidérer sa résistance à la commutation téléphonique automatique.
Par la suite, AT & T a conclu un accord de brevet avec Autelco pour la fabrication des centres Strowger par Western Electric.
De plus, en 1919, un autre accord a été conclu entre AT & T et Autelco concernant la fourniture directe des centraux Strowger par Autelco aux compagnies de téléphone d'AT & T. Le premier centre fourni par Autelco dans le cadre de cet accord a ouvert son service à Norfolk en 1919.
Pendant de nombreuses années, la majorité des centres étape par étape pour AT & T ont été réalisés par Autelco.
Au début des années 1920, Autelco a conçu un système pour répondre aux exigences du routage intercirconscription des appels. Fondamentalement, le système consiste en un registre – traducteur qui reçoit et stocke les impulsions de numérotation de l'abonné et les traduit en une nouvelle série d'impulsions qui contrôlent les sélecteurs du commutateur local ainsi que les sélecteurs correspondants dans le ou les commutateurs correspondants. en cas d'appel du tronc. Avec ce système, Autelco pourrait offrir une flexibilité similaire pour le routage intercirconscription inhérente au panneau de contrôle indirect et aux systèmes rotatifs développés entre-temps.
Le premier centre avec le système directeur Strowger a été mis en service à La Havane (Cuba) en 1924.

Avec la réticence initiale d'AT & T à installer des commutateurs automatiques, Autelco a détourné son attention vers l'Europe, où elle a connu du succès en Allemagne, en Grande-Bretagne. en France ...
En 1955, Autelco Automatic Electric Company a fusionné avec la General Telephone and Electronics Corporation (GTE).


sommaire

EN FRANCE Octobre 1900 c'est le premier essai du système automatique Strowger, mené dans les seuls locaux du Ministère du Commerce.
Avec 20 ans de retard sur les Etats-Unis, l’automatisation des centraux français est engagée, elle s'achèvera en 1979.

Le 8 juillet 1912 à Nice, la commande de l'autocommutateur Strowger est passée et le tout premier commutateur de type rotatif STROWGER est mis en service le 19 octobre 1913 à Nice, Il sera remplacé par Nice-Thiers (commutateur R6) le 21 avril 1932.


Sélecteur Strowger modèle dit "Keith & Erickson" breveté le 5 décembre 1899, utilisé dans les commutateurs STROWGER déployés en France.

Les commutateurs STROWGER sont fabriqués sous licence Strowger Automatic Telephone Exchange Company par la Compagnie Française pour l'exploitation des procédés Thomson Houston.


Présélection : Concernant l'étage de pré-sélection, les premiers STROWGER français de Nice, Orléans, Vichy ; ainsi que Rennes ne sont pourvus que de Chercheurs Primaires à 25 positions, dont chaque position de sortie aboutit de facto sur l'entrée d'un Sélecteur du premier étage de sélection
Les 8 autres commutateurs STROWGER seront pourvus d'un double étage de présélection : un premier niveau de Chercheurs Primaires, qui suivi par un niveau de Chercheurs Secondaires. Ainsi le nombre de Chercheurs Primaires pouvait être décorrélé du nombre de Sélecteurs d'acheminements.
Sélection : un commutateur STROWGER est équipé de Sélecteurs rotatifs semi cylindriques à deux mouvements - un rotatif et un ascensionnel - à 100 points de sortie (10 liaisons téléphoniques de sortie sélectionnées par niveau horizontal, sur 10 niveaux empilés en hauteur).

En France, les commutateurs de type Strowger ne sont retenus uniquement que pour l'automatisation de la province.
12 commutateurs de ce type seront mis en service
Le premier exemplaire de commutateur automatique de France est commandé le 8 juillet 1912 pour 655.036 francs germinaux (avenants inclus) par l'Administration à la Compagnie Thomson-Houston.
Il est mis en service pour expérimentation, le 19 octobre 1913 à 7h00 du matin à Nice-Biscarra, capacité initiale de 3.200 abonnés, maximale atteinte ultérieurement de 6.500 abonnés. (Il sera délesté le 21 avril 1932 puis remplacé le 24 mai 1932 par Nice-Thiers).

Il faudra ensuite attendre le 3 juillet 1921 pour que le second STROWGER soit mis en service en France, à Orléans, en raison de la première guerre mondiale survenue entre temps.

Le premier STROWGER à étage de présélection double est mis en service au Havre le 1er avril 1926.

A Lyon deux Commutateurs sont installés à Lyon-Franklin (6.000 Lignes) et à Lyon-Burdeau (7.000 lignes) puis mis en service le 11 mai 1928. (Ils seront remplacés respectivement le 26 janvier 1952 et le 13 septembre 1969).
Le STROWGER le plus récent de France est mis en service le 24 mai 1931.

Au cours de la seconde guerre mondiale, le commutateur du Havre est incendié volontairement le 9 juin 1940 ; 2 commutateurs sont détruits sous les bombardements alliés en 1944 à Montpellier et Rouen.

Les Commutateurs Strowger à contrôle direct sont initialement prévus en commutation urbaine (locale) pour une numérotation maximale à 5 chiffres .
Ils ne peuvent pas passer à 6 chiffres tels quels, et la période des années 1950-55 sonne théoriquement leur glas, pourtant 2 cas de figure se présentent :
1er cas : arrêt pur et simple et remplacement du Commutateur par un plus moderne avant le passage à la Numérotation locale à 6 chiffres.
Ainsi le Commutateur Lyon-Franklin, mis en service le 11 mai 1928 est arrêté le 26 janvier 1952, le jour même du passage de l'agglomération lyonnaise à la numérotation à 6 caractères.
2ème cas : adjonction de groupes d'Enregistreurs/Traducteurs sur le Commutateur pour assurer sa survie, en tant que Commutateur à Contrôle Indirect. Ainsi, le Commutateur Lyon-Burdeau, mis en service le 11 mai 1928 est adapté à la numérotation à 6 caractères (au lieu de 5) moyennant l'adjonction d'organes Enregistreurs. Du coup il devient un Commutateur à commande à Contrôle Indirect. Le basculement à 6 caractères s'est opéré le 26 janvier 1952. Lyon-Burdeau survit jusqu'au 13 septembre 1969.

Fin des Commutateurs Strowger de types pas à pas en France.
Tels qu'ils ont été initialement étudiés, les commutateurs Strowger ne permettent qu'une Numérotation locale à 5 puis 6 Chiffres. Ils ne peuvent pas, en l'état, franchir l'étape de la Numérotation à 8 Chiffres programmée pour le 25 octobre 1985.
Ainsi pour ces Commutateurs, deux solutions s'offrent :
1er cas : arrêt des Commutateurs de types pas à pas avant le passage à la Nouvelle Numérotation à 8 Chiffres en 1985.
2ème cas : remplacement des unités d'Enregistreurs d'origine à 6 chiffres, par des unités d'Enregistreurs électroniques.
La solution d'arrêt de la totalité des Commutateurs de types pas à pas a été décidée en raison d'une part du coût d'adaptation (qui eût été toutefois possible) mais aussi du fait que les chaînes de commutation interurbaines de ces Commutateurs de province se sont avérées largement sous-dimensionnées au fur et à mesure de l'accroissement du trafic interurbain dans les années 1960-1970, dû à un changement des usages.
Ainsi, les chaînes interurbaines des Commutateurs de types pas à pas fonctionnaient-elles en surcharge permanente, ce qui a motivé l'arrêt total de ces machines avant 1985

Le dernier Commutateur STROWGER est mis à l'arrêt en Décembre 1979 à Bordeaux-Palais-Gallien,
il assura le service durant plus de 51 ans.

sommaire


sommaire

Au Royaume Unis

1897 Le système téléphonique automatique, nous dit Baldwin, a été introduit pour la première fois au Royaume-Uni en 1897, lorsque des représentants de la Strowger Automatic Exchange Company de Chicago ont installé à Londres un centre automatique (pour exposition et expérimentation) d'une capacité de 200 lignes.
Celui-ci a été installé à Winchester House, 66 Old Broad Street dans la City de Londres, où le système a été exposé pour la première fois de ce côté de l'Atlantique. L'exposition a suscité un intérêt considérable, mais en raison de sa capacité limitée par la taille du centre, elle a été considérée comme peu pratique pour les grandes installations.

1898 Une société appelée Direct Telephone Exchange Corporation Ltd., basée au 84 Winchester House, a été créée pour exploiter et vulgariser le système Strowger. Il a publié une brochure informative et organisé une démonstration du système à la Royal Institution en juin 1898.
Des centres pour 100 et 400 lignes, également pour 1 000 et 10 000 abonnés ont été décrits.
Cette société a également fait des présentations aux délégations prussiennes et bavaroises, venues à Londres en 1898 à cet effet. Des représentants de l'Automatic Telephone Exchange Company de Chicago étaient également présents à ces occasions.

C'est à cette époque que fut réalisée la première vente de ce que les Américains appelaient alors largement "le téléphone sans filles". Cet épisode ne semble pas mentionné dans la littérature contemporaine. Des recherches dans les archives de Glasgow City Chambers indiquent cependant que le conseil municipal a approuvé lors d'une réunion tenue le 13 décembre 1898 un projet de protocole d'accord entre la société et la Telephone Construction Co. du 85 Winchester House, Londres. L'entreprise devait installer un « central téléphonique automatique pour vingt-cinq appareils » et l'entretenir pendant trois mois, le tout à ses frais. Toutefois, si la corporation souhaitait faire placer des instruments dans les bureaux municipaux en dehors des chambres de la ville, cela serait à ses frais.

Le 13 janvier 1899, le greffier municipal signale au Comité spécial du service téléphonique que la compagnie est prête à procéder à l'installation. Plus tard, le 13 octobre, une lettre de la société a été soumise, indiquant que les trois mois étaient expirés et demandant si la société proposait d'acheter. Le comité a accepté d'attendre que les bureaux à l'extérieur de la City Chambers aient été connectés avant de prendre une décision.
Le 27 mars 1900, ils recommandèrent l'achat de l'installation, ce qui fut fait. L'archiviste principal des Archives régionales de Strathclyde note qu'en juillet 1900, il y a des références à des négociations avec la Strowger Automatic Telephone Exchange Co., Chicago, apparemment en rapport avec un système différent. Cela peut toutefois servir à acquérir d'autres composants.
Il est intéressant de noter qu'un organisme municipal a été le premier à adopter ce nouveau système de téléphonie automatique - peut-être était-ce un cas de fierté civique. Il contraste remarquablement avec le système de fil d'appel plutôt désuet adopté pour le service téléphonique municipal (manuel) de la Société; il serait intéressant de rechercher le raisonnement de fond derrière les deux décisions radicalement différentes.

En 1899, une autre installatrion Strowger a été reçue de Chicago, qui incarnait le principe de la jonction et du groupement utilisé dans toutes les installations ultérieures. Cela a ouvert la voie à des systèmes de capacité quasi illimitée et a été introduit simultanément en France et en Allemagne.
Une autre installation privée a été réalisée au cours de cette période, quelque temps avant 1906, lorsqu'elle a été mentionnée dans l'édition de cette année-là du Poole's Practical Telephone Handbook . C'était à l'hôpital St Bartholomew de Londres, mais une recherche approfondie de leurs dossiers n'a révélé aucun détail sur le centre.
Une autre publication de 1906, The Electrician, enregistrait (le 13 juillet) "Il est indiqué dans le Western Electrician que M. Andrew Carnegie a acheté à l'Automatic Electric Co. de Chicago un équipement automatique privé complet de 20 lignes pour son domaine à Skibo Castle en Ecosse. Les 13 premières lignes doivent être mises en service d'ici le mois d'août". Le système a remplacé un ancien système manuel à magnéto et est décrit plus en détail dans le numéro de juillet 1906 de Telephony .

En 1908 L'événement à noter est l'exposition à la White City, à Londres,, où un central de démonstration intégrant toutes les dernières améliorations a été présenté. À cette époque, le circuit de la ligne téléphonique avait été affiné à seulement deux fils (comme un téléphone manuel normal) et le grand cadran avec des trous pour les doigts en forme de fente ovale a été remplacé par le petit cadran rond avec lequel nous sommes encore familiers. Une sonnerie automatique, était intégrée dans l'appareil de l'abonné appelant lorque la connexion avec l'abonné demandé était occupes. C'est également lors de cette exposition que la société britannique Insulated & Helsby Cables a vu pour la première fois le potentiel des téléphones automatiques et s'est intéressée à leur fabrication.).
En effet, l'appréciation croissante que la commutation était la chose du futur, a conduit les britanniques Insulated et Helsby Cables Ltd. à créer une société distincte pour fabriquer des équipements du modèle Strowger. Ce qui était arrivé, entre-temps, aux entreprises basées à Winchester House n'est pas clair, mais leur manque de ventes à grande échelle peut avoir une incidence sur leur disparition. Comme le souligne Robertson dans The Story of the Telephone , Dane (baptisé Daniel) Sinclair était le personnage clé. De toute évidence, il avait conservé son intérêt pour la commutation automatique après ses premiers travaux en 1883.

Sinclair avait été ingénieur en chef de la National Telephone Company (qui sera bientôt reprise par la Poste en 1912) et quitta cette entreprise pour devenir directeur général de la BI&H Cable Company ( BICC). Il s'est toujours intéressé à l'idée des systèmes téléphoniques automatiques et - comme mentionné précédedement - en a été l'un des premiers brevetés. Il a exhorté ses employeurs à acquérir les droits de brevet britanniques et coloniaux du système Strowger. Cela a été fait en novembre 1911 - quelques semaines avant l'expiration de la licence d'exploitation du NTC - par la nouvelle Automatic Telephone Manufacturing Company, qui était indépendante (mais avait un accord réciproque avec) la société de câblodistribution. [La Poste, toujours conservatrice, a dû faire semblant de ne pas noter la distinction entre les compagnies,
La première action, réalisée en novembre alors que les brevets étaient encore entre les mains du câblodistributeur, a été d'organiser une démonstration à la presse de l'équipement automatique.
Des articles illustrés sont apparus dans The Sphere et le I llustrated London News , ainsi que des sentiments tels que "Chacun son propre centre" et un système "qui se passera entièrement des filles du téléphone". Les photographies indiquent les téléphones de table et muraux utilisés à l'époque, qui utilisaient l'ancien cadran à onze trous «sunburst». Dans ce schéma, légèrement plus petit que ceux qui ont suivi, la molette était déconnectée du mécanisme de numérotation une fois que le doigt de l'utilisateur avait atteint la butée du doigt et était revenu à la normale à grande vitesse. Le onzième trou était purement décoratif et ne servait qu'à la symétrie. Le centre du cadran avait un motif sunburst pressé et aucune disposition pour un numéro et une étiquette d'instruction, une caractéristique qui a cependant été introduite sur les instruments utilisés à Epsom.

Dane Sinclair était directeur général de la nouvelle société, qui a repris Edge Lane, les travaux de Liverpool et le personnel concerné de la société BI & H Cable. La nouvelle entreprise a commencé sa vie effective le 1er janvier 1912 et s'est lancée dans la conception et la fabrication d'outils de presse et de gabarits pour la production en série d'équipements téléphoniques automatiques.
L'Automatic Telephone Manufacturing Company (ATM, plus tard connue sous le nom d'Automatic Telephone and Electric ou AT&E) a ainsi été la première entreprise à entreprendre la fabrication d'équipements téléphoniques automatiques dans le pays. (Au départ, l'opération se limitait à l'assemblage de composants produits à Chicago. Le premier appareil automatique Strowger public produit à Edge Lane était pour Newport, ouvert en 1915.)

1912 Malgré, l'expérience des premières petites installations privées, 1912 s'impose donc comme l'année charnière dans le développement de la téléphonie automatique en Grande-Bretagne. C'était l'année où la société ATM a ouvert ses portes et où le bureau de poste agrandi (incorporant le NTC) a commandé et ouvert deux centres automatiques. Le temps était maintenant venu pour l'exploitation commerciale des téléphones à cadran à une échelle appropriée.
La Poste (GPO) avait déterminé qu'il était temps de donner à la commutation téléphonique automatique une enquête complète et un procès équitable dans des conditions pratiques. En fait, la décision a été prise de commander trois centraux, deux à usage public et l'autre à usage interne. Étant donné qu'ATM était la seule entreprise à proposer activement des équipements automobiles en Grande-Bretagne, il était naturel que la poste se tourne vers ATM pour la fourniture d'appareils, mais la technique Strowger n'était pas le seul système de commutation automatique en vogue à l'époque.
Trois autres systèmes de commutation automatique, le Rotary (américain), le Betulander (suédois) et le Lorimer (canadien) étaient exploités ailleurs et la Poste décida d'en faire l'essai.

Les deux centraux ATM devaient être installés à Epsom dans le Surrey, juste au sud de Londres, et au siège de la poste à Londres, tandis que le Lorimer desservirait la vallée de Caterham. L'observation des performances de ces deux techniques apporterait des réponses à des questions fondamentales et permettrait d'établir une politique à long terme. Les questions, pour paraphraser Robertson, étaient :
(1) Les appareils automatiques fonctionneraient-ils correctement dans les conditions britanniques ?
(2) Cela offrirait-il au public un réel avantage en service ?
(3) Le public accepterait-il de composer ses propres appels ?
(4) Les coûts supplémentaires (le cas échéant) ont-ils été compensés par les avantages (le cas échéant) du travail automatique ?
(5) Quel était le meilleur des deux systèmes rivaux ?

Selon des sources tout aussi autorisées, le centre d'Epsom a ouvert le 13 mars, le 18 mai ou le 26 mai 1912 (les dates concernent probablement la passation des commandes par l'entrepreneur, l'ouverture effective et officielle). Cela a été suivi le 13 juillet par l'ouverture du "Commutateur officiel" au siège de la Poste, St Martin's le Grand. L'ouverture du centre de Caterham Valley a été retardée en raison de la difficulté rencontrée par les entrepreneurs pour livrer les installations nécessaires.
Les deux centres Strowger ont suivi la pratique américaine standard à bien des égards, y compris les téléphones incorporant un aimant alimenté en courant continu dans le récepteur (pour gagner du poids) et aucune bobine d'induction. Ces dispositions n'ont pas été conservées dans les systèmes ultérieurs, pas plus que la disposition du changeur de pôles pour produire le courant de sonnerie et le dispositif de sonnerie et de pendule pour la tonalité occupée. On s'est rendu compte que d'autres dispositions pouvaient être modifiées à l'avantage, et les ingénieurs de la société PO et ATM ont lancé le long train de développement qui a progressivement éloigné la pratique automatique britannique de celle des États-Unis.
Les deux centraux de 1912 utilisaient le système à deux fils Strowger et, comme on pouvait s'y attendre, offraient un service très adéquat dans l'ensemble. Epsom prévoyait initialement 500 abonnés, avec une capacité ultime de 1500. Le commutateur officiel avait également une capacité à long terme de 1500 et a d'abord été équipé pour 900 utilisateurs. En utilisant des commutateurs de ligne Keith de type plongeur et un groupe de modèles `` verticaux '' et des sélecteurs finaux, les deux échanges ont été aménagés selon des lignes similaires, et en fait, lorsque Epsom a finalement été fermé, certains équipements récupérés à partir de là sont allés augmenter le commutateur officiel.

En tant que premier centre automatique public, Epsom a attiré une attention considérable de la presse et certaines descriptions détaillées des dispositions techniques de ces deux centres sont données dans la littérature et ne sont donc pas répétées ici. Une nouveauté était la carte d'instructions de numérotation et celle donnée aux clients d'Epsom avait une carte montrant tous les centres du district métropolitain, divisés en trois zones. Les abonnés nécessitant une connexion à des numéros dans la zone centrale ou nord ont été invités à appeler le 15 pour une ligne vers le central de la ville (Central). Ils donneraient le numéro requis à l'opérateur là-bas pour la connexion de la manière normale.
Pour se connecter au quartier sud-est de Londres, les clients composaient le 16 et étaient automatiquement connectés à l'opérateur de Croydon, tandis que le 17 saisissait une jonction vers Sutton où les appels vers le quartier sud-ouest seraient connectés. Le tabou des nombres commençant par 1 ne s'était évidemment pas installé à cette époque. Les numéros des abonnés commençaient à 200 (ou 211 si vous préférez) et les appels de l'opérateur (requêtes et lignes réseau) étaient effectués en composant le 0 (marqué "Long Distance" sur le cadran, conformément à la pratique américaine normale).

Au cours des deux années entre 1912 et le début de la Grande Guerre, plusieurs autres installations privées d'équipements Strowger ont été réalisées.
La société ATM a été l'un des premiers fournisseurs et son premier client privé était MM. Tweedale & Smalley de Castleton, près de Rochdale, qui avait une installation de 100 lignes en 1913. L'année suivante, ils ont fourni à MM. Davidson & Co. Ltd. un système de téléphones automatiques tout au long de leur Sirocco Engineering Works, Belfast. D'autres commandes ont été obtenues pour plusieurs petites installations privées de 25 à 100 lignes et plus, pour l'intercommunication téléphonique dans les usines, les bureaux, les charbonnages, etc. En outre, des contrats d'exportation ont été remportés pour deux centraux en Argentine et une première installation pour le gouvernement indien. à Simla.

La société britannique Siemens Brothers avait avant la première guerre mondiale des liens étroits avec Siemens & Halske en Allemagne, et leurs productions automatiques britanniques devaient beaucoup à la pratique allemande.
S&H a acquis les droits de brevet allemands sur les conceptions de Strowger et avait, en fait, beaucoup réfléchi aux modifications du système. Leurs innovations comprenaient le présélecteur ou le détecteur de ligne uniselector, qui permettait des économies d'appareils et la tonalité de numérotation ou d'échange, qui indiquait que la numérotation pouvait commencer. Une autre amélioration était le soi-disant ton libre ( Freizeichen en allemand), qui indiquait que l'abonné appelé était bien libre et non engagé.

Leur installation d'un centre de capacité de 150 lignes au King's College Hospital de Denmark Hill en 1913 et d'un tableau de 1000 lignes dans leur usine de Woolwich en 1914 représentait ainsi les deux premiers centres britanniques à donner le ton. Deux autres «premières» ont été marquées, en ce que ces systèmes utilisaient des téléphones de type combiné allemands (instruments sur socle («chandelier») fournis par ATE. De plus, l'installation dans leurs propres usines était également le premier PABX (autocommutateur privé).

"Comme une faveur un peu spéciale", la Revue Electriquedu 27 février 1914 rapporte, "la Poste a permis de coupler le central automatique au système de central public, à des fins expérimentales". Ceci nécessite bien entendu l'adjonction d'un central manuel privé par lequel les appels de la Poste sont acheminés vers les gares locales, l'appareil automatique étant coupé lorsqu'une ligne passe à la Poste. Le même principe était prévu quinze ans plus tard sur les centraux automatiques privés S&H (PAX) fournis dans ce pays par Automatic Internal Telephones Ltd., bien qu'il n'ait manifestement pas été utilisé. La composition d'un 1 sur ces cartes a allumé une lampe au-dessus du numéro de l'extension appelante sur une prise jack. Les lignes des sous-marins étaient câblées via des prises de rupture, permettant la connexion d'un appel au bureau de poste pour libérer l'équipement automatique.

En note de bas de page, il est intéressant de spéculer si d'autres installations de centraux automatiques ont été faites avant la création de l'ATM en 1911. Electrical Times du 30 novembre 1911 remarque "Les britanniques Insulated et Helsby ont pris l'automatique sous leur aile, et déjà on entend parler de deux ou trois centres fonctionnant sur ces lignes dans ce pays." Certes, mon collègue Norman Pearce, qui s'intéresse aux téléphones depuis de nombreuses années, se souvient presque d'avoir acquis certains des premiers téléphones Strowger avant la dernière guerre. Le système se trouvait dans un bureau de la ville de Londres et les téléphones auraient eu les grands cadrans "en demi-lune". Il convient de noter que Siemens & Halske a maintenu la production de ce modèle de cadran en Allemagne pendant un certain temps, et la première installation Siemens Brothers (1914) a utilisé des cadrans de ce type. Ainsi, les cadrans "en demi-lune" n'indiquent pas nécessairement une installation électrique automatique précoce, mais l'idée est intrigante.

La guerre de 1914-18 bouleverse profondément les projets de la Poste d'expérimenter de nouveaux types de centres automatiques ; cela a également entravé les efforts de Siemens Brothers pour introduire leur premier centre public pour la poste. Il a été noté que Siemens Brothers avait installé quelques centraux automatiques internes en 1913 et 1914, et que ceux-ci devaient beaucoup à la pratique allemande contemporaine de Siemens. Le déclenchement de la guerre a dû causer plus de problèmes à cette entreprise qu'à d'autres, étant donné le manque de contact avec le bureau d'études principal. Cela signifie également que l'ouverture du premier centre public de Siemens, Grimsby, a été considérablement retardée. Alors que ce centre de 1300 lignes était pratiquement terminé en 1916/7 (et était alors décrit dans le IPOEE Journal ), il n'a ouvert qu'en septembre 1918.

Bien que le centre fourni par Siemens soit conforme aux principes de Strowger, il différait par de nombreux détails de conception. Il utilisait des crémaillères unilatérales de type ouvert, une source d'impulsions d'interrupteur de moteur central (plutôt que des mécanismes d'entraînement automatique), des présélecteurs rotatifs (plus tard renommés uniselectors par le BSI) et un sélecteur à deux mouvements qui n'avait pas d'interrupteur latéral et était entièrement contrôlé par des relais. Toutes ces caractéristiques étaient d'origine allemande pure. Les présélecteurs à dix contacts ont été utilisés comme monosélecteurs primaires et secondaires et ont donné une capacité de traitement des appels plus élevée malgré l'utilisation de commutateurs de petite capacité.
Une autre caractéristique importée d'Allemagne était la méthode claire de présentation des diagrammes schématiques et l'étiquetage des lignes A, B et C plutôt que +, - et P. Cette convention et les caractéristiques techniques mentionnées ci-dessus ont été maintenues comme pratique standard de Siemens pendant de nombreuses années. . Dans la revue IPOEE l'auteur fait l'éloge de l'ingéniosité du système Siemens de circuits de dessin, qui a longtemps précédé l'adoption de ce style par la Poste et d'autres fabricants. Les contacts sont dessinés détachés des bobines de leurs relais pour permettre à l'ensemble d'un groupe de circuits logiquement liés d'être représenté sur une feuille, de sorte qu'il n'est pas nécessaire de tracer un circuit à travers. Un autre avantage est que les lignes se croisent rarement.
On a déjà noté que les utilisateurs privés ont précédé les utilisateurs publics dans l'utilisation des systèmes téléphoniques à cadran, et la guerre a servi à maintenir cette prépondérance pendant un certain nombre d'années.

Avant la première guerre mondiale, la société Siemens avait imaginé de petits centraux de capacité 25 et 50 lignes, destinés à fonctionner sans surveillance dans les villages ou les grands établissements. Le premier des centres privés a été mis en service en 1913, et l'intention était que certains seraient utilisés par le bureau de poste comme échanges publics à Colnbrook, Kelvedon, Hurst et Ramsey, mais la guerre est intervenue. (Deux équipements de 40 lignes ont finalement été fournis, pour Ramsey et Hurley, en 1921).
Il a été déclaré dans le Telegraph and Telephone Journal de février 1915 que six petits centraux communautaires étaient déjà utilisés en Allemagne et que la conception britannique suivait de près la pratique des originaux allemands. Connu sous le nom de nos. 1 et 2 Autophone, ils sont illustrés et décrits dans l'édition 1919 du Poole's Practical Telephone Handbook. L'auteur note que bon nombre d'entre eux ont été utilisés dans les fabriques de munitions britanniques pendant la guerre, où ils étaient particulièrement utiles pour le travail de nuit sans opérateur. La propre publicité de Siemens note également qu'un grand nombre de centres automatiques ont été fournis aux ministères, aux munitions et à d'autres usines.
La société ATM était la seule autre en mesure de fournir du matériel téléphonique pendant la guerre et a fourni des PAX aux installations du War Office et de l'Amirauté à Crombie (le dépôt d'armement de Rosyth), Wylies, Rosyth, Blackbank et Port Edgar. Il a également continué à équiper les centraux publics dans un certain nombre d'autres villes, principalement avec des appareils (et du personnel d'installation, appelés aiguilleurs) importés des États-Unis. Lors d'un échange, cela a conduit à l'adoption d'une sorte de jargon pseudo-yankee, qui a exaspéré les superviseurs supérieurs. Ainsi, le personnel britannique le plus enthousiaste disait désormais «mis à la terre» plutôt que «mis à la terre», «ouvert» pour «déconnecté» et «raccordé» pour «connexion temporaire». Un circuit inter-commutateur défectueux était maintenant un « lien défectueux » ou un « faux tronc » et le téléphone portable utilisé par les fauteurs du central était un « bout de ski ». Le commis aux essais est devenu le «chef de fil» et les hommes chargés des tâches de réglage des interrupteurs étaient connus sous le nom de «dépanneurs».

Parmi les autres centraux installés à cette période, citons Chepstow (1915), avec 65 lignes, c'était la plus petite installation et le premier central sans surveillance avec tableau manuel à distance. La liste continue avec Newport Monmouthshire (1915), Accrington (1915) et Blackburn (1916), ce dernier étant les deux premiers échanges à avoir une numérotation inter. Portsmouth et Paisley ont suivi en 1916. Avec tous ces centraux, la Poste n'avait pas encore d'expérience des grandes installations. Leeds a été choisi pour être le site de sa plus grande expérience.
Leeds, équipée pour 6 600 lignes avec une capacité ultime de 15 000, était l'une des plus grandes d'Europe et la première en Grande-Bretagne à adopter des numéros d'abonnés à cinq chiffres. Les travaux ont commencé en 1915 et se sont poursuivis pendant le reste de la période de guerre. Il a finalement été inauguré le 18 mai 1918.
Plus important encore, la Grande-Bretagne possédait désormais sa propre industrie de fabrication d'équipements téléphoniques automatiques, supprimant la dépendance précoce vis-à-vis des importations américaines et créant son propre marché d'exportation .

sommaire

En Autriche
Le premier central téléphonique automatique a été installé à Graz en 1910 Strowger version Dietl.
Le central, utilisant le système Strowger, desservait 2 000 abonnés privés et 1 200 abonnés d'entreprise.
Au lieu d'un cadran sur le poste de l'abonné, un appareil de numérotation appelé dispositif d'appel Dietl a été utilisé.
Le dispositif Dietl permettait aux abonnés de configurer le numéro souhaité au moyen de leviers avant d'activer le processus de commutation automatique en tournant une poignée de début d'appel. Bien qu'il s'agisse d'un processus plus élaboré qu'avec la numérotation, les abonnés faisaient vraisemblablement moins d'erreurs d'appel, et s'il y en avait, ils remarqueraient qu'ils étaient eux-mêmes à blâmer et non l'appareil.

Etudions maintenant comment les évolutions se sont passées en Allemagne .

sommaire

En Allemagne :

Dans la revue allemande ETZ Die Elektrotechnische Zeitschrift nous pouvons suivre l'évolution du système Strowger en Europe.

Revue électrotechnique ETZ du 6 octobre 1898. nous trouvons la description du Commutateur téléphonique automatique.

Conférence de M. Feyerabend sur le système d'auto-connexion (Automatique) Strowger.

Depuis longtemps, les inventeurs américains notamment ont proposé des commutateurs téléphoniques automatiques dans lesquels les opérations des opérateurs téléphoniques sont entièrement réalisées par des mécanismes mis en mouvement par l'abonné lui-même.
De tels appareils sont utilisés depuis longtemps dans les centres de contrôle américains de plus petite taille.
Tel que rapporté par Electrical Eng. (New York) en 1897, volume 24 p. 105, sur de tels établissements à Augusta, Géorgie, et Amsterdam, N.Y.

Pour exploiter l'invention en Europe, le "Direct Telephone Exchange Syndicate, Ltd.", a mis en place un bureau central pour 10 000 lignes à Londres. Une description de ce système dans The Electrician nous donne les détails suivants.
1897
Sur le poste de l'abonné, pour commencer, on remarque (Fig. 1) comme dispositif spécial un disque rotatif autour d'une broche, qui contient 10 trous numérotés 1,2,.....9,0. cela sert à établir la connexion souhaitée. Par exemple, un poste désire appeler le N° 132, pour cela il décroche d'abord le combiné, met un doigt dans le trou marqué 1 du disque et le fait tourner jusqu'à ce que le doigt atteigne la butée visible au point le plus bas du disque. Il doit alors lâcher prise, après quoi le disque revient à la position de départ ; puis l'appelant doit faire de même avec le troisième et enfin avec le deuxième trou. Ensuite, la manivelle de la magnéto doit être tournée, d'une part pour déterminer si la connexion a été établie et d'autre part pour appeler le participant souhaité.
Si le téléphone de l'appelant sonne, la connexion souhaitée a été établie ; si la sonnerie est silencieuse, c'est un signe que la ligne est occupée ailleurs. Lorsque le combiné est enfin raccroché après la fin de la conversation, l'appareil émet automatiquement des courants qui ramènent l'appareil de commutation dans le central à sa position initiale.
Si nous passons maintenant à la description de ces dispositifs de commutation, il faut d'abord souligner que les centrales plus petites avec jusqu'à 400 connexions et les plus grandes diffèrent en termes de système. Dans tous les cas, bien sûr, un appareillage spécial doit être mis en place pour chaque participant. Dans les petits centraux, toutes les lignes sont acheminées directement vers le compteur de chaque abonné, comme dans les circuits multiplex.
Dans les grands bureaux, cela poserait trop de difficultés, et il y a donc deux compteurs pour chaque abonné. Les participants (ou abonnés) sont divisés en groupes; le premier commutateur met en relation l'abonné appelant avec le groupe dans lequel se trouve l'abonné, le second s'occupe de la connexion individuelle au sein de ce groupe.

Groupe.

Nous voulons maintenant d'abord décrire un système avec 100 participants et montrer quelles installations spéciales sont ajoutées aux grands bureaux. Les numéros d'abonnés dans un tel système vont, par exemple, de 101 à 199.
Deux lignes conduisent de chaque abonné au central et également une troisième ligne commune à tous, qui en cas d'urgence peut également être une connexion à la terre. Les deux lignes spéciales sont appelées l'une la ligne des unités et l'autre la ligne des dizaines. Le premier mouvement du disque sur le poste téléphonique amène une fois la ligne des unités en connexion avec la ligne de retour commune, le second envoie trois impulsions de courant à travers la ligne des dizaines de manière similaire, et le troisième mouvement envoie à nouveau deux impulsions de courant via la sa ligne.
La figure 2 montre schématiquement l'équipement de commutation d'un abonné lorsqu'il est au bureau. Le courant envoyé passe d'abord de la batterie M dans le bureau à travers le fil L au "un" - électroaimant EE et de là à travers la connexion K à la ligne à une ligne, qui à ce moment, comme indiqué ci-dessus, à l'émetteur avec la ligne de retour à la batterie connectée.
L'armature dudit électroaimant porte un échappement u, fig. 3, dont les dents s'engagent dans les dents du cylindre moleté N, solidaire de l'arbre A, de sorte que l'impulsion de courant augmente d'une dent. La troisième série d'appels de courant via la ligne unitaire agit à nouveau par l'aimant unitaire sur le cylindre N et le fait tourner d'autant de dents qu'il y a d'appels de courant.
Le bras de contact W (Fig. 2), un double ressort en tôle de cuivre, est maintenant situé sur l'arbre A. Lorsque l'arbre A est soulevé et tourné, ce double ressort est guidé sur un champ de contact qui est conçu comme suit. Sur le côté intérieur d'un segment de cylindre se trouvent dix rangées de dix contacts en forme de lame, qui sont connectés aux 100 lignes.

Ils sont fixés dans une "masse imprégnée de gypse" et disposés de telle sorte que les rangées soient espacées de la hauteur d'une dent du cylindre F, et les contacts de chaque rangée soient espacés du même angle dont le cylindre A tourne en rotation de une dent La première poussée de courant à travers la ligne unique amène le bras de contact W dans une position telle qu'il se trouve devant une dent du premier contact de la première rangée ; il est poussé vers le haut par les courants venant sur la ligne des dizaines jusqu'à ce qu'il soit devant la ligne correcte, et par les courants suivants venant sur la ligne des unités, il est tourné jusqu'à ce qu'il établisse le contact souhaité.
Lorsque cela est fait, les lignes des unités et des dizaines de l'appelant sont connectées à l'appelé de telle sorte que les lignes des unités soient connectées au pôle commun de la batterie via les électroaimants correspondants, tandis que les lignes des dizaines sont connectées au châssis de l'appareil de commutation et les contacts sont liés. lorsque le combiné est raccroché après la fin de la communication, deux décharges électriques sont automatiquement envoyées, la première par la ligne des unités et la seconde par la ligne des dizaines, et celles-ci ramènent le commutateur dans sa position initiale.
Jusqu'à présent, nous avons vu comment un participant peut atteindre n'importe quel autre.
Cependant, des précautions doivent également être prises pour s'assurer qu'un tiers ne puisse pas entrer dans une connexion existante. Le commutateur de l'abonné appelé est également en position normale pendant la communication, tandis que celui de l'appelant est en position de travail. Ce dernier est maintenant protégé des perturbations de la conversation par un tiers de telle sorte qu'un point d'interruption a été placé dans la ligne de connexion de chaque corps d'interrupteur après les segments de contact sur la broche isolée marquée RK (contact normalement fermé) de telle sorte une manière selon laquelle une connexion conductrice ne peut être établie que de cette manière persiste aussi longtemps que l'interrupteur est en position de repos. Ainsi dès que quelqu'un s'est appelé, personne d'autre ne peut l'appeler avant la fin de la conversation.
Il est plus difficile de protéger également l'abonné appelé des perturbations. A cet effet, un deuxième segment de contact Y est utilisé dans chaque interrupteur, qui est relié par un bras de contact isolé à l'électroaimant H et un système de ressorts de contact. Lorsqu'un abonné appelle un autre qui est déjà en conversation avec un tiers, l'électroaimant H interrompt sa propre ligne au moment où le bras de contact de son appareil de commutation atteint le contact de l'abonné désiré. Dans les deux cas, l'appelant peut aller jusqu'au contact souhaité, mais il y a soit interruption de la ligne de l'appelé, soit de la sienne, de sorte que son réveil ne sonne pas dans les deux cas.
Les pièces marquées R, S et T sont des protections contre la pénétration de courants forts ; il n'a pas besoin d'être discuté en détail.
L'équipement des grands bureaux, dont nous allons maintenant parler, diffère dans l'appareil de commutation de celui décrit précédemment en ce que les électroaimants ne sont pas en série avec les lignes mais, en dérivation avec elles, dans le pont. Pour cette raison, les électroaimants peuvent être enroulés avec une résistance élevée et pour des courants plus faibles (300 Ohm, 0,2 A., au lieu de 0,5 A. avec une connexion en série.)
Lors d'un appel, deux ensembles de téléphones entrent en vigueur pour chaque abonné appelant. La première phrase sert à choisir les centaines ou les milliers et les centaines ; nous appellerons ces appareils des électeurs de groupe.
La seconde sert à rechercher le participant recherché dans le sous-ensemble de 100 participants ainsi déterminés ; appelons-les commutateurs locaux.

Dans un système pour 1000 abonnés, les numéros vont de 001 à 999, et dans celui pour 10 000 de 0001 à 9999, donc dans le premier il faut 3, dans le second 4 mouvements pour se connecter à l'abonné souhaité.

Dans un système de 1000 participants, les électeurs du groupe de 10 participants chacun sont regroupés dans un département.
La figure 4 est le schéma de câblage de la première section des sélecteurs de groupe, montrant comment ceux-ci sont connectés aux commutateurs locaux par les lignes réseau dans le bureau. Chacun des dix sélecteurs de groupe peut se connecter à l'une quelconque des 10 lignes b et atteindre ainsi l'un quelconque des commutateurs locaux. Ces commutateurs locaux sont essentiellement configurés de la même manière que les dispositifs décrits pour les petits systèmes, c'est-à-dire. chacun d'eux peut contacter 100 participants. Les interrupteurs locaux des rangées 2, 3 etc. sont également associés aux groupes d'électeurs des divisions 2, 3, etc.
Les groupes de tirets marqués b´b´´ b´´´ signifient les contacts accessibles aux commutateurs locaux et comprennent les lignes de 100 abonnés dans chaque rangée. Les contacts de même nom dans les commutateurs locaux 1, 2, 3, ..... de chaque groupe sont multiplexés entre eux ainsi qu'à la ligne portant le même numéro, comme indiqué pour une ligne du premier groupe.

Cette disposition impose une certaine restriction à la liberté d'appeler n'importe quel abonné.
Deux abonnés dont les sélecteurs de groupe appartiennent au même groupe de dix ne peuvent pas se connecter à deux autres abonnés du même groupe de centaines en même temps, car chaque groupe de dix n'a qu'une seule ligne de raccordement à chaque groupe de centaines.
Le regroupement dans un système de 10 000 participants est similaire ; mais ici les sélecteurs de groupe sont divisés en 100 divisions de 100 chacune. Chaque sélecteur de groupe peut s'interfacer avec 100 commutateurs locaux, chacun pouvant desservir les cent lignes de son groupe.

La figure 5 montre le circuit d'une pièce dans un tel département de 100 sélecteurs de groupe avec certains des commutateurs locaux associés.
Il convient également de mentionner que toutes les lignes sont des lignes doubles ; la longueur de la ligne de raccordement la plus longue du bureau ne dépasse pas 12 m environ.

La figure 6 montre l'utilisation de l'appareil dans un bureau ; les appareils de commutation sont placés sur des étagères où ils sont accessibles de tous les côtés. L'aménagement prend ainsi peu de place, même pour les grands bureaux.
En relation avec cette description, nous notons que le bureau d'Amsterdam N.Y. a été détruit début août par un incendie, qui a probablement été causé par un contact entre une ligne téléphonique et la ligne de tramway. Comme personne n'était présent dans le bureau, le feu a pu se propager avant d'être découvert.

sommaire

Central téléphonique automatique à Berlin, extrait de l'Electrotechnical Journal, Berlin, du 1er août 1900.

Comme le rapporte le "Reichsanz.", le 1er août. J. à Berlin, un central téléphonique fonctionnant automatiquement a finalement été mis en service pour les transports publics.
Nous avons déjà signalé l'établissement d'un tel bureau dans le "ETZ" (cf. "ETZ" 1898 p. 674 article ci dessus). Il convient donc seulement de rappeler ici une fois de plus le principe du d'utilisation du téléphone.
Alors que l'établissement et la déconnexion des appels sont effectués par des agents du central de commutation, l'intervention d'agents n'est pas nécessaire dans le système d'auto-connexion ; les connexions sont établies par les participants eux-mêmes et à nouveau libérées après la fin de l'appel.
A cet effet, un disque métallique rond d'un diamètre de 10 cm (le cadran) est fixé au téléphone sous le microphone, dans la moitié droite duquel 10 trous ovales marqués des chiffres 0 à 9 sont perforés.
En enfonçant votre index dans l'un de ces trous, vous pouvez faire tourner le disque autour de son axe jusqu'à un certain point d'arrêt. Si vous le lâchez, il revient à sa position de repos sous l'effet d'un ressort spiral. Pour obtenir une connexion. par exemple. B. avec le numéro 4581, le participant n'a rien d'autre à faire que de tourner le disque, exactement comme les chiffres de la connexion souhaitée se lisent, l'un après l'autre à partir des extraits 4, 5, 8, 1, un travail que seul un quelques secondes. Ensuite, comme pour les téléphones ordinaires, il faut appeler l'abonné connecté en tournant la manivelle de l'inducteur. La seule façon de se déconnecter lorsque l'appel est terminé est de raccrocher le combiné.
Des précautions particulières sont prises pour s'assurer que personne ne puisse connecter son téléphone à un autre lorsque l'autre téléphone est en cours de conversation, c'est-à-dire qu'il est déjà occupé. L'abonné appelant apprend alors que sa connexion n'est pas établie par le fait qu'un bourdonnement sonore retentit dans son combiné.

sommaire

Le système d'auto-connexion pour les centraux téléphoniques, extrait de l'ETZ, Berlin, 03 septembre 1903.

Conférence donnée à la réunion de l'Association électrotechnique le 26 mai 1903 par l'ingénieur télégraphiste Feyerabend, Berlin.

Les tentatives de connexion et de déconnexion des lignes téléphoniques dans les centraux par des mécanismes purement automatiques plutôt que par des mains humaines remontent aux débuts de la technologie téléphonique. Cependant, les anciennes solutions au problème étaient imparfaites en ce sens qu'elles ne pouvaient être utilisées que pour un nombre limité de lignes ou étaient si complexes que leur application était interdite pour des raisons opérationnelles et financières.
Ces dernières années, cependant, ce mal a également été surmonté. Les frères Ericson et Keith à Chicago ont développé une idée de base provenant de l'Américain Almon B. Strowger à tel point que le système d'auto-connexion de Strowger dans sa dernière version peut être utilisé pour des échanges jusqu'à 100 000 connexions et semble également suffisamment fiable .
La poste impériale allemande avait déjà prêté attention au système lors de sa première démonstration à Londres en 1898 et, comme il promettait d'offrir certains avantages dans sa forme d'alors, a ordonné un test pratique.
À cette fin, un centre de contrôle avec 400 connexions a été créé ici à Berlin en 1900, qui est toujours en activité aujourd'hui.
Après que l'Automatic Electric Company de Chicago, qui poursuit actuellement l'exploitation de l'invention en Amérique, ait apporté certaines améliorations au système que nous estimions nécessaires, la Poste du Reich l'a maintenant conservé et utilisé à plus grande échelle, d'abord en Berlin, c'est décidé.
Dans quelques mois, les appareils obsolètes du bureau de Berlin seront remplacés par de nouveaux, et le bureau central sera agrandi pour accueillir 1 000 connexions.
À l'avenir, la fabrication de l'appareil sera prise en charge par les usines allemandes d'armes et de munitions de Karlsruhe (Bade), qui ont également acquis les brevets pour le Reich allemand et un certain nombre de pays européens et non européens.



Principe du système d'auto-connexion de Strowger.
Dans le but d'expliquer plus facilement le mode de fonctionnement du système d'auto-connexion, la description qui suit se base dans un premier temps sur le mode de réalisation le plus simple, qui serait possible pour un central avec un maximum de 100 connexions.
En réalité, cependant, seuls les systèmes plus compliqués pour 1 000, 10 000 et 100 000 connexions, dont il sera question plus loin, sont utilisés
Comme dans le cas des systèmes d'exploitation manuels connus, les lignes de connexion des abonnés sont acheminées vers un centre de contrôle. Un double fil métallique est nécessaire pour chaque connexion et un fil de terre pour le poste d'interphonie.
Au bureau, chaque double ligne de raccordement aboutit à un mécanisme de commutation électromagnétique qui lui est relié en permanence. Le courant de fonctionnement de l'appareillage est fourni par une batterie commune de 50 V installée dans le bureau, dont un pôle est mis à la terre et toutes les lignes d'abonnés sont connectées à l'autre pôle.

Le poste d'abonné (Figs. 1 et 2) contient non seulement les pièces habituelles, telles que le microphone, le récepteur, le réveil, le crochet commutateur, la bobine d'induction, les éléments de microphone, mais également un dispositif spécial, le commutateur numérique, au moyen duquel le l'abonné peut commuter sa ligne vers le central avec le numéro de ligne souhaité peut se connecter. Le commutateur numérique a un disque numérique sur la paroi avant du boîtier, sur le bord droit duquel se trouvent dix avec les chiffres 1, 2, 3, etc. à 9, 0 trous étiquetés sont présents. en enfonçant votre doigt dans l'un de ces trous, vous pouvez faire tourner le disque dans le sens des aiguilles d'une montre jusqu'à un point d'arrêt perpendiculaire à l'axe. S'il est ensuite relâché, il revient de lui-même en position de repos sous l'action d'un ressort d'horlogerie remonté par la rotation précédente.
Si une liaison doit être établie, par exemple avec le N° 43, alors le disque ne doit être tourné d'abord qu'à partir de 4, puis à partir de 3.
A chaque retour, une branche de la double ligne menant au central est instantanément reliée à un contact de masse une ou plusieurs fois de suite.
La fréquence de répétition du contact à la terre dépend du numéro à partir duquel le cadran a été tourné précédemment, c'est-à-dire que le contact à la terre se produit une fois lorsque le cadran se déplace de 1, deux fois lorsque le cadran se déplace de 2, etc. et dix fois lorsqu'il est tourné à partir de 0. Étant donné que toutes les lignes de l'échange sont mises à la terre via la batterie, une courte impulsion de courant se produit à chacun des contacts de masse sur le commutateur numéroté dans les branches a et b de la double ligne de connexion. Ces impulsions de courant actionnent maintenant les mécanismes de commutation situés sur le bureau.

Dans la partie inférieure de l'appareillage, 3 ensembles de contacts sont disposés les uns au-dessous des autres sous forme de segments de cylindre, chacun avec 100 broches de contact plates. 3 et 4 montrent un dérailleur arrière en vues de face et de côté. Les deux ensembles de contacts inférieurs contiennent des broches doubles en 5 rangées horizontales de 10 chacune, tandis que les ensembles de contacts supérieurs contiennent 100 broches simples en 10 rangées horizontales de 10 chacune.

Dans le cas du système 00 supposé ici, les 100 paires d'abonnés devraient être connectées aux deux ensembles inférieurs de contacts dans un agencement tel qu'illustré à la Fig 9. Le principe saute aux yeux.
Les ensembles de contacts des 100 mécanismes de commutation sont maintenant connectés les uns aux autres de telle sorte que toutes les broches de contact portant le même numéro soient reliées de manière conductrice par un fil, par ex. B. toutes les broches no. 11 entre eux.
Le type de connexion peut être vu sur la Fig 6.

L'installation des dérailleurs eux-mêmes sur des cadres en bois est représentée sur les figures 7 et 8 de face et de dos.
Parcourant les ensembles supérieurs de contacts se trouvent 100 lignes dites de blocage qui, comme nous le verrons plus loin, sont utilisées pour empêcher qu'un port occupé soit connecté plus d'une fois.
Au milieu devant les ensembles de contacts de chaque appareillage de commutation, un arbre de commutation vertical est monté de manière coulissante dans le châssis de l'appareil, à l'extrémité inférieure duquel, comme illustré à la Fig. 9, trois bras de contact isolés sont placés de sorte qu'un bras de commutation prévaut toujours sur l'un des trois jeux de contacts.
Les deux bras de contact inférieurs peuvent être connectés aux branches a et b de la ligne d'abonné, qui appartient à l'appareillage en question, au moyen d'un inverseur qui sera mentionné plus loin.
Afin que les bras de contact puissent être ajustés à n'importe quelle broche de contact de leur jeu de contacts, l'arbre doit pouvoir être déplacé verticalement de haut en bas et vice versa, et il doit également pouvoir être tourné autour de son axe.
Ces mouvements s'effectuent de la manière suivante : Dans sa partie médiane, l'arbre comporte deux renforts cylindriques dont le supérieur présente des rainures annulaires, l'inférieur des rainures longitudinales. Un cliquet de commutation s'engage dans chacune des rainures (voir Fig. 10). Le cliquet pour le mouvement de levage h est fixé à l'armature de l'aimant dit de levage HM, tandis que le cliquet pour le mouvement de rotation d est fixé à l'armature de l'aimant rotatif DM. Lorsque ces électroaimants sont alimentés par de brèves impulsions de courant et que leurs armatures sont déplacées d'avant en arrière, l'arbre est progressivement soulevé ou tourné de manière incrémentielle par les cliquets correspondants. Les distances mutuelles entre les rainures annulaires d'une part et les rainures longitudinales d'autre part sont dimensionnées de manière à ce que les bras de contact soient toujours placés devant la rangée de broches de contact immédiatement supérieure lors de la montée et à chaque fois que le levage l'aimant est activé.
L'arbre est maintenu en place par une double lame à cliquet a dans chacune des positions prises. Ce cliquet est relié à l'ancre de l'aimant dit de déclenchement AM. Lorsque celui-ci répond, les cliquets sont relâchés.

Sur la figure 10, les pièces ne sont représentées que schématiquement.
À l'extrémité supérieure de l'arbre du sélecteur se trouve un petit boîtier de ressort, dont le ressort d'horloge s'enroule lorsque l'arbre tourne. Lorsque le double cliquet a est relâché, l'arbre retourne d'abord autour de son axe sous l'action du ressort et retombe finalement verticalement jusqu'à sa position de repos sous son propre poids. En position de repos, l'extrémité de chacun des trois bras de contact se trouve dans le coin inférieur gauche de son champ de broches de contact. Si l'aimant de levage répond une fois, l'arbre de commutation monte d'un pas et les bras de contact supérieur et inférieur sont proches de la première rangée de broches de son champ de contact et celui du bas est au milieu entre la première et la deuxième rangée. Si l'aimant rotatif répond une fois le mouvement ascendant terminé, les bras de contact glissent sur la première broche ou la première paire de broches de la rangée devant laquelle ils étaient précédemment placés par le mouvement ascendant.
A chaque réponse supplémentaire de l'aimant rotatif, les bras de contact se déplacent toujours d'une broche plus loin dans la même rangée horizontale. Les bras de contact sont constitués de deux ressorts en bronze superposés qui sont isolés l'un de l'autre pour les deux paires de contacts inférieures.

La figure 11 montre l'un des bras de contact inférieurs enserrant les ressorts d'une broche de contact double qui, comme déjà mentionné, est reliée aux branches a et b d'une ligne d'abonné, à la manière d'une pince. Sur le bras de contact supérieur, un ressort repose contre la surface supérieure et l'autre contre la surface inférieure des broches de contact individuelles.
La relation entre le fonctionnement du commutateur de numéro sur le poste d'abonné et les mouvements de l'arbre de commutation dans le mécanisme de commutation du central peut être vue sur le schéma électrique de la figure 10. L'aimant de levage est dans la branche a, l'aimant tournant dans la branche b provenant du poste d'abonné. Double ligne activée. Les deux aimants sont connectés à la batterie du bureau.
Si un participant B. veut le N°. 75, il lui suffit de connecter son fil A à la terre sept fois de suite, puis de connecter cinq fois le fil B à la terre. Puis l'axe de commutation de son dérailleur arrière monte d'abord 7 marches et se place devant la 7ème rangée de broches de contact, puis il tourne dans la 7ème rangée jusqu'à la 5ème paire de broches. Parce qu'avec cette paire de broches, la ligne de connexion no. 75 est connecté, la connexion souhaitée est terminée.
Etant donné que les ensembles de contacts de tous les mécanismes de commutation sont connectés en série, comme cela a déjà été montré, chaque ligne peut être connectée à n'importe quelle autre sur son propre mécanisme de commutation de la manière qui vient d'être décrite.
L'aimant de déclenchement est actionné dans le but de séparer la connexion. Cela se produit lorsque la pointe et l'anneau sont mis à la terre en même temps. Les relais de déclenchement Ra et Rb, qui sont fermés dans les deux branches de ligne, répondent alors simultanément et ferment ainsi le circuit local de l'aimant de déclenchement AM. Son armature est attirée, ce qui dégage le double cliquet de l'axe du sélecteur, permettant à ce dernier de revenir dans sa position de repos de la manière décrite ci-dessus. La mise à la terre simultanée des deux branches de ligne s'effectue automatiquement sur le poste de l'abonné lorsque le combiné est accroché au crochet mobile.
Les lignes de blocage et un aimant de blocage SM sur chaque appareillage, ainsi que le bras 1 de l'inverseur à trois voies déjà mentionné U (Fig. 5), servent à protéger une connexion déjà établie contre une nouvelle connexion.
Il existe une ligne de blocage pour chaque ligne de connexion, qui traverse les jeux de contacts supérieurs de tous les mécanismes de commutation et est représentée dans une seule broche de contact sur chaque jeu de contacts. L'emplacement de cette broche dans son ensemble de contacts correspond aux broches de ligne d'abonné associées, c'est-à-dire. c'est-à-dire que si l'un des deux bras de contact inférieurs de l'arbre de commutation est sur une broche double, le bras de contact supérieur est également fixé sur la broche de contact de la ligne de blocage associée.
L'effet de l'aimant de blocage est le suivant : Dans les deux branches de la ligne d'abonné, les bras 2 et 3 de l'interrupteur U sont enclenchés devant l'aimant de levage et de rotation dont les bras pointent vers la gauche lorsqu'il est à repos. Dans cette position, le câble de pointe est connecté à la batterie via l'aimant de levage et le câble annulaire est connecté à la batterie via l'aimant rotatif. Si le commutateur est tourné vers la droite, les deux branches de ligne sont reliées aux deux bras de contact inférieurs de l'arbre de commutation. Le bras 1 du commutateur, qui est couplé aux bras 2 et 3, est relié au bras de contact le plus haut de l'arbre de changement de vitesse, qui commande les lignes de blocage. Du champ de contact gauche du bras interrupteur 1, un chemin mène à l'aimant de blocage et de là au pôle + de la batterie, du champ de contact droit au pôle négatif.
Une fois que les bras de contact de l'arbre de commutation se sont ajustés aux broches de ligne souhaitées lorsqu'une connexion est établie, le commutateur triple est projeté vers la droite par un processus mécanique qui ne sera pas décrit plus en détail ici, mais uniquement si la ligne souhaitée n'est pas déjà ailleurs est occupé.
Si, par contre, la ligne est déjà occupée, alors les bras de contact de l'arbre de commutation sont sur la double broche de contact de la connexion requise et sur la broche de contact associée de la ligne de blocage sur le mécanisme de commutation sur lequel la connexion requise a déjà été fait. En conséquence, la broche de contact de la ligne de blocage et à travers elle toute la ligne de blocage traversant tous les mécanismes de commutation est connectée au pôle négatif de la batterie. Si le bras de contact supérieur de l'axe du sélecteur, qui est relié au pôle positif de la batterie via l'aimant de blocage tant que le commutateur U n'est pas encore tourné vers la droite, est réglé sur la même ligne de blocage sur un deuxième dérailleur , un circuit de blocage est créé, dans lequel se trouve l'aimant de blocage de ce deuxième mécanisme de commutation, sur lequel la connexion répétée de la ligne occupée est tentée. L'aimant de blocage attire alors son armature et cela bloque l'inverseur de manière à ce qu'il ne puisse pas être basculé vers la droite, la figure 10 l'indique schématiquement. On évite ainsi que la ligne de connexion appartenant au dérailleur arrière soit reliée aux bras de contact de son axe de changement de vitesse. L'abonné est informé de l'échec de sa connexion par un signal acoustique dans le combiné. Un enroulement d'un inducteur J est connecté dans le chemin de l'aimant de levage à la batterie, ce qui produit un bourdonnement dans la ligne. L'appel de la station peut être effectué de manière connue par un inducteur magnétique ordinaire.


Le système des 10 000.
Dans le cas des systèmes 1000 et 100 000 qui sont en réalité seuls utilisés, les procédés et circuits décrits ne sont pas si simples.
Tout d'abord, les aimants rotatifs et de levage ne sont pas connectés directement aux branches de ligne, mais fonctionnent dans des circuits locaux, car ils nécessitent un courant d'environ 1 A pour les activer et parce que des courants d'une telle amplitude, outre d'autres inconvénients, nécessiteraient une batterie élevée. tensions avec de longues lignes externes.
Cependant, maintenir les lignes d'un grand réseau téléphonique connectées en permanence à une batterie de 110 V et plus n'est pas sans poser de problèmes. C'est toujours le cas avec la première usine de Berlin. Le nouveau système, en revanche, n'a besoin que de 50 V ; les pointes de courant circulant dans les lignes externes varient entre 45 et 75 milliampères, selon la longueur de la ligne.
De plus, l'ensemble du processus de commutation lors de l'établissement d'une connexion ne se déroule pas sur un seul mécanisme de commutation, mais est réparti sur deux mécanismes de commutation dans le système 1000, trois dans le système 10 000 et quatre mécanismes de commutation dans le système 100 000.
Dans un système à 10 000, comme celui qui sera bientôt utilisé à Berlin, par ex. B., si la connexion no. 5555 doit être fabriqué, pour cela le cadran du commutateur de numéro est déplacé du no. 5 doit être désactivé, le premier dérailleur lors de la première rotation du disque le participant d'abord avec une ligne de connexion après un groupe de deuxièmes dérailleurs, qui contrôlent l'accès aux lignes de connexion du cinquième mille.
Le deuxième appareillage, auquel les participants demandant la connexion sont connectés après la première rotation du disque, assure l'accès après la cinquième centaine au sein du cinquième groupe de mille ; il relie le participant à la 2ème rotation du disque avec une ligne de connexion à un groupe de troisièmes mécanismes de commutation dont les ensembles de contacts contiennent les fils à la cinquième centaine.
Au 3e tour de la roue numérique, l'arbre est soulevé devant la cinquième rangée de broches et au quatrième tour de la roue, il est tourné vers la cinquième broche de contact double de cette rangée, ce qui signifie que la connexion no. 5555 est fabriqué.
Les dérailleurs arrière du groupe I deviennent des sélecteurs du groupe I, ceux du groupe II des sélecteurs du groupe II et ceux du groupe III. Groupe appelé sélecteur de ligne car les deux premiers groupes de lignes sont sélectionnés, tandis que la ligne souhaitée elle-même est connectée à ce dernier.
La conception des sélecteurs de groupe et de ligne et leur fonctionnement est en principe le même que celui décrit au début.

Fig 12 Combiner les mécanismes de commutation en groupes et les connecter les uns aux autres.

Dans le système à 10 000, trois sélecteurs ne sont pas nécessaires pour chaque ligne d'abonné connectée au central, mais chaque abonné n'a qu'un seul premier sélecteur de groupe connecté en permanence à sa ligne ; les sélecteurs de groupe II et les sélecteurs de ligne, en revanche, sont affectés à un plus grand nombre de participants pour un usage commun, à savoir 10 à 15 sélecteurs de groupe II et 10 à 15 sélecteurs de ligne sont prévus pour chaque 100 sélecteurs de groupe I.
Le pourcentage de sélecteurs de groupe II et de sélecteurs de ligne dépend du volume de trafic, c-à-d. H sur le nombre de connexions vocales existant dans le bureau en même temps.

Sur la Fig. 57, les interconnexions des différents groupes d'appareillages de commutation tels qu'ils entrent en question dans un système 10 000 sont représentées schématiquement.
Les sélecteurs du 1er groupe, c'est-à-dire les mécanismes de commutation connectés directement et en permanence aux lignes d'abonnés, sont rangés par milliers en 10 sous-groupes comme suit :
I. Mille groupe pour le sélecteur de groupe I. des lignes de connexion no. 1000 à 1999,
II.Mille groupe pour le sélecteur de groupe I. des lignes de connexion no. 2000 à 2999,
III. Mille groupe pour le 1er groupe sélecteur des lignes de connexion no. 3000 à 3999 etc... à X. groupe de milliers pour le sélecteur de groupe I. des lignes de connexion no. 0000 à 0999.
En ce qui concerne la numérotation de 0000 à 0999, qui apparaît ostensible, il convient de noter que le préfixe de zéros devant tous les nombres à moins de quatre chiffres, c'est-à-dire pour les liaisons de 1 à 999, est nécessaire car dans le système à 10 000 pour connaître l'état d'une connexion, deux connexions nécessitent toujours quatre tours de cadran. En général, cependant, il vaut mieux laisser de côté les nombres 1 à 999, ce qui limite bien sûr le nombre maximum de connexions à 8999 dans un système de 10 000.
Dans la figure 12, chacun des grands rectangles de gauche représente un groupe de mille ; seuls 5 groupes sont indiqués. Les petits rectangles à l'intérieur des grands représentent les sélecteurs individuels du premier groupe, que les lignes d'abonné approchent de l'extérieur. Les 10 lignes horizontales récurrentes dans chaque groupe représentent les deux ensembles de contacts inférieurs de tous les mécanismes de commutation d'un groupe de fonctionnement. Etant donné qu'il y a 10 lignes doubles dans chaque rangée horizontale et qu'il y a un total de 10 rangées horizontales, un total de 100 connexions à double fil de chaque millier de groupes vont aux groupes opérationnels des sélecteurs de groupe II.


A partir de la troisième rangée de broches, les connexions aboutissent toutes aux sélecteurs du groupe II du groupe III.

Afin de ne pas rendre le dessin confus, les lignes de verrouillage ont été supprimées.
Les sélecteurs du groupe II, dont 10 % du total des sélecteurs du groupe I commutés sont supposés pour le présent exemple, sont également regroupés en 10 groupes de fonctionnement, à savoir :
Groupe I pour toutes les liaisons vocales requises avec le I. Mille,
Groupe II pour toutes les liaisons vocales nécessaires avec le II.mille,
Groupe III pour tout le monde avec le III. rosée connexions vocales requises, etc. Seuls les deux premiers groupes sont représentés dans le croquis.
Selon le même principe, les sélecteurs de ligne, dont seulement 10% sont acceptés, sont regroupés en 10 groupes. Ici les fils vers les lignes de connexion des participants sont situés sur les broches de contact, il contient donc :
Groupe I conduit aux lignes de connexion du I. Mille, à savoir non. 1000 à 1999,
Le groupe II conduit aux lignes de raccordement du II Mille, à savoir non. 2000 à 2999 etc...
L'esquisse montre à nouveau uniquement les deux premiers groupes de sélecteurs de ligne.
Les lignes de connexion entre les sélecteurs de groupe I. et II. sont désormais réparties comme suit :
À partir des dix broches doubles de la rangée inférieure de broches de contact du groupe I. Mille, dix connexions à double fil sont dirigées vers dix sélecteurs de groupe II du groupe opérationnel I. À partir des broches de contact correspondantes du II
Groupe I. De tous les autres milliers de groupes, dix lignes doubles vont toujours de la même manière aux dix sélecteurs de groupe II du groupe I.
De la deuxième rangée de broches du groupe I. Mille, dix connexions vont aux dix premiers sélecteurs de groupe II du groupe II. La deuxième rangée de broches du II.

En ce qui concerne les lignes entre les sélecteurs de groupe II et les sélecteurs de ligne, il existe toujours des liaisons entre groupes de même nom. Ainsi le groupe d'entreprises I du II.
Le sélecteur de groupe n'a que des lignes selon le groupe de service I des sélecteurs de ligne. Le groupe d'installations II du sélecteur de groupe II n'a de lignes qu'après le groupe d'installations II des sélecteurs de ligne, comme c'est également le cas dans
Le dessin peut être vu, à savoir dix connexions à double fil vont de la rangée inférieure de broches des sélecteurs du groupe II à dix sélecteurs de ligne, dix autres connexions de la deuxième rangée de broches à dix autres sélecteurs de ligne, dix autres connexions du troisième rangée de broches aux troisièmes sélecteurs de dix lignes, etc.
C'est exactement ainsi que sont disposées les connexions entre le groupe de sociétés II des sélecteurs de groupe II et le groupe de sociétés II des sélecteurs de ligne, etc.
Au sein du groupe de fonctionnement I des sélecteurs de ligne, les broches de contact des 10 premiers sélecteurs contiennent désormais les fils vers les connexions n°. 1100 à 1199, les 10 seconds sélectionnent les alimentations des connexions n°. 1200 à 1299, les 10 troisièmes électeurs les alimentent aux connexions no. 1300 à 1399 etc.,
Le dixième 10 électeurs les alimente aux bornes no. 1000 à 1099. A l'intérieur du groupe de fonctionnement II des sélecteurs de ligne, les 10 premiers sélecteurs sont également raccordés aux connexions n°. 2100 à 2199, les 10 secondes sélectionnent les alimentations des connexions n°. 2200 à 2299, le troisième 10 sélectionne les alimentations des connexions n°. 2300 à 2399 etc...
Les lignes d'abonné ne sont pas connectées directement aux broches de contact du sélecteur de ligne, car celles-ci mènent de la station aux sélecteurs de premier groupe associés, mais les connexions vont aux sélecteurs de premier groupe concernés, où elles sont dérivées des lignes d'abonné. La figure 10 montre les lignes remontant des sélecteurs de ligne vers les sélecteurs de groupe I.
Pour une meilleure compréhension de l'ensemble de l'arrangement, le déroulement d'une connexion entre deux postes d'interphonie doit être suivi en détail dans le croquis. Supposons que le participant no. 1001 souhaite se connecter au No 2222 :
Le numéro de connexion requis. 2222 appartient à la 2e centaine du 2e mille, contribuant ainsi au rapprochement :
1. le 1er groupe sélecteur no. 1001,
2. un électeur du groupe II du groupe II,
3. un électeur de ligne du groupe II, soit parmi les 10 seconds électeurs de ce groupe,
4. le 1er groupe sélecteur no. 2222.
Le participant non 1001 fait tourner le disque numéroté du trou 2, correspondant au premier chiffre du numéro de connexion demandé 2222. L'arbre de commande du sélecteur de groupe I no. De ce fait, 1001 se positionne devant la deuxième rangée de broches de contact.
D'après les explications données pour le système 100, le participant devrait maintenant faire tourner l'arbre pour que ses bras de contact soient dirigés vers l'une des broches de la deuxième rangée, qui représentent 10 lignes de raccordement au groupe opérationnel II du II sélecteurs de groupe. Cependant, le premier sélecteur de groupe s'en charge de manière entièrement automatique sans aucune action de la part du participant. Après le mouvement vers le haut, les bras de contact glissent immédiatement sur la première broche double de la rangée horizontale concernée. Si la ligne connectée à cette double broche est déjà utilisée sur un autre premier sélecteur de groupe du groupe de service I pour une connexion avec un abonné du II mille, les bras de contact sont automatiquement tournés davantage jusqu'à ce qu'ils atteignent une connexion libre, c'est-à-dire dans certaines circonstances jusqu'à la dixième broche double.
Le déroulement de cette sélection automatique d'une ligne libre sera expliqué plus loin.
Revenant à l'exemple, le 1er groupe sélecteur no. 1001 connecté à l'un des dix premiers sélecteurs du groupe II du groupe opérationnel II via le câble provenant de la deuxième rangée de broches de contact.
Avec la deuxième rotation du disque numérique à partir de 2, l'arbre de commutation du sélecteur du 2e groupe monte maintenant devant la deuxième rangée de broches et recherche automatiquement une connexion libre aux sélecteurs de ligne, comme avec le sélecteur du 1er groupe. Un câble relie la deuxième rangée de broches du groupe d'exploitation II du sélecteur de groupe II aux deuxièmes sélecteurs de 10 lignes du groupe d'exploitation II. 2200 à 2299. L'abonné est maintenant connecté à l'un de ces 10 sélecteurs de ligne via ce câble.
Au troisième tour du disque à partir de 2, l'axe de sélection du sélecteur de ligne se positionne devant la deuxième rangée de goupilles. Ici, cependant, le mouvement vers le haut n'est pas immédiatement suivi du mouvement rotatif, comme c'est le cas avec les sélecteurs du 1er et du 2e groupe, mais celui-ci est provoqué par le participant uniquement en tournant le disque pour la quatrième fois, à savoir le contact bras, puisque le disque est pressé à nouveau pour la quatrième fois éteint de 2, tourné vers la deuxième broche de contact double. Une connexion relie celui-ci au premier sélecteur de groupe no. 2222 où la ligne vers l'abonné est connectée.
Si plus de 10 % des sélecteurs de groupe II et des sélecteurs de ligne doivent être activés dans un autocommutateur en raison du volume de trafic, le système de connexion des groupes de sélecteurs les uns aux autres doit être quelque peu modifié, mais la conception de l'appareil lui-même reste inchangé.
Récemment, le système de connexion a également été perfectionné de sorte que de ces dix à quinze sélecteurs de groupe II ou sélecteurs de ligne qui, pour toutes les connexions, d'un groupe de mille le sélecteur de groupe I après un groupe de mille le sélecteur de groupe II ou d'un groupe de mille le Sélecteur de groupe II après qu'une certaine centaine de connexions d'abonnés sont disponibles, pas toujours en premier le premier mécanisme de commutation et seulement lorsque celui-ci est occupé, le deuxième, le troisième, etc. entre en service, mais que tous les mécanismes de commutation sont utilisés de la même manière. Cette disposition est d'un grand avantage pour l'usure régulière de l'appareil et donc également pour la sécurité de fonctionnement.



Seules les connexions à partir des trois premières rangées de broches sont indiquées sur le dessin.

Les circuits de chaque sélecteur.
Sur les figures 13a et b, tous les dispositifs et connexions sont représentés schématiquement, qui sont impliqués dans une connexion de deux lignes de connexion dans un système 10 000, à savoir la connexion du no. 5691 avec non. 3218. Dans la mesure où le dessin n'est pas déjà compréhensible à partir des explications précédentes, des explications supplémentaires sont données ci-dessous.

Général.

a) Le commutateur de numéro du téléphone de l'abonné est modifié de telle manière qu'à chaque rotation du disque de numéro, le nombre d'impulsions de courant déterminé par le chiffre du numéro de connexion parcourt la ligne a. Cependant, chaque série de courants est toujours suivie d'une seule impulsion de courant à la fin, qui circule via la ligne b.
b) Les impulsions de courant qui provoquent la rotation de l'arbre de commutation sur le 1er et le 2ème sélecteur de groupe ne sont pas provoquées par l'abonné, mais sont générées dans le bureau et, sans toucher les lignes extérieures, sont automatiquement conduites par les mécanismes de commutation à travers le sélecteur rotatif. aimant au bon moment. L'activation opportune de l'aimant rotatif est médiée par l'appel de courant unique mentionné sous a) circulant sur la ligne b.
Les impulsions de courant pour la rotation automatique de l'arbre du sélecteur sur les I. et II.
Les sélecteurs de groupe sont obtenus en rendant le courant continu de la batterie du bureau intermittent en succession rapide par un disjoncteur à rotation continue monté sur l'axe d'une dynamo alternative fournissant le courant de réveil.
c) Le commutateur U que l'on trouve dans tous les dérailleurs est quintuple et a trois positions. Au repos, ses bras sont sur le premier champ de contact (à gauche sur le dessin). Sous l'action d'un ressort, l'interrupteur tend à s'ajuster au troisième champ de contact (à droite sur le dessin), mais ses positions individuelles sont définies par une avec l'armature
le blocage associé à l'aimant de blocage est réglé de telle sorte qu'une fois l'aimant de blocage activé, les bras de l'interrupteur sont partiellement dégagés du bloc puis coulissent sous l'action du ressort sur la seconde pastille de contact ; ce n'est que lorsque l'aimant de blocage est à nouveau activé que le blocage est complètement annulé et que le commutateur est commuté sur le troisième champ de contact.
Maintenant, cependant, l'aimant de blocage ne peut plus être déclenché électriquement car il n'y a pas de deuxième surtension via la ligne b ; autrement que par une seconde réponse de l'aimant de blocage mais l'interrupteur U n'est pas complètement relâché. Afin de passer néanmoins au troisième champ de contact, la deuxième réponse de l'aimant de blocage sur I. et II., comme s'il était magnétiquement attiré.
Si l'armature de l'aimant de blocage reste attirée la première fois qu'elle répond, ce qui se produit tant que le bras de contact Ksp glisse sur les broches de contact des lignes de blocage occupées par ailleurs, l'inverseur U n'est pas libéré du blocage par la réponse de l'aimant rotatif, il reste donc sur le deuxième support de champ de contact jusqu'à ce que le bras de contact Ksp ait finalement atteint une broche de contact inoccupée.
Cette interdépendance de l'aimant de blocage et de l'aimant rotatif garantit qu'aucune impulsion ne peut atteindre l'aimant rotatif à partir des courants d'interrupteur générés dans le bureau qu'il n'en faut pour que l'arbre de commutation soit dans la position correcte.

Particularités des dérailleurs arrière individuels.
a) I sélecteur de groupe. Le relais Ra ferme le circuit local pour l'aimant de levage HM, Rb celui pour l'aimant de blocage SM. Si Ra et Rb répondent en même temps, l'aimant de déclenchement AM reçoit du courant.
Si les bras de l'inverseur touchent le champ de contact médian, le courant de coupure est conduit via U dans l'aimant rotatif DM. 5
Les W W sont des résistances à enroulement auto-inductif de 150 O chacune, qui ont pour but d'aplanir les surtensions de courant traversant les lignes externes de manière à ce qu'elles n'interfèrent pas avec les lignes voisines.
Parmi les trois ressorts tirés au droit de l'extrémité supérieure de l'axe de sélection, qui se superposent lors du premier mouvement ascendant de l'axe de sélection, celui du haut, tant que l'axe de sélection n'est pas dans sa position de repos , qui va à la connexion no. 5691 relié à la terre. Après ce qui a été dit plus tôt sur l'effet du courant inverse, il est clair qu'à la suite de cette mise à la terre de la ligne inverse de l'abonné no. Le 5691 ne peut pas être appelé d'un autre correspondant pendant la durée de l'appel qu'il a effectué.
Les deux ressorts inférieurs ferment le circuit du relais moteur MR, dont l'armature relie à son tour l'enroulement moteur du convertisseur DC - AC au réseau électrique. De cette manière, on parvient à ce que l'énergie soit consommée dans le bureau uniquement tant qu'il existe des connexions à partir de connexions. Cependant, l'appareil est davantage conçu pour les petits bureaux, où les opérations sont souvent complètement inactives, et où un simple changeur de pôles peut être utilisé à la place du convertisseur courant continu - courant alternatif fournissant le courant de réveil et d'interruption.
b) II Groupe d'électeurs. Les relais de l'aimant de déclenchement ARa et ARb prennent la place des relais Ra et Rb du premier sélecteur de groupe dans le deuxième sélecteur de groupe, et les relais Ra et Rb prennent la place des résistances WW.
c) sélecteur de ligne. Les courants de commutation circulant dans la ligne a lors du troisième tour du cadran actionnent le relais Ra et donc l'aimant de levage HM. L'impulsion suivante venant via la ligne b amène Rb et l'aimant de blocage SM à répondre une fois.
De ce fait, l'inverseur U est partiellement libéré de son blocage et commuté sur le deuxième champ de contact, tout comme dans le cas des sélecteurs de groupe I et II. Cependant, le sélecteur de ligne manque de ce levier sur l'armature de l'aimant rotatif qui déplace mécaniquement l'armature de l'aimant de blocage dans les sélecteurs de groupe ; l'inverseur U reste donc ici sur le deuxième champ de contact jusqu'à ce qu'un appel de courant traverse à nouveau l'aimant de blocage. Étant donné que chaque broche double des jeux de contacts du sélecteur de ligne est reliée à une ligne d'abonné, la rotation de l'arbre de commutation ne doit pas s'effectuer automatiquement comme avec les sélecteurs des groupes I et II, mais doit être provoquée par des courants de commutation spéciaux, qui l'abonné envoie avec la quatrième rotation du disque numérique.
Ces courants circulent également (sauf le dernier) par la ligne a et actionnent le relais Ra. Étant donné que le commutateur U se trouve sur le deuxième champ de contact, cela ferme le circuit local pour l'aimant rotatif DM, de sorte que l'arbre de commutation est tourné d'autant de pas que cela correspond au nombre à partir duquel le participant a tourné le disque numérique pour la quatrième fois .
La dernière impulsion de courant suivante via la ligne b provoque la réponse de Rb et SM, à la suite de quoi U est transféré au troisième champ de contact.
Si la ligne de l'abonné demandé est occupée, la ligne de coupure correspondante est mise à la masse dans le jeu de contacts supérieur du sélecteur de ligne. Dans ce cas, lorsque les deux ressorts situés le plus à droite sur l'armature de l'aimant de blocage sont fermés suite à la dernière réponse de l'aimant de blocage et avant que le commutateur n'ait été commuté sur le troisième champ de contact, un circuit de les aimants AM de la gâchette 3 sont fermés, moyennant quoi l'arbre de commutation est ramené dans sa position de repos et l'inverseur U est ramené dans le premier champ de contact.
Depuis les ondes de commutation aux I. et II. L'abonné reçoit ainsi le bourdonnement comme un signe que la connexion souhaitée est occupée. S'il accroche ensuite son combiné au crochet mobile, le courant de déclenchement actionne les relais correspondants et les aimants de déclenchement également sur les I. et II.
Le relais fort LR, disponible sur chaque sélecteur de ligne, permet de réveiller l'appelé. Afin de rendre inutiles les inductances magnétiques dans les postes d'abonnés, un appel depuis le central est établi.
L'abonné n'a qu'à appuyer quelques secondes sur un bouton de réveil sous le cadran de son appareil. De cette manière, il met à la terre la branche a de son câble de connexion, avec un courant continu de la batterie d'échange.
tery dans la ligne a se produit. Il en résulte qu'au niveau du sélecteur de ligne, le relais ARa mais U ferme un circuit local pour le relais fort LR, et 4 l'armature de ce dernier presse les deux ressorts longs reliés à la ligne menant à l'appelant contre les ressorts au à droite, qui mènent à la dynamo AC. Ainsi, pendant que le bouton d'alarme est enfoncé, un courant alternatif circule du central vers le poste téléphonique de l'appelant et fait sonner l'alarme polarisée de l'appareil.
d) I. Numéroteur de groupe de l'appelé. Les extrémités de ligne a et b issues des broches de contact du sélecteur de ligne sur le sélecteur de groupe I. du n° d'abonné appelé. 3218 entre le premier champ de contact des bras de l'interrupteur U ou U et les résistances W W.
La ligne de verrouillage 12 sp se termine au niveau du ressort supérieur sur la tête de l'arbre de sélection.
Le premier sélecteur de groupe de l'abonné appelé n'est pas affecté par les courants de commutation, il reste donc dans sa position de repos.

Circuit de conversation et de déclenchement.
Fig 14
La figure 14 représente le circuit voix pur lorsque deux abonnés sont connectés, seules sont dessinées les parties qui sont activées pendant la parole dans le chemin de conduction.
Sur les 4 mécanismes de commutation considérés, les relais de déclenchement sont toujours dans les deux branches de ligne, mais en pont entre les branches de ligne, les deux relais Ra et Rb avec 2 x 500 O sont sur le sélecteur de ligne et les deux galets d'inductance W W sur le premier sélecteur de groupe de l'abonné appelé de 2 fois 150 O. Le centre des ponts est relié au pôle positif de la batterie du bureau.
Le courant de déclenchement entre dans les lignes via ces ponts. Si les deux branches de ligne sont mises à la terre en même temps lorsque le combiné est raccroché à la station d'où provient l'appel, un courant circule dans les deux branches en connexion parallèle.
Étant donné que tous les relais de déclenchement sont activés simultanément, tous les aimants de déclenchement reçoivent du courant en même temps, de sorte que les arbres de commutation sont tous ramenés en même temps dans leur position de repos.
Pour que la communication vocale ne soit pas endommagée par les 8 aimants de la ligne, on veille à ce que l'auto-induction soit la plus faible possible. La résistance n'est que de 30 O pour chaque bobine, le nombre de spires est faible, les aimants sont monopattes, le circuit magnétique est donc ouvert ; de plus, un manchon en cuivre est inséré entre l'enroulement et le noyau de fer.
En fait, il n'y a rien à remarquer d'une altération du langage.

Le poste d'abonné.


Les figures 15 à 20 illustrent les parties principales du commutateur numérique. F est un ressort d'horloge qui est remonté lorsque le disque numéroté N est tourné et, lorsque le disque est relâché, fait tourner l'axe X, ainsi que les engrenages R et Z attachés à ce dernier, dans le sens opposé (Fig. 15 et 16). Le taux de retour est réglé par le régulateur centrifuge P (Fig. 17) qui est entraîné par l'engrenage R.
Les connexions de terre temporaires dans les lignes a et b, qui sont utilisées pour générer les courants de commutation, sont médiées par les ressorts fa et fb (Fig. 16 et 17). Ces derniers sont notamment placés un instant contre le contact au sol E à chaque fois qu'une dent du disque Z tournant avec X balaie l'un des ressorts.


En plus des unités murales illustrées aux figures 1 et 2 ont également été produit des téléphones de bureau qui ont la forme illustrée à la figure 22.

Le crochet mobile H pour le récepteur (Fig. 19) est monté rotatif avec les bras g et g 1 2 entre les deux plaques de cadre du commutateur numérique.Son mouvement vers le bas sert à actionner les interrupteurs U et U, dont 12 U est fixé à la plaque de châssis avant (Fig. 17) et U2 à l'arrière (Fig. 20) .

Le circuit du poste d'abonné est illustré par la Fig 21 .
Les parties du commutateur numérique impliquées dans les processus électriques sont représentées schématiquement sur le dessin dans un souci de clarté. Si le récepteur est suspendu au crochet H, l'angle en laiton w pousse le ressort 3 de U vers la gauche ;
Ceci rompt le contact entre les ressorts 1 et 2 ou 4 et 5. Les ressorts a, b et E de U viennent uniquement se toucher un instant lorsque le crochet mobile descend. La mise à la terre résultante des deux branches de ligne provoque le courant de déclenchement.



Mise en place de bureaux d'auto-connexion.
1. L'installation de l'appareil dans le bureau.
Les dérailleurs sont montés sur des cadres en bois en superposition, les rangées horizontales, de préférence en 6 rangées de 25 chacune
Appareil attaché comme ceci à partir de la Fig. 6 montrant une vue du bureau auto-connecté à Fall River, Mass., U.S.A.
Un tel cadre pour 150 dérailleurs mesure 3,45 m de long, 2,25 m de haut et 26 cm de profondeur.
L'éloignement des dépôts de poussière sur l'appareil est avantageux dans l'intérêt de la sécurité de fonctionnement ; Cependant, le verrouillage des racks, par exemple avec des portes coulissantes en verre, n'est pas conseillé, car alors la réponse de l'appareil ne peut pas être entendue assez fort. Ceci est cependant souhaitable car le bruit provoqué par le soulèvement et la rotation progressifs des axes de sélection et le déclenchement fournit un bon moyen pour les mécaniciens surveillant l'opération de vérifier le bon fonctionnement de l'appareil.

Si un échange basé sur le système 10 000 est initialement destiné à un plus petit nombre de connexions, par ex. B. doit être mis en place pour 2000, les 2000 numéros de connexion doivent être distribués à un plus grand nombre de groupes de milliers et à l'intérieur de ceux-ci encore à plusieurs centaines ; En effet, le système d'auto-connexion ne permet d'établir simultanément qu'un maximum de 15 connexions au sein d'un même groupe de mille, c'est-à-dire entre abonnés dont les numéros de lignes sont dans le même millier. Mais avec 2000 connexions qui ont rempli deux mille groupes, vous auriez compté sur plus de 15 connexions simultanées sur un millier.
Afin qu'un bureau qui n'est pas entièrement occupé puisse facilement être agrandi, un grand nombre de jeux de contacts triples sont installés et correctement connectés dès le départ dans les groupes opérationnels du sélecteur de groupe I, du sélecteur de groupe II et du sélecteur de ligne à utiliser. Ensuite, lorsque de nouvelles connexions sont ajoutées, il vous suffit d'ajouter les mécanismes de commutation associés aux ensembles de contacts existants selon les besoins. Ceci est grandement facilité par le fait qu'il suffit de pousser les jeux de contacts sur deux tiges verticales au bas des mécanismes de commutation et de les fixer à l'aide de vis à pression (voir Fig. 3 et 4). mécanisme de commutation sont posés sur des ressorts de serrage, qui sont vissés au cadre en bois commun.
Les ressorts de contact, qui sont fixés à l'arrière des dérailleurs eux-mêmes, correspondent à ceux-ci. Grâce à ce dispositif, les dérailleurs arrière défectueux peuvent être remplacés rapidement et facilement, sans avoir à dévisser ou dessouder les connexions.
En général, toute la construction de l'appareil est conçue de manière à ce que toutes les connexions puissent être réalisées en usine et qu'il reste peu à faire pour le montage au bureau même.

Les générateurs et les fusibles.
Les collecteurs doivent être utilisés comme source d'alimentation partagée pour faire fonctionner les dispositifs de commutation. Comme un pôle de la batterie est relié en permanence à la terre et que le fonctionnement de l'échange ne doit pas être interrompu pendant une longue période, la charge ne peut généralement pas être effectuée en connectant directement la batterie à un réseau électrique général. Il faut donc soit une dynamo spéciale pour la charge, soit une batterie de réserve pour l'enclenchement lors de la charge de la batterie principale mise hors service.
La capacité à accorder aux collecteurs dépend du nombre de lignes raccordées et du volume de trafic d'une part et de l'état général d'isolement du réseau téléphonique d'autre part. A une tension de batterie de 50 V, les courants de commutation parcourant les lignes externes varient entre 45 et 75 milliampères, selon la longueur des lignes, les courants dans les circuits locaux d'actionnement des aimants de levage, de rotation et de déclenchement sont de l'ordre de 1 A Mais comme la durée de ces Courants n'est toujours que de quelques fractions de seconde, la puissance requise ici est donc faible.
Les pertes de puissance permanentes via les lignes externes peuvent être plus importantes, qui, comme il est bien connu, sont toutes reliées au pôle + de la batterie dans le bureau, surtout si des lignes nues hors sol sont utilisées de préférence.
Il convient donc également d'éviter les perturbations dues à l'utilisation de la terre comme ligne de retour, si possible isolées
Les lignes (câbles souterrains et aériens), qui de toute façon deviennent de plus en plus la norme dans les réseaux téléphoniques modernes.
Sur chaque groupe et sélecteur de ligne se trouve après le + et -
Une bobine de chauffage S (fusible fin) est enclenchée pour le pôle - des lignes transportant la batterie, qui interrompt les lignes aussi bien en cas de courts-circuits soudains survenant dans le sélecteur qu'en cas de courants de plus faible durée d'action. force+. Les bobines de chauffage sont fixées à l'arrière des panneaux de châssis sur lesquels sont montés les mécanismes de commutation et sont configurées de telle sorte que lorsqu'une bobine entre en action, une ampoule s'allume sur le châssis concerné et en même temps une signal acoustique est donné par le son d'un réveil.

Mise en place de plusieurs bureaux d'auto-connexion en un seul endroit.
Il n'est pas absolument nécessaire de combiner toutes les lignes d'abonnés dans un seul central auto-connecté en un seul endroit.
Si les conditions locales ou d'autres circonstances vous obligent à mettre en place, par exemple, 2 bureaux avec pas plus de 5000 connexions, vous pouvez utiliser le numéro d'abonné. 1000 à 4999 au seul bureau et ceux du non. 5000 à 0999 à l'autre, mais considérez les deux bureaux comme la moitié d'un seul système de 10 000.
Comme on peut le voir sur la Fig. 57, seule la moitié des lignes allant des groupes mille des sélecteurs du groupe I aux groupes d'exploitation des sélecteurs du groupe II doivent alors être disposées en lignes de liaison entre les deux centraux. les lignes entre les sélecteurs du groupe II et les sélecteurs de ligne et entre ceux-ci et les sélecteurs du groupe I ne circulent qu'à l'intérieur des deux bureaux. Avec un système de 10 000 occupés à pleine capacité répartis sur deux bureaux, il faudrait poser 500 lignes de raccordement à double fil entre les deux bureaux. Bien sûr, chaque bureau doit avoir ses propres sources d'alimentation.

Remarques de clôture.
M.H. ! Avant de vous montrer l'appareil lui-même en fonctionnement, je voudrais juste terminer en disant que le système d'auto-connexion Strowger est utilisé depuis un certain nombre d'années dans plusieurs petits endroits en Amérique du Nord pour l'exploitation des réseaux téléphoniques publics urbains, mais pour les systèmes domestiques, par exemple il. a été mis en pratique au Département de la guerre à Washington. S'il n'a pas tenu partout au début, c'est probablement dû à certaines imperfections, dont certaines étaient dues au système lui-même et d'autres à la façon dont il a été fabriqué.
Des centres plus grands avec près de 1000 lignes sont actuellement en activité à New Bedford et Fall Fiver Massachusetts, que j'ai vus par moi-même au cours de la dernière année et dont j'ai pu me satisfaire en travaillant à la satisfaction des participants et des entrepreneurs. En attendant, il y en aura probablement d'autres.
Les réseaux téléphoniques municipaux peuvent avoir été configurés selon le système Strowger.
Il existe également un bureau d'auto-connexion à La Havane.
À Chicago, un central auto-connecté de 10 000 stations basé sur le système Strowger est en voie d'achèvement, que l'Illinois Telephone and Telegraph-Construction Company est en train de construire dans le centre d'affaires de la ville. La Société a l'intention de câbler entièrement chaque immeuble commercial et d'équiper chaque pièce d'un poste téléphonique sans frais pour le locataire ou le propriétaire. Des frais sont facturés uniquement lorsque l'appareil est utilisé, à savoir 5 cents pour chaque appel effectué, avec un montant annuel de 85 dollars. De plus, tous les appels doivent être gratuits. Les appels sont comptés sur un compteur relié au sélecteur de groupe I.
En plus de ce bureau, un second de plus grande envergure est prévu.

Le système Strowger, comme tous les systèmes téléphoniques automatiques, a rencontré une certaine opposition de la part des cercles de techniciens téléphoniques américains, principalement parce qu'il a été dit que le travail de l'opérateur téléphonique n'était pas purement mécanique, mais impliquait un travail mental qu'un mécanisme ne pouvait pas effectuer. l'objection a sans doute une certaine justification, surtout on ne peut se passer de la coopération des mains humaines pour le trafic longue distance. Cependant, il n'est pas nécessaire de prétendre qu'un système d'auto-connexion devrait facilement remplacer les systèmes à fonctionnement manuel, le vaste champ des réseaux de transport autonomes spéciaux s'ouvre encore pour l'utilisation d'un système d'auto-connexion.
Pour que le bureau qui s'installe à Berlin, l'idée première est qu'il se constitue un réseau voix à lui-même au sein du grand réseau général, auquel les abonnés qui maintiennent un trafic très actif mais sont cantonnés à certains cercles plus étroits, par exemle toutes les banques avec leurs succursales ou autres sociétés ayant de nombreuses succursales, telles que les journaux, les entreprises de transport ou les autorités telles que les usines de gaz et d'eau, les pompiers, la police, les postes médicaux, etc. Dans de tels cas, les avantages d'un système d'auto-connexion prennent tout leur sens, consistant dans le fait que l'établissement et la déconnexion d'une connexion prennent peu de temps, que les erreurs du central lors de l'établissement de la connexion sont exclues, qu'un système existant la connexion n'est pas perturbée, déconnectée ou écoutée par des tiers et que l'installation est prête à fonctionner à tout moment.
Bien sûr, ces avantages ne doivent pas être achetés trop cher, l'installation et l'exploitation d'un autocommutateur ne doivent pas être sensiblement plus coûteuses qu'avec un système à exploitation manuelle. Cependant, le coût d'investissement d'un central auto-raccordé, calculé par raccordement, est supérieur à celui d'un système à commande manuel moderne, tandis que les coûts d'exploitation sont inférieurs en raison de la limitation des dépenses de personnel. Afin de réduire les coûts d'investissement, les inventeurs ont utilisé tous les moyens imaginables qui rendaient la production moins chère dans la fabrication de l'appareil. Les appareils ne donnent donc pas l'impression d'être exécutés de la manière qui est encore habituelle pour de tels travaux dans notre pays, mais selon l'expérience antérieure ils devraient néanmoins remplir leur tâche de manière satisfaisante.

sommaire

Commentaires sur la conférence de M. Feyerabend sur le système d'auto-connexion Strowger, extraits de l'ETZ du 25 septembre 1903.

Le système d'auto-connexion Strowger Permettez-moi de faire quelques commentaires sur la conférence de M. Feyerabend dans le numéro 36 du "ETZ".
Le système a en commun avec les navires de guerre qu'il devient obsolète avant d'être entièrement construit. Le système décrit par M. Feyerabend n'a été utilisé qu'une seule fois à plus grande échelle, à Chicago pour un central qui compte actuellement 10 000 lignes. Pour les nouveaux échanges à Dayton Ohio (6000 lignes), Grand Rapids (5000 lignes), Portland Maine (2500 lignes), etc., la connexion en série des sélecteurs de groupe, comme illustré à la Fig. 14, page 730, n'est plus utilisé, mais un système de shunt selon la Fig. 1.

Parler à travers des aimants ou des relais, quelle que soit la taille de l'auto-induction, est toujours gênant, tandis que les courants de parole
sont à peine déviés par les shunts de 1000 O chacun à forte auto-induction.
Une autre amélioration significative est le jerk draw. L'appelé peut vouloir interrompre la conversation par impatience ou pour d'autres raisons. Avec le système en série, tel que décrit dans le livret 36, l'appelé ne peut pas se détacher complètement de l'appelant. Car tant que le sélecteur de ligne est sur le numéro appelé, il électrise la ligne bloquante de ce numéro et il ne peut être appelé par personne d'autre.
Un participant peut donc bloquer complètement un autre participant dans le système de série. Dans le système shunt, cependant, le sélecteur de ligne se compose, pour ainsi dire, de deux moitiés symétriques, du côté appelant, il y a deux relais qui actionnent l'aimant de déclenchement lorsqu'il est activé simultanément, et du côté appelé, il n'y a que de tels relais. Les deux moitiés sont reliées par des condensateurs plus petits, qui laissent passer les courants de parole sans entrave, mais pas les courants de travail.
Un autre changement, qui n'affecte que l'extérieur, est l'utilisation d'échafaudages en fer au lieu d'échafaudages en bois. L'échafaudage en fer est quasiment ignifugé, plus facile à monter et surtout permet une disposition beaucoup plus pratique des nombreux câbles. Tous les bureaux les plus récents sont équipés exclusivement de charpentes en fer.
Il y a encore un changement à mentionner. Le schéma de circuit de la figure 12, page 727, montre qu'avec l'agencement sélectionné ici, des inconvénients surviennent si un central n'est que partiellement étendu. Le nombre de connexions entre les Mille Groupes est trop faible. Dernièrement, un autre groupement a été utilisé dans lequel cet inconvénient est éliminé. Dans ce cas (Fig. 2), chaque groupe de milliers est réparti sur 10 standards, de sorte qu'il y a un standard pour 100 participants.,Les mille groupes sont placés les uns à côté des autres, par exemple 1100, 2100, 3100 etc... .
Désormais, les électeurs du premier groupe d'une telle évasion sont interconnectés, c'est-à-dire que les électeurs du groupe des mêmes centaines sont interconnectés, et non plus les électeurs du même millier. Une telle autoroute multimillénaire est maintenant exploitée là où elle traverse le millier dont elle porte le nombre. Par exemple, sur la figure 2, les autoroutes V sont prises au deuxième millier car, comme supposé, les autoroutes illustrées correspondent au deuxième niveau des ensembles de contacts (voir figure 50, p. 725).

Câblage du deuxième horizontal dans un système de 10 000 dont seulement 5 600 sont placés dans la première extension. Les autres niveaux sont similaires, sauf que les branches du groupe des milliers ont le même nombre que le niveau. Deuxième extension 5700 à 6900.
V = autoroute ; chaque tiret signifie 3 lignes, i. H une ligne de levage, une ligne de virage et une ligne d'écluse.
Z = embranchements vers les deuxièmes sélecteurs.

Dans la dernière centaine de la Fig. 2, il est indiqué comment z. B. s les autoroutes de la quatrième horizontale doivent être exploitées dans le quatrième mille.
Même si seulement 2 000 connexions sont construites dans un système de 10 000, le nombre total de connexions entre les deux groupes est déjà présent, sur la figure 40 100 connexions.
Autant que je sache, la conférence de Feyerabend est, à part une courte note dans le Handbuch der Elektrotechnik de Heinke, la première description détaillée du système en allemand. Il n'est donc pas trop tard pour faire quelques suggestions de nommage. Je trouve très gênant, surtout lors de la construction de grandes usines, de parler de lignes a et b, pourquoi ne pas soulever et retourner des lignes ?
Il est conseillé pour les "rangées horizontales" I II etc. "En travers" et pour les riches 11, 21, 31, .... 01 etc. pour introduire "vertical". Le terme "jeu de contacts" conduit au mot jeu de contacts de ligne de blocage monstre. Je pense que l'expression "banque" correspond à ce que vous voulez en allemand aussi bien que le mot en anglais
"Banque". Ce monstre devient alors une "banque de blocs". Il ne faut pas oublier que les expressions courtes peuvent éviter de nombreux malentendus lors de l'assemblage. Ainsi, un « poste de contact de ligne jumelée d'abonné » devient une « banque de lignes ». Pourquoi pas « électeur » au lieu de « électeur de groupe » ?
J'ai pris la liberté de faire ces suggestions de dénomination, car je suis convaincu que le système gagnera en importance et, espérons-le, le traitement littéraire également.
Il convient de souligner que ces suggestions étaient dans mon esprit depuis longtemps avant que je ne connaisse la conférence de Feyerabend. Les propos ne visent pas M. Feyerabend, puisqu'il n'utilise jamais d'aussi beaux mots. Ce ne sont que les séquences nécessaires de mots simples qui sont trop longues.

sommaire

Commentaires sur le rapport de F. Lubberger - "The Strowger self-connection system", tiré de l'ETZ, Berlin, 25 novembre 1903.

Le système d'auto-connexion Strowger
Aux remarques contenues dans le numéro 45 du "ETZ" par MF Lubberger de Grand Rapids, Michigan, je me permets de répondre comme suit :
M. Lubberger dit que le système d'auto-connexion du central Strowger que j'ai décrit dans ma présentation du 26 mai est déjà obsolète.
Les innovations introduites entre-temps sont les suivantes : dans les derniers bureaux construits en Amérique, les sélecteurs n'étaient plus connectés en série, mais un système de shunt (mieux vaut l'appeler un système de pont), dans lequel les aimants de travail et les relais ne sont pas directement dans le trajet du courant de parole, mais dans un pont situé entre les branches de la ligne.
J'avoue que ce changement est avantageux pour les transmissions sonores, cependant, la société d'exécution pour le bureau de Berlin a été impliquée dans la connexion en série des relais, etc. lié par l'exigence de l'administration postale du Reich selon laquelle l'intensité des courants de commutation circulant dans les lignes de connexion ne doit pas être supérieure à 150 milliampères.
Cette condition a été imposée car dans l'ancienne installation de test de Berlin, des perturbations d'induction s'étaient installées en raison de courants allant jusqu'à 1 A dans les lignes externes, en particulier dans les anciens câbles unipolaires. Comme le montre la figure 39 à la page 930 de "ETZ", cependant, dans le système de pont
les courants de commutation augmentent jusqu'à 300 milliampères à une tension de batterie de 50 V.
Lorsqu'il s'agissait de savoir quoi accepter, interférence d'induction ou faible atténuation de la parole, la décision a été prise en faveur de ce dernier comme moindre mal. En fait, l'atténuation de la parole due à la faible auto-induction des relais est si insignifiante qu'elle ne peut être perçue qu'avec des connexions longue distance, mais le système d'auto-connexion à Berlin ne doit pas être utilisé pour le trafic longue distance d'abord. Si seuls des câbles à double ligne sont utilisés, dans lesquels les fils qui vont ensemble sont torsadés par paires, les interférences d'induction seront à peine perceptibles, mais dans de telles conditions, le système de pont devra être préféré à l'avenir.
Comme autre "amélioration significative", M. Lubberger mentionne la possibilité d'un redéclenchement.
Auparavant, un abonné A pouvait bloquer un autre B par A se connectant à B mais ne l'appelant pas. Pendant cette connexion, B ne peut être appelé par personne d'autre, mais B peut se connecter à un autre emplacement à tout moment. La nouvelle disposition permet désormais à B de se désengager de A en appuyant une fois sur son premier sélecteur de groupe. c'est à dire. H efface sa ligne de blocage. Je ne vois guère d'avantage appréciable à l'innovation, car tant que B ne sait pas que A s'est connecté à lui pour le bloquer, il n'a aucune raison de s'approcher de son appareil, donc le blocage demeure. L'appareil ne serait parfait que si la connexion A/B vers B était envoyée au sélecteur de ligne. Alors B serait appelé sur son téléphone et, si personne ne répondait, il libérerait immédiatement sa ligne en appuyant une fois sur son premier sélecteur de groupe.
L'ancienne institution de Berlin a même un avantage sur la nouvelle à certains égards ; l'échange peut identifier quelqu'un qui occupe malicieusement une autre connexion à la demande de la partie bloquée, tandis que le nouveau circuit rend cela impossible.
Troisièmement, M. Libbuerger donne un arrangement différent des connexions de groupe.
Cela a entre-temps déjà été appliqué au bureau de Berlin. Si je n'ai pas approfondi ce circuit dans mon cours (je l'ai indiqué), c'est qu'il est difficile de le présenter en cours du fait de la grande taille du dessin.
La disposition schématique que j'ai donnée est plus facile à comprendre et concorde en principe avec celle indiquée par M. Lubberger.
Une autre innovation - l'utilisation de cadres en fer pour les dérailleurs arrière au lieu de cadres en bois - n'affecte que l'assemblage et n'a rien à voir avec l'essence du système Strowger.
Enfin, M. Lubberger fait quelques suggestions concernant une dénomination plus courte de certains composants du système. Je ne suis pas tout à fait d'accord avec lui sur ce point non plus. La désignation des branches d'une double ligne en tant que ligne a et b est assez courante dans la technologie téléphonique allemande et s'applique à tout le monde
Systèmes, pourquoi les lignes du système Strowger devraient-elles être appelées "hub" et "ligne de rotation" ? Incidemment, cette désignation serait également incorrecte dans la mesure où les courants de commutation, qui provoquent la rotation de l'arbre de commutation sur le sélecteur de ligne, via la ligne a, i. je. la ligne de trait. Il me semble aussi très douteux que le terme "Bank" pour contact set, tiré de l'anglais, mérite la préférence en allemand.

Berlin, 25/11/03 "Feyerabend", télégraphe - ingénieur.

sommaire

Central téléphonique automatique - système Strowger, - tiré de l'ETZ du 19 novembre 1903.

Dans le numéro 45 de "ETZ" 1903, p. 930, la conférence de M. Feyerabend sur le sujet ci-dessus, "ETZ" 1903, numéro 36, p. 724 à 734, a reçu un commentaire supplémentaire qui m'a conduit à un examen plus approfondi du sujet de un point de vue plus général.

La note traite de diverses nouvelles améliorations apportées au système Strowger.
En tant que tel, des améliorations au système Strowger sont certainement souhaitables et nécessaires. Mais il est frappant de constater que ces améliorations nouvelles et avancées ne se réfèrent qu'à des changements mineurs dans les circuits et la construction, tout en laissant l'essence du système intacte. En conséquence, le système est resté essentiellement au même stade de développement pendant plusieurs années. Il est également frappant de constater qu'en Amérique, de nouveaux échanges Strowger avec 5 000, 6 000 jusqu'à 10 000 connexions sont constamment créés.
Si les nouvelles sont exactes, au moins 100 000 à 150 000 appareils Strowger devraient déjà être installés dans le monde. Dans ces circonstances, la question devient opportune de savoir si la base technique du système Strowger est déjà aussi solide qu'elle le paraît à ceux qui sont loin, et si le summum de la perfection ne peut être atteint que par des améliorations du type mentionné.
Pour ceux qui connaissent la situation, rien ne semble plus pervers qu'une telle vision. La branche de la téléphonie en question est encore trop jeune pour s'être engagée dans des voies définies et bien établies. Il n'existe pas encore de système téléphonique automatique fondamental ou modèle pour les autres.

Le Strowger
- Le système ne fait pas exception. Jusqu'à présent, c'est lui qui a obtenu les succès les plus concrets - nous devons lui accorder cela - mais cela ne signifie pas que le système est sur une base solide et qu'il a suffisamment de vitalité pour se développer conformément aux demandes croissantes.
La plus grande prudence s'impose avant d'arriver à une telle conclusion, étant donné qu'il existe diverses indications que le système ne remplit pas tout à fait sa place.
Surtout, le système Strowger n'a pas encore trouvé la large diffusion qu'il mérite au regard de son âge, des efforts déployés et de ses grands objectifs. La diffusion du système a été principalement limitée à l'Amérique, la patrie de l'invention.
Jusqu'à présent, plus d'une douzaine de centraux plus grands ont été construits. Dans les pays européens, dont l'Allemagne, des tentatives isolées n'ont pas été faites. Le système n'a pas du tout pu ouvrir le champ des systèmes téléphoniques plus petits dans les usines, les hôtels, etc., bien que les conditions de test et d'introduction d'un système automatique semblent ici les plus favorables.
Les faits conduisent à la conclusion que le système Strowger n'était guère à jour lorsqu'il est apparu pour la première fois et a donc eu du mal par rapport aux systèmes téléphoniques ordinaires dès le départ.
La situation s'est beaucoup aggravée pour le système ces dernières années, car des progrès considérables ont été réalisés dans la construction et l'exploitation des centraux téléphoniques manuels ordinaires. L'introduction de la signalisation des lampes à incandescence, du fonctionnement sur batterie centrale, des signaux d'appel et de fin automatiques, de l'activation et de la désactivation automatiques des téléphones officiels, etc., n'est qu'un rappel pour indiquer clairement que les exigences imposées à un système automatique sont aujourd'hui beaucoup plus élevées qu'à l'heure actuelle.
Le système aurait dû suivre le rythme des bouleversements des offices non automatiques ; cela aurait exigé des innovations profondes et fondamentales. Cependant, comme déjà mentionné au début de ces lignes, de telles améliorations significatives du système ne se sont pas produites.
i
La conséquence en est que le système est progressivement devenu si arriéré que sa propagation, du moins en Allemagne, est de plus en plus mise en doute. L'épuisement prématuré du système Strowger est, bien sûr, indésirable au moment où l'opérateur téléphonique automatique commence à devenir une demande presque populaire. Il peut donc être opportun d'enquêter un peu plus sur le cas afin de déterminer les causes réelles des difficultés qui se sont présentées. De cette manière, au moins un arrêt complet sur le terrain est évité et peut-être un chemin vers une nouvelle avancée ciblée est-il trouvé. La racine du problème avec le système Strowger est l'utilisation excessive d'équipements coûteux. Cela va bien au-delà des termes auparavant familiers. Par rapport à cet inconvénient, le fait que les machines Stowger fonctionnent en toute sécurité et rapidement passe complètement au second plan. Comparé aux réalisations des bureaux ordinaires plus récents, ce n'est pas un avantage tel qu'il justifie en aucun cas l'introduction d'un fonctionnement automatique. Ce sont plutôt des considérations de nature économique qui sont déterminantes pour l'introduction.
Un centre automatique devrait éventuellement entraîner moins de coûts de construction et d'exploitation qu'un échange de même taille avec un fonctionnement manuel. Pour atteindre cet objectif, une restriction globale des installations est évidemment nécessaire dans le cas des centraux automatiques.
Diverses enquêtes sur la manière dont les installations pourraient être réduites à un niveau tolérable ont donné trois orientations qui méritent d'être mentionnées.
1. Strowger donne à chaque abonné entrant et ligne réseau son propre numéroteur et jeu de contacts. Il s'oppose aux centraux téléphoniques ordinaires, dans la mesure où il n'y est généralement pas d'usage d'établir les connexions selon le principe de la ligne unique et, surtout, pas de telle manière que chaque ligne entrante se voit attribuer son propre champ de prises.
Quelle quantité énorme de prises, fiches, cordons, etc nécessiterait un tel système, toute personne familiarisée avec l'équipement téléphonique comprendra. Strowger ne s'en offusqua pas, apparemment parce qu'il voulait avoir un principe aussi simple et clair que possible. Son principe a certes ces propriétés, mais en même temps il est aussi insuffisant. Elle ne contribue en rien à la simplification particulière de l'appareil, comme on aurait pu s'y attendre ; au moins les appareils Strowger ne sont nullement connus pour être simples. De plus, la plupart des installations d'un bureau Strowger sont des ballasts inutiles, c'est-à-dire gaspillés. Cela diminue considérablement la valeur économique du système.
On peut se faire une idée de l'ampleur de ce désavantage en regardant le bureau de 10 000 lignes récemment construit à Chicago. cette installation monstre comprend 14 400 sélecteurs et ensembles de contacts, chaque sélecteur et ensemble de contacts représentant une installation complexe. Les appareils remplissent trois grandes salles. Trois composeurs et ensembles de contacts sont nécessaires pour chaque appel, chaque connexion individuelle étant établie sur trois postes de travail. Étant donné que pas plus de 1 000 appels ont lieu en même temps au bureau, il n'y a pas plus de 3 000 appareils utilisés en même temps. Le grand reste des 11 400 électeurs et ensembles de contacts, soit environ 80 %, est constamment hors service et donc superflu.
Chacun reconnaîtra qu'il y a là un mal fondamental, qu'il convient avant tout de combattre, à savoir en suivant de plus près l'exemple des offices ordinaires.
2. Strowger donne à chaque électeur son propre moteur complet. Là aussi, il s'écarte des règles du service téléphonique normal au détriment du système. L'erreur est à certains égards la même que l'embauche d'un opérateur distinct pour chaque ligne entrante dans un central téléphonique ordinaire, comme cela est bien connu, cependant, il est habituel de transférer autant de lignes entrantes que possible à un ouvrier pour le service.
Vous vous surpassez littéralement à cet égard. Il en serait de même dans les bureaux automatiques. Strowger n'a pas poursuivi cet objectif car, comme je l'ai dit, il a équipé chaque électeur de son propre moteur.
Ainsi, dans un central à 10 000 connexions, il répète 14 400 fois le téléphone le plus cher et le moins sûr, alors que pour des besoins réels 100 à 200 répétitions devraient suffire, tout comme 100 à 200 femmes officiers suffiraient dans un central téléphonique ordinaire du même type. taille. Il est clair que cette déviation du système Strowger par rapport au principe des offices ordinaires est une grave erreur. Strowger, bien sûr, l'a vu lui-même. S'il n'a pourtant rien fait contre elle est probablement dû au fait qu'il a préféré la plus grande simplicité et vue d'ensemble possible à certaines complications techniques apparemment incontournables.
Néanmoins, la voie ignorée par Stowger devrait être tentée, ne serait-ce que pour l'énorme avantage, mais aussi parce que Strowger n'a pas atteint la simplicité souhaitée et parce qu'il n'est pas encore certain que les difficultés techniques redoutées se rencontreront sur le chemin .
3. Strowger permet aux participants d'établir eux-mêmes les connexions. Les abonnés déplacent pas à pas les appareils de bureau de la manière souhaitée, actionnent les récepteurs de signaux, etc. En un mot : toute l'opération repose entre les mains des abonnés. Ce n'est pas le cas des centraux téléphoniques ordinaires. Les participants ne participent pas à l'établissement et à la terminaison des connexions. Vous ne donnez qu'une commande correspondante au bureau. Si un ordre arrive au bureau, il appartient à l'officier appelé de faire le nécessaire pour exécuter l'ordre. Strowger n'a pas suivi ce modèle, bien que rien ne l'empêche de copier le modèle, par exemple de telle sorte que les fonctions de l'appareil puissent être contrôlées par un mécanisme dans le bureau qui est commun à tous les participants et peut être placé près des électeurs, permet de traîner. La régularité de l'opération offre la possibilité de réalisation technique de l'idée. Les avantages du nouveau mode de fonctionnement sont évidents. D'une part, la sécurité de fonctionnement est accrue car les appareils dépendent d'un mécanisme qui fonctionne très précisément et qui, sur une seule impulsion d'un intervenant, met les appareils en mouvement et les oblige à faire ce qu'il faut ; la participation personnelle des participants pendant le fonctionnement de l'appareil est complètement éliminée. Un autre avantage est que les difficultés de la téléphonie automatique sont généralement fortement réduites ; car il est plus facile de faire fonctionner les appareils du bureau de près que des stations éloignées, qui ne sont reliées au bureau que par deux fils et la terre. le nombre de signaux différents pouvant être transmis par les interphones au central est très limité, notamment en cas de fonctionnement sur batterie centrale. De plus, les récepteurs de signaux du central doivent être situés soit dans les lignes téléphoniques, soit dans des succursales de celles-ci. D'autre part, si les sélecteurs sont actionnés par un mécanisme de bureau, la transmission du signal, à la fois électrique et mécanique, peut facilement s'effectuer presque indépendamment des lignes vocales. Ce n'est pas le but de ces lignes d'entrer plus en détail dans cette suggestion d'amélioration.
Il faut seulement dire que le fonctionnement des appareils du système Strowger n'a rien en sa faveur, mais beaucoup contre lui, et que ce doit être l'effort de la technologie pour améliorer énergiquement l'approximation du fonctionnement téléphonique ordinaire négligé par Strowger dans ce domaine. respecter ainsi fonctionner.
Le résultat des considérations ci-dessus est la détermination du fait que le système Strowger, à son propre détriment, se tient trop éloigné du modèle de fonctionnement téléphonique ordinaire. Selon Strowger, il semble que les offices automatiques et non automatiques soient des choses fondamentalement différentes, régies par deux principes différents. Mais ce n'est pas le cas. Dans une large mesure, le central téléphonique automatique est lié par les mêmes règles et méthodes de travail qui ont été développées et éprouvées dans la pratique dans les bureaux ordinaires au fil du temps. Renoncer à ces règles et méthodes est hautement inopportun. D'emblée on écarte la perspective d'un développement bénéfique de l'automatisme.
Le système Strowger est très instructif et précieux pour la formation complémentaire au central téléphonique automatique. Si les idées esquissées peuvent être mises en pratique, les centraux téléphoniques automatiques pourront faire de grands progrès. alors une concurrence réussie de l'automatique avec les systèmes habituels devrait être hors de question.

Berlin, le 19 novembre 2003 Friedrich Merk

sommaire

Agences de commutation automatiques - par A. Kruckow, extrait de l'ETZ, Berlin, 29 mars 1906.

Agences de placement indépendantes, par A. Kruckow, post-stagiaire senior.

Les tentatives d'établir la connexion des connexions téléphoniques au central de commutation au moyen de dispositifs automatiques au lieu d'une opération manuelle remontent à environ 20 ans. Plusieurs inventeurs ont proposé des suggestions dans le domaine au fil des ans, mais seul l'arrangement spécifié par l'Américain Strowger et nommé d'après lui a trouvé une utilisation pratique en Allemagne.
Strowger a reçu son premier brevet au début des années 1890.
Plus tard, d'autres inventeurs ont également travaillé pour amener l'arrangement dans sa forme actuelle et utilisable.
Une description détaillée de l'arrangement Strowger et de son mode de fonctionnement a été donnée pour la première fois en Allemagne lors d'une conférence tenue devant l'Association électrotechnique, qui a été incluse dans l'ETZ. Dans cette conférence, il a été déclaré que la Reichs Telegraphenverwaltung à Berlin avait mis en place un bureau d'essai conformément à l'ordre Strowger, puisque les déclarations concernaient essentiellement les installations de ce bureau d'essai.
Ce qui était remarquable, c'est la déclaration de l'orateur selon laquelle le bureau fonctionnait en toute sécurité, une circonstance qui a été soulignée à nouveau dans une lettre ultérieure à l'ETZ.
Cela prouve que la commutation automatique est déjà capable de remplacer le fonctionnement manuel, et de nombreux rapports d'abonnés connectés aux réseaux Strowger indiquent que le fonctionnement automatique est non seulement sûr, mais que personne n'est non plus en mesure qu'un retour au mode manuel soit souhaité.
Il est d'autant plus frappant que la commande Strowger ait trouvé si peu de diffusion dans les États européens, alors qu'en Amérique, il existe déjà une quarantaine de réseaux, dont certains de grande taille, avec des commutateurs automatiques.
Une comparaison du fonctionnement et des coûts de fonctionnement d'une part pour les guichets auto-raccordés et d'autre part pour les guichets à fonctionnement manuel mérite donc d'être relevée.
L'impulsion de cette comparaison a été donnée par des conditions locales particulières, qui ont rendu souhaitable à certains égards l'utilisation de l'automatisme à l'occasion de l'implantation prochaine d'un nouveau bureau de taille moyenne.
J'ai donc fait référence à la conférence imprimée dans l'ETZ.
Il convient seulement de mentionner que la base de l'arrangement Strowger est restée la même, même si des progrès considérables ont été réalisés dans l'exécution.
Les avantages de la commutation automatique par rapport au fonctionnement manuel sont les suivants :
1. Le fonctionnement est amélioré en rendant les connexions plus rapides et plus sûres,
2. les connexions peuvent être utilisées à tout moment indépendamment des heures de bureau,
3. les frais de fonctionnement sont réduits et
4. Les responsables locaux des transports deviendront superflus.
Il ne fait aucun doute que le fonctionnement est plus sûr et plus rapide qu'avec les commutateurs multiples habituels. Même s'il a été possible, en créant des indicatifs d'appel et de fin ostensibles (ampoules, galvanoscopes d'enseigne de fin), d'améliorer la répartition des prises multiples et autres, de faciliter l'observation des indicatifs d'appel et de fin et la prise de connexions, il ne peut être évité qu'entre l'appel et le service, un temps s'écoule entre le signal de fin et la déconnexion des connexions.
Cela est dû à la conception des dispositifs de commutation, dans laquelle un plus grand nombre de personne doit être affecté au service, et à la répartition conséquente de la main-d'œuvre. Cependant, même les temps d'attente courts sont perçus comme gênants par les abonnés au téléphone et donnent souvent lieu à des plaintes concernant un mauvais service.
Avec les autocommutateurs, chaque abonné établit sa propre connexion en quelques étapes simples et peu chronophages ; si la connexion souhaitée ne peut être établie, il en est informé par un signe spécial immédiatement connaissance. Le notoire : "mauvaise connexion" tombe avec les bureaux automatiques.
Le fait que l'installation soit toujours prête à fonctionner et que l'établissement des connexions ne dépende pas de la présence d'un fonctionnaire signifie que la question du service de nuit est résolue d'elle-même. De même, aucune autre explication n'est requise que les petites compagnies de téléphone à service limité heures bénéficient de l'avantage d'une disponibilité opérationnelle constante. Et quiconque est depuis longtemps dans le service de commutation sait à quel point il est dommageable pour les abonnés au téléphone dans les petits réseaux de ne pouvoir utiliser leur connexion que pendant quelques heures de la journée, ce qui n'est en aucun cas une rareté qu'ils ont souvent se passer de ses services en cas de besoin, où le téléphone pourrait réellement s'avérer être un appareil bénéfique, car le fonctionnement du central est suspendu. Il existe ici un large champ d'échange automatique, d'autant plus que dans certains quartiers, même les plus petites villes disposent de réseaux électriques à haute tension, l'obtention de l'électricité nécessaire ne présente donc aucune difficulté.
D'autre part, une prolongation des heures de travail dans ces lieux, si elle est possible compte tenu des conditions locales, est généralement associée à une augmentation disproportionnée des dépenses courantes.
Les avantages de la commutation automatique par rapport au fonctionnement manuel mentionnés aux points 3 et 4 sont en partie les mêmes, car la réduction considérable des coûts d'exploitation est essentiellement due à la suppression de l'opérateur attribué pour le au trafic local.
Cependant, cette élimination est également souhaitable à l'égard des fonctionnaires eux-mêmes. C'est un point qu'il ne faut pas sous-estimer. Quiconque a eu l'occasion d'observer le travail sur les centres multiples pendant longtemps, mais surtout quiconque a travaillé sur les centres multiples eux-mêmes, sait à quel point cette activité monotone et généralement ardue soulage l'esprit et le corps. Ce n'est pas pour rien que l'état de santé des fonctionnaires est de plus en plus exigeant.
En trafic dit longue distance, c'est-à-dire lors de l'exploitation des lignes reliant les différents réseaux téléphoniques locaux, les conditions sont beaucoup plus favorables. Ici, les compétences et la prudence des fonctionnaires sont plus exigeantes, mais le travail est moins monotone et moins ardu. Comparés à ces avantages, les inconvénients du fonctionnement en auto-connexion, pour autant qu'ils soient connus, sont d'importance mineure.
Dans la lettre mentionnée à l'ETZ, le principal inconvénient de la commande Strowger est les dépenses excessives pour des installations coûteuses.
Les autres points concernent la manière dont Strowger a choisi de résoudre le problème et ne sont pas pris en compte jusqu'à ce qu'un autre arrangement plus utile soit trouvé. Cependant, il n'y a aucune raison, s'il n'y a pas de soucis d'un autre genre, d'attendre ce dispositif « à venir » et de ne pas utiliser celui qui existe.
De plus, la comparaison des coûts d'un tronc Strowger avec les coûts d'un commutateur multiple moderne ne se fait pas tant au détriment du premier. Le coût d'une installation locale avec signalisation automatique de fin (fonctionnement manuel) jusqu'à 2000 connexions sans les départs de câbles comprenant trois coffrets frontaux nécessaires à la commutation du trafic local et longue distance, et l'équipement dans les stations, mais à l'exclusion de l'équipement pour l'alimentation électrique, s'élève à environ 120 000 M. Les coûts pour l'équipement dans les stations sont inclus car ces coûts doivent également être pris en compte dans l'arrangement Strowger.
Selon un calcul mis à disposition par Deutsche Waffen und Munitionsfabriken, un Strowger Amt de même taille coûte 290 000 M. Cette somme n'inclut pas non plus les coûts des câbles et de l'alimentation électrique. Ces coûts seront approximativement les mêmes dans les deux cas.
Les coûts d'acquisition du fonctionnement automatique sont donc considérablement plus élevés, de l'ordre de 170 000 M.
Cependant, si l'on prend en compte que pour opérer les aiguillages multiples, un salaire annuel moyen de 19 800 M pour 18 assistants, ce qui n'est pas nécessaire pour le fonctionnement indépendant, la donne bascule nettement en faveur du bureau indépendant. Avec un remboursement sur dix ans, cette somme représenterait la quotité de remboursement d'environ 200 000 M.
Les coûts d'approvisionnement plus élevés pour le central d'auto-raccordement ne sont donc pas aussi importants qu'il y paraît à première vue.
Le directeur de la Citizens Telephone Company de Grand Rapids, Michigan. indique dans une compilation du 9 avril 1904 que les coûts annuels pour le personnel d'un central à plusieurs commutateurs et 5125 connexions sont supérieurs de 103 800 M
ont été que dans un échange auto-connecté avec 5507 abonnés. Cependant, il ne faut pas oublier que les coûts d'exploitation en Amérique sont nettement plus élevés que dans les pays européens. Mais même en tenant compte du fait que les installations des bureaux indépendants risquent de s'user un peu plus vite, ces chiffres permettent de conclure que le fonctionnement indépendant, si l'on tient compte des coûts d'investissement et d'entretien, sera à terme long terme sera économiquement avantageux. Les coûts d'acquisition pourront également être réduits à certains égards.
L'acquisition d'installations entièrement nouvelles pour les sites d'abonnés est par ex. B. non requis.
Les boîtiers de téléphone pour l'auto-connexion diffèrent de ceux habituels dans la Reichs-Telegraphenverwaltung, mis à part le flux de courant, uniquement en ce que le disque de réglage avec accessoires est ajouté, que le dispositif de commutation marche/arrêt est configuré différemment et qu'un bouton est utilisé à la place de l'inducteur. Le disque de réglage avec accessoires pourrait être logé séparément de l'appareil dans un boîtier supplémentaire afin de rendre inutile l'acquisition de nouveaux boîtiers. Les modifications à apporter aux boîtiers (insertion d'un dispositif marche/arrêt approprié, remplacement de l'inductance par un bouton, modification du circuit) s'effectueront sans difficulté. Les principaux composants restants du boîtier. Le microphone, l'émetteur, l'écouteur et le réveil pourraient continuer à être utilisés. L'introduction du fonctionnement automatique peut également être associée à d'importantes économies de coûts à d'autres égards. Selon l'arrangement de Strowger, peu importe que les électeurs du groupe soient tous logés au même endroit ou dans des pièces ou des locaux différents. Ainsi, il n'est nullement nécessaire que toutes les lignes d'alimentation des pupitres d'appel aboutissent au central téléphonique. Si des sous-stations sont installées en divers points, il suffit qu'elles soient reliées au central réel par des lignes principales avec un nombre limité de lignes.
Les électeurs du bureau principal n'ont alors plus qu'à s'interposer entre eux pour le trafic des lignes principales, à l'exception du trafic des abonnés qui y sont directement raccordés.
Malheureusement, selon les documents disponibles, il n'est pas possible de fournir des informations précises sur les économies d'équipement de ligne dans ce cas ; cependant, à 25 %, ils ne doivent pas être surestimés.
Le passage du fonctionnement manuel au fonctionnement automatique aura pris des formes différentes selon les moyens disponibles. Pour le trafic longue distance, l'abandon de la commande manuelle ne doit pas entraîner de difficultés qui ne puissent être éliminées par des modifications appropriées des dispositifs d'appel sur les armoires longue distance, etc.
On peut même supposer qu'en connectant en grande partie automatiquement les petits réseaux situés dans un rayon de 10 km aux grands réseaux téléphoniques locaux, il sera plus facile de travailler sur les lignes longue distance et de mieux les utiliser.
La détermination de la tarification téléphonique, selon laquelle les participants sont libres de payer les taxes d'appel de base et individuelles, n'a pas besoin d'être modifiée, puisque les appels locaux peuvent être comptés par des compteurs d'appels intégrés. Des tests ont été effectués avec de tels appareils selon les suggestions des usines d'armes et de munitions allemandes, qui ont montré qu'ils fonctionnaient parfaitement.
Si l'on résume ces résultats, il paraît frappant que la première tentative faite à Berlin de médiation automatique n'ait pas déjà été suivie d'autres.
Cela peut être en partie dû au fait que le titulaire du brevet réclamait auparavant une redevance annuelle de 12,75 M pour chaque raccordement d'abonné, soit une redevance annuelle de 25 500 M pour 2000 raccordements, par exemple. Ce prélèvement dépasse le montant des salaires officiels à consacrer aux opérations manuelles (voir ci-dessus) d'environ 6 000 millions et élimine l'avantage des économies de coûts dans les opérations indépendantes.
Il devrait donc être dans l'intérêt de l'entreprise elle-même si elle renonçait à la redevance à l'avenir. Peut-être même avec des livraisons plus importantes, les coûts élevés des installations peuvent être réduits.
Dans l'intervalle, il semble essentiel de continuer à travailler assidûment sur l'expansion des mécanismes de commutation automatique afin de rendre les avantages du nouveau mode de fonctionnement de plus en plus accessibles au grand public.
Résumé.
Les avantages de la commutation automatique, qui résident dans l'amélioration des opérations, l'astreinte constante et la suppression des agents pour le service local, sont tels qu'une plus grande application de la commutation automatique, notamment dans les réseaux téléphoniques de taille moyenne, apparaît souhaitable.
L'expérience ainsi acquise contribuera de manière significative au perfectionnement des dispositifs de commutation automatique et à leur adaptation aux conditions locales particulières.
Même s'il n'y a actuellement aucune économie de coûts associée à l'introduction de l'activité indépendante en raison des coûts d'acquisition élevés et surtout de la redevance, cela changera dès qu'il y aura une plus grande transition vers l'activité indépendante.

sommaire

Extensions et conversions des centraux téléphoniques automatiques, tirées de l'ETZ, Berlin, 12 décembre 1907.

Extensions et rénovation des centraux téléphoniques automatiques, par F. Lubberger, Chicago.

La diffusion du système téléphonique automatique, qui porte toujours le nom de Strowger, a été si importante ces dernières années qu'il peut être intéressant pour les particuliers et les autorités de suivre l'évolution. Plusieurs nouveaux systèmes sont apparus récemment, et chacun prétend surpasser le système Strowger à tous points de vue. Cependant, les lignes suivantes montreront à quelles conditions un nouveau système doit répondre s'il veut concurrencer avec succès un système qui existe depuis plusieurs années, et à quel point il est difficile de faire passer un système téléphonique de la salle de test à la réalité. En soi, il peut être assez bon pour certains équipements, mais il ne devient clair que lorsqu'il est utilisé à grande échelle s'il est viable ou non.
Je me souviens par ex. seulement les tentatives infructueuses avec plusieurs armoires subdivisées, qui ont été installées dans deux très grands bureaux et arrachées à nouveau après un court laps de temps.
L'adaptabilité d'un système téléphonique est particulièrement évidente lors de l'agrandissement de bureaux existants et de la conversion d'anciens bureaux en nouveaux. Le système Strowger a brillamment fait ses preuves à cet égard.
À Los Angeles Cal, un central manuel avec environ 9 000 connexions a été construit il y a environ cinq ans. Pas tout à fait deux ans plus tard, cet échange a été élargi par un échange automatique avec 4000 connexions, et depuis lors, six autres automatiques sont venus.
Des bureaux ont été ajoutés, de sorte qu'il y a maintenant environ 19 000 téléphones automatiques. Il est remarquable que le bureau manuel soit alimenté par une batterie centrale, alors que le système automatique utilise encore des batteries locales pour le moment. Le succès de l'opération indépendante est tel que le bureau manuel sera probablement transformé en un grand bureau indépendant cette année.
À une échelle un peu plus petite, le problème de l'interaction des bureaux manuels et automatiques à South Bend Ind. a été résolu et les deux bureaux sont équipés de batteries centrales. Le bureau manuel a 2000 connexions, l'extension automatique 500 connexions. Même la communication avec deux petits bureaux distants d'environ 20 km s'effectue automatiquement sans aucun inconvénient.
Dans ces deux bureaux, l'idée a été réalisée que chaque ligne d'échange manuel devait être connectée à n'importe quelle ligne utilisant la méthode de fonctionnement manuel, et que chaque ligne automatique recevrait automatiquement les connexions souhaitées. A Los Angeles, pendant les périodes de faible trafic, un fonctionnement mixte est mis en place, c'est-à-dire que les branchements des lignes d'échange manuelles avec des branchements automatiques sont effectués la nuit et le dimanche à des coffrets qui sont équipés de téléavertisseurs automatiques et qui sont reliés aux autres coffrets par les lignes d'échange.
Dans divers petits bureaux, par ex. Tonopa Nev, une telle opération mixte est mise en place en permanence, c'est-à-dire que les lignes automatiques se connectent automatiquement les unes aux autres, les lignes d'échange manuelles de la manière habituelle, et les connexions entre les deux groupes sont effectuées par des fonctionnaires.
Le système automatique a trouvé une utilisation particulière dans deux bureaux du Michigan. Les anciens placards ne suffisaient plus, et il n'y avait aucun moyen de les remodeler. Des armoires automatiques ont été installées à la place des multiples, et les agents effectuent les raccordements aux lignes qu'ils ne pouvaient atteindre eux-mêmes, c'est-à-dire à l'aide d'un téléavertisseur et d'un sélecteur de ligne.
Ces quelques exemples montrent que le système Strowger peut certainement être choisi comme une extension des grands et petits bureaux existants avec une batterie centrale ou locale.

La croissance des bureaux purement indépendants est stupéfiante. Presque pas un seul bureau construit ces dernières années n'est resté dans son état d'origine.
C'est vraiment bien pour une petite entreprise de ne pas avoir à calculer à l'avance comment sera la croissance dans un avenir proche ou futur lors de sa première expansion, car il est facile de faire des erreurs. À Columbus, par ex. un central à commutateurs multiples avait été mis en place avec une capacité de 5200 connexions ; au départ, il n'y avait qu'environ 2 000 lignes en service. Moins de trois ans plus tard, le bureau était trop petit et un bureau automatique de 8 000 connexions a été mis en place (il y a environ deux ans). Celui-ci compte déjà 11 000 lignes et de nouvelles liaisons sont régulièrement réservées.
Parfois, les commandes d'extensions surviennent lors de l'extension initiale d'un bureau, et elles sont importantes.
Portland Oregon obtient actuellement quatre centres totalisant 5 000 lignes, et des demandes ont été reçues pour 3 000 stations supplémentaires pendant la construction.
La commodité que des extensions peuvent être faites sans la moindre perturbation des parties en fonctionnement, et aussi l'économie que la première extension n'a pas à être prise en charge dans un avenir prévisible, est un avantage si essentiel du système automatique que les petits bureaux en particulier peuvent en bénéficier ces deux circonstances peuvent être maintenues rentables relativement facilement.
Un trafic élevé inattendu a conduit à une situation étrange à Grand Rapids. Lorsque le central automatique avec 5000 lignes a été construit il y a environ 3 ans, on pensait qu'il était suffisant pour longtemps, mais par précaution, la salle de commutation a été suffisamment dimentionnée pour 9000 lignes . En peu de temps, cependant, le standard a été agrandi trois fois, et la question était de savoir quoi faire avec le nouvel équipement qui était encore nécessaire.Il y a déjà environ 8 500 points d'extensions en service.
Si ce n'est pas l'objet de ces lignes de rendre compte des dernières installations, il faut mentionner que les bureaux les plus récents sont en train d'être équipés de nouveaux appareils, avec lesquels le nombre de premiers électeurs est réduit à 10%, avec environ 30% de places gagnées. .
Lorsque Grand Rapids a vu qu'il manquait d'espace, ils ont reconstruit le huitième millier avec le nouvel appareil et en même temps en ont installé un autre millier, puis transféré les lignes de l'ancien septième millier au nouveau groupe et ont enlevé l'ancien septième millier.
Ce changement a maintenant fait de la place pour deux autres groupes de 1000 lignes chacun.
Avec cet ajout et cette conversion, tout s'est si bien déroulé que les participants n'ont rien su du changement, un succès qui serait impossible avec des bureaux manuels. Avec cette extension et cette conversion à Grand Rapids, vous remarquerez peut-être qu'un deuxième bureau n'a pas été construit à quelques kilomètres de là. Presque toutes les grandes installations sont maintenant construites avec deux bureaux ou plus, donc Los Angeles Cal. sept bureaux indépendants, Portland Oregon a quatre bureaux, Oakland Cal. a deux bureaux, New Bedford Mass en a trois, Columbus O., Lincoln Neb. Dayton O., South Bend ont déjà construit de petits sous-bureaux de 100 à 500 lignes chacun. L'arrangement mentionné ci-dessus permet de rassembler les lignes d'un quartier en un point au milieu de celui-ci et de les conduire de là au bureau principal avec seulement environ 30% du cuivre qui serait autrement nécessaire. Un certain nombre de nouveaux bureaux actuellement prévus seront construits à partir de zéro dans le cadre de ce nouveau système.
Compte tenu de la croissance surprenante des entreprises indépendantes, il convient probablement de se demander quelles en sont les principales raisons. Quelques raisons ont déjà été données, mais il faut noter que la mise en place d'opérations à participants multiples a également inclus la population moins aisée. Sous une ligne multi-abonnés se trouve une ligne à laquelle sont connectés deux à quatre abonnés, qui peuvent certes écouter une conversation, mais qui sont éventuellement appelés, c'est-à-dire par ex. si vous voulez le troisième participant, donc seul celui-ci est appelé, les sonneries des autres stations ne répondent pas. Bien sûr, le loyer d'une telle ligne peut être considérablement réduit, car quatre participants paient pour une ligne.

La ligne multi-abonnés élimine le besoin de stations principales gênantes où l'on est à la merci du gardien.
Le système Strowger a été mis en place pour un fonctionnement à plusieurs abonnés il y a environ 1 an seulement.
Un certain nombre de bureaux avaient déjà été mis en place qui ne voulaient pas manquer cette innovation. Cependant, la croissance n'a pas encore forcé les expansions, d'autant plus que l'introduction de l'exploitation à abonnés multiples a réduit le nombre de lignes, même si le nombre d'abonnés a augmenté. Des parties des installations existantes ont donc été reconstruites dans un certain nombre de bureaux.
Ces conversions doivent être préparées très soigneusement. En effet, les parties du central qui sont déjà en service doivent être modifiées, et le changement est généralement rendu plus difficile par la condition que les numéros des lignes connectées à ces parties ne doivent pas être modifiés, car les hommes d'affaires sont très sensibles à de tels changements. Naturellement, le central doit être configuré de manière à ce qu'un abonné puisse conserver seul sa connexion s'il le souhaite. À Dayton O. 500 lignes ont été reconstruites, à Lincoln Neb. 1000 lignes, à Lewiston Me. même le bureau entier avec 1500 lignes a été reconstruit. Bien sûr, il est plus pratique d'ajouter simplement de nouvelles pièces au lieu de reconstruire des pièces individuelles de bureaux existants. À l'exception des bureaux de Californie, tous les nouveaux bureaux auront des départements multiservices.
La supériorité du bureau automatique sur le bureau manuel dans l'entreprise aurait dû ressortir des descriptions ci-dessus. Cependant, pour plus de confirmation, l'adaptabilité du système automatique à tout système plus ancien doit être démontrée sur la base des différentes conversions qui ont été effectuées.
Si un bureau avec n'importe quel système est si obsolète ou désespérément trop petit qu'il doit être reconstruit, il y a deux manières différentes de procéder ; soit l'ensemble du système est basculé de l'ancien au nouveau central en quelques minutes, soit l'un ne commute qu'une ligne après l'autre, ce qui, dans le cas de grands centraux, nécessite un mois ou deux pour le basculement complet. En général, la méthode lente est préférée. car bien sûr, les choses ne se passent pas toujours sans interruption, et s'il y a un changement soudain, il y a tout un désordre dans les bureaux avec plus de 1 000 lignes pendant un jour ou deux. Vous devez prendre en compte : en prévision d'un basculement soudain, chaque abonné doit recevoir le nouvel appareil, ce qui prend généralement des semaines. Pendant ce temps, il reste souvent beaucoup de travail à faire sur les lignes.
Comme l'automatisme ne fonctionne pas lorsque les lignes sont inversées et que les monteurs de lignes ne font souvent pas attention à la façon dont ils reconnectent les lignes réparées, une multitude de mauvais raccordements sont mis au jour lorsque les lignes sont brusquement commutées.
Il n'est pas toujours possible non plus de remplacer les anciens appareils par les nouveaux, par ex. B. si vous passez de la batterie locale à la batterie centrale. Néanmoins, de grands bureaux ont déjà été changés selon ce plan, par ex. B. Grand Rapids avec 5000 lignes, Allentown avec 1000 lignes, et des plans sont en cours pour changer le bureau central (fonctionnement manuel) de Los Angeles avec 9000 lignes vers un nouveau bureau automatique en quelques minutes. Avec suffisamment de prudence dans la préparation, les perturbations restent dans des limites très modérées, et seulement pendant quelques jours.
Les basculements lents réussissent presque sans interruption. Dans l'ensemble, cependant, il faut dire qu'ils sont plus chers que les basculements soudains. Parce que presque chaque bureau a des dizaines de particularités, car les entreprises doivent toujours tenir compte des souhaits particuliers de leurs participants. Bien sûr, ces souhaits doivent également être pris en compte dans le nouveau bureau, mais ils nécessitent un certain nombre d'appareils supplémentaires lors du basculement. la conversion de Columbus O. est décrite à titre d'exemple.
L'ancien bureau était un système de batterie central avec plusieurs armoires. Le bureau automatique disposait de batteries locales et était installé dans un bâtiment très proche de l'ancien bureau. Pendant la construction, environ 3 000 postes téléphoniques ont été équipés de nouveaux appareils et les deux bureaux ont été reliés par quelques câbles.
Cependant, une bobine de 500 ohms et deux condensateurs devaient être commutés dans chaque ligne car la nouvelle batterie avait 50 V et le pôle positif mis à la terre, mais l'ancienne batterie avait 24 V et le pôle négatif mis à la terre. Il a fallu préparer les circuits spéciaux suivants : Raccordement à l'ancienne armoire longue distance, le nouveau central longue distance n'ayant été livré que trois mois plus tard. L'ancien système exigeait que les sonneries soient mis à la terre, le nouveau nécessitait absolument des lignes isolées, mais les appareils devaient encore être configurés pour fonctionner avec l'ancien central, car environ 3 000 stations ont été changées avant le basculement pour gagner du temps, puisque le nouvel échange n'était toujours pas disponible, des dispositions ont dû être prises pour appeler les lignes dites "agriculteurs" du côté des indépendants. Cela signifie des lignes solides ou bifilaires, mises à la terre ou non, avec 16 à 25 stations dans chaque ligne, qui comprennent souvent des appareils d'origines et de circuits différents. Un grand nombre de lignes étaient équipées de deux ou trois postes téléphoniques et servaient à l'intercommunication sans avoir de numéros spéciaux.
Pour passer un appel, un participant doit rappeler sur sa propre ligne. pour ce type d'opération, cependant, l'installation de lignes multiples un peu plus compliquées n'est pas conseillée, il fallait donc faire particulièrement attention à ces lignes lors de la conversion. Diverses stations ne doivent pas avoir accès à l'armoire à distance, par ex. les interphones des tavernes, car avec eux les interurbains les frais sont difficiles à percevoir.
Encore une fois quelque chose de spécial pour la conversion. Les bureaux secondaires privés ont été traités avec beaucoup de soin. Les grands hôtels ont des bureaux secondaires avec 100 à 150 stations et 10 à 15 lignes vers le bureau principal. Le bureau secondaire est une opération manuelle. mais dispose d'installations d'appel automatique. A cette époque, la surveillance des autocontrôleurs était encore sous la responsabilité d'une femme officier, même pour les bureaux indépendants, il fallait donc s'occuper également de ces lignes. Mentionnons seulement en passant qu'il fallait naturellement aussi prévoir des liaisons avec le cabinet de l'agence de crédit, avec le cabinet de signalement des fautes et avec d'autres liaisons similaires. Une installation a d'abord été frappée à Columbus, à savoir une connexion d'une nature telle qu'une réponse est faite à partir de n'importe quelle ligne appelée, même si cette ligne ne doit pas être en service, auquel cas une employée répond.
Le processus de commutation était maintenant le suivant.
Le nouveau bureau était pleinement opérationnel et, comme mentionné, relié à l'ancien bureau. La commutation consistait à déconnecter la trappe de l'ancien bureau et à se connecter au premier numéroteur.
La ligne n'a pas été retirée des champs multiples. Lors du basculement, l'abonné recevait un nouveau répertoire et était chargé d'établir lui-même toutes les connexions.
On peut déduire de ces indications que la commutation d'un gros tronc est assez coûteuse si l'on ne veut pas imposer un petit désagrément aux abonnés. Pour certains petits bureaux, cependant, le processus est trop coûteux. Avec une petite charge sur les participants, le changement peut être beaucoup moins cher.
Encore une fois, le nouveau bureau est d'abord rendu pleinement opérationnel. Ensuite, vous commencez à changer les postes et, en même temps, vous donnez à l'abonné une liste de toutes les lignes qui ont été commutées. Il peut atteindre toutes ces lignes par lui-même. Pour les connexions avec des lignes qui n'ont pas encore été commutées, cependant, il doit appeler un officier, qui établit ensuite la connexion de la manière habituelle. L'appel de l'officier se fait d'un simple tour de disque.
A l'inverse, si un poste qui n'a pas encore basculé souhaite se connecter à une ligne déjà en fonctionnement automatique, l'agent établit également la connexion en appelant d'abord avec un appareil d'appel automatique mis en place provisoirement puis en connectant les deux lignes.
Cette procédure est tout à fait applicable pour les bureaux avec un maximum de 1000 participants.
Avec cette taille, vous pouvez toujours garder le contact avec tous les participants et vous n'avez qu'à changer les listes tous les huit jours maximum jusqu'à ce que le basculement soit terminé.

sommaire

Central téléphonique automatique à Hildesheim, extrait de l'ETZ, Berlin, 18 février 1909.

Central téléphonique Hildesheim, de Ober - Ostpraktikant Kruckow, Berlin.

Le 10 juillet 1908, un central d'auto-connexion est mis en service à Hildesheim.
Cela devrait présenter un intérêt particulier puisque Hildesheim est le premier réseau téléphonique local dans le domaine de l'administration télégraphique du Reich et, pour autant que l'on sache, sur le continent, dont le trafic local est exclusivement automatique.
Au moment de sa mise en service, le réseau téléphonique local d'Hildesheim comptait environ 900 connexions principales avec un total de 1100 postes téléphoniques. Le trafic local et longue distance est animé.
Le central à connexion automatique a été conçu pour une capacité de 1200 lignes d'accès, mais la capacité peut être facilement augmentée de la manière propre aux systèmes à connexion automatique.
Le réseau de lignes est étendu pour les lignes doubles. Si les lignes ne bifurquent pas directement au-dessus du sol du bureau aux postes d'interphonie à proximité, elles courent dans diverses lignes de câble radialement aux points de performance, afin de continuer à partir de là en tant que lignes aériennes jusqu'aux postes d'interphonie individuels.
Compte tenu de la disposition existante du réseau central et du manque d'expérience en matière de trafic avec les autocommutateurs et de trafic longue distance dans les opérations d'auto-raccordement, il a semblé judicieux de faire abstraction dans un premier temps de l'utilisation des dispositifs de présélection, dont il sera question plus loin, et aussi de s'abstenir d'effectuer le fonctionnement sur batterie centrale (alimentation centralisée des microphones des interphones participants). En conséquence, les batteries des microphones locaux des postes téléphoniques ont été conservées. Le bureau local est par ailleurs aménagé selon le système Strowger, seul système d'auto-raccordement largement utilisé jusqu'à présent, et selon la taille du réseau selon le principe des 10 000 avec sélecteurs de groupe I et II et ligne sélecteurs. Contrairement aux systèmes plus anciens, le système au sein du bureau a trois fils.
La construction du bureau d'auto-connexion était entre les mains des usines allemandes d'armes et de munitions. La société Mix & Genest A. - G. a fourni l'équipement pour l'échange longue distance. Le montage de celui-ci a été effectué par le personnel de l'administration télégraphique du Reich. L'équipement de test pour l'examen des lignes et des interrupteurs intermédiaires ainsi que les armoires à volets pour les abonnés ont été fabriqués par Siemens & Halske A. - G, et E. Zwietusch & Co. a fourni au distributeur principal un équipement d'alarme.
La structure et le mode de fonctionnement mécanique des sélecteurs correspondent aux dispositifs Strowger bien connus.
Une description spéciale peut donc être dispensée à ce stade. La conférence de Postrat Feyerabend publiée dans "ETZ 1908, p. 124" contient tout ce qu'il faut savoir à ce sujet.
Outre la forme extérieure, la disposition des postes téléphoniques est également restée essentiellement la même.
Les figures 1, 2 et 3 représentent des vues des sélecteurs et des appareils utilisés à Hildesheim.
La figure 4 montre le disque numérique présent dans chaque appareil d'abonné, le mécanisme de commutation requis pour actionner les sélecteurs.
Avant d'entrer dans les détails sur la commutation déviante des électeurs dans le bureau local, il convient de donner de l'espace à certaines informations sur le système de batterie du bureau d'auto-connexion.
Modèle 1908
Le courant nécessaire au fonctionnement des mécanismes de commutation, des lampes de signalisation, etc. est prélevé sur deux batteries de collecteur de 56 V, qui peuvent être commutées alternativement en fonctionnement ou en charge. Les deux batteries sont constituées de deux rangées de collecteurs connectés en série lors de la charge. La charge s'effectue directement à partir du réseau d'éclairage et d'électricité de la ville de Hildesheim (3 fils, 2 x 220 V courant continu) avec étouffement de la surtension. Pour les microphones des armoires déportées, de signalisation et de commutation, ainsi que pour certains des autres bureaux, le courant est prélevé sur une batterie commune, qui se compose également de collecteurs dont les cellules sont connectées en série pour la charge et en parallèle pour décharge. Après la sixième cellule, les batteries à connexion automatique ont une branche, car une tension de 12 V est requise pour les circuits individuels. Deux moteurs à courant continu sont mis en place pour entraîner les automates d'appel, dont l'un est alimenté par le réseau haute tension et l'autre par le 56 V.
La batterie à auto-connexion reçoit son alimentation afin d'avoir un remplacement en cas de perturbations du réseau d'éclairage. Une dynamo à courant alternatif est directement couplée à chacun de ces deux moteurs, qui fournissent tous deux un courant alternatif de 15 périodes d'environ 50 V et peuvent être chargés jusqu'à 3,5 ampères. Un changeur de pôles remplace les automates d'appel la nuit.

Le panneau de commande montre également le mode de réalisation connu d'après la description d'autres centraux téléphoniques du Reich - Telegraphenverwaltung dans le "ETZ".
Les principales différences entre l'installation de Hildesheim et les systèmes les plus anciens décrits à l'emplacement spécifié sont que les électroaimants de commutation des électeurs (aimant de levage et rotatif) ne sont pas directement dans les branches de ligne, mais dans des circuits locaux, et que les mêmes sont
La médiation de relais spéciaux situés dans les branches de ligne (relais de ligne) est excitée.
Les principaux avantages de cette disposition sont :
1. Les courants élevés nécessaires pour actionner les électroaimants de commutation (surtensions jusqu'à 1,5 ampères) sont limités aux circuits locaux à l'intérieur du bureau, c'est-à-dire qu'ils ne touchent pas les lignes de service, et
2. la sécurité du travail des électeurs devient moins dépendante de la longueur des lignes de connexion.
De plus, la connexion en série dans les branches de ligne a été abandonnée pour les relais de ligne et un montage en pont a été choisi à la place.
L'appareil est configuré de telle manière qu'une fois la connexion terminée, les relais de ligne des I. et II.

Pour montrer les processus de commutation en détail, on suppose que l'abonné 2002 appelle l'abonné 3010.

A cet effet, l'abonné 2002 décroche son combiné et, de manière connue, tourne d'abord le cadran de son téléphone du chiffre 3 jusqu'à la butée et relâche à nouveau le cadran. En reculant, le disque met automatiquement à la terre trois fois brièvement la ligne A. Trois courtes rafales d'électricité traversent le relais de ligne A du sélecteur de groupe I de la ligne 2002 (Fig. 5, relais A, une ligne, contact du cadran, E).
Le relais A ferme son contact trois fois et l'aimant de levage H attire trois fois son armature. l'axe du sélecteur est élevé au troisième degré.
Après les pointes de courant côté a, une pointe de courant côté b (relais B) suit automatiquement, sans que le participant ait à faire quoi que ce soit. Le relais de ligne B répond et fait réagir l'électroaimant S de l'interrupteur latéral. À travers cela l'interrupteur latéral est placé dans la deuxième position et le fil de l'interrupteur est connecté au circuit du solénoïde.
La ligne de coupure, dès qu'elle est connectée au circuit de l'aimant rotatif, est automatiquement reliée alternativement via une haute résistance et directement à la terre par un dispositif spécial. L'aimant rotatif attire son armature à chaque mise à la terre directe et fait tourner l'arbre du sélecteur d'un pas. Ce jeu est répété jusqu'à ce qu'un ensemble de contacts libres soit atteint.

Un dispositif de contact couplé à l'axe de la machine d'appel était initialement prévu comme dispositif d'interruption.
Cependant, un tel dispositif aurait signifié que l'un des deux automates d'appel devait être constamment en fonctionnement, il a donc été remplacé par des interrupteurs à relais.
Un disjoncteur à relais est fourni pour chaque berceau de sélecteur et ne fonctionne que lorsque la ligne d'un solénoïde rotatif est connectée à la ligne du disjoncteur.

Composés de deux relais simples, chacun avec un contact et un condensateur, ces disjoncteurs fonctionnent comme suit :

Lorsque la ligne du disjoncteur entre en contact avec l'aimant rotatif par l'action de l'interrupteur latéral, le relais A du disjoncteur (Fig. 7) recevra d'abord l'alimentation (E, 56 volts, D, ligne U, relais A , Terre). Ce courant est suffisamment fort pour alimenter le relais à haut ampère-tour A, mais l'armature de l'aimant rotatif D reste fixe. Si le relais A est activé, le relais B est alimenté (E, 56 volts, B, E), tire son armature et met ainsi à la terre la ligne du disjoncteur directement via son contact.
La conséquence en sera que D répondra et que le relais A sera désexcité suite au court-circuit. Si le relais A libère son armature, B devient également mort, ouvre son contact et l'aimant rotatif libère son armature.
Ce processus se répète jusqu'à ce que le solénoïde soit mis hors tension par la ligne du disjoncteur, ce qui se produit lorsque l'interrupteur latéral est poussé à la troisième position.
L'interrupteur latéral atteint cette troisième position sous l'influence du relais S (Fig. 5) lorsque le ressort c de l'axe de commutation trouve un contact c libre de la rangée concernée dans l'ensemble de contacts supérieur. Ce n'est que dans ce cas que S peut laisser tomber son armature, puisque les contacts c occupés sont tous sous tension (12, relais U, contacts c), de sorte que le relais S reste excité lorsqu'un tel contact est touché.

Dans l'exemple supposé, dès qu'un contact C libre est trouvé, la ligne 2002 mènera via les ressorts de contact inférieurs de l'arbre de commutation au sélecteur de groupe II dans le troisième mille correspondant aux contacts. Les relais de ligne du 1er sélecteur de groupe sont alors désactivés.
Les surtensions correspondant au chiffre 3 sont désormais suivies de celles correspondant au chiffre 0. Le 2ème sélecteur de groupe, qui correspond pour l'essentiel au 1er sélecteur de groupe par sa configuration (Fig. 6), va donc se positionner sur un contact libre de la dixième rangée et établir ainsi une liaison avec un sélecteur de ligne libre des cent premières au troisième mille.
Abb 6
L'impulsion de courant correspondant au chiffre 1 qui arrive par la ligne A actionne le relais ligne A du sélecteur de ligne (Fig. 8).

L'aimant de levage réagit et l'axe du sélecteur est soulevé jusqu'au premier étage.
La surtension de courant b qui s'ensuit à son tour fait réagir l'électroaimant de commutation S, comme pour le sélecteur de groupe I et II, ce qui amène l'interrupteur latéral dans la deuxième position, mais la ligne de coupure n'est pas allumée. Au lieu de cela, une connexion est établie qui influence les surtensions suivantes, qui correspondent au numéro 0, via le relais A de l'aimant rotatif. L'arbre de commutation tourne de dix pas dans le sens horizontal et les ressorts de contact restent sur les contacts de la ligne 3010. Si cette ligne est déjà occupée ailleurs, c'est-à-dire si la ligne c associée est sous tension, le relais L répond (56, L, 12) et commute le signal occupé (un bruit de buzzer caractéristique) sur la ligne de l'abonné appelant, c'est le Signalant de répéter son appel plus tard.
Si la ligne désirée est libre, le commutateur latéral ne passe pas en troisième position sous l'effet du dernier appel de courant b, comme avec les autres sélecteurs, mais seulement lorsque l'abonné appelant s'est assuré que la ligne de l'abonné appelé est libre a appuyé sur le bouton d'alarme.
En appuyant sur ce bouton, la ligne a du poste téléphonique est mise à la terre. Le relais A du sélecteur de ligne (Fig. 8) est alimenté pendant la durée de la pression sur le bouton, et l'interrupteur latéral passe maintenant à la troisième position, car l'actionnement du relais A interrompt la connexion à la terre du relais S, qui le maintenait alimenté (E, normalement contact fermé du relais a, ressort 5 de l'interrupteur latéral, contact 2, contact de S, 56, E).
Le relais L est resserré (E, contact de travail du relais A est resserré (E, contact de travail du relais A, contact de repos du relais S, ressort 4 de l'interrupteur latéral, contact 3, relais L, 56, E) et envoie un courant de réveil sur la ligne de l'appelé.

La figure 9 donne une représentation schématique du circuit dans le cas où les deux participants sont entrés en circulation l'un avec l'autre.
Comme le montre le dessin, la ligne de l'appelant est séparée de la ligne de l'appelé par deux condensateurs de 2 microfarads.
Dans le pont vers le circuit de voix, on trouve les condensateurs A et B relais du sélecteur de ligne concerné d'un côté et les relais A' et B' de l'autre côté. Les relais des I. et II.
Lorsque la conversation est terminée et que les deux participants raccrochent leurs récepteurs au crochet téléphonique, les lignes a et b du participant qui a effectué l'appel sont temporairement reliées à la terre en même temps. Les relais du sélecteur de ligne A et B alimentent simultanément leurs armatures et la ligne c est momentanément reliée directement à la masse.
En conséquence, tous les relais U attirent leur armature. Cependant, les armatures des relais en U actionnent à leur tour les électroaimants de déclenchement et déclenchent ainsi tous les sélecteurs servant à établir la connexion, qui retombent dans leur position de repos. Le but du deuxième pont relais (relais A' et B') est d'empêcher un abonné d'en bloquer un autre, comme cela serait possible si seul l'abonné appelant pouvait déclencher une connexion existante.
Si l'abonné appelé veut libérer une connexion existante, il doit tourner son cadran à partir de n'importe quel numéro. La surtension de courant b qui en résulte déclenche le relais B', dont les ressorts d'induit placent alors une connexion à la terre devant les 2 condensateurs microfarad dans les branches a et b, déclenchant ainsi également les deux relais A et B et libérant la connexion.
Il convient également de mentionner que le groupe I. sélectionne les participants qui sont connectés contre le paiement d'une taxe d'appel unique. La figure 1 montre la forme et l'attachement d'un tel compteur d'appels à partir d'un premier sélecteur de groupe. Les compteurs sont commutés de manière à ce que l'appel ne soit compté que si la connexion a effectivement été établie, c'est-à-dire si le numéro d'abonné appelé était libre et que l'appel a continué. Le décompte se produit à la fin de la connexion lorsque la connexion est libérée.

La Fig. 24 montre le type d'installation du rack et le montage du chargeur de batterie.

Comme le montre la description des processus de commutation les plus importants dans le bureau local, les installations pour le trafic local sont assez proches des installations américaines éprouvées. De nouveaux chemins ont dû être empruntés pour les succursales et le trafic longue distance.
En ce qui concerne la question des extensions, il a semblé souhaitable de rendre la manipulation des appareils aussi simple que possible pour les participants et de ne pas trop s'écarter du fonctionnement de l'administration télégraphique du Reich auquel les participants étaient habitués. Il faudrait également tenir compte de la configuration différente des postes téléphoniques pour le fonctionnement en auto-connexion, qui ne disposent pas d'un mécanisme de génération de courants de réveil (inductance), et des exigences particulières qui ont dû être faites pour assurer une coopération correcte avec l'équipement d'échange. , ce qui est plus important ici que dans tout autre système officiel.
Les types d'appareils existants pour les autocommutateurs privés correspondent à des modèles spéciaux pour les autocommutateurs
(1 principale et 1 extension), armoires à abattants pour 5 lignes (1 principale et jusqu'à 5 extensions) et armoires à abattants pour 10 lignes (2 principales et jusqu'à 10 extensions).
Aussi indésirable qu'il devait être en général d'utiliser des types spéciaux d'appareils pour les stations principales et d'extension, il était inévitable. Cependant, les différences de circuit entre les centraux, les extensions et les postes de répondeur pour les commutateurs inter-centraux (les postes de central ordinaires sont utilisés comme postes de répondeur pour les armoires à clapets de 5 et 10 lignes) ne sont pas significatives et peuvent être facilement mises en œuvre. de sorte que les ensembles peuvent être commutés à tout moment selon les besoins peuvent être modifiés sur place.
Afin d'assurer une bonne coopération avec l'installation de central et de faciliter l'exploitation correcte du système par l'abonné grâce à la disposition des différentes parties, des types de connexion fondamentalement différents ont été sélectionnés pour les deux principales options de connexion qui se présentent (extensions - central , extension à extension). Les connexions au bureau sont établies avec des boutons-pression mutuellement libérables et des connexions entre les extensions avec des fiches, des cordons et des prises.

En tant que source de courant de sonnerie pour appeler les extensions du bureau principal et les extensions entre elles, il était logique d'utiliser des inducteurs et de les installer dans le boîtier d'extension. Cependant, le fait qu'une mauvaise manipulation accidentelle de l'inductance par l'abonné puisse provoquer des perturbations dans le système d'échange va à l'encontre de cela.
Pour cette raison, un petit changeur de pôles (Fig. 25) a été utilisé comme source de courant de sonnerie en liaison avec des armoires à clapets pour lignes 5 et 10. La batterie de 6 éléments, qui doit de toute façon être présente dans les armoires à clapets à d'autres fins, est suffisant pour son approvisionnement. Lorsque le circuit de commande est fermé, le changeur de pôles s'allume en toute sécurité, envoyant le courant de la batterie dans des directions alternatives à travers les deux enroulements primaires du petit transformateur, qui est dimensionné de telle sorte qu'un courant alternatif secondaire d'environ 18 milliampères à 35 V peut être enlevé. Cette quantité de courant est suffisante pour déclencher de manière fiable trois réveils en même temps.
Une inductance en tant que source de courant de sonnerie n'a trouvé d'utilisation que dans le commutateur inter-stelen. La situation est ici plus simple, puisque l'inductance ne sert qu'à appeler le terminal et peut rester connectée en permanence à la ligne du terminal.
Lors des tests, un problème a été très perceptible, qui consistait dans le fait qu'un poste, s'il était connecté au central via le central principal, n'avait aucun signe par lequel il était possible de reconnaître quand la connexion avait été établie par le central principal, c'est-à-dire lorsque le poste peut commencer à composer le numéro qu'il souhaite en tournant le cadran. Si le poste commençait à composer trop tôt, certaines des pointes de courant de commutation étaient perdues et les numéroteurs du central se connectaient de manière incorrecte. Des conditions similaires se sont produites lorsque les connexions du central à une extension du bureau principal avaient été coupées et que l'extension voulait plus tard une nouvelle connexion, soit via le central, soit vers le bureau principal. Cette lacune a été corrigée par un "signe officiel" spécial.
Par "tonalité officielle", on entend un son de buzzer, qui diffère sensiblement de la tonalité d'occupation, et qui est produit par un buzzer spécial qui fonctionne en continu. Ce buzzer est connecté en permanence à la ligne a des lignes de raccordement avec extensions lorsque le premier sélecteur de groupe est en position de repos et s'éteint automatiquement dès que le premier sélecteur de groupe quitte la position normale.
Dans le cas d'un poste principal avec extensions, si l'armoire à abattants ou le commutateur entre les postes est en position normale, la tonalité de numérotation ne peut être entendue que dans le combiné du poste principal. Si une ligne d'extension est connectée à la ligne extérieure en appuyant sur un bouton poussoir, l'extension reçoit la tonalité dès que la connexion est établie.
Cela montre qu'à partir de chaque interphone de l'autocommutateur privé - antenne principale ou privée - il peut être déterminé à tout moment en décrochant le récepteur s'il existe une connexion entre le point concerné et l'échange ou si l'heure à laquelle la connexion de l'échange a été établi peut être identifié, et vous pouvez commencer à tourner le cadran.

La disposition des appareils individuels dans le commutateur de transfert (Fig. 26) montre le circuit (Fig. 27).
Les boutons-poussoirs, repérés selon leur fonction, permettent d'établir les trois liaisons qui s'établissent (centrale - central, central - terminal, central - terminal) et de libérer ces liaisons après la fin de l'appel. Si tous les boutons poussoirs sont inactifs, alors la ligne d'échange est reliée à la sonnerie du poste principal et le poste terminal est relié à la sonnerie du buzzer du commutateur inter-stations. Pour appeler le bureau principal, l'extension n'a qu'à décrocher le récepteur, car l'alarme sonore est déclenchée par la courte mise à la terre de la ligne d'extension a qui se produit lorsque l'appel est raccroché.
En position parole directe, les lignes a et b du poste aboutissent au central via un double relais AB (Fig. 28).
L'enroulement du relais A est dans la ligne a et l'enroulement à faible impédance du relais B est dans la ligne b. L'enroulement du relais A est court-circuité dans sa position de repos par les contacts du relais de droite, de même que l'enroulement 100 ohms du relais B. Lorsque le relais B est alimenté par une pointe de courant traversant l'enroulement de 35 ohms, ce court-circuit est supprimé et la résistance combinée des deux enroulements de 100 ohms est commutée sur la ligne de pointe.
Le but de cette disposition de relais est, d'une part, d'assurer le passage sans atténuation des appels de courant générés par la rallonge lorsque le cadran est tourné (bobinages en court-circuit), et d'autre part, lorsqu'ils sont déclenchés par la rallonge, les deux relais de ligne de l'échange, alimentés respectivement par les lignes a et b, doivent être excités aussi uniformément que possible (ligne a 100/2 ohms, ligne b 35 ohms). De plus, cet agencement de relais garantit que le réveil de la caisse claire ne répond pas lorsque le poste est composé, mais uniquement lorsque, comme pour le déclenchement, les lignes a et b sont mises à la terre en même temps.
Ce n'est que dans ce cas que le relais A peut être excité et fermer son contact, plaçant la batterie du poste principal et l'alarme en circuit fermé. La bobine Ue permet au poste principal de vérifier si la ligne est libre ou d'écouter.
Si le bouton "Endstation" est appuyé, le poste d'extension est connecté au poste principal par la mise sous tension de l'inductance.
L'alarme se trouve dans le shunt vers la ligne A pour garantir que le bureau principal peut appeler depuis le poste même si le bureau principal a oublié d'appuyer sur le bouton de libération une fois l'appel terminé. Étant donné que les postes PBX n'ont pas de connexion à la terre pendant les appels, il n'y a pas de souci d'interférence du bruit de terre de cet arrangement.
L'armoire à volets à cinq lignes (Fig. 29) a une capacité d'une ligne principale et de cinq lignes d'extension.
Dans la rangée du haut se trouve le volet de ligne d'échange avec les boutons poussoirs, à savoir un bouton de déverrouillage, un bouton d'écoute et un bouton de connexion des extensions à la ligne d'échange. Les boutons de déverrouillage et de contrôle ne sont pas verrouillables. Tous les boutons-poussoirs, à l'exception du bouton de contrôle, se déclenchent mutuellement. Les volets d'appel des extensions sont logés sous ce rail de boutons poussoirs. situé en dessous deux rangées de prises (prises d'interrogation ou de connexion).
Une fiche rouge sans fil, qui est insérée dans les prises d'interrogation, doit être utilisée pour interroger les lignes d'extension et pour parler aux extensions.

Pour connecter les extensions les unes aux autres, il y a deux paires de cordons avec des fiches qui sortent par des prises sous le champ de prise.
Si tous les boutons et prises sont en position de repos, le volet de la ligne d'échange se trouve dans le pont entre les branches a et b de la ligne d'échange (Fig. 30).
Les lignes a des extensions sont mises à la terre via les volets et la batterie principale. Lorsqu'un poste est décroché, il met temporairement à la terre la ligne de poste a. Le volet associé à la station principale tombe et provoque en même temps la réponse du réveil à snare du circuit local pendant la durée de l'attraction. Le volet de bureau n'est dans le pont entre les branches de ligne que lorsque tous les boutons poussoirs sont en position de repos. Si la ligne d'échange est connectée à la ligne principale ou à une ligne d'extension, c'est-à-dire si l'un des boutons correspondants est enfoncé, l'interrupteur situé à l'extrémité du rail de boutons-poussoirs interrompt l'acheminement vers la ligne b et le volet est court- circuité via le contact du relais B .


Un dispositif similaire à celui utilisé pour le commutateur inter-stations est utilisé pour le signal final (Fig. 31).
Si des surtensions sont émises depuis le poste par la ligne a ou sur la ligne b en tournant la molette, le volet reste au repos Le relais B n'est actionné et simultanément qu'à l'émission d'une surtension via les lignes a et b lorsqu'il est déclenchée, une pointe de courant est envoyée à travers l'enroulement du volet.
Un dispositif d'écoute (Ue) est également prévu au bureau principal pour les armoires à abattants. Le poste principal appelle un poste en branchant la prise d'interrogation appropriée et en basculant le commutateur d'appel sur la position d'appel de la manière suivante :
En plaçant l'interrupteur d'appel en position d'appel, la troisième alimentation du changeur de pôles (Fig. 25), marquée RT, est mise à la terre via deux ressorts de l'interrupteur d'appel. En conséquence, le changeur de pôles commence à se déplacer et un courant alternatif circule du changeur de pôles à travers les lignes d'alimentation et à travers les paires de ressorts de verrouillage fermés par les deux anneaux de fiche les plus en avant dans la ligne d'extension.
Les autres processus de commutation sont visibles sur le dessin (Fig. 30)

La seule chose à noter est le fonctionnement des jeux de relais installés dans chaque paire de cordons, qui permettent aux extensions de s'appeler en cas de liaisons permanentes, sans l'intervention du bureau principal. Supposons que deux extensions soient reliées par une paire de cordons et que l'une veuille appeler l'autre. Pour ce faire, le poste appelant tourne son cadran alors que le combiné est décroché puis appuie sur la touche . Cela met à la terre la ligne de pointe pendant la durée de la pression sur le bouton et le relais A de la paire de cordons répond (E, ligne de pointe, A, batterie, E). Comme le relais A ferme son contact, le relais L répond également (E, batterie, L, contact relais B, contact, relais A, E). Le relais L ferme ses contacts, démarrant ainsi le changeur de pôles et commutant le courant de réveil sur les côtés pointe et b de la paire de cordons.
Le courant de réveil peut aller dans le poste appelant et ne pas pénétrer, car le chemin à travers l'appareil auditif et vocal est interrompu pendant la durée de la frappe. Les volets de fermeture, auxquels servent les volets d'appel des extensions, ne retombent que lorsque le combiné est raccroché si les deux branches de ligne sont mises à la terre en même temps. Puis les relais A et B de la paire de cordons répondent simultanément et font tomber le volet (E, pile, volet, c-fil du cordon, contact côté B, contact A côté, E).
L'armoire à volets pour dix lignes présente le même équipement que l'armoire à volets pour cinq lignes et ne diffère que par les dimensions, le nombre de volets, de boutons-pression, de loquets et de paires de cordons, comme le montre la Fig. 32.
En plus de ces dispositifs pour les autocommutateurs privés, des dispositifs de commutation série avec sélecteurs de ligne ont été développés, mais ceux-ci sont actuellement encore soumis à des tests.


L'établissement de l'échange longue distance, qui est illustré à la Fig. 33, offre également un certain nombre de choses intéressantes
Egalement dans la mise en place de cette partie du bureau d'auto-connexion on s'efforce d'adapter les dispositifs de commande manuelle éprouvés aux nouvelles conditions d'exploitation. Avec son équipement actuel, le central longue distance peut accueillir 28 lignes longue distance et 20 lignes dites Sp (lignes vers les petites villes environnantes).
Le même comprend trois départements:
1. le bureau d'enregistrement,
2. le bureau distant réel u.
3. la réception.
Le bureau de déclaration doit accepter l'enregistrement des appels interurbains des participants, le central interurbain est responsable du service sur les lignes interurbaines et le centre de commutation organise l'établissement des connexions à partir des lignes interurbaines aux participants ainsi que depuis et vers les lignes Sp.
Les appels interurbains sont reçus dans une armoire de reportage qui, par la forme extérieure et les dimensions de la structure en bois, qui ressemble à une armoire interurbaine M. 05 pour quatre lignes (cf. "Archive f. P. u. T." 1906, n° 16, p. 508 et s.).

Comme on peut le voir sur la Fig. 34, 10 indicateurs sont répartis sur les deux moitiés du panneau de prises, en dessous desquels se trouve un voyant de contrôle dans le panneau de gauche et un disque numérique dans le panneau de droite, comme c'est le cas pour les appareils à connexion automatique, avec un bouton.
En dessous, dans les deux champs de prise, il y a des prises à des fins spéciales et pour les requêtes. Sous le panneau de verrouillage, deux autres indicateurs sont logés dans le cadre en bois.
Le tableau de connexion contient deux cordons à trois fils avec une prise et un interrupteur, ainsi que deux boutons et une prise enfichable pour connecter le système d'interrogation de l'officier, qui se compose d'un casque et d'un microphone de poitrine.
Le mode de fonctionnement des différentes parties de l'appareil est le suivant :
Le central interurbain est appelé pour enregistrer un appel en tournant une fois le cadran à partir du numéro 1. De toutes les prises Ks (Fig. 42), qui sont connectées aux 10 drapeaux supérieurs, 3 lignes chacune (a, b, c) mènent à la 1ère rangée de contacts de tous les sélecteurs du 1er groupe, à savoir Ks est au premier contact 1 de la première rangée, Ks de la seconde etc. Si un participant amène son 1er groupe sélecteur sur la 1ère rangée de contacts en éloignant le disque de 1 et en le relâchant, le bras de contact restera sur le contact appartenant au premier Ks libre prise .
L'indicateur S associé est resserré, puisqu'à ce moment un chemin de courant de la branche 56 V de la batterie du bureau via le relais CL, l'indicateur S, la résistance de 3000 ohms, le c-wire, le relais de déclenchement U du I sélecteur de groupe à la branche 12 V de la batterie officielle se met en place. Le courant n'est pas assez fort pour faire réagir le relais U. Cependant, l'indicateur S correspondant reste tendu et le relais CL ferme le circuit de la lampe L jusqu'à ce qu'une des fiches AS1 ou AS2 soit insérée dans la prise correspondante Ks. En conséquence, l'officier sépare le contact de rupture du jack Ks, entre en contact avec le participant et peut accepter la notification d'appel. Parallèlement à l'indicateur et au relais CR, il y a une résistance de 1500 ohms, par laquelle la connexion de la jonction 56 V via la résistance de 3000 ohms à la ligne c est maintenue après l'extinction de l'indicateur.
La résistance est dimensionnée si élevée que lorsque le contact de repos de la prise Ks est fermé, les voyants et les relais reçoivent encore suffisamment de courant pour répondre de manière fiable. Le relais CL est commun à tous les drapeaux S.
Après s'être connecté à l'appel, l'abonné met provisoirement à la terre les lignes a et b en raccrochant son combiné. ainsi les deux armatures du double relais A, B sont attirées, et la ligne c est momentanément connectée à la masse.
Cette masse fait réagir le relais de déclenchement du 1er sélecteur de groupe et libère la connexion.
Si l'officier dans l'armoire de signalisation veut appeler un participant, il branche l'une des fiches AS ou 1 As dans la prise Kr, sélectionne le participant souhaité de la manière habituelle avec le cadran N et appuie sur le bouton de réveil d.
Lorsque la conversation est terminée, il faut appuyer sur le bouton d ou d appartenant au cordon pour ramener les sélecteurs 1 2 en position repos. Si la libération est accidentellement omise et que la fiche est retirée de Kr, l'indicateur R répond et rappelle la libération. (Chemin de courant : 56 V, résistance 4500 ohms, R, c-wire, relais U du sélecteur de groupe I. 12 V). L'armoire d'alarme peut être appelée depuis les armoires déportées via une ligne de service aboutissant à la prise Kd de l'armoire d'alarme. En insérant une fiche d'interrogation sur les armoires déportées dans une prise Km de la ligne de service qui parcourt en plusieurs circuits toutes les armoires déportées, l'indicateur DK est activé (chemin du courant : 12 V, contact à ouverture de Km, contact à ouverture Kd, terre) , qui disparaît dès que Kd est branché.

En branchant les prises Kd, l'armoire de signalisation peut également se connecter à chaque armoire distante 1-10 afin d'obtenir des informations sur les notifications d'appels existants, etc. (chemin du courant : 12 V à l'armoire distante, DK, c-fil du ligne de télémaintenance, rupture de contact des bascules Kd, Terre).
Le central interurbain proprement dit comprend actuellement sept armoires interurbaines M. 05 à quatre lignes interurbaines de type usuel (Fig. 39). La seule différence est la signalisation d'extrémité pour les lignes d'abonné dans les cordons individuels du service fixe, qui est adaptée à l'opération d'auto-connexion et est représentée schématiquement sur la Fig. 40.
Si l'abonné est appelé à l'aide de la prise AS ou AS (la manière de procéder 1 2 est précisée plus loin dans la description des armoires amont) et a répondu, la prise FS est enfichée dans la prise Ko de la liaison locale concernée1 ligne et l'interrupteur UH placé en position "Participant".
Cela applique la batterie d'échange (56 V) à l'enroulement primaire divisé du transformateur Ue, qui est séparé par un condensateur de 2 microfarads, à la fois via le relais B du double relais AB et via la résistance spéciale de 500 ohms. Les deux branches du câble de liaison reçoivent ainsi la même tension à la masse.
Cependant, le courant ne circule pas tant que l'abonné n'a pas raccroché son combiné, mettant temporairement à la terre les branches de pointe et d'anneau de la ligne du poste.
Tant que l'abonné parle, seuls le récepteur et la bobine d'induction sont allumés au poste, mais la terre est coupée.
Si les deux branches de ligne ont maintenant été temporairement mises à la terre en raccrochant le récepteur, le relais B a réagi un instant et a ainsi actionné le relais A (chemin du courant : E, contact 1 du relais AB, relais A, 56 V, terre) .
Le relais A reste excité car même après l'ouverture du contact 1, le contact 2 reste fermé, et le relais A reste excité en cours de route : masse, flag, relais A, 56 V, masse.
L'indicateur affiche ainsi son drapeau jusqu'à ce que la connexion soit interrompue et que l'interrupteur UH soit déclenché. Si un abonné souhaite attirer l'attention du central sur une connexion longue distance existante, il peut agiter le crochet récepteur de son téléphone de haut en bas. La première mise à la terre des lignes a et b provoquée par cela provoque la réponse du drapeau, mais chaque mise à la terre supplémentaire et l'excitation résultante du relais B court-circuite temporairement le drapeau, le drapeau est temporairement désactivé et revient à son repos position pour un retour de courte durée.
Deux armoires de commutation (Fig. 41), chacune avec un poste de travail, sont prévues pour le trafic du central longue distance au central d'auto-connexion, chacune ayant une capacité de 1000 prises en trois parties pour les lignes d'abonné, 20 connexion locale lignes selon le système unifilaire et 10 lignes Sp.
La commutation des lignes sp vers les armoires en amont offre des avantages significatifs en ce que les connexions depuis ou vers les abonnés du central d'auto-connexion peuvent être réalisées avec les lignes sp sans l'intervention d'un autre agent au niveau de ces armoires. Les touches d'écoute des lignes de connexion locales sont situées sous le panneau de prises à l'avant des armoires, qui ont deux positions spécialement désignées : libération et écoute. A partir de la position de déblocage, les clés reviennent automatiquement en position de repos. Le feu arrière associé est situé au-dessus de chacune de ces touches.
Sur le côté droit de chaque armoire se trouve un drapeau qui dépend d'un interrupteur qui se trouve devant toutes les autres touches dans le dessus de table de l'armoire et qui relie la ligne de service local provenant du central longue distance soit au dispositif d'interrogation de l'officier, soit au drapeau . La rangée arrière de prises se compose de 20 prises numérotées consécutivement. Les lignes de connexion locales désignées en conséquence à partir du central longue distance se terminent dans ces prises. La première rangée de fiches contient dix fiches qui correspondent aux dix volets de ligne Sp situés sur le côté gauche de l'armoire sous le panneau de prises.

Chaque prise de ligne Sp possède un indicateur, deux interrupteurs à bascule symétriques aux prises et un bouton de réveil. L'un des deux interrupteurs à levier a également deux positions :
surveillance et déclenchement ; l'autre permet l'insertion d'un émetteur avec ou sans signalisation de fin et est marqué en conséquence. Les lignes de rinçage passent également, avant d'être amenées aux registres, etc., par des vérins à double coupure situés immédiatement sous les registres associés. Deux terminaux sont prévus dans les ponts des volets afin de pouvoir commuter un réveil AC comme un buzzer derrière les volets pour identifier l'indicatif d'appel. De plus, chaque armoire dispose d'une prise double pour connecter le système d'appareillage de l'officier. Un interrupteur spatial intégré dans une armoire permet aux deux armoires d'être actionnées à partir d'un poste de travail pendant les périodes de faible trafic.

Le premier système de transport local automatique à Hildesheim Fig. 42

Une connexion entre le central longue distance et un abonné du central d'auto-connexion est établie comme suit : l'agent d'échange longue distance commute sur la ligne de service locale concernée et transmet le numéro d'abonné souhaité à l'agent du cabinet de précommutation. L'opérateur de l'armoire amont désigne une ligne de connexion locale libre et insère la fiche associée dans la prise de la ligne d'abonné souhaitée. Ces verrous de l'armoire de commande en amont sont en trois parties, et les ressorts de ligne de celles-ci sont connectés aux branches a et b de la ligne de connexion correspondante sur le distributeur principal, tandis que la troisième ligne, la ligne à manchon, mène au c ligne du premier sélecteur de groupe de l'abonné.
En basculant l'interrupteur appartenant au cordon de raccordement local sélectionné en position d'écoute, l'agent s'assure que personne ne parle sur la ligne d'abonné demandée par le central longue distance. Puis elle remet l'interrupteur en position normale. Les abonnés sont appelés depuis le central longue distance.
Si la ligne d'abonné souhaitée n'est pas libre, il informe les abonnés de l'appel que l'un d'eux doit effectuer un appel longue distance et place brièvement le commutateur sur la position "Libération".
Ce faisant, il met temporairement à la terre la ligne c des deux lignes d'abonnés connectées, déconnectant les abonnés et mettant au repos leurs sélecteurs. En branchant les prises d'abonnés avec les fiches des lignes de connexion locales, la ligne c des lignes d'abonnés branchées est alimentée (12 V) via une résistance de 50 ohms et le fil c de la fiche, la ligne apparaît dans le central local occupé pour d'autres connexions. De plus, un relais d'isolement spécial du premier sélecteur de groupe de la ligne d'abonné concernée répond et éteint le central local. Dès que le co-jack correspondant sur l'armoire longue distance est branché, le feu arrière associé à l'interrupteur frontal, qui avait été allumé en actionnant un interrupteur de prise lorsque la prise a été soulevée, s'éteint et donne le responsable du cabinet frontal un signe que le responsable du cabinet longue distance a branché la bonne prise de connexion locale. Lorsque la conversation dans l'armoire éloignée est terminée, l'officier de l'armoire éloignée retire la fiche de la prise défonçable. le feu arrière de la ligne de connexion locale concernée s'allume dans l'armoire amont et invite l'officier concerné à se déconnecter.
Les appels du central longue distance vers les jonctions So sont lancés de la même manière que ci-dessus. L'opérateur de l'armoire amont désigne la ligne de raccordement local et appelle l'équipement Sp concerné en insérant une prise Sp libre dans la prise de la ligne Sp souhaitée et en donnant l'indicatif d'appel avec le bouton associé. Si le Sp-Anstalt a signalé, il met la prise de ligne de connexion locale dans la prise Sp. Le signal de déconnexion est donné par le central longue distance comme pour les connexions d'abonné.
L'appel à un Sp-Anstalt est répondu en basculant le commutateur vocal associé sur la position « écouter » et en faisant rapport à l'agent. Si la connexion à un abonné du central à auto-connexion est souhaitée, la fiche sp de la ligne est branchée dans la prise d'abonné correspondante et l'abonné est appelé en appuyant sur la touche cordon. Si le participant s'est signalé, le deuxième interrupteur est utilisé pour allumer l'appareil de signal final, qui correspond à l'appareil dans les armoires longue distance.
Les connexions des abonnés du central d'auto-connexion avec Sp-Anstalten sont reçues de la manière habituelle pour les appels longue distance depuis l'armoire de signalisation, notées et transmises à l'armoire amont.
Un soi-disant commutateur jack est installé dans le central interurbain pour examiner les lignes interurbaines. Ce commutateur vous permet d'entrer dans n'importe quelle ligne longue distance et Sp tout en désactivant l'installation d'échange et les interférences externes et internes.
à déterminer et à limiter à l'aide d'ohmmètres. De plus, toutes les connexions de mesure pour d'autres bureaux peuvent être réalisées ici avec des cordons de prise et les lignes longue distance peuvent être distribuées aux différents postes de travail du bureau longue distance de différentes manières.
Enfin, il convient également de mentionner les équipements de test pour détecter et isoler les défauts des lignes d'abonnés.
Le test des lignes de raccordement a été rendu très facile par l'installation d'une armoire de test spécialement conçue à cet effet (Fig. 43) et d'un nouveau type de répartiteur principal.
Les lignes d'abonnés, qui ne sont protégées que par des fusibles grossiers aux points d'entrée des câbles, sont acheminées vers des blocs de fusibles sur le tableau de distribution principal et sont ensuite connectées par des fils de liaison à des cosses à souder sur le côté opposé du tableau de distribution principal, où le lignes provenant de l'extrémité des racks des électeurs. La figure 44 montre une telle bande de sécurité.
La ligne externe entre d'un côté et mène via le fusible à fil fin à la ligne interne qui sort de l'autre côté. Au milieu se situe dans le shunt vers les deux lignes extérieures du paratonnerre en carbone.
Pour expliquer comment cela fonctionne, la Fig. 45 montre une coupe transversale à travers la bande.
Fig 45
Coupe transversale de la barrette de fusibles Avec fiche de test. Figure 45.

Les cartouches sont conçues de telle manière qu'à un courant de 300 milliampères, la broche de celles-ci est enfoncée après 30 secondes en raison de la tension du ressort. Dans l'état enfoncé, la broche met à la terre la ligne extérieure et rend ainsi toute tension qui s'est produite dans la ligne extérieure inefficace pour l'installation d'échange.
En même temps, le ressort g, qui est connecté à la batterie 56 V via le relais A ou B du premier sélecteur de groupe concerné, est connecté au rail de contact d'alarme N. Ce rail est connecté à la masse in via un haut-parleur. impédance, relais sensible Connexion.
Le relais active un réveil et en même temps laisse s'allumer une lampe près de l'armoire de test, à partir de laquelle on peut immédiatement reconnaître dans quelle rangée de fusibles du tableau de distribution principal le fusible a sauté. Les cartouches fusibles sont réversibles.
Des fiches dites de test sont fixées au tableau de distribution principal pour correspondre aux réglettes de fusibles.Celles-ci sont disposées de telle manière que, comme indiqué sur la Fig. 45, elles peuvent être facilement glissées sur les éléments fusibles appartenant à une ligne de connexion. À l'intérieur, les fiches de test sont équipées de ressorts isolés les uns des autres et se terminent dans différents conducteurs d'un cordon de prise.
Les ressorts des bouchons d'essai sont conformés de telle sorte qu'ils s'agrippent entre les paires de ressorts (g, h) lorsque le bouchon est en place. Séparez les lignes extérieures et intérieures et connectez-les à quatre cordons qui mènent à l'armoire de test.
À Hildesheim, l'armoire de test a été installée à proximité immédiate du tableau de distribution principal dans le bureau d'auto-raccordement.

La Fig. 46 montre le circuit de l'armoire d'essai. Après avoir inséré la fiche de test dans le répartiteur principal, les lignes externes et internes de la ligne de raccordement en question se trouvent chacune sur un volet d'appel de l'armoire de test. Une prise avec des contacts à double coupure est enclenchée devant les volets.
L'instrument de mesure (ohmmètre avec point zéro au milieu) est relié à un cordon de prise à deux fils via différents interrupteurs qui, seuls ou en combinaison, permettent d'effectuer toutes les mesures d'erreur. pour la mesure, la fiche est insérée dans la prise sur laquelle se trouve la ligne à mesurer. Les erreurs dans les appareils de la station elle-même peuvent être détectées depuis l'armoire de test. A cet effet, un interrupteur est fourni, à l'aide duquel la ligne externe peut être commutée sur un sélecteur spécial au milieu de l'armoire d'essai, qui n'est fermé que par une vitre devant les yeux de l'examinateur.
Pour tester le poste téléphonique, l'abonné ou le dépanneur qui se rapporte au poste est invité à composer un numéro spécifique et le travail du composeur est observé. L'installation officielle peut également être vérifiée depuis l'armoire d'essai. Ce faisant, je.
Les sélecteurs de groupe peuvent être facilement remplacés par des sélecteurs logés dans l'armoire d'essai jusqu'à ce que les erreurs soient définitivement éliminées. l'armoire d'essai contient également des lampes d'alarme, des volets à usage spécial, etc., et on veille à ce que les défauts soient en grande partie affichés automatiquement.
Il a été brièvement mentionné au début qu'aucun dispositif de présélection n'était utilisé lors de la mise en place de ce premier réseau téléphonique purement automatique.
À des fins expérimentales, des ensembles de relais pouvant être désignés comme commutateurs de présélection ont été installés. Cependant, ceux-ci ne sont encore que pour les expériences. Une description de celui-ci peut donc être dispensée à ce stade. Le principe de tels commutateurs à présélection en général, sur lequel on trouve encore peu de choses dans la littérature allemande, ne doit être discuté ici que brièvement.
L'objectif des premières facilités de sélection était surtout de réduire les coûts d'installation du bureau en économisant sur les électeurs du groupe I.
Comme l'expérience l'enseigne et peut être observé dans chaque échange de main, seul un pourcentage relativement faible de participants parle en même temps d'un groupe plus important de participants qui sont sur une armoire multiple sur des signaux d'appel.
L'importance de ce pourcentage dépend essentiellement de la taille du réseau téléphonique, de l'intensité du trafic professionnel et de la répartition des lignes de raccordement fortement chargées entre les différents groupes. En général, on peut supposer qu'avec une répartition appropriée de la ligne de connexion fortement chargée, il suffit de prévoir 10% de dispositifs de connexion pour le groupe de centaines.
Il serait donc suffisant de prévoir seulement 10 au lieu des 100 sélecteurs du premier groupe si une installation de distribution peu coûteuse en conséquence peut être fournie qui connecte facilement un abonné appelant à l'un inoccupé de ces 10 sélecteurs du premier groupe. L'économie engendrée par un tel dispositif de distribution, que l'on peut qualifier de présélecteur, a déjà incité de nombreux partisans de l'auto-raccordement à rechercher une solution, les voies les plus variées ayant été empruntées.

Les solutions de Gebr. Lorimer (mécano-électrique) et de Merk et Kugelmann (purement électriques) méritent d'être mentionnées car elles sont pratiquement mises en œuvre.
Récemment, les efforts pour réduire les coûts des installations d'auto-connexion sont allés encore plus loin, non seulement en essayant de réduire les coûts officiels en économisant sur les réseaux vocaux, ce qui réduit les dépenses de lignes et de lignes. Ceci est réalisé par le fait que les lignes d'un district de connexion spécifique ne sont pas acheminées vers le central. mais se terminent par un interrupteur de présélection verrouillé installé au milieu du quartier sur une surface au sol.
Seul un nombre limité de lignes de liaison partent alors de ce présélecteur vers le central suivant. Le commutateur de présélection lui-même ne contient que les soi-disant présélecteurs et un nombre limité de sélecteurs de ligne.
Lorsqu'un abonné du groupe appelle, les présélecteurs se connectent automatiquement à un premier sélecteur de groupe libre du bureau suivant via une ligne de connexion sortante, et les sélecteurs de ligne, dont il y en a un pour chaque ligne de connexion entrante, interviennent pour les connexions depuis le bureau aux adhérents du Groupe en action. Un tel commutateur de présélecteur est déjà largement utilisé par Automatic Electric Co. à Chicago dans leurs réseaux d'auto-connexion et est appelé présélecteur Keith du nom de son inventeur.
Les sélections mentionnées ci-dessus peuvent également être utilisées à cette fin.
Ces informations générales sur la présélection devraient montrer à suffisance le travail sérieux qui est fait pour que les systèmes d'auto-connexion soient capables de lutter contre les systèmes d'exploitation manuels, également sur le plan économique, et le succès à Hildesheim incite à aller plus loin dans ce domaine.

Résumé.
Une description du bureau d'auto-connexion à Hildesheim est donnée.
Un circuit en pont selon Strowger a été utilisé pour le central local, dans lequel seuls les ponts de relais du sélecteur de ligne sont connectés aux lignes d'abonné après que la connexion entre deux abonnés a été établie. Il est déclenché à l'aide de relais spéciaux via la ligne c.
En outre, les facilités spéciales pour les autocommutateurs interurbains et privés sont traitées; Enfin, la question de sélection sera brièvement abordée.

sommaire


Le système d'auto-connexion téléphonique Strowger.

Conférence donnée à l'association polytechnique de Munich par l'ingénieur Hans Fetzer, Karlsruhe.

Comme cela est bien connu, les lignes vocales provenant des abonnés d'un réseau téléphonique (manuel) convergent toutes en un point, le central, le central ou le bureau. Si un abonné veut parler à un autre abonné, il appelle d'abord le central, nomme le numéro de l'abonné qu'il souhaite et le central établit la connexion avec lui. Si le même a appelé et répondu, la conversation peut commencer. Lorsque la conversation est terminée, le central reçoit un dernier signal et interrompt la connexion.
Ce bureau du service de médiation est qualifié d'opération manuelle et est principalement exercé par du personnel féminin.
Depuis le début de la communication téléphonique, des efforts ont été faits pour remplacer le travail de commutation physiquement et mentalement extrêmement pénible au bureau par un travail à la machine.

Les Américains ont également réussi dans ce domaine et plusieurs systèmes y sont apparus pour tenter d'atteindre l'objectif déclaré.
Parmi ces systèmes, le système d'auto-connexion téléphonique, inventé il y a environ 16 ans par l'ingénieur Almon B. Strowger et amélioré plusieurs fois par la suite, est de loin le plus répandu en raison de ses excellentes propriétés.
Les principaux titulaires de brevets sont Strowger Automatic Telephone Exchange, tandis que Automatic Electric Co. (tous deux à Chicago) s'occupe de la fabrication.
Le Reichspost allemand a pris conscience de la même chose lors de la première démonstration du système en 1898 à Londres, et dès 1900 un système de test pour 400 participants a été mis en place à Berlin, dont les résultats d'exploitation étaient si favorables que la mise en place d'un plus grand système d'auto-connexion à Berlin pour initialement 2000 participants, qui peut être étendu à 10 000, a été décidé.

Un consortium berlinois dirigé par la société Ludwig Loewe & Co., A.-G., a acquis les droits de brevet du système pour l'Allemagne et la plupart des autres pays européens et a confié la fabrication de l'appareil du système à la Deutsche Waffen und Munitionsfabriken Berlin-Karlsruhe. que je vais maintenant vous montrer.
Les téléphones situés chez les participants sont conçus comme des stations murales ou de table . Les stations murales ont un microphone, une prise secteur, un téléphone suspendu au crochet de l'interrupteur et un bouton de sonnerie, tout comme les stations de table, mais dans lesquelles le téléphone et le microphone sont combinés en tant que microphone.
Les deux types de postes ont un disque à l'avant qui, après avoir décroché le téléphone ou du microphone peut être tourné, le cadran.
Celui-ci comporte 10 trous ovales sur le côté droit avec les chiffres 1 à 9 et 0. Si vous voulez maintenant appeler un abonné qui a le numéro 5479, vous mettez l'index de votre main droite dans l'ouverture 5 du cadran et tournez au doigt, il bute en butée et lâche le disque, qui revient alors tout seul à sa position de repos. La même chose se répète avec les chiffres 4, 7 et 9. Si vous appuyez maintenant sur le bouton de sonnerie, le réveil de la station 5479 sonne et la conversation peut avoir lieu. Lorsque la même chose est terminée, les deux participants raccrochent à nouveau le téléphone, de sorte que la connexion est interrompue et les deux peuvent immédiatement en établir une nouvelle.
Si le poste appelé est occupé, c'est-à-dire engagé dans une autre conversation, le téléphone de l'appelant sonnera. Ensuite, vous pouvez attendre que le bourdonnement disparaisse, puis appuyer sur le bouton de la sonnerie ou raccrocher le téléphone et rappeler plus tard.
Les installations et les processus en détail sont désormais les suivants :
Sur le bureau, il y a une batterie d'environ 60 volts dont un pôle est mis à la terre (pôle). Chaque poste d'abonné dispose également d'une connexion à la terre, et deux lignes, les lignes a et b, mènent du poste à un appareillage situé sur le central, appelé sélecteur.
Si vous tournez le cadran de la station z. B. à partir du n ° 5, vous serrez d'abord un ressort en spirale situé à l'intérieur de la station, qui ramène le disque en position de repos après son relâchement.
Au cours de cette rotation inverse, dont la vitesse est contrôlée automatiquement par un régulateur de masse centrifuge, la connexion de la terre à la ligne a est établie et interrompue cinq fois, et enfin une fois à la ligne b. Cela envoie cinq surtensions sur la ligne a et une sur la ligne b à travers l'appareillage de commutation du bureau vers le pôle non mis à la terre de la batterie. Le même processus se déroule également avec les autres numéros.
L'interrupteur numérique, situé dans la station directement derrière la plaque d'immatriculation, prend en charge cette surtension.
Les contacts d'extinction du réveil et d'allumage du microphone et du téléphone lorsque ce dernier est décroché sont également disposés sur celui-ci, ainsi que les contacts de déclenchement, qui provoquent une surintensité simultanément via les lignes a et b lorsque le téléphone est attaché.
La station dispose de la bobine d'induction habituelle pour transmettre les flux de parole.
La construction et la disposition des appareils à l'échange varient selon que le système est destiné à 100, 1000, 10 000 ou 100 000 participants, correspondant au système 100, 1 000, 10 000 et 100 000.
Dans le système 100, les lignes d'abonnés sont connectées en permanence à un appareil de commutation électromagnétique, le sélecteur de ligne. Celui-ci se compose de trois parties principales, les contacts fixes, les contacts mobiles et le moteur.

Les contacts fixes sont disposés en trois groupes sur la partie inférieure du sélecteur en demi-cercle en jeux de contacts superposés (Fig. 3, 4, 5, 6). Les deux jeux de contacts inférieurs, a et b, ont chacun 5 rangées horizontales de 10 contacts doubles chacune, soit un total de 100. La rangée horizontale inférieure du jeu de contacts le plus bas correspond aux numéros 11 - 19, 10, le suivant ligne au-dessus jusqu'aux nombres 31 - 39, 30, etc. La rangée inférieure du jeu de contacts du milieu correspond aux numéros 21 - 29, 20, la rangée suivante au-dessus aux numéros 41 - 49, 40 et la rangée supérieure aux numéros 01 - 09, 00. Le jeu de contacts supérieur, bloquant jeu de contacts, a 10 rangées horizontales chacune 10 contacts individuels. Tous les contacts fixes du même numéro sont reliés par des lignes autre connecté.
Les contacts mobiles sont isolés sous la forme de trois paires de bras de contact solidaires de l'axe vertical de commutation, chaque paire de bras de contact commandant l'un des trois ensembles de contacts. La ligne provenant de l'abonné va à la fois dans le mécanisme de commutation du sélecteur et dans le contact du jeu de contacts qui correspond au numéro d'abonné.
L'arbre de commutation peut être soulevé et tourné de sorte que les contacts mobiles contrôlés par l'appelant puissent être amenés aux contacts fixes.
Ceci est effectué par le mécanisme de commutation du sélecteur. Si un participant a plusieurs surtensions, par ex. B. 5, via la ligne a, il provoque une réponse quintuple d'un relais de ligne a. Cela ferme un circuit local cinq fois via un aimant de levage (Fig. 3, ci-dessus), qui attire cinq fois une armature et soulève ainsi l'arbre de commutation (Fig. 6), qui a des rainures correspondantes, cinq étapes jusqu'à la cinquième rangée horizontale du jeu de contacts. Dès que la première levée est effectuée, un double cliquet entre en vigueur, qui maintient l'axe du sélecteur dans sa position respective.
La surtension de courant arrivant finalement via la ligne b alimente un relais de ligne b, qui à son tour envoie un courant local à travers l'aimant de blocage. Celui-ci répond une fois et ramène ainsi un interrupteur multibras qui était auparavant en position 1
(position de repos) était en position 2. Cela provoque la commutation des circuits locaux de telle sorte que les surtensions de courant a de la deuxième rotation du disque envoient des surtensions de courant locales via l'aimant rotatif, qui fait tourner l'arbre de commutation.
Lors de cette rotation, un ressort spiral situé en haut de l'axe du sélecteur est tendu.
La pointe de courant venant à la fin via la ligne b amène le commutateur en position 3. Maintenant, les lignes a et b sont connectées aux bras de contact de l'arbre de commutation et puisque celui-ci est réglé sur le nombre souhaité en soulevant et en l'activation du double contact établit la connexion avec le transmetteur et le poste associé de l'abonné à appeler.
Si l'abonné appelant appuie maintenant sur le bouton de sonnerie, le courant circule dans la ligne A, le relais de sonnerie étant activé lorsque le commutateur est en position 3.
Cela envoie du courant alternatif à partir d'une source d'alimentation spéciale à l'abonné appelé et active son réveil.
La conversation peut maintenant avoir lieu lorsque l'appelé répond.
Après la fin de l'appel, les deux participants raccrochent à nouveau leur téléphone.
Lorsque le crochet téléphonique tombe, l'appelant envoie une surtension électrique simultanément sur les lignes a et b. Cela provoque le déclenchement de l'aimant de déverrouillage, qui désengage le double cliquet de l'arbre de commande et déplace le commutateur en position de repos. L'axe du sélecteur est ramené horizontalement par le ressort spiral dans sa crête puis retombe verticalement dans sa position de repos sous son propre poids.
La conversation a lieu sur les lignes de pointe et de sonnerie, la ligne de masse n'est utilisée que pour établir la connexion. Dans le système 1000, chaque abonné est également connecté en permanence à un sélecteur, le premier sélecteur de groupe, qui est construit de manière similaire au sélecteur de ligne qui vient d'être décrit. Les contacts de même numéro dans les ensembles de contacts des premiers sélecteurs de groupe sont continuellement connectés les uns aux autres, de sorte que ces ensembles de contacts peuvent être considérés comme un seul.
A partir de chaque rangée horizontale de cet ensemble unifié de contacts, des lignes de connexion conduisent chacune à 10 sélecteurs de ligne, destinés à réaliser les connexions au sein de chacun des 10 groupes de centaines.
Dans le système 1 000 avec 10 % de sélecteurs de ligne, ce qui signifie qu'il peut y avoir un maximum de 100 connexions en même temps, il y a 1,1 sélecteurs par abonné.
Si nécessaire, cependant, il est également possible d'utiliser plus de 10 % de sélecteurs de ligne et de créer ainsi un plus grand nombre d'options de connexion.
Le mode de fonctionnement d'un système basé sur le système 1 000 peut être vu sur le schéma de circuit ci-joint (Fig. 8).
Le poste d'abonné n° 725, qui a appelé l'abonné n° 432, est représenté à gauche.

Pour générer les appels de courant via les lignes a et b, le simple
Deux leviers (touches Morse) à l'extérieur de la station sont supposés par souci de simplicité (en principe, cependant, cela correspond à la réalité) pour générer les appels de courant via les lignes a et b.
Dans le premier sélecteur de groupe de l'abonné 725, l'enfoncement de la touche de ligne a amène le relais de ligne a Ra à répondre via la résistance VWa. Cela ferme un circuit local via l'aimant de levage, qui soulève l'arbre de sélection.
Pour appeler le 432, appuyez d'abord quatre fois sur le bouton a-line, ce qui correspond à tourner le cadran de 4 vers le bas, en élevant l'arbre de commutation au niveau de la quatrième rangée de contacts (broches).
L'appui sur le bouton de la ligne b, correspondant à l'appel de courant b donné automatiquement par l'interrupteur numérique à la fin de chaque rotation du disque, fait réagir le relais RB de la ligne b, qui à son tour active l'aimant de blocage.
La réponse de l'aimant de blocage provoque le passage du commutateur multibras de sa position de repos (1) à la position médiane (2) ou de là à la position finale ou de communication directe (3). L'interrupteur à bascule de sélection de groupe 725 est tiré en position 3 tandis que l'interrupteur à bascule d'appelé 432 est en position de repos.
On peut voir comment, dans la position 2 du commutateur, qu'il atteint après la première surtension de courant b, le courant d'interruption circule à travers l'aimant rotatif tant que l'aimant de blocage reste sous tension après la surtension de courant b a cessé
cela peut se produire parce qu'un courant de maintien circule depuis les contacts de ligne de blocage occupés (connectés au pôle - dans la troisième position de l'interrupteur) des autres sélecteurs de groupe appelant le quatrième groupe de centaines à peu près en même temps via la ligne de blocage et l'aimant de blocage au pôle +.
Le courant de maintien est interrompu dès que le bras du contact de blocage, lors de sa rotation provoquée par l'aimant rotatif, atteint un contact de blocage inoccupé, c'est-à-dire non relié au pôle -, et l'inverseur atteint ainsi la position 3. En même temps , les bras de contact a et b sont également ouverts un contact a et b qui conduit à un sélecteur de ligne encore libre du quatrième groupe de centaines.
La ligne d'abonné 725 mène maintenant à travers les relais Ra et Rb via le commutateur, les bras de contact a et b, les broches de contact et les lignes de connexion au sélecteur de ligne que l'on vient de trouver.
Pour continuer à appeler le n° 432, il faudrait alors appuyer trois fois sur la touche de ligne a (tourner le cadran à partir du 3) puis de nouveau sur la touche de ligne b. De la même façon qu'avec le sélecteur de groupe, le premier provoque la montée de l'axe de commutation du sélecteur de ligne de trois crans, en ce que le relais Ra répond trois fois et excite l'aimant de levage, tandis que l'appel de courant b excite le relais Rb et le commutateur en position 2 en répondant à l'aimant de blocage apporte. Si le bouton a-line est enfoncé deux fois (le cadran est tourné de 2), alors en position 2 du commutateur, ce n'est plus l'aimant de levage qui est excité, mais l'aimant rotatif et l'arbre de commutation sont tournés de deux pas , provoquant le dernier appui sur le bouton b-line switch en position 3.
Dans le cas des sélecteurs de ligne (généralement 10) dans chaque groupe de centaines (comme pour les sélecteurs de groupe), les contacts du même nombre sont connectés les uns aux autres dans les ensembles de contacts, de sorte que peu importe le sélecteur de ligne s'adapte à l'un des cent contacts.
Des lignes sont maintenant connectées aux broches de l'ensemble de contacts 100, qui, notamment dans le quatrième groupe de centaines, conduisent aux sélecteurs de groupe d'abonnés 400 à 499 et y sont connectées aux lignes arrivant des postes des abonnés.
La connexion avec l'abonné 432 est ainsi établie en positionnant un sélecteur de ligne du quatrième groupe de centaines sur le contact 32.
Si l'abonné appelant n ° 725 appuie maintenant sur le bouton de sonnerie de son poste, il envoie (comme s'il appuyait sur le bouton de ligne a) du courant sur la ligne a, le relais A Ra répondant dans le sélecteur de ligne et ( en position 3 interrupteur) allume le relais de sonnerie, qui envoie un courant alternatif à la station 432, qui y active le réveil.
A la fin de l'appel, l'appelant met fin à la connexion en appuyant simultanément sur les touches de ligne a et b (en réalité automatiquement en fermant les contacts correspondants lorsque le crochet téléphonique est abaissé), le courant circulant simultanément via les lignes a et b. En conséquence, les relais Ra et Rb dans le sélecteur de groupe et dans le sélecteur de ligne, en plus de Ra et Rb, ARa et ARb répondent également simultanément, à la suite de quoi les circuits locaux sont fermés via les aimants de déclenchement. Ceux-ci ramènent les sélecteurs utilisés en position de repos en tirant les doubles cliquets (omis sur le dessin pour des raisons de clarté) des rainures des axes des sélecteurs.
Le changeur de pôles représenté sur le côté droit du dessin produit le courant continu interrompu pour faire tourner les axes de changement de groupe et le courant alternatif pour les faire sonner. Il est activé dès qu'un axe de sélecteur de groupe commence à monter.
Au cours d'une communication, ni l'appelant ni l'appelé ne peuvent être appelés par un tiers.
On peut voir sur le schéma de circuit comment dans le sélecteur de ligne, après avoir défini un numéro, la broche de contact correspondante dans le jeu de contacts de blocage est placée sur le pôle -, ce qui se produit alors également simultanément dans tous les jeux de contacts de blocage du même groupe de centaines . Si un deuxième sélecteur de ligne du même groupe de centaines sur le numéro occupé resp. le contact occupé est activé, puis en position 2 du commutateur, lorsque la surtension de courant b arrive et que l'aimant de blocage répond, le courant est envoyé du contact de blocage occupé à travers l'aimant de déclenchement, le deuxième sélecteur de ligne retombant dans la position de repos, c'est-à-dire que le numéro occupé n'est pas atteint. Lorsque vous appuyez sur le bouton de sonnerie (bouton a-line), le sélecteur de ligne remonte d'un pas, ferme un circuit de sonnerie vers l'abonné appelant via un contact qui se ferme lorsque l'arbre de commutation monte, générant ainsi le signal occupé sur son téléphone . Il raccroche alors son téléphone, déclenchant ainsi son sélecteur de groupe et rappelant plus tard.
Cependant, on peut s'arranger pour que le deuxième sélecteur de ligne reste sur le numéro occupé, mais le commutateur est maintenu en position 2 jusqu'à ce que le numéro se libère. Cela permet d'attendre qu'un numéro se libère. Une fois que le signal occupé s'est arrêté, il vous suffit d'appuyer sur le bouton de sonnerie et vous n'avez pas à répéter tout le processus de commutation. L'écoute de l'appel en attente n'est pas possible.
De la même manière, l'abonné appelant est protégé contre les appels ou les écoutes clandestines d'un tiers lors d'une communication, en ce que la broche de contact correspondant à son propre numéro est placée sur le poteau dans tous les contacts bloquants du sélecteur de ligne de son propre groupe. de centaines lorsque l'arbre de commutation de son sélecteur de groupe monte.
Pour éviter de maintenir un appelé occupé lorsque l'appelant ne raccroche pas le téléphone, des dispositions peuvent être prises pour permettre à l'appelé de se déconnecter lorsque le téléphone raccroche, mais cela n'est généralement pas nécessaire.
La plupart des échanges d'auto-connexion construits jusqu'à présent sont désormais basés sur le système 10 000. Dans ce cas, un autre électeur, l'électeur du deuxième groupe, est ajouté.
Il y a alors 1,2 votant pour chaque participant, puisque vous n'avez besoin que de 10% de votants du deuxième groupe. Le premier sélecteur de groupe définit les milliers, le deuxième sélecteur de groupe les centaines et le sélecteur de ligne les dizaines et les unités.
Le système 100 000 est également utilisé. Des bureaux pour 19 000 abonnés ont déjà été construits. Dans ce système, un troisième groupe de votants est ajouté, de sorte qu'il y a 1,3 votants pour un participant.
La petite augmentation du nombre d'appareils requis à mesure que le nombre de participants augmente est un avantage significatif du système Strowger. Avec les multiples inverseurs des centrales à commande manuelle, le nombre de prises croît relativement beaucoup plus vite que le nombre d'abonnés.
Jusqu'à présent, la plupart des systèmes automatiques n'ont pas réussi à faire fonctionner des systèmes avec plus de 100 participants. Dans le cas du système Strowger, cette question a été résolue de manière satisfaisante et on peut se demander si la même chose peut être atteinte ou dépassée à cet égard.
Dans le bureau, les électeurs sont suspendus à des cadres en fer, en dessous de quatre rangées d'électeurs du premier groupe, 25 chacun, puis une rangée d'au moins 10 électeurs de ligne et au-dessus, les électeurs du deuxième et peut-être aussi du troisième groupe. Chaque rack est conçu pour 100 lignes d'abonnés.

La fixation des votants aux cadres est réalisée de manière à ce que les votants puissent être échangés rapidement et facilement sans avoir à desserrer une connexion filaire. Chaque rangée de sélecteurs comporte un voyant de contrôle qui s'allume tant qu'un sélecteur de la rangée concernée est en position de travail. De plus, une bobine de chauffage est allumée pour chaque électeur dans la ligne secondaire vers le pôle non mis à la terre de la batterie du bureau.
Celle-ci intervient aussi bien en cas de courts-circuits au sein des votants qu'en cas de courants externes d'intensité normale d'une durée trop longue et ferme un circuit local via un réveil et une lampe d'alarme dans la rangée de votants concernée , où le lieu
La panne peut être trouvée rapidement.
Les lignes extérieures sont munies des paratonnerres et des fusibles de sécurité habituels chez l'abonné et au bureau. Comme déjà mentionné, une batterie de stockage de 50 à 60 volts et d'une capacité correspondant à la taille de l'installation sert de source d'alimentation dans le bureau. En règle générale, deux piles sont fournies et utilisées en alternance. Le courant alternatif nécessaire à la sonnerie est fourni par un inverseur de pôles dans les petits systèmes et par un moteur-générateur dans les grands systèmes.
Les deux appareils sont également équipés de dispositifs de génération du courant d'interruption.
En Amérique, il y a actuellement plus de 60 usines selon le système Strowger en fonctionnement, qui fonctionnent de manière tout à fait satisfaisante (Fig. 9).
Le système d'auto-connexion à Berlin a été mis en service à l'automne 1903. Il s'est avéré nécessaire que les abonnés automatiques puissent non seulement communiquer entre eux, mais aussi avec les abonnés des centraux manuels. le trafic d'appels des opérateurs automatiques vers les opérateurs manuels pourrait s'effectuer, mais l'inverse n'a pas encore été le cas, puisque les bureaux de Berlin sont construits selon des systèmes différents. Lorsque la conversion des bureaux de Berlin vers un système uniforme, actuellement en cours, sera achevée, cette opération mutuelle et mixte pourra être réalisée dans les deux sens.
Le centre de répétition ouvert à Vienne le 1er avril 1905 pour 200 participants selon le système des 10 000 a immédiatement reçu un fonctionnement mixte sans restriction, puisque les bureaux à main viennois ont le même design. Toute l'opération y est effectuée rapidement et en toute sécurité. Par conséquent, des systèmes d'auto-connexion doivent d'abord être mis en place dans les villes de province autrichiennes.
En Allemagne, la ville d'Hildesheim disposera probablement d'un système d'auto-raccordement pour 1 200 à 1 800 abonnés d'ici la fin de cette année. Avec ce système, l'autocommutateur privé, le trafic longue distance et le comptage des appels seront mis en œuvre.
Le ministère des Chemins de fer de Berlin dispose d'un système interne pour environ 200 participants depuis trois ans.
Lors de l'exposition de Milan l'année dernière, un système avec 30 participants connectés aux bureaux d'exploitation manuelle était en fonctionnement, qui répondait au mieux aux exigences les plus étendues.

Parmi les améliorations apportées au système Strowger depuis qu'il est connu en Allemagne, il convient également de mentionner que les relais de ligne, qui restent allumés dans les lignes vocales, en ont été supprimés ou se trouvent dans des ponts.
En outre, le système est désormais également conçu pour un fonctionnement sur batterie centrale et les efforts visant à réduire le nombre de sélecteurs de groupe ont progressé avec succès.
Les coûts d'investissement d'un central auto-raccordé sont encore plus élevés que ceux d'un central à fonctionnement manuel, mais les coûts d'exploitation sont nettement inférieurs. Dans le bureau des opérations manuelles, un agent sert en moyenne 100 participants, dans le bureau de l'auto-connexion, il y a un mécanicien pour 1 000 participants. Vous pouvez également économiser sur le chauffage et l'éclairage.

Commutateur Siemens & Halske

En 1900 La poste allemande, toujours ouverte aux bonnes idées venant des États-Unis (comme auparavant pour le téléphone de Bell), a signé un contrat pour un centre d’essais. Les premiers essais avec un centre de 400 lignes livrées depuis Chicago ont eu lieu le 21 mai 1900 à Berlin.
Encouragés par les bons résultats, la production locale sous licence d’Autelco a débuté chez Ludwig Loewe & Co, une société allemande de fabrication d’armes, pour un centre d’une capacité de 1200 abonnés à Hildesheim.

En 1907 Face aux problèmes techniques de l’usine d’armement, la poste impériale allemande contacte Siemens & Halske.
Après la mise en service du centre Strowger d'Hildesheim, un accord a été conclu entre les quatre parties concernées (Autelco, Loewe & Co, Imperial Post et Siemens) pour transférer la production et le développement des équipements Strowger en Allemagne à Siemens & Halske.
Les sélecteurs Strowger disposait que de 10 possibilités de raccordement, le sélecteur perfectionné par Siemens-Halske en aveit 100.

Siemens & Halske a été l'une des premières entreprises européennes à licencier la technologie Strowger pour l'Empire allemand, en 1909.
Contrairement à la plupart des pays, ils ont même construit des téléphones Strowger jusqu'à ce qu'ils puissent concevoir le leur en utilisant le nouveau cadran. Leurs téléphones apparaissent dans de nombreux pays européens, souvent avec des marques de compagnies de téléphone locales.
Ils ont repensé et amélioré considérablement la technologie au cours de sa vie, et elle a été adoptée comme standard par la poste allemande avant-gardiste. L'Allemagne a été le premier pays au monde à devenir entièrement automatique.

En 1909, Siemens & Halske installa le premier centre automatique conçu selon les spécifications de la poste impériale à Dallmin, près de Berlin.
Il ne concernait que 20 abonnés et continuait à travailler sur des batteries locales, mais intégrait des présélecteurs de son propre design amélioré en tant que commutateur rotatif à 10 points au lieu du piston compliqué de Strowger.
Cela a été suivi en 1910 par un centre de 1000 lignes à Altenburg, à Thuringe, incorporant des batteries centrales et une présélection.

C’est également en Bavière que le premier service interurbain automatique au monde a été introduit.
Cela a eu lieu dans le district de Weilheim en 1923. Vingt-deux centraux situés dans un rayon d'environ 30 km autour de cette ville étaient interconnectés.

sommaire

En France, les marchés sont notifiés par l'administration en Juin 1932
pour un Ensemble de commutateurs mis en service à partir du 10 juillet 1932 (Inauguration officielle le 15 octobre 1932) pour automatiser la zone de Saint-Malo et des communes voisines : Rocabey, Saint-Servan, Paramé, Dinard, Cancale, Rothéneuf, Dol, Saint-Lunaire et Saint-Briac.
- Il s'agira pour la première fois en France de réaliser la mise en essai de communications interurbaines entièrement automatiques dans une zone de densité moyenne voire réduite de population.

Le système SIEMENS & HALSKE, installé en France par la CGTT, filiale de SIEMENS (Compagnie Générale de Télégraphie et Téléphonie) ne sera pas étendu à d'autres communes.
- D'après les débats parlementaires de l'époque il apparait que la provenance d'Allemagne de ce système ait pesé en sa défaveur en France, compte tenu de la situation politique depuis la guerre de 1871.


sommaire

Au Japon

Le service téléphonique public du Japon a commencé en 1890 avec l'ouverture de centraux manuels en avril à Tokyo et en juin à Yokohama avec du matériel importé de BTMC, Belgique.
Le service entre Tokyo et Yokohama a commencé le 16 décembre. Le premier système de commutation de batterie commun a été installé à l'échange de Kyoto en 1903.
A partir de 1916, l'administration s'intéresse à l'automatisation des centraux locaux et des études comparatives sont menées sur les différents systèmes disponibles dans le monde.
Les systèmes pas à pas étaient considérés comme les meilleurs pour le Japon en raison de leur mécanisme simple, de leur facilité d'entretien, de leur fiabilité apparente dans des conditions de tremblement de terre et de leur popularité, étant de loin le système le plus répandu à l'époque.

Suite au grand tremblement de terre du Kanto en 1923, il a été décidé de profiter de la reconstruction du réseau téléphonique et d'introduire le service automatique. Deux systèmes diférents ont été choisis :
1. Le système américain Strowger (appelé au Japon le système de type A), principalement pour la région de Tokyo, avec le premier central opérationnel à la succursale de Kyobashi à Tokyo en janvier 1926
2. Le système rotatif allemand Siemens de type Strowger (appelé au Japon le système de type H), initialement installé dans la région de Yokohama, avec les premiers centraux opérationnels à la succursale de Chojamachi et au siège social de Yokohama en mars 1926.

Les appels longue distance ont été introduits en 1927. L'équipement pour le central de Kyoto était encore du matériel Strowger importé, tandis que Siemens fournissait le matériel pour les centraux d'Osaka et de Kobe.
La production locale des types A et H a commencé en 1934. L'interfonctionnement entre les systèmes A et H a cependant causé plus de problèmes que prévu.
En 1935, par conséquent, le développement a commencé d'un système étape par étape purement japonais, appelé le système T.
Le premier centre du système T fabriqué au Japon a été installé à Nara près de Kyoto en 1940.
La Seconde Guerre mondiale, cependant, a arrêté tout développement ultérieur.

En 1938, selon les dernières statistiques internationales publiées avant la Seconde Guerre mondiale, le Japon, avec une population de 72 millions d'habitants, comptait 1 million de lignes d'abonnés, dont 350 000 étaient desservies automatiquement par 132 centraux.
Après la guerre, le Japon s'est tourné vers la commutation crossbar, avec le premier commutateur installé en 1955.


Les ingénieurs ont appelé le système Strowger« le type A » et le système Siemens Halske le « type H » (version allemande du Stroxger).
Bien que les deux types utilisaient le système S×S (pas à pas), chacun avait ses caractéristiques distinctives.Ils sont complètement différents en ce qui concerne la conception des circuits, la technique de production, le système d'exploitation, la procédure de maintenance, la gestion du matériel et la formation des ingénieurs. Des ajustements mécaniques ont donc été nécessaires pour les connecter. Chaque central téléphonique a sélectionné un côté des deux types pour éviter toute confusion dans les centraux locaux. Cependant, le problème restait non résolu dans les centraux à péage qui reliaient les lignes en dehors du district.

Sur la base de ces activités de recherche, le comité a commencé à standardiser l'ATS (automatic telephone system) en développant de nouveaux systèmes à partir du milieu des années 1930. Les ingénieurs qui ont assumé la responsabilité ont mis l'accent sur une technologie indépendante des brevets étrangers. Hiroshi Origasa, un ingénieur, a créé une nouvelle conception de circuit et a obtenu trois brevets sur l'ATS de 1937 à 1938 ; il conçut ensuite un nouveau système, « l'ATS de type T », qui fut nommé d'après Teishin-sho .
Comme la recherche sur les circuits de relais avait considérablement progressé au Japon, l'ATS de type T avait une conception de circuit plus simplifiée que le système S×S existant. Par exemple, l'ATS de type T était assemblé par 19 521 relais, tandis que l'ATS de type H nécessitait 29 411 relais, avec la même capacité de traitement. Il était hautement considéré comme le premier ATS japonais d'origine. MOC a décidé d'introduire officiellement l'ATS de type T en 1940 pour commémorer le « 2 600e anniversaire » de la fondation mythologique du Japon.
Le bureau téléphonique de Nara, dans la préfecture de Nara, l'ancienne capitale du Japon, a été le premier à introduire l'ATS de type T.

Bien que la conception du circuit soit une technologie originale inventée par un ingénieur japonais, l'ATS de type T ne comportait aucune pièce d'origine. Tous les relais, commutateurs et cadrans ont été empruntés à l'ATS de type H produit par FUJISTU. Dès le début, FUJITSU a collaboré avec MOC pour développer le produit d'essai de type T. Le développement de ses pièces est donc devenu le prochain objectif.
La normalisation de l'ATS étant un objectif essentiel, non seulement FUJITSU mais aussi d'autres fournisseurs étaient tenus de coopérer avec eux.

En janvier 1942, le Japon créa le Comité de normalisation des systèmes téléphoniques automatiques. Ce comité était composé d'ingénieurs de NEC, OKI, FUJITSU, HITACHI et du Comité. Lors de la première réunion, ils ont discuté de la conception de pièces adaptées à l'ATS de type T, puis ils se sont réunis à nouveau pour une autre réunion tenue en octobre de la même année pour discuter d'un prototype.
Cependant, un problème sérieux était que l'ATS de type T ne pouvait pas améliorer le système S×S à l'ancienne. Il n’y avait pas d’autre alternative que de développer un « système S×S » avancé au lieu du système PD (Rotary).
Au même moment, aux États-Unis, WE réussit pratiquement à mettre en œuvre le système crossbar, à partir de 1938.
Le système crossbar a hérité de technologies telles que le système de contrôle commun du système PD. En fait, en 1931, NEC avait déjà été informé du système crossbar par WE, et on lui avait conseillé de déposer un brevet. Comme il serait impossible de commercialiser la technologie pendant la durée de la licence, qui était de quinze ans. Ils décidèrent de ne pas déposer de brevet. Après le début de la guerre, les ingénieurs japonais furent incapables d'obtenir des informations détaillées sur le système de barres transversales.
Ainsi, au Japon, la technologie ATS était considérablement moins développée que celle des États-Unis.
La pénurie matérielle s'est aggravée pendant la guerre. Le comité ne fut pas en mesure de poursuivre les réunions et fut dissous après la quatrième réunion tenue en mars 1943. Le Comité fut contraint de reporter l'introduction du central téléphonique automatique ; en outre, les districts ruraux ont arrêté le fonctionnement de l'ATS et sont revenus à l'échange manuel. Aux fins de la défense nationale, un nouveau bureau téléphonique a été créé à Tokyo et à Osaka et l'ATS de type T n'a été adopté que là-bas. Après la fin de la guerre, ils furent remplacés dans les centraux téléphoniques de Nagano.
Cependant, l'ATS de type T n'a plus jamais été produit.

sommaire

En Angleterre

Tout au long de l'ère Strowger, il n'y a eu principalement que trois versions différentes du sélecteur à 2 mouvements, certains commutateurs plus anciens utilisant un mélange des trois, à savoir :
Modèle antérieur à 2000 - L'original et tous les modèles antérieurs à 1936
Le Type 2000 - une conception plus compacte et grandement améliorée introduite en 1936.
Commutateur Pre 2000

Le Type 4000 - une conception légèrement modifiée, moins durable, introduite en 1958. Il devait permettre des économies considérables en termes de maintenance, mais comme ces économies ne se sont pas concrétisées, en juillet 1966, la GPO des Royaumes-Unis est revenue au type 2000 comme norme pour tous les nouveaux travaux.
MNDX, le premier central mobile non directeur, de Crompton, a été mis en service en février 1963 pour soulager le central automatique Shaw dans le Lancashire. Les centraux mobiles tandem MTX pour décharger le trafic de jonction ont été développés en même temps.
Dans les petites villes et les sites plus éloignés où un central de taille normale n'était ni justifié ni nécessaire, des centraux automatiques unitaires (UAX) ont été installés. Souvent, l'équipement était hébergé dans des unités scellées (adaptées à une utilisation dans des bâtiments non chauffés) et un central complet était composé de plusieurs unités, d'où le nom. UAX1.
UAX4 premiers types antérieurs à 2000.
UAX5 capacité de 100 lignes, y compris les jonctions. MDF non fermé. Le dernier UAX5 au Royaume-Uni, sur l'île de Coll, a été converti en SAX. en novembre 1974.
UAX6 capacité de 200 lignes.
UAX7 le système AGS conçu par ATE (Automatic Telephone & Electric Co.), GEC (General Electric Co.) et Siemens Brothers. À l'origine, des unités scellées étaient utilisées dans des bâtiments non chauffés, mais les versions ultérieures utilisaient des racks ouverts dans des bâtiments chauffés. capacité de 800 lignes.
UAX8 utilisait des sélecteurs finaux de type antérieur à 100 prises de type 200 et des détecteurs de ligne/unisélecteurs à 50 points.
UAX9 (Bypath type S) utilisait des commutateurs Bypath à 50 points conçus par Standard Telephone & Cables.
UAX10 (Bypath type QC) capacité de 200 lignes.
UAX11 (Bypath type R) capacité de 80 lignes.
UAX12 première version standardisée des UAX avec un équipement de type antérieur à 2000, conçu à l'origine pour jusqu'à 100 lignes. Remplace les UAX 5 et UAX 11.
Version mobile MAX12 de ce qui précède.
UAX13 type 2000, conçu pour prendre en charge 200 à 400 lignes, mais souvent étendu à 800.
Version mobile MAX13 de ce qui précède.
UAX13(R) remplacement des unités d'abonnés des UAX12 pour prolonger leur durée de vie.
Le type UAX14 2000, qui remplaçait les UAX7 et UAX9, utilisait des racks de type ouvert dans des bâtiments chauffés et pouvait à l'origine accueillir jusqu'à 800 lignes.
Cependant, dans certaines zones, plutôt que d'utiliser des équipements UAX, il était plus économique d'installer des centraux non directeurs mineurs, connus sous le nom de petits centraux automatiques ( SAX ).
Le premier SAX a été ouvert à Bury dans le West Sussex en 1964.
Même des centraux satellites nationaux ( CSX ) plus petits, pour 10 à 20 abonnés, pouvaient être fournis à partir d'équipements logés dans un boîtier métallique fixé sur un poteau. Les CSX, cependant, étaient connectés directement au tableau manuel et ont été remplacés pour le fonctionnement automatique par le connecteur de ligne ( LC ).

sommaire

Jusqu'après la Seconde Guerre mondiale, lorsque la société Bell AT&T fut soumise à une pression gouvernementale accrue. L'accord de fournisseur unique entre AT&T et Western Electric était critiqué comme un moyen de maintenir les prix du téléphone du système Bell artificiellement élevés. Western Electric a en partie surmonté l’opposition en mettant ses conceptions à la disposition d’entreprises comme Automatic Electric. Le site d'AE à Chicago emploie désormais environ 8 000 personnes. Ils ont adopté les conceptions WE dans l’intérêt d’une fabrication et d’une standardisation moins coûteuses. Ils ont quelque peu modifié la conception du boîtier WE pour produire un téléphone qui n'était pas si manifestement un Western Electric (beaucoup de leurs clients dans les compagnies de téléphone indépendantes voulaient que leurs téléphones aient un aspect différent, pour mettre en valeur leur indépendance). Finalement, des considérations économiques ont joué contre AE et ils ont produit le même design que les autres fabricants, basé sur le téléphone de la série WE 500.

Un effet secondaire curieux de la Seconde Guerre mondiale a été une brève poussée de croissance de la production, étape par étape. De nombreux pays avaient besoin de mettre à jour leurs systèmes téléphoniques âgés, endommagés par la guerre ou usés, et souhaitaient une fabrication locale. ATE en Grande-Bretagne a pu aider bon nombre de ces pays à créer leurs propres industries, leur vendant souvent certains des équipements les plus anciens d'ATE pour produire des commutateurs britanniques de la série 2000 et les téléphones éprouvés de la série 300 de BPO sous licence. Même si les conceptions étaient anciennes, elles étaient peu coûteuses et fonctionnelles – suffisamment pour permettre aux pays en développement de démarrer. Des commutateurs à pas ont été produits au Portugal, en Inde, en Israël et dans un certain nombre d'autres pays jusqu'à ce que le commutateur à barre transversale d'Ericsson commence à conquérir le marché. Aux États-Unis, Stromberg Carlson vendait également un système concurrent plus simple, leur équivalent XY pas à pas.

Le groupe Theodore Gary était encore propriétaire d'Automatic Electric jusqu'en 1955, date à laquelle elle fut rachetée par GTE (General Telephone & Electric). GTE était plus un groupe de sociétés d'exploitation indépendantes qu'un conglomérat, et son historique de service était médiocre. L'usine efficace d'AE Chicago a été transférée à Northlake et l'entreprise autrefois fière a été démantelée au coup par coup. À la fin des années 1960 et dans les années 1970, la production était répartie entre plusieurs usines. L'équipement de transmission provenait de San Carlos, les commutateurs d'échange de Northlake et peut-être de Gênes, et les téléphones étaient fabriqués à Huntsville en Alabama. Cela reflétait le pouvoir des entreprises individuelles au sein de GTE plutôt que des raisons économiques.

Au cours des années 1960, AE étudiait la commutation électronique pour les GTE. Cela a dû être un choc culturel pour les ingénieurs de l'entreprise, passant d'une technologie raffinée vieille de soixante-dix ans. AE s'est rendu compte que ses clients souhaiteraient bientôt des centraux téléphoniques dotés de nouvelles fonctionnalités et que l'électronique était la voie à suivre. Il y avait une limite à ce que la technologie des marches pouvait faire. Suite au déménagement de Chicago à Northlake en 1957, la société a également commencé à concevoir de nouveaux modules d'échange compatibles avec les réseaux existants et pouvant, si nécessaire, être utilisés pour mettre à niveau un central existant. Automatic Electric Laboratories a été créé pour mener à bien ce travail, l’une des rares actions sensibles de GTE. Le nouveau système a été baptisé EAX.

Dans une sage décision, AE a employé des ingénieurs de la North Electric Company, une société d'Ericsson. Ils connaissaient la commutation Crossbar d'Ericsson et leur expertise était indispensable. Dans une démarche moins judicieuse, ils ont commencé à licencier les employés et à embaucher du nouveau personnel pour les nouveaux processus. Un autre développement, la production des premiers circuits intégrés, a contribué à accélérer le projet et à réduire considérablement le coût. Le premier échange EAX a été mis en service à titre d'essai en septembre 1972. Cependant, comme lors des premiers échanges plusieurs décennies plus tôt, des améliorations étaient en cours de conception alors même que l'EAX n° 1 entrait en production. En 1982, 3 millions de lignes EAX étaient installées dans le monde.

L'introduction des échanges électroniques a été rapide et le dernier échange étape par étape aux États-Unis a été mis hors service en 1999. Le dernier en Grande-Bretagne a été fermé en 1995 et en Belgique, siège de l'ATEA, en 1994, ou certains pays utilisaient encore le pas à pas, principalement en Amérique centrale et en Afrique, où ils ne disposaient pas du capital nécessaire pour se mettre à jour. Beaucoup d’entre eux survivent grâce à des pièces achetées auprès de bourses fermées dans d’autres pays. La durée de vie moyenne d'un central pas à pas s'est avérée être d'environ quarante ans, ce qui représentait une bonne valeur pour les compagnies de téléphone qui les utilisaient.

En 1983, GTE a fusionné Automatic Electric et une autre de leurs sociétés. Lenkurt, dans les systèmes de réseau GTE. En 1989, la société et AT&T ont fusionné leurs participations pour former une nouvelle société, AG Communication Systems, qui a ensuite été vendue au sein de Lucent.

sommaire

Le commutateur Strowger est devenu de facto une norme mondiale pour la commutation automatique. Il a rencontré une certaine opposition, et le cas britannique en est un bon exemple. Les participations étrangères d'Automatic Electric ont joué un rôle important dans le développement de l'entreprise.
Elles ont permis d'accroître les débouchés commerciaux de son produit à un moment où des revenus supplémentaires étaient désespérément nécessaires. Grâce aux licences, aux revendeurs et aux fabricants locaux qui vendaient tous des équipements de commutation automatique.

Au Canada,
En 1893, la Automatic Telephone & Electric Company of Canada fut créée pour reproduire la technologie de Strowger au Canada, qui devenait plutôt nationaliste et manifestait une volonté de se libérer des liens industriels avec son voisin du sud. La société semble n'avoir été qu'une société de collecte de fonds, car elle n'a jamais installé un seul téléphone ou central téléphonique.
En 1908-1909, le gouvernement canadien a entrepris de nationaliser les compagnies de téléphone privées pour bénéficier des avantages de l'interconnexion et d'un développement ordonné. Les administrations provinciales qui supervisaient les réseaux ont opté pour le service automatique, mais cela ne signifiait pas nécessairement Strowger. Romaine Callender avait déjà inventé le premier commutateur automatique du Canada et son travail était poursuivi par la Canadian Machine Telephone sous la direction des frères Lorimer.
En 1897, ils installèrent une usine à Peterborough, en Ontario. Malheureusement, le système Lorimer n’était pas perfectionné et n’avait pas été adapté pour desservir des centraux plus importants, et les livraisons étaient irrégulières. La ville d’Edmonton attendit deux ans pour son central avant d’annuler la commande en 1907 et de s’adresser à Automatic Electric. AE fit installer un central fonctionnel en deux mois (l’ancien système à trois fils), ce qui marqua la fin des produits fabriqués localement. Le Canada était principalement approvisionné par des produits importés, d’abord des États-Unis, puis de Grande-Bretagne. Cependant, à mesure que la taille du marché augmentait, la fabrication locale d’appareillages de commutation et de téléphones Strowger commença.

Automatic Electric a acquis Phillips Electric Works, une usine de câbles à Brockville, en Ontario , en 1930.
Des téléphones ont été fabriqués dans cette usine de 1935 à 1953, date à laquelle Automatic Electric a vendu l'usine de câbles et construit une usine de téléphones de 33 acres, d'une valeur de 1,5 million de dollars, au 100 Strowger Boulevard.
L'usine de Strowger Boulevard a été vendue à BC Tel (sous le nom de Microtel) en 1979, puis a été détenue par Nortel (sous le nom de Brock Telecom) de 1990 à 1999 ; elle a fermé en 2002. L'usine Phillips Cables a fermé dans les années 1990 et a été démolie plus tard.

De 1935 et jusqu'au milieu des années 50, les téléphones Strowger/AE étaient fabriqués par Eugene F. Phillips Electrical Works, propriété de l'Automatic Electric Company (une filiale de Theodore Gary and Company), située au nord du parc St. Lawrence sur King St. West, à l'extrémité sud-ouest de la ville.
L'ancienne usine Phillips avait été vendue à British Calender Cables Ltd. l'année précédente, et est devenue Phillips Wire and Cable après ce transfert. AE a conservé 80 % de sa participation dans l'usine.
Cette usine d'origine, comme Phillips Wire and Cable, a fermé ses portes en 1998. Cette photo est tirée d'un calendrier de l'usine Phillips de 1949, alors que l'usine produisait encore des téléphones AE.
Cette usine a été démolie fin juin/début juillet 2008. La dernière partie de l'usine à être démolie était son immense cheminée, ce qui marquait la fin d'une époque.
En 1953, une nouvelle usine Automatic Electric de 124 000 pieds carrés, d'une valeur de 1,5 million de dollars, fut construite au 100 Strowger Boulevard sur Schofield Hill par la Theodore Gary Company et fut officiellement inaugurée le 22 septembre 1954. Les opérations de fabrication de téléphones furent alors transférées de l'ancienne usine Phillips vers la nouvelle usine. Deux ans plus tard, la nouvelle usine de Brockville servit de modèle à l'immense usine construite à Northlake, dans l'Illinois, par la société mère. En 1955, l'organisation de Gary fusionna avec la General Telephone Company (plus tard connue sous le nom de General Telephone & Electronics Corp. [GTE]). L'usine de Brockville devint alors connue sous le nom de GTE Automatic Electric.
Une autre usine AE à Lethbridge, en Alberta, produisait des téléphones AE en bakélite. Elle a fermé ses portes en 1983. Il existait une troisième usine à Richmond, en Colombie-Britannique, dont on sait peu de choses.

En Angleterre, novembre 1911 : création de l'Automatic Telephone Manufacturing Company par British Insulated Cables .
Créée à Liverpool pour fabriquer le système de central téléphonique Strowger sous licence de l' Automatic Electric Company de Chicago pour servir la Poste. Cette société a été le premier fabricant de centraux automatiques au Royaume-Uni.
1912 Le premier central téléphonique automatique public expérimental du Royaume-Uni a été installé à Epsom, utilisant le système à deux fils Strowger d'une capacité de 500 lignes. Un autre central a été ouvert au General Post Office de Londres, pour être testé comme central téléphonique privé.
Premier fabricant de centraux automatiques au Royaume-Uni, cette société était l'une des quatre (plus tard cinq) à fabriquer des équipements pour les centraux appartenant à la Poste ; voir General Post Office (GPO ou BPO, un département gouvernemental).
1918 Construction et installation d'un central téléphonique automatique à Leeds utilisant le système Strowger. Il s'agit du plus grand de son genre en Europe, avec une capacité d'extension pour desservir 100 000 abonnés.
1920 La société International Automatic Telephone Co a été créée en collaboration avec Associated Telegraph and Telephone Co des États-Unis dans le but de représenter l'entreprise à l'étranger et de garantir les droits de brevet dans d'autres pays où la société Automatic Telephone Manufacturing Co n'avait pas de droits. Cela a mis fin à l'indépendance de la société Automatic Telephone Manufacturing Co .
1932 Le nom a été changé en Automatic Electric Co pour refléter la large gamme de produits électriques fabriqués par la société, notamment les appareils de chauffage Xcel et les feux de circulation.

Dans les années 1950, deux usines Automatic Electric produisaient en Europe : Automatique Electric SA d' Anvers , en Belgique , et Autelco Mediterranea SATAP de Milan , en Italie .

L'Argentine achetait ses téléphones principalement aux États-Unis. On connaît également des téléphones anciens avec des cadrans ATM provenant de Grande-Bretagne, avec des inserts de cadran imprimés en espagnol. On trouve parmi ces téléphones le petit téléphone mural en bois de 1908 et le BPO n° 72. On ignore actuellement si une fabrication a eu lieu en Argentine.

L'Australie a très tôt standardisé ses systèmes, étape par étape, la plupart de ses produits provenant initialement des États-Unis. La première installation de la Poste fut à Geelong le 6 juillet 1912, ce qui en fit le troisième central téléphonique public hors des États-Unis, bien que les chemins de fer du gouvernement de la Nouvelle-Galles du Sud en aient déjà installé un à leur siège. L'équipement fut entièrement importé des États-Unis, y compris les téléphones. Le petit téléphone mural noir de 1908 avec le cadran Mercedes et le chandelier de 1918 furent tous deux utilisés. Malgré quelques problèmes initiaux, Hesketh, l'ingénieur électricien en chef de la Poste, fut suffisamment impressionné pour annoncer qu'à l'avenir tous les centraux des capitales seraient automatiques. À ce stade, les deux seuls grands réseaux de centraux automatiques se trouvaient à San Francisco et à Los Angeles, ce qui constituait une décision courageuse. On doutait également que le public puisse se souvenir de numéros de téléphone à 5 ou 6 chiffres !
En 1925, l'ATM fournit des centraux pour Sydney, marquant ainsi le passage aux sources britanniques pour la Poste australienne. L'équipement est alors acheté auprès des cinq fournisseurs britanniques. Le Rural Automatic Exchange (RAX), un petit central automatique transportable autonome, est développé dans les années 1920 et 1930. Il est basé sur les premières conceptions de Siemens Brothers en Grande-Bretagne, lui-même basé sur un système antérieur de Siemens & Halske en Allemagne. Les RAX sont largement utilisés en Australie. Le premier est installé à Barup dans l'État de Victoria en 1925. Même dans les années 1950, environ 75 % des centraux du pays ont moins de 20 lignes connectées. À cette époque, il y a plus de 1 000 RAX en service en Australie. Certains sont encore importés de Grande-Bretagne, mais la plupart sont désormais construits en Australie.
En 1925, seul un petit nombre de centraux étaient automatiques, car la plupart des centraux manuels étaient relativement récents et leur remplacement ne pouvait être justifié. À mesure que ces centraux vieillissaient, ils ont été modernisés et, en 1939, 75 % de Melbourne était raccordée à des centraux automatiques.
Une filiale d'Automatic Electric, Automatic Electric Telephones Pty Ltd, fut créée à Sydney assez tôt mais à une date inconnue. Elle ne semble pas avoir fabriqué de téléphones et était probablement un point de vente et de contact pour sa société mère américaine. Vers 1933, elle s'appelait Automatic Telephones Ltd, avec son siège social à Geelong House, 26 Clarence Street, Sydney. À un moment donné (peut-être après la Seconde Guerre mondiale), la société australienne devint British Automatic Telephone & Electric Pty Ltd. Son siège social se trouvait alors au 84-88 William Street, Melbourne, avec un autre bureau au 54 Oxford Street à Sydney et des agents à Brisbane, Perth et Hobart. La même société était également présente en Nouvelle-Zélande.
Ils vendaient encore certains produits tels que des répondeurs dans les années 1950, mais furent vendus à Clyde Industries Ltd en 1958. Automatic Electric des États-Unis vendit également sa petite participation dans Telephone and Electrical Industries Pty Ltd à la même période.

Belgique Après que Western Electric eut racheté les parts de Bell dans BTMC, les administrateurs de Bell furent remplacés par des candidats de WE. Les cadres licenciés créèrent une nouvelle société, ATEA, pour fabriquer des téléphones en opposition à BTMC. En 1926, ATEA fut rachetée par le groupe Theodore Gary, qui nomma un conseil d'administration composé de personnalités locales influentes, de gestionnaires et d'investisseurs britanniques et d'un ingénieur américain. En 1931, le nom fut changé en Automatique Electrique de Belgique. La société eut une longue et fructueuse histoire en tant que l'un des principaux développeurs non américains du système Strowger.
Pendant la Seconde Guerre mondiale, ATEA a été obligé de fabriquer la version Siemens de l'interrupteur à pas.
L'entreprise devient un centre de recherche et développement ainsi qu'un centre de fabrication et est l'un des premiers centres de test du nouveau commutateur électronique EAX d'AE. En 1986, ATEA est rachetée par Siemens.

France Thomson-Houston acheta une licence en 1911 et installa une unité de fabrication américaine à Nice en 1913. De nombreux autres fabricants européens tentaient de conquérir le marché français et beaucoup proposaient des versions des centrales Strowger.
Malheureusement, les PTT français décidèrent de se baser sur le système rotatif d'ITT en 1924, en sous-licence auprès de deux concurrents de Thomson-Houston. Thomson-Houston vendit sa division de fabrication de téléphones à ITT en 1925 et se retira du marché de la téléphonie. Une autre raison invoquée pour justifier la décision de se tourner vers ITT était que les réparations d'après-guerre versées par l'Allemagne auraient pu inonder le marché de commutateurs Siemens & Halske Strowger, leur donnant pratiquement le contrôle du système téléphonique français

Allemagne Siemens & Halske fut l'une des premières entreprises européennes à octroyer une licence pour la technologie Strowger à l'Empire allemand, en 1909. Contrairement à la plupart des pays, ils ont même fabriqué des téléphones Strowger jusqu'à ce qu'ils puissent concevoir leurs propres téléphones utilisant le nouveau cadran. Leurs téléphones apparaissent dans de nombreux pays européens, souvent avec les marques des opérateurs téléphoniques locaux. La technologie a été considérablement repensée et améliorée au fil du temps, et elle a été adoptée comme norme par la Poste allemande, qui était avant-gardiste.
L'Allemagne a été le premier pays au monde à adopter le système entièrement automatique. Le deuxième central AE en Europe se trouvait à Berlin en 1899. Il comptait quelques centaines d'abonnés et était autant destiné à l'évaluation qu'à l'utilisation.
L'usine fut bombardée pendant la Seconde Guerre mondiale et il fallut un certain temps pour la remplacer. De nombreuses entreprises en profitèrent pour acheter des équipements en Grande-Bretagne et directement aux États-Unis, car Siemens avait perdu ses droits sur les brevets AE à la suite de la guerre.

Grande-Bretagne
En 1898, la Direct Telephone Exchange Corporation publia à Londres une brochure faisant la promotion du standard automatique de Strowger. Il s'agissait de l'ancienne version, avec trois fils reliés au téléphone du client et une « numérotation par bouton-poussoir ». Chaque ligne entrante se terminait par un commutateur bimoteur, ce qui rendait le système coûteux et encombrant. La société n'a réalisé aucun chiffre d'affaires.
En 1908, à l'Exposition universelle de Londres, Alexander Keith et Joseph Harris présentèrent pour le compte de l'Automatic Electric Company la nouvelle version du commutateur Strowger avec le cadran « sunburst » (soleil) sur le téléphone, un sélecteur pour rechercher un commutateur libre et seulement deux fils vers les locaux des clients. Dane Sinclair, le directeur de la British Insulated & Helsby Cable Company , le remarqua . Il exhorta son conseil d'administration à obtenir la licence britannique pour le système. Le conseil d'administration accepta, obtint les droits en 1911 et créa une nouvelle société pour construire et promouvoir la commutation automatique. Elle fut appelée l'Automatic Telephone Manufacturing Company et fut implantée dans la nouvelle usine de BI&H à Edge Lane à Liverpool. AE avait un intérêt substantiel. Le moment était extrêmement opportun.
La Poste britannique étudiait depuis quelques années la commutation automatique et avait sans doute remarqué les nouveaux centraux automatiques mis en service en Europe. Un central Strowger d'essai fut mis en service à Epsom en 1912, le deuxième au monde en dehors des États-Unis, suivi d'un autre au siège de la BPO à St Martin's-le-Grand. Étant donné que l'ATM n'a commencé à construire des équipements à Edge Lane qu'en 1912, il semble probable que l'installation d'Epsom ait été réalisée avec du matériel importé des États-Unis. La Poste britannique étudiait également les commutateurs automatiques fabriqués par Bell Telephone Manufacturing Co. d'Anvers (leur système rotatif), un système Betulander fabriqué par Relay Automatic et le système Lorimer (Canadian Machine Telephone) .
Le système téléphonique canadien a été lent à arriver, relativement sous-développé et a rencontré des problèmes imprévus dans les installations plus grandes.
Le système rotatif de BTMC fut initialement privilégié par les ingénieurs de la Poste. Il était un peu plus développé mais nécessitait encore des travaux supplémentaires. Ils ont également commis l'erreur politique majeure de proposer de construire l'équipement dans leur usine belge jusqu'à ce que l'usine de Woolwich soit équipée pour le fabriquer. Woolwich était à la traîne à ce stade. Elle avait été forcée de produire du matériel de guerre pendant la Première Guerre mondiale et se réadaptait encore lentement à la production en temps de paix.
Le système Relay Automatic était encore en cours de développement et était limité dans la taille de l'échange qu'il pouvait gérer.
LM Ericsson disposait d'un premier commutateur automatique qui devint plus tard leur système Crossbar extrêmement populaire, mais à ce stade, il n'était utilisé que pour les PAX (échanges internes).
Le BPO a adopté le commutateur automatique électrique Strowger en 1923, seulement après l'introduction du système Director. Ces centraux étaient de type DAX (Director controlled Automatic eXchange) et sont devenus les seuls centraux approuvés pour une utilisation en réseau en Grande-Bretagne (et donc dans la plupart de ses dominions). La version UAX à commande directe ultérieure a également reçu la même approbation. ATM a construit deux autres usines pour fabriquer l'équipement. Le BPO n'a cependant pas adopté les téléphones AE et il a fallu attendre encore quelques années avant qu'ils ne se rendent compte que leurs clients préféraient la commodité d'un combiné.
En 1921, la société fut rachetée par AE et un nouveau directeur technique fut nommé, M. AF Bennett. Il venait d'AE à Chicago et il devint courant de voir des employés d'AE, en particulier des ingénieurs, occuper des postes élevés dans des entreprises étrangères. Bennett a joué un rôle déterminant en aidant d'autres pays comme la Pologne à créer leurs propres installations de fabrication, ce qui a permis à AE de continuer à étendre son influence.
En 1936, l'entreprise devient Automatic Telephone and Electric pour refléter sa gamme de produits plus large. Il est également possible qu'elle soit redevenue entièrement britannique à cette époque. L'entreprise a réduit sa production pendant la Seconde Guerre mondiale, mais à la fin de la guerre, elle a dû faire face à d'énormes demandes de la part des pays européens dont les usines avaient été endommagées par les bombardements.
AE a également accordé les droits sur ses brevets à Siemens Brothers, qui a fabriqué l'équipement de modèle BPO.

Inde Après la Seconde Guerre mondiale, M. Bennett a aidé le gouvernement indien à mettre en place sa propre production, en utilisant des équipements fournis par ATE. Cet arrangement convenait à l'Inde, car il lui permettait de produire un système éprouvé à moindre coût. Leur entreprise de fabrication est devenue India Telephone Industries.

Italie Automatic Electric a commencé à produire en Italie dans les années 1920, grâce au groupe Gary. Elle a été connue pendant un temps sous le nom d'Autelco. Dans les années 1970 et 1980, elle était connue sous le nom de « GTE Telecomunicazioni ».
Ils participèrent à l'internationalisation des commutateurs publics EAX nr2 et GTD5 et disposaient d'une grande expertise dans les liaisons hertziennes. La radiotélévision nationale belge utilisait des liaisons hertziennes à l'intérieur du pays, basées sur les équipements de ce constructeur. Ils distribuèrent en Italie le PABX numérique, conçu chez ATEA en Belgique. Il s'agissait là d'un exemple d'échange d'informations et d'expertise entre les sociétés du Groupe Gary.
Dans les années 1970 et 1980, le siège social de GTE se trouvait à Milan. À cette époque, l'entreprise était connue sous le nom de GTE Telecomunicazioni S. p. A. La société a été transférée à une société commune GTE / Siemens AG en 1986. Siemens détenait 80 % de la société et a ensuite racheté le reste. Cela faisait partie de la rationalisation des opérations de GTE à l'étranger dans le but de réduire la dette accumulée et de lever des capitaux pour le développement futur aux États-Unis.

Nouvelle-Zélande Autre pionnier de l'adoption de l'automatique, les premiers centraux de Nouvelle-Zélande furent installés à Auckland et Wellington en 1913 et à Christchurch en 1918 ou 1919. Lorsque la Première Guerre mondiale interrompit les approvisionnements, la Poste néo-zélandaise commença à passer des commandes auprès d'Automatic Electric aux États-Unis. En 1922, près de 6 000 lignes de Strowger furent installées, bien que la NZPO ait également acheté en grande quantité l'équipement Rotary de BTMC après la guerre. Celui-ci était équipé d'un cadran inhabituel avec les chiffres inversés, pour distinguer les pièces Rotary des cadrans Step. Il fut progressivement abandonné dans les années 1920, mais un programme de normalisation dans les années 1950 a vu un certain nombre de centraux rééquipés de cadrans inversés.
Dans les années 1950, les restrictions financières rendaient impossible l'obtention de nouveaux équipements Rotary, ils se sont donc standardisés sur les équipements à pas jusqu'à ce que les échanges électroniques et à barres croisées soient mis en service.

Portugal ATE a fourni des moules et des plans au Portugal en 1950/51. L'entreprise locale Automatica Electrica Portuguesa a été en grande partie financée par ATE. À cette époque, le système rotatif de Standard Electric, désormais perfectionné à partir du système BTMC initial, s'opposait au commutateur Strowger vieillissant. Les accords avec l'étranger, comme avec le Portugal, étaient considérés comme un moyen de se soustraire à l'influence de Standard Electric

sommaire