SYSTÈME TÉLÉPHONIQUE AUTOMATIQUE WESTERN ELECTRIC
Comme nous l'avons étudié (voir la page
brevets automatiques ) entre 1879 et 1900,
un grand nombre de brevets couvrant les systèmes de commutation
avec un cadran ont été délivrés, mais à
l'exception du brevet Strowger de 1891 et des brevets ultérieurs
relatifs au système Strowger, aucun n'a vraiement abouti à
un système commercial de grande capacité.
Dans les mêmes années 1890 et dans ce type de commutation,
comme le système Clark de 1893,
ce système Western Electric est un système plus évolué
bien que le téléphone soit du même genre avec un
grand cadran pour selectionner les 20 ou 100 points de ce petit réseau
local.
La Western Electric Company a mis à la disposition des titulaires
de licence de l'American Bell Telephone Company un autocommutateur de
100 lignes et un autocommutateur de 20 lignes.
Ces autocommutateurs sont utilisés comme centraux privés,
ainsi que dans les localités où un maximum de vingt ou
cent paires de fils est requis.
Un ou plusieurs postes d'abonnés peuvent être connectés
à chaque paire de fils (lignes partagées). Lorsque deux
abonnés ou plus sont connectés à la même
paire de fils, la sonnerie n'est pas sélective ; par exemple,
le premier abonné sur la ligne 45 peut être simplement
désigné par le numéro 45, le deuxième abonné
sur la même ligne par le numéro et la lettre 45A, le troisième
par 45 B, etc...
Pour appeler l'abonné 45, l'abonné appelant, après
avoir sélectionné la ligne 45, appuie une fois sur son
bouton de sonnerie ; pour appeler le 45 À, il appuie deux
fois sur son bouton de sonnerie ; pour appeler le 45 B, trois fois,
etc...
sommaire
LE POSTE TÉLÉPHONIQUE DE L'ABONNE
L'appareillage du poste se compose d'un poste téléphonique
d'abonné, auquel est ajouté un dispositif d'interruption,
avec un cadran numéroté, un bras rotatif et un bouton-poussoir
pour la sonnerie.
Fig. 5

Le cadran à 20 ou 100 points est de conception identique au modèle
Clark de 1893.
Date du dernier brevet : 12 mars 1901. Avec bobine
dinduction, condensateur et sonnerie. Date de fabrication : Vers
1905
Photo du Musée national dhistoire américaine:
Le professeur Rollins se souvient : « Cest une pièce
déquipement téléphonique qui, je crois, provenait
du professeur Lewis. Il ma donné plusieurs choses, et je
pense que cétait lune delles. Cétait
son père ou un parent qui sintéressait aux systèmes
téléphoniques. Je ne pense pas que cela ait eu beaucoup
de succès. »
Il faut dire que en 1901, le système Strowger commençait
à se déployer et en1893
avec un clavier plus évolué, le système de la première
version était exposé à l'Exposition universelle
tout au long de l'été et a attiré beaucoup d'attention,
La gravure montre le type de dispositif d'appel
(clavier) utilisé dans la première installation. Il s'agissait
d'une série de touches d'envoi télégraphique ;
en lisant de gauche à droite, on pouvait lire les milliers, les
centaines, les dizaines, les unités et les relâcher. Pour
appeler un numéro, par exemple 232, on appuyait deux fois sur
le bouton des centaines, trois fois sur le bouton des dizaines et deux
fois sur le bouton des unités. Il n'y avait pas d'élément
temporel quant au taux d'impulsions, car les aimants étaient
actionnés directement à partir des boutons-poussoirs.
Pour libérer la communication, le bouton de déverrouillage
était enfoncé pendant un instant, ramenant ainsi le commutateur
à sa position normale. le crochet récepteur contrôlant
simplement le circuit de conversation de la batterie locale.
Le dispositif de conversation est connecté exactement de la même
manière que dans la quasi-totalité des appareils d'abonnés
à l'énergie centrale utilisés par les titulaires
de licences de l'American Bell Telephone Company.
La figure 5 montre deux vues du poste d'abonné, respectivement
en position porte fermée et porte ouverte.
Le panneau en forme de cadran, situé à l'avant de la porte,
est doté d'un bras rotatif qui actionne les dispositifs sélectifs.
La fiche (à enfoncer dans un des plots) est placée
en face du numéro souhaité (rangée paire
et impaire); le bras est tourné jusqu'à ce qu'il soit
immobilisé par la fiche, puis relâché provoqunt
des implusions électrique dans le circuit jusqu'au central ou
un mécanisme compte les impulsions envoyées.
Le bouton de sonnerie est représenté en Æ. Au dos
de la porte, dans un cadre métallique, se trouve le mécanisme
d'interruption, commandé par le bras rotatif et actionnant l'appareil
sélectif du central.
Le mécanisme d'interruption se compose d'un cadran, d'une aiguille
et d'un mécanisme d'horlogerie permettant de ramener l'aiguille
à sa position normale, ainsi que de ressorts de contact pour
couper le courant de ligne.
Le cadran, illustré à la figure 5 (a), est monté
à l'extérieur du couvercle de l'appareil d'abonné
et comporte cent trous numérotés de 1 à 100. L'aiguille
est montée sur un axe traversant le couvercle au centre du cadran
et portant un cliquet qui engage la première roue d'une série
de roues d'horlogerie. La dernière roue de la chaîne est
un petit pignon qui engage le ressort d'actionnement du disjoncteur
de ligne. Le mécanisme est actionné par un ressort d'horlogerie
ordinaire, remonté par l'action de l'abonné qui déplace
l'aiguille sur le cadran. La vitesse est régulée par une
verge fixe non réglable.
L'échappement, qui assure une rotation uniforme, est tel que
l'aiguille doit revenir du point 100 du cadran à sa position
normale en 8 à 10 secondes.
Toute variation de vitesse en dehors de ces limites entraîne une
mauvaise sélection. Les ressorts de contact de ligne sont simplement
une paire de ressorts plats à pointes en platine, portés
par un ressort de forme lourde, engagé par le petit pignon. En
position normale ouverte, les pointes en platine doivent être
espacées de 0,015 à 0,02 pouce ; des jauges sont
fournies pour mesurer précisément cette distance.
Un cliquet sur l'axe de l'aiguille actionne également un groupe
de ressorts appelés ressorts de mouvement rotatif, dont le rôle
est de modifier les circuits locaux, comme décrit dans les schémas.
Il est essentiel que ce groupe de ressorts soit complètement
actionné lorsque le cliquet a parcouru une distance égale
à la moitié d'une dent de la première roue dentée,
sous peine d'une mauvaise sélection. L'aiguille doit être
fixée par rapport au mécanisme de manière à
ce que quatre impulsions de courant soient envoyées à
la ligne lorsqu'elle revient à sa position normale après
avoir été tournée vers la cheville placée
dans le premier trou du cadran. Cette action est nécessaire pour
actionner les ressorts de rotation du sélecteur du central. Ainsi,
trois impulsions de courant de plus sont transmises que ne le représente
le nombre d'insertion de la cheville.
La clé de sonnerie Æ du poste commande trois ressorts de
contact # disposés de manière à ce qu'en appuyant
sur le bouton-poussoir, un contact soit établi et un autre rompu.
Les ressorts sont réglés de manière à ce
que le contact arrière soit établi avant la rupture du
contact avant. Cela évite l'ouverture du circuit de ligne et
permet au bras sélecteur du central de revenir à sa position
normale. C'est l'un des points mineurs, mais très importants,
à prendre en compte lors du réglage de l'appareil.
Fig. 6

Fiche d'instructions. La fiche d'instructions
suivante, explique brièvement les opérations requises
par l'abonné, est fixée sur le téléphone
de chaque abonné :
Numéro de téléphone , Pour appelerr l'abonné
de Scranton :
(1) décrochez le combiné et (si ce téléphone
est sur une ligne partagée) écoutez ;
(2) Si personne ne parle, placez la cheville dans le trou portant le
numéro de la ligne souhaitée ;
(3) Tournez le bras jusqu'à ce qu'il touche la cheville, puis
relâchez ;
(4) Après l'arrêt du bras, un bourdonnement se fera entendre
dans le combiné si la ligne appelée est occupée.
(5) Si la ligne appelée n'est pas occupée, appuyez sur
le bouton de sonnerie selon le code suivant :
Lorsque le numéro souhaité ne comporte pas de lettre,
donnez une sonnerie ; sur une ligne partagée, donnez 1 sonnerie
pour À, 3 sonneries pour P, etc.
Pour appeler un abonné d'un autre central, appelez le central
de connexion de la même manière que pour un abonné
(Scranton) ; si une ligne payante est occupée, essayez les
autres.
Lors d'un appel, ne raccrochez pas le combiné et ne le raccrochez
pas avant d'avoir obtenu la ligne ; raccrochez toujours entre les
appels.
La station centrale à laquelle toutes les lignes sont connectées
est constituée d'une batterie de secours centralisée.
l'appareil automatique et de transmission pendant les conversations ;
il comprend également un appareil produisant un courant de sonnerie
pulsé positif et un courant de tonalité d'occupation,
tous deux pouvant être alimentés par des piles sèches.
À chaque paire de fils de ligne sont associés un dispositif
de commutation, un aimant de commutation et un aimant de verrouillage
pour leur commande, un relais de sélection polarisé, un
relais de sonnerie polarisé, un relais de test et un relais lent,
dit « sluggish relay » (paresseux).
Ces éléments sont tous représentés sur les
schémas et une vue générale de l'appareil de la
centrale, qui seront décrits ultérieurement. Les circuits
et le fonctionnement du système seront d'abord examinés.
sommaire
SYSTÈME ÉQUIPÉ DE FONCTIONS
DE TONALITÉ D'OCCUPATION ET DE VERROUILLAGE
FONCTIONNEMENT DE L'APPEL D'UNE LIGNE LIBRE
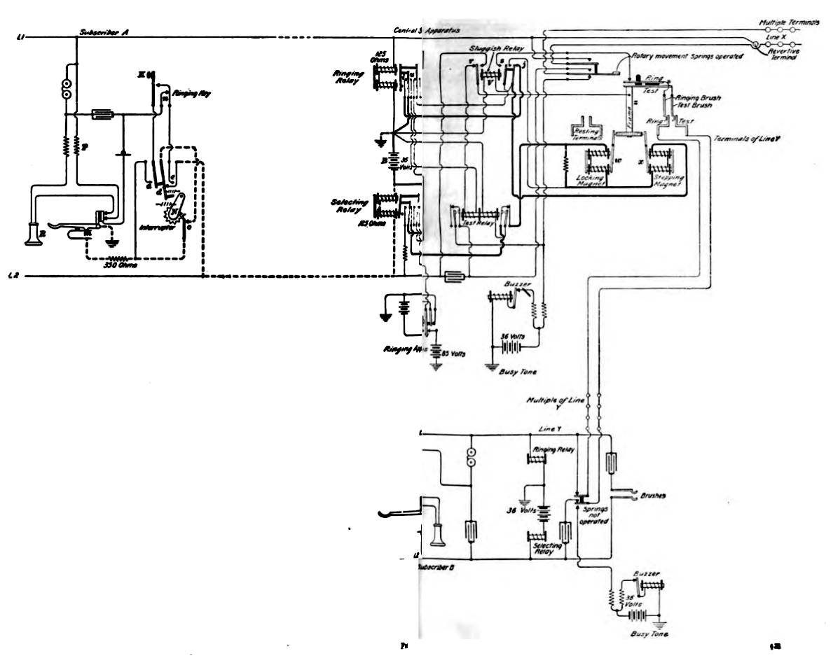
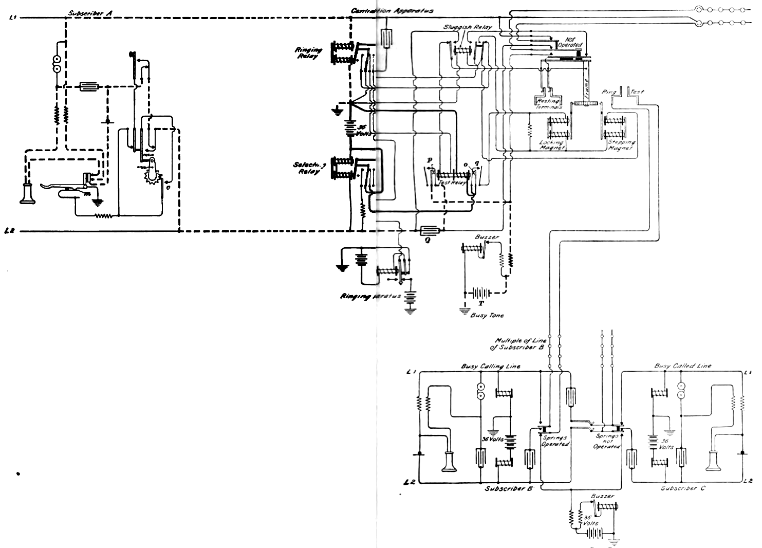
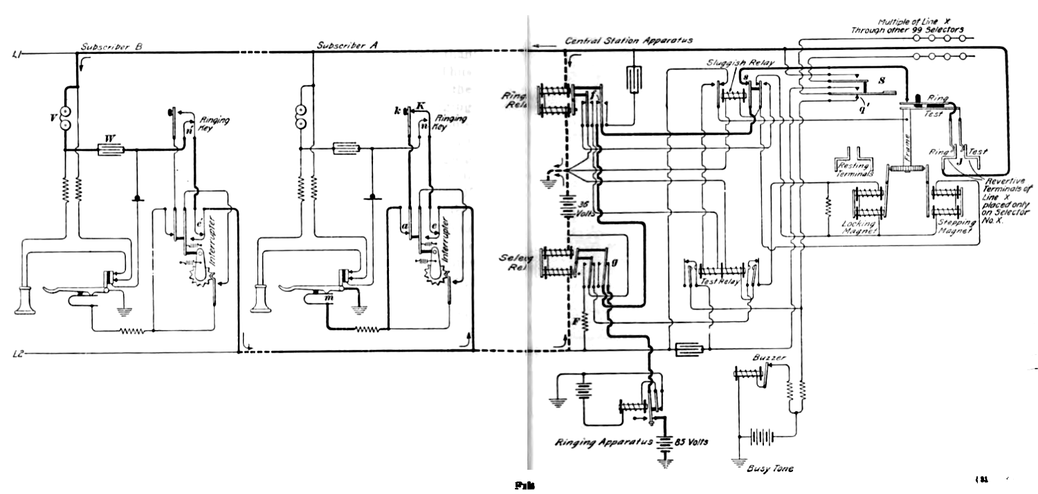
Sélection. L'abonné À, dont le téléphone
est associé à la ligne X, appelle l'abonné 7, dont
le téléphone est associé à la ligne F. L'abonné
4 décroche d'abord son combiné, puis sélectionne
la ligne YF souhaitée. Les circuits sont illustrés à
la figure 6.
Lorsque le combiné Æ est décroché, un circuit
est fermé via Z : relais de sélection ; ligne
Z ; contact ; émetteur ; contact sur le commutateur
de crochet ; enroulement ; bobine d'induction ; ligne
Z ; relais de sonnerie. Le mouvement de l'armature des relais polarisés
fait avancer d'un cran le bras sélecteur z, opération
accessoire qui n'affecte en rien les circuits de conversation. L'abonné
insère ensuite la cheville P (Fig. 5) dans le trou portant
le numéro de la ligne souhaitée et déplace le bras
4 contre la cheville, actionnant ainsi les ressorts de rotation de l'appareil
de l'abonné. Ce qui ouvre en e (Fig. 6) le circuit entre
les deux fils de ligne Z1 et L2 et relie la terre à la ligne
Z2 par l'intermédiaire du contact à résistance
n° 1 de 350 ohms (contact 4). Lorsque le bras 4 est relâché,
il revient à sa position de repos normale et, par l'ouverture
et la fermeture alternées du contact à ressort de l'interrupteur
(Fig. 6), provoque la circulation d'un courant pulsé provenant
de Z dans le relais sélecteur. Son armature, par l'intermédiaire
d'un circuit local représenté en traits gras sur la Fig.
6, force l'armature x de l'aimant pas à pas à action rapide
à imiter ses mouvements et à faire avancer le bras sélecteur
pas à pas jusqu'à ce que ses balais arrière, appelés
balais de sonnerie et balais de fermeture, atteignent le bornes de la
ligne souhaitée. Chaque pas est maintenu par un cliquet d'arrêt
commandé par l'aimant de verrouillage lent dont l'armature n°
est insensible aux pulsations de courant. Pendant la période
de sélection, le relais de sonnerie n'est pas actionné
et, grâce à un contact arrière #, court-circuite,
excluant ainsi le relais lent F du circuit de sélection
local. La fermeture à € d'un circuit entre les deux fils
de ligne du poste, par l'action des ressorts de l'interrupteur, actionne
le relais de sonnerie et supprime le court-circuit autour du relais
lent. Ce dernier, en attirant son armature, produit quatre résultats,
illustrés à la figure 7. Premièrement, la ligne
Z2 est connectée au balai d'essai du sélecteur ;
deuxièmement, la ligne Z1 est connectée via le condensateur
C et les contacts g, {, 6 au balai de sonnerie du sélecteur ;
troisièmement, le contact 7?, situé dans le court-circuit
autour du relais lent 1, est ouvert pour une raison qui sera expliquée
ultérieurement en relation avec le fonctionnement de la sonnerie ;
quatrièmement, l'aimant de pas est court-circuité par
le contact / et le bras du sélecteur est alors maintenu. en position
avancée par l'aimant de verrouillage lent, qui ne répond
pas aux légères perturbations du relais sélecteur
qui surviennent parfois lors de la sonnerie réversible.
Les balais du sélecteur sont alors en contact avec les bornes
de la ligne souhaitée et le circuit, comme illustré à
la figure 7, est prêt pour la signalisation.
Fig. 7

Signalisation.
Pour faire sonner la cloche de l'abonné
sélectionné, l'abonné appuie sur la touche de sonnerie
Æ (figure 8), qui met d'abord à la terre, via le
contact # et la connexion de masse y, la ligne Z2, puis ouvre le circuit
en # entre les deux fils de ligne. Ce fonctionnement relatif des ressorts
#,# non seulement maintient l'excitation du relais sélecteur,
car il remplace simplement la ligne Z1 par le retour de masse, mais
provoque également la libération de l'armature du relais
de sonnerie, car Z1 est désormais ouverte. Le balai de sonnerie
du sélecteur est alors connecté par son contact arrière
à la Appareil de sonnerie, d'où passe un courant pulsé
positif vers le côté Z1 de la ligne appelée, via
les sonneries et les condensateurs connectés à cette ligne,
puis en retour, en partie via le relais de sélection S de la
ligne appelée et la batterie à la terre, mais principalement
via la résistance non inductive 4 pontée entre ce relais,
son contact arrière et la batterie à la terre, comme indiqué
par les traits noirs épais. Le contact arrière # du relais
de sonnerie ne peut alors plus court-circuiter le relais lent, en raison
de la rupture du chemin de court-circuit introduite en ÿ par ce
dernier relais. 7 est un électroaimant connecté à
un circuit local et utilisé pour interrompre le courant provenant
de la batterie de 85 volts. L'appareil de sonnerie est un simple dispositif
d'interruption.
Circuit de transmission pendant une conversation.
Fig. 8

Lorsque l'abonné appelé répond, un circuit de conversation
composé est établi, comprenant des impédances pontées
et des condensateurs d'interconnexion disposés de manière
familière. Ces circuits sont illustrés en détail.
par les traits gras de la Fig. 9 et avec de nombreux détails
omis dans la Fig. 9(4). Les relais de sonnerie et de sélection
agissent désormais comme des bobines d'impédance par lesquelles
le courant de la batterie est fourni aux deux circuits de ligne.
Fig. 9
sommaire
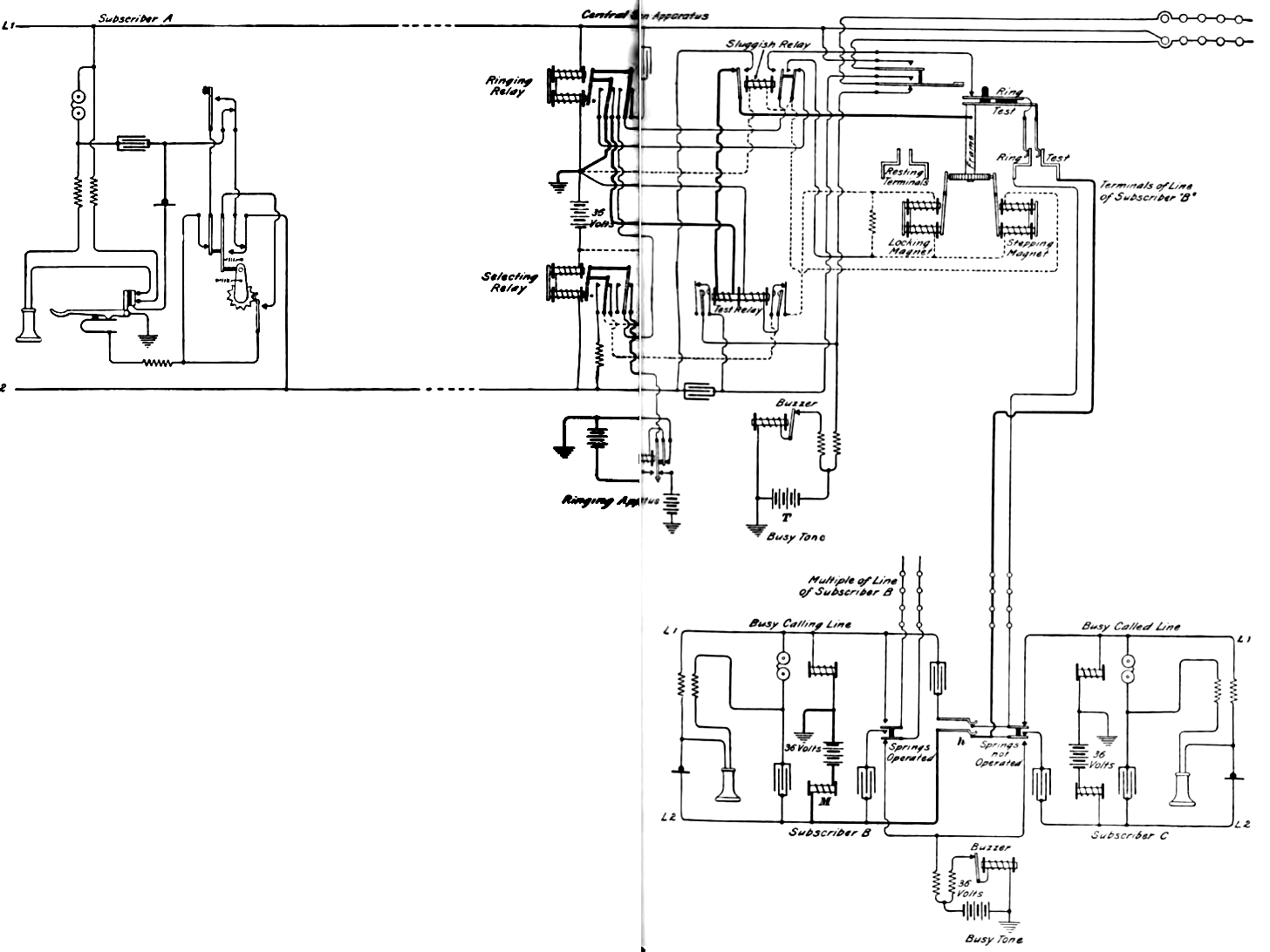
FONCTIONNEMENT D'APPEL D'UNE LIGNE OCCUPÉE
Sélection.
Supposons que l'abonné À appelle l'abonné
Z, qui a déjà appelé l'abonné C, et que
F5 et C soient en communication. On dit alors que l'abonné A
appelle un abonné Z occupé. L'abonné 4 continue
comme précédemment et les balais sélecteurs avancent
jusqu'à atteindre les bornes de la ligne F désirée
mais occupée. Les connexions sont sensiblement les mêmes
que celles de la figure 7, sauf que le contact z est maintenant fermé,
comme illustré à la figure 10, ce qui met l'enroulement
gauche du relais de test en circuit fermé avec la batterie de
test de tonalité d'occupation.
Test.
Le côté test des bornes multiples de la ligne occupée
de l'abonné Z est connecté au côté non mis
à la terre de la batterie de test de tonalité d'occupation
W, tandis que celui d'une ligne désengagée serait ouvert
en 7.
La fonction de verrouillage est affectée par le fonctionnement
du relais de test à action rapide, provoqué par le courant
qui le traverse vers la terre depuis la batterie de test de tonalité
W et qui traverse le balai sélecteur de test lorsque ce dernier
atteint la borne de test de la ligne occupée désirée.
Ce circuit est représenté en traits gras sur la figure
10. Il convient de noter que, pendant leur avance, les circuits du balai
du sélecteur de sonnerie sont ouverts au contact s du relais
lent et du balai du sélecteur de test au contact avant / du relais
de sonnerie. Ceci est nécessaire pour éviter les verrouillages
prématurés dus à des lignes occupées mais
non désirées touchées par les balais lors de leur
rotation. Lorsque les balais arrivent aux bornes de la ligne occupée
souhaitée, le relais de sonnerie et le relais lent sont excités
simultanément, mais le premier attire son armature en premier
et, ce faisant, complète un trajet depuis le balai du sélecteur
de test, passant par le contact arrière r du relais lent (l'un
des deux enroulements du relais de test), le contact avant f du relais
de sonnerie, jusqu'au côté terre de la batterie.
Fig. 10
Verrouillage.
Le relais de test est immédiatement actionné et les circuits
fermés sont représentés en traits gras sur la figure
11.
Fig. 11
L'armature du relais de test, en ouvrant le circuit
en g, coupe le courant aux aimants de verrouillage et de pas à
pas et en fermant, en a, un circuit par son deuxième enroulement,
le relais de test reste verrouillé en position fermée.
Les aimants de pas et de verrouillage, étant privés de
courant, permettent à l'anneau et aux bras de test de revenir
à leur position de repos normale.
L'abonné appelant est alors verrouillé et reçoit
une notification d'occupation de la ligne appelée par une tonalité
d'occupation transmise sur sa ligne depuis la batterie 7 via le contact
avant f du relais de test et le condensateur. Lorsqu'il raccroche son
combiné, le circuit est ouvert en n° 1 ; ou, s'il sélectionne
à nouveau, en n° 6. Ces deux opérations provoquent
la désexcitation du relais de sélection, ce qui déverrouille
le relais de test. En ce qui concerne la sélection d'une ligne
désengagée, il est maintenant clair que le relais de test
n'est pas alimenté à la fin de la sélection (Fig.
7) et qu'il est retiré du circuit de conversation par le relais
lent (Fig. 9).
Le fonctionnement des trois relais impliqués dans les opérations
de test et de verrouillage peut être résumé comme
suit : lorsque les balais du sélecteur atteignent les bornes
de la ligne occupée souhaitée, le relais de sonnerie à
action rapide ferme un circuit de test via le relais de test à
action rapide, qui attire son armature avant que le relais lent n'ait
le temps d'agir. Le relais de test, en fonctionnant, coupe le relais
lent de courant ; et un enroulement de verrouillage sur le relais
de test maintient les circuits inchangés jusqu'à ce que
l'abonné raccroche ou resélectionne son combiné.
Il est évident qu'une ligne peut être occupée pour
deux raisons : parce qu'elle appelle et parce qu'elle est appelée.
Comme expliqué précédemment, une ligne appelante
2 est protégée contre toute intrusion par un groupe de
ressorts à mouvement rotatif G&, Fig. 10, actionnés
par le mouvement rotatif de son bras sélecteur, qui ouvre les
chemins reliant ses relais et fils de ligne à ses multiples bornes
et relie en z le côté test au côté non mis
à la terre de la batterie via l'enroulement secondaire / du transformateur
de tonalité d'occupation.
Test de la ligne d'un abonné appelé.
Supposons que l'abonné À appelle l'abonné
€, déjà appelé par l'abonné Z et en
communication avec lui. La ligne appelée occupée de l'abonné
C (Fig. 12) est protégée par le fait que sa borne
multiple de test # est connectée, via le balai sélecteur
de test posé sur # et le relais sélecteur A de la ligne
de l'abonné Æ#, qui l'a appelé en premier, au côté
non mis à la terre de la batterie. La Fig. 12 montre l'état
du circuit au moment où les balais reposent sur les contacts
de la ligne occupée. Le relais de test est alors excité
et un bourdonnement d'occupation circule de la batterie 7° sur le
circuit, comme l'indiquent les traits gras de la Fig. 11 ; en fait,
tous les circuits reviennent alors à l'état indiqué
sur cette figure. Un abonné est, en toutes circonstances, libre
d'actionner son sélecteur. Autrement dit, si l'abonné
À sur une ligne appelle l'abonné Z sur une autre ligne,
Z peut à volonté se déconnecter de 4 et effectuer
la sélection souhaitée, les condensateurs introduits entre
les circuits individuels rendant les relais de ligne de { indépendants.
Fig. 12

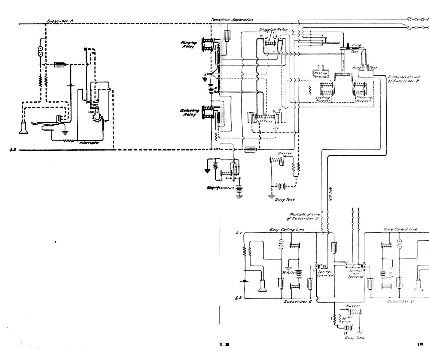
Si l'abonné Z (Fig. 13) choisit une autre ligne au lieu
de répondre à l'appel de l'abonné À, ce
dernier recevra la tonalité d'occupation de la manière
suivante : les ressorts de rotation G du sélecteur de l'abonné
Z seront actionnés et le côté test du multiple de
la ligne de l'abonné Æ sera ainsi connecté à
l'appareil de tonalité d'occupation. Comme les balais du sélecteur
de l'abonné 4 seront toujours en contact avec le multiple de
la ligne de l'abonné Æ, une tonalité d'occupation
sera transmise de la batterie Æ à l'abonné À
et du relais de sonnerie À à la masse, comme indiqué
par les traits pointillés gras sur cette figure.
Fig. 13

sommaire
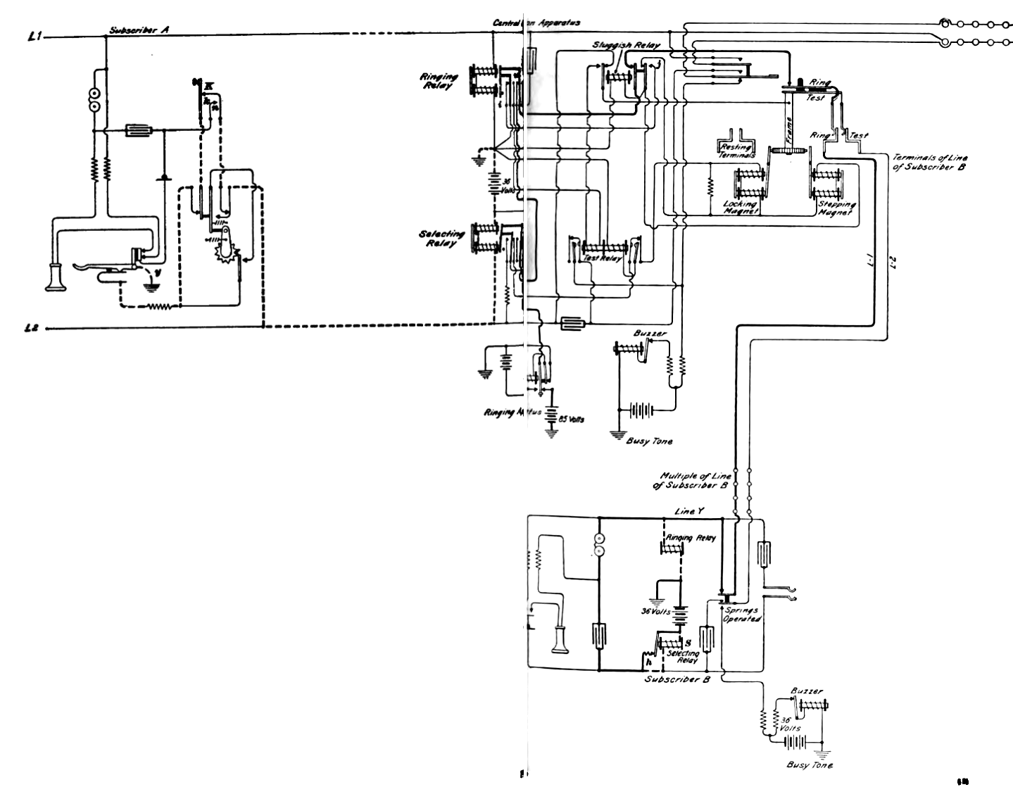
FONCTIONNEMENT D'UN APPEL RENVERSÉ
Sélection.
Lorsqu'un abonné appelle un autre abonné sur la
même ligne partagée, on parle d'appel inversé. Ce
système permet d'effectuer des appels inversés ;
un abonné peut ainsi signaler et converser avec un autre abonné
sur la même ligne partagée. De plus, la sélection
et la sonnerie sont identiques à celles de l'abonné souhaité
sur une autre ligne. Les balais sélecteurs I (Fig. 14)
sont actionnés jusqu'à une paire de bornes inversées
portant le numéro de la ligne appelante, dont seule la borne
de sonnerie est connectée au côté sonnerie de sa
propre ligne. Le balai sélecteur de sonnerie est mis en contact
avec la borne de ligne inversée, connectée en permanence
au côté Z7 du circuit, au lieu d'être entraîné
par les ressorts rotatifs S du sélecteur.
Fig. 14
Signalisation. Lorsque la touche de sonnerie Æ est
enfoncée, le contact »# s'ouvre et l'armature du relais
de sonnerie se replie et ferme un circuit reliant l'appareil de sonnerie
aux contacts g-f-s : balai sélecteur de sonnerie, borne
de ligne réversible, ligne Z 1, sonneries F et condensateurs
HW des autres abonnés sur la même ligne, contacts »#',e,
ligne Z 2, contacts €, £,a, me du poste appelant à
la terre.
Ce circuit de sonnerie est relié par une dérivation entre
la borne de ligne réversible et la terre, via le relais de sonnerie.
Cependant, comme ce dernier est polarisé et polarisé de
manière à être insensible au courant circulant dans
cette direction, il n'attire pas son armature et, par conséquent,
ce courant de sonnerie n'interfère pas avec le fonctionnement
du relais de sonnerie, et son impédance n'est pas suffisamment
faible pour empêcher la sonnerie de l'abonné. Une quantité
négligeable de courant de sonnerie revient du côté
£ 2 de la ligne via le relais sélecteur et la batterie
vers la terre.
Protection contre les intrusions. Lorsque deux abonnés
sur la même ligne sont en conversation, celle-ci est occupée
par les abonnés appelants sur d'autres lignes grâce au
fonctionnement des ressorts rotatifs S provoqués par l'avancement
du bras sélecteur de l'abonné appelant par rapport à
sa position de repos normale. Lorsque les deux abonnés ont raccroché,
le bras sélecteur revient à zéro et le test d'occupation
est supprimé par l'ouverture du circuit en g'.
Généralités. Le shunt non inductif
Æ entourant le relais sélecteur, lorsqu'il est fermé,
empêche son armature de vibrer lorsqu'une ligne est signalée.
La résistance du shunt est telle qu'il absorbe la majeure partie
du courant de sonnerie du relais, sans affecter son fonctionnement par
courant continu. Le contact g (Fig. 9) du relais sélecteur est
en série avec le fil de sonnerie et sert à empêcher
une courte sonnerie ou un clic indésirable des sonneries connectées
à la ligne appelée au moment où l'abonné
raccroche. Le relais de sonnerie A
de la ligne appelante libère son armature plus rapidement que
l'aimant de verrouillage ne peut libérer le bras du sélecteur.
Ainsi, le balai du sélecteur de sonnerie # resterait en contact
avec le côté £L 1 de la ligne appelée tout
en restant connecté à l'appareil de sonnerie par le contact
arrière # du relais de sonnerie de l'abonné appelant,
sans le contact avant g de son relais sélecteur qui, grâce
à sa rapidité, ouvre le fil de sonnerie à g au
même instant que le relais de sonnerie le ferme à «
». Par conséquent, aucun courant de sonnerie n'atteint
la ligne appelée pendant la déconnexion. Dans les ressorts
de l'interrupteur du poste, les deux ressorts a, e, Fig. 6, qui déconnectent
la touche de sonnerie de la terre pendant la sélection, servent
à empêcher un abonné impatient d'interférer
avec le circuit, pendant la rotation du mécanisme de sélection,
en appuyant sur la touche de sonnerie. Lorsque le crochet du commutateur
est abaissé, le circuit de terre est ouvert en « 1 »,
Fig. 6, de sorte qu'une manipulation inutile du bras de l'interrupteur
ou de la touche de sonnerie ne permet pas de faire fonctionner l'appareil
du central téléphonique.
SYSTÈME NON ÉQUIPÉ DE FONCTIONS DE TONALITÉ
D'OCCUPATION ET DE VERROUILLAGE
L'appareil du central téléphonique de chaque ligne, lorsqu'il
n'est pas équipé de dispositifs de tonalité d'occupation
et de verrouillage, est illustré à la Fig. 15
et est identique à celui du système de verrouillage, à
l'exception du relais de test. Sur l'appareil du central téléphonique
commun à toutes les lignes, l'équipement de tonalité
d'occupation est omis. Le poste de l'abonné est identique à
celui utilisé dans le système de verrouillage.
Le système fonctionne de la même manière que lorsqu'il
est équipé de la fonction de tonalité d'occupation
et de verrouillage, à l'exception du relais de test qui permet
à l'abonné de se connecter à n'importe quelle ligne
du central téléphonique, occupée ou non.
Fig. 15
sommaire
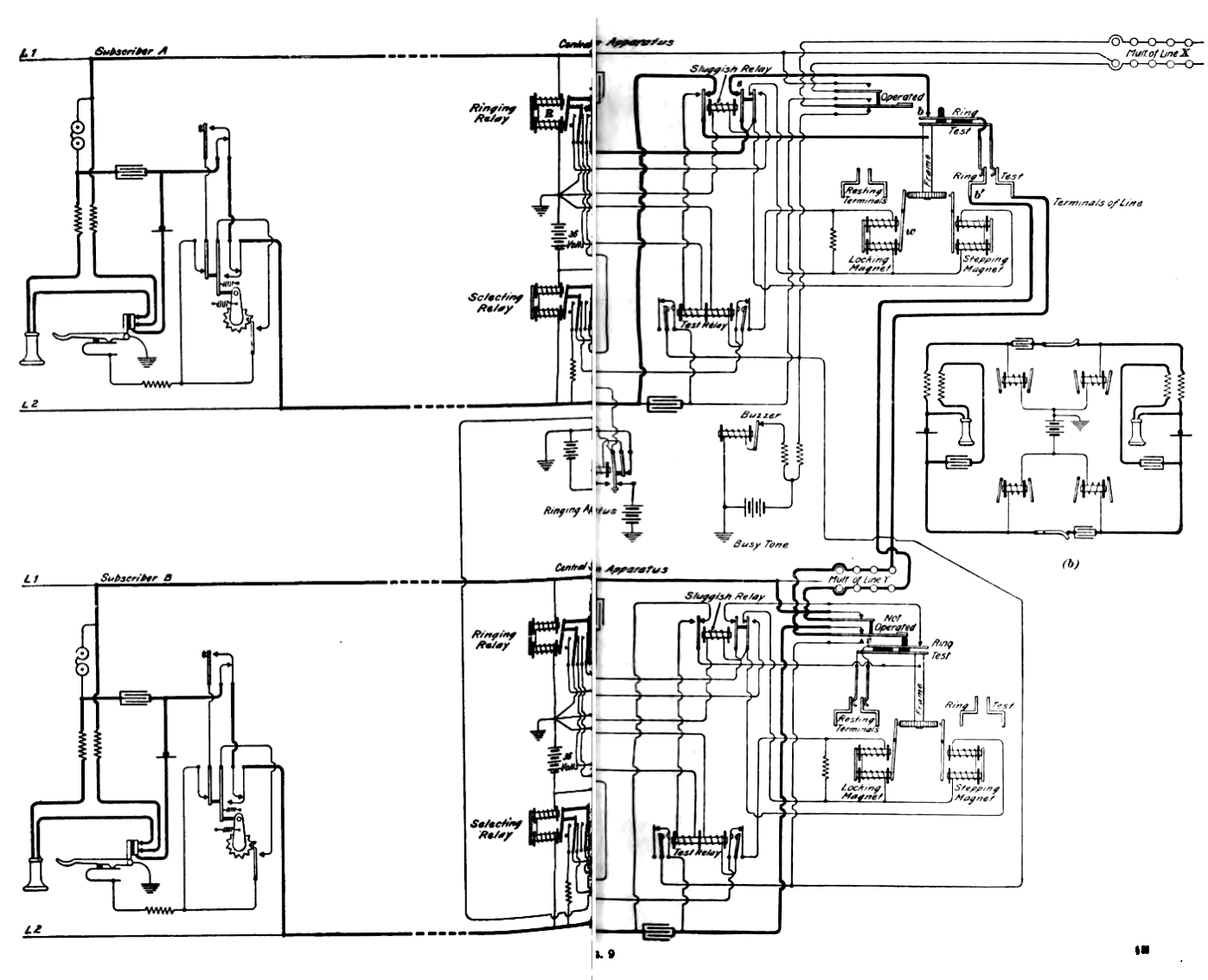
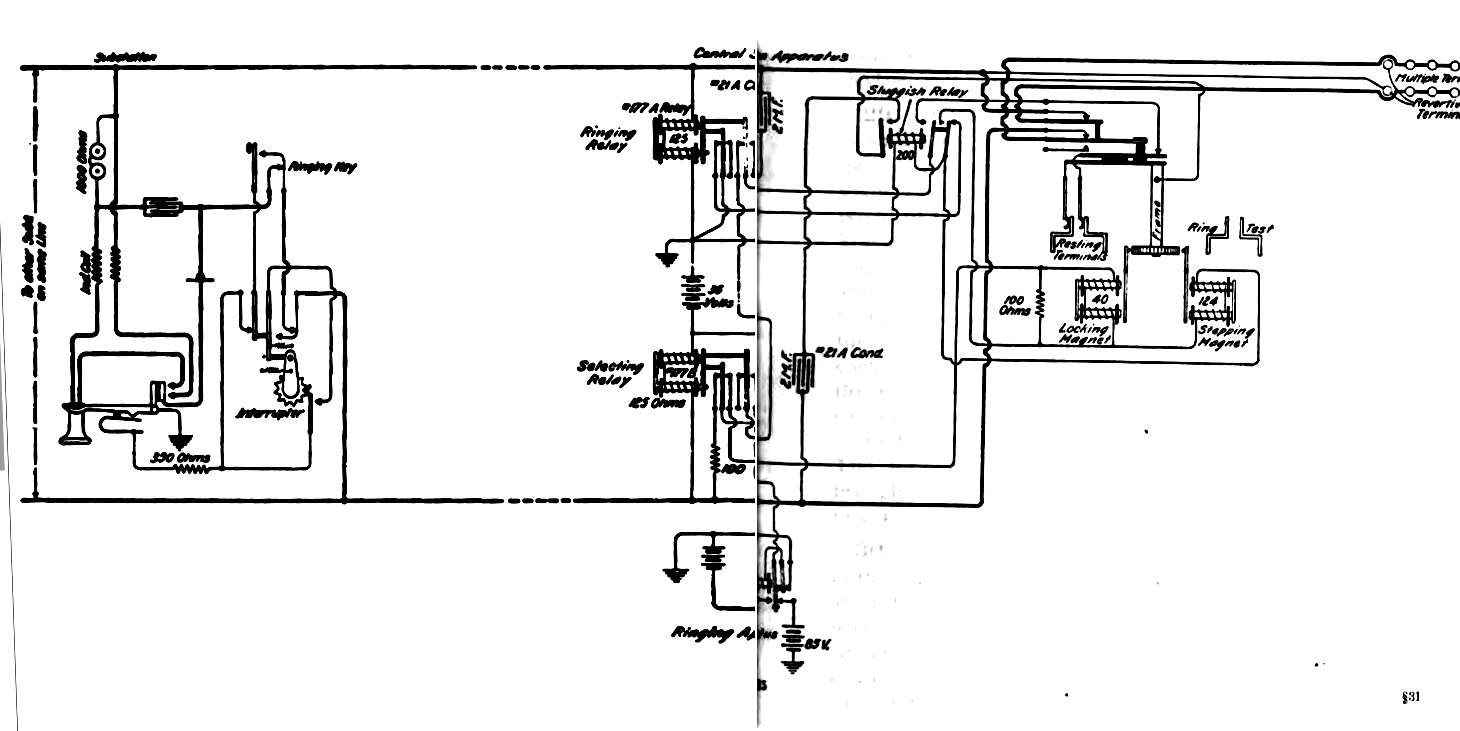
LE COMMUTATEUR CENTRAL
Une vue générale de l'appareillage nécessaire
pour chaque paire de fils de ligne est présentée à
la figure 16.
Au centre se trouve le dispositif de commutation et, sur les côtés,
les différents relais et condensateurs. Ces différents
dispositifs seront décrits séparément.
Fig 16


Relais de sélection polarisé.
Les figures 16 et 17 présentent le relais de sélection
polarisé, qui est, d'une manière générale,
similaire au relais de sonnerie polarisé, à l'exception
des enroulements magnétiques. Ces relais sont composés
des mêmes pièces qu'un relais de sonnerie standard fabriqué
par la Western Electric Company, à l'exception de la bille de
sonnerie et de la tige de clapet, qui sont omises. La culasse de support
de l'armature est conçue de manière à pouvoir y
monter un groupe de ressorts de contact, de manière à
ce que les goujons isolés de l'armature engagent les ressorts
centraux ou ressorts de commande 3 de chaque groupe, les faisant se
déplacer avec les mouvements de l'armature. Chaque mouvement
ascendant de la culasse 2 provoque la rupture des contacts inférieurs,
invisibles sur cette vue, et la mise en contact avec les ressorts supérieurs.
Les ressorts 3 sont réglés de manière à
exercer une tension suffisante sur la culasse isolée 2 pour maintenir
l'armature 4 en position basse et normale.830 .

Sélecteur. Le sélecteur de central téléphonique
est représenté au centre de la figure 16. Il se
compose d'un disque en acier perforé d'environ 15 cm de diamètre,
percé d'un trou central dans lequel passe un arbre portant le
bras rotatif A. À la circonférence de ce disque, et l'entourant
entièrement, se trouve un cercle en caoutchouc dur # dans lequel
sont fixées les bornes de contact multilignes. Ces bornes sont
conçues de manière à dépasser la surface
du caoutchouc dur et à former des points de contact pour les
balais de contact #, #7 montés sur le bras rotatif. Il
y a au total 104 paires de bornes.
La grande roue à rochet z commande le mouvement de l'arbre supportant
le bras a et est, à son tour, commandée par l'aimant pas
à pas à, dont l'armature € porte le cliquet 4, et
par l'aimant de verrouillage € avec son cliquet Z. Ces aimants
sont du type courant à double bobine, leurs armatures étant
des leviers en fer doux, aux extrémités desquels sont
montés les cliquets en prise avec les dents de la roue à
rochet. L'effet de levier de l'armature de l'aimant de sélection
est tel qu'il agit rapidement, tandis que celui de l'aimant de verrouillage
ralentit son action. L'action de l'aimant de verrouillage est ralentie
par une résistance non inductive de 150 ohms qui ferme le contact.
81. Le bras rotatif a est constitué de deux barres d'aluminium
isolées l'une de l'autre et reliées rigidement à
une extrémité à l'arbre de la roue à rochet,
leurs autres extrémités supportant les ressorts de contact
»1,n, qui engagent les bornes de ligne multiples.
Un ressort spiralé, situé derrière les ressorts
de contact Ur, produit une tension constante aux points de contact.
Au-dessus du bras rotatif « et actionné par celui-ci, mais
mal représenté sur cette figure, est monté un groupe
de ressorts appelé groupe de mouvement rotatif. Ces ressorts
sont
entièrement actionnés lorsque le bras a avancé
de trois pas et leur fonction est de couper la ligne de l'abonné
appelant de sa borne multiple sur les autres sélecteurs et d'émettre
une tonalité d'occupation sur ces bornes. La cinquième
paire de bornes du sélecteur constitue les bornes du premier
abonné.
Une vue générale de l'appareillage nécessaire pour
chaque paire de fils de ligne est présentée à la
figure 16. Au centre se trouve le dispositif de commutation et, sur
les côtés, les différents relais et condensateurs.
Ces différents dispositifs seront décrits séparément.
APPAREIL DE STATION CENTRALE
Relais.
Les instructions suivantes sont données uniquement à
l'intention des personnes chargées de l'installation et de l'entretien
de ce système automatique. Le relais polarisé de type
177, illustré à la figure 17, doit être réglé
de manière à ce que la face inférieure de son armature,
en position de repos, se trouve à 0,025 pouce du bord extérieur
du noyau magnétique, mesuré à l'aide d'une jauge
fournie avec l'équipement. Pour un fonctionnement optimal de
ces relais, le contact avec les ressorts inférieurs (côté
le plus proche des bornes de la bobine magnétique) doit être
plus ferme et plus prolongé que celui avec les ressorts supérieurs.
Les ressorts supérieurs, ou extérieurs, doivent être
soulevés de la butée aussi loin que le mouvement de l'armature
le permet. La distance entre les contacts en platine des ressorts intermédiaires
et extérieurs doit être environ égale à l'épaisseur
d'une feuille de papier ministre. Si le contact arrière du relais
de sonnerie, intégré au circuit de sonnerie, est imparfaitement
fermé, une sonnerie faible se produira lors d'un appel inverse.
Si le contact arrière qui court-circuite le relais lent lors
de la sélection est imparfait, le fonctionnement sélectif
peut être imprécis.
Sélecteur, relais lent et relais de test.
Le sélecteur, le relais lent et le relais de test nécessitent
rarement un réajustement après expédition.
Aimant pas à pas.
Relais. Lorsqu'il est alimenté par un courant interrompu,
dont les ouvertures et les fermetures sont correctement proportionnées,
l'aimant pas à pas provoque un mouvement alternatif de son armature,
de sorte que, lors de la sélection, la tête hexagonale
de la vis qui supporte le cliquet d'entraînement est visible avec
la même netteté, dans ses positions extrêmes avant
et arrière.
Si la tête de la vis à mouvement alternatif est plus visible
en position arrière qu'en position avant, soit les interruptions
du courant de l'interrupteur sont trop longues, soit la traction du
ressort de rappel de l'armature pas à pas est trop forte. Les
interruptions du courant traversant le circuit local de sélection
peuvent être trop longues pour deux raisons : premièrement,
le ressort extérieur du relais de sélection n'est peut-être
pas suffisamment proche du ressort central ; deuxièmement,
les ressorts de l'interrupteur de la sous-station sont peut-être
trop éloignés. Si, en revanche, la tête de la vis
hexagonale est plus visible en position avant qu'en position arrière
et a tendance à se bloquer dans la première position,
soit le ressort de rétraction de l'armature pas à pas
doit être resserré, soit les ressorts de contact du relais
de sélection ou de l'interrupteur de la sous-station sont trop
proches l'un de l'autre.
La course de l'armature pas à pas doit être réglée
avec le plus grand soin. Un point au centre de la vis sur lequel tourne
le cliquet d'arrêt doit se déplacer de 0 pouce de la position
arrière à la position avant ; le mouvement à
ce point ne doit jamais dépasser +0x pouce.
Aimant de verrouillage.
L'aimant de verrouillage est ralenti par un shunt non inductif
ponté en permanence entre ses enroulements. La force exercée
sur l'armature par les ressorts de rappel doit être tout juste
suffisante pour dégager le cliquet d'arrêt de la roue lorsque
le bras sélecteur a été avancé jusqu'à
la ligne numéro 100 et relâché. Si les interruptions
du circuit de sélection local sont trop longues, cet aimant aura
tendance à libérer son armature pendant la sélection.
La méthode pour corriger ce défaut est décrite
à l'article plus haut.
L'armature de retenue doit avoir le mouvement le plus faible possible
pour soulever le cliquet d'arrêt de la roue avec un jeu sûr
entre les deux et pour permettre à ce dernier de retomber au
fond de la dent. L'aimant de verrouillage du sélecteur agit plus
lentement que l'aimant de pas en modifiant la longueur du levier d'armature
et en utilisant un ressort plus léger.
Ressorts de rotation.
Les ressorts de rotation S (fig. 14) doivent être réglés
de manière à ce que les contacts nécessaires soient
effectués avec le moins de force possible, afin de réduire
au minimum la puissance nécessaire pour ramener le bras à
sa position de repos. Les ressorts doivent être actionnés
lorsque le bras du sélecteur a avancé de trois crans.
Ressort spiralé de l'arbre.
Le ressort spiral enroulé autour de l'arbre doit, sans
effort excessif, ramener le bras du sélecteur et les balais à
leur position de repos normale lorsque ces derniers sont placés
dans l'espace entre la première et la deuxième paire de
bornes de ligne morte, puis relâchés. Toutes les pièces
du sélecteur, à l'exception des balais, doivent être
lubrifiées à l'huile d'horlogerie, y compris le point
de contact entre le cliquet de réglage et la butée excentrique
arrière.
Interrupteur de sonnerie.
Les interrupteurs n° 64-D et n° 64F utilisés pour
le courant pulsé doivent être réglés de manière
à ce que, lorsque la batterie de sonnerie est à 85 volts,
il y ait une force électromotrice d'au moins 60 volts entre les
bornes marquées « pulsation positive »
et la masse de la batterie de sonnerie, mesurée à l'aide
d'un voltmètre à courant alternatif lorsque l'interrupteur
effectue 1 250 cycles par minute. Le ressort de contact, frappé
par le levier lors de son mouvement vers l'aimant, est placé
à cet endroit pour des raisons purement mécaniques. Il
est conçu pour agir comme un amortisseur sur la course avant
et, en conjonction avec le ressort arrière, pour maintenir le
levier à la fréquence de vibration appropriée.
Interrupteur de tonalité.
Les interrupteurs n° 64-E et n° 64-G, utilisés
pour interrompre la tonalité d'occupation, doivent être
réglés pour effectuer 200 cycles par minute. minute. Le
réglage du ressort de contact arrière intégré
au circuit, via les bobines magnétiques, influence fortement
la vitesse de vibration.
Buzzer d'occupation.
Le buzzer d'occupation est capable de produire une tonalité
douce et moyenne lorsqu'il est correctement réglé. Un
seul jeu de ressorts est utilisé, l'autre étant de réserve,
mais les deux jeux doivent être réglés de manière
identique ; c'est-à-dire que le contact normalement fermé
entre les ressorts extérieur et intérieur doit se rompre
au moment où l'armature heurte la pièce polaire. Grâce
à la vis de butée arrière, l'armature est considérablement
rapprochée de la pièce polaire. Si l'avertisseur sonore
démarre avec une tonalité rauque ou double, le problème
peut être corrigé en courbant le ressort extérieur
afin de varier la durée de la rupture entre les ressorts intérieur
et extérieur.
Relais de transfert.
Pour éviter une défaillance du dispositif de sonnerie
due à un grillage ou à une panne de l'aimant interrupteur
standard / (Fig. 8), un dispositif de sonnerie dupliqué est fourni
et connecté comme indiqué sur la Fig. 18.
Tant que le courant circule de la batterie locale Z Z à travers
le relais de transfert et l'aimant /, le relais de transfert, également
appelé relais 178, maintient son armature et son fil d'alimentation
(Fc, 18) pour maintenir le contact A fermé et les contacts 4
et 6 ouverts. Si l'aimant 7 grille ou son circuit s'ouvre, le relais
178 libère son armature, ouvrant ainsi le circuit ouvert et fermé
en 4 par l'action de l'aimant / et connectant un interrupteur similaire
/' dont il ferme le circuit en «, » à sa place. Z'
est une bobine d'impédance dont la résistance limite l'intensité
du courant et dont l'inductance tend à réduire les pointes
très prononcées de la courbe des courants de sonnerie
interrompus. Un tel relais de transfert est présent dans l'appareil
de test de tonalité et dans l'appareil de sonnerie.
Le relais 178 est suffisamment lent pour ne pas libérer ses armatures
lorsque l'interrupteur Z fonctionne correctement et interrompt à
e le courant traversant l'enroulement du relais 178.
Si le relais de transfert 178 ne parvient pas à attirer son armature,
l'interrupteur actif il doit être court-circuité momentanément.
Batterie de commande centralisée.
La batterie de commande centralisée doit avoir une force
électromotrice d'au moins 35 volts et d'au plus 42 volts avec
un dixième de la tension de fonctionnement utilisée.
Interrupteur d'abonné. Nous avons déjà
suffisamment expliqué les ressorts de l'interrupteur d'abonné
pour indiquer qu'un espacement correct est essentiel à une sélection
correcte. À la sortie d'usine, l'espacement entre les ressorts
est correct pour des conditions de ligne moyennes. Une résistance
de ligne inhabituelle nécessite de rapprocher les ressorts ;
une capacité inhabituelle nécessite de les éloigner.
Le bras de l'interrupteur d'abonné doit revenir du trou n° 100
en 8 secondes au moins et 10 secondes au plus. Les ressorts
de rotation du poste doivent être remis en position normale pendant
la dernière demi-étape de la sélection. Les deux
ressorts du circuit de communication doivent être pressés
l'un contre l'autre aussi fermement que le permet le mouvement des ressorts
de rotation. 44. Clé de sonnerie. Il est également
important que les ressorts de la clé de sonnerie, normalement
en contact, s'appuient l'un contre l'autre aussi fermement que le mouvement
de fonctionnement le permet.
Mises à la terre. Les mises à la terre des
postes et des centrales électriques doivent présenter
une faible résistance. En l'absence de conduites d'eau ou de
gaz, le piquet ou la plaque de terre doit être enterré
dans un sol humide en permanence. S'il n'est pas situé près
de la surface, il est généralement accessible à
une plus grande profondeur ou dans des caves humides.
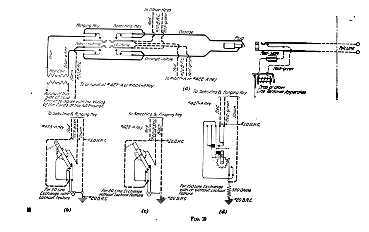
CIRCUIT DE LIGNE ET DE CORDON INTERURBAIN
Fig. 19 (a) montre le circuit de ligne et de cordon interurbain utilisable
avec les centraux automatiques de 100 et 20 lignes.
La Fig. 19 (b) montre la clé 428-A utilisée pour un central
de 20 lignes avec fonction de verrouillage ; la Fig. 19 (c) montre
la clé 428-A utilisée pour un central de 20 lignes sans
fonction de verrouillage ; et la Fig. 19 (d) montre la clé
427-A utilisée pour un central de 100 lignes avec ou sans fonction
de verrouillage. Z LC signifie « fil tressé et caoutchouté ».
Le fil rouge partant de la vue (a) est connecté au fil rouge
partant de la clé des vues (6), (c) ou (4), selon la clé
utilisée ; De même, les fils rouge-vert et noir sont
respectivement connectés ensemble.
La touche de sonnerie et de sélection utilisée dans le
circuit du cordon du panneau de péage est une touche d'écoute
et de sonnerie standard. L'extrémité de sonnerie étant
non verrouillable, le poussoir, une fois mis en position de fonctionnement,
doit être maintenu à la main. Une fois mis en position
de sélection, correspondant à la position d'écoute
d'une touche de téléphone ordinaire, il reste en position
jusqu'à son retrait manuel.
Les circuits du panneau de péage sont explicites si l'on considère
que les touches illustrées aux figures 19 (b), (c) et (d), associées
au poste téléphonique de l'opérateur, remplissent
exactement les mêmes fonctions que le mécanisme de sélection
et de sonnerie, associé à l'émetteur et au récepteur
de tout poste d'abonné.
sommaire