|
POSTE D'APPEL DIRECT
, POSTE MOBILE, APPEL DIRECT sur un seul fil, Embrochage CHEVRON
1- POSTE DAPPEL DIRECT système Berthon
Le 10 décembre 1880, la Société
Générale des Téléphones
se constitue, elle décide d'exploiter le système Bell-Grower
amélioré par Ader et M. Berthon.
Le 28 février 1883, elle dépose un brevet 154019
pour perfectionnements dans la disposition des
bureaux centraux et des postes téléphoniques, en vue de
permettre l'appel direct entre abonnés (système Berthon)
Grâce à ce système, la société installe
le réseau téléphonique de Paris dont les appareils
restent en service jusqu'en 1920. Il sagit
ici dun appareil très ingénieux et dont lusage
se répand beaucoup en France.
Suivra ; le 22 mai 1883 et le 28 février 1884 Perfectionnements
dans la distribution des bureaux centraux et des postes téléphoniques
, en vue de permettre l'appel direct entre abonnés , système
Berthon. du même brevet 154019.
Article lu dans "Les téléphones
Usuels" de Ch. Mourlon 1887
Il est dû à M. Berthon,
le directeur de la Société Générale
des Téléphones, dont nous avons eu loccasion
de décrire le nouveau transmetteur, lequel est généralement
combiné avec lappareil dappel .
Pour faire bien comprendre à nos lecteurs le perfectionnement réalisé
par cet appareil qui rend les communications plus faciles et plus rapides,
nous ne saurions mieux faire que den reproduire ici la description.
Cet ensemble dappareils est décrit dans La Nature
par lun des collaborateurs les plus savants et les plus sympathiques
de cette revue, M. lingénieur E. Hospitalier :
Le fonctionnement général
du réseau a été décrit ici autrefois en
détail, aussi ny reviendrons-nous pas; mais il sest
introduit dans les appareils des perfectionnements importants, de
nature à rendre les communications plus faciles, plus rapides
et plus commodes, et sur lesquels nous croyons utile dappeler
lattention de nos lecteurs.
Nous signalerons aujourdhui, en particulier, lappel direct,
les postes mobiles, et le système permettant de desservir plusieurs
abonnés habitant le même immeuble par un seul et même
fil. |
 |

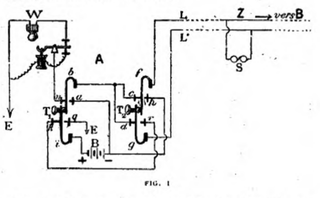
Fig 2 Console et poste mobile |
Fig 1 Poste d'appel direct
 |
« Supposons, par exemple,
pour fixer les idées, un industriel ayant sa maison de vente
située au centre de Paris, et son usine un peu plus loin de
ce centre, mais dépendant dun même bureau central.
La maison de vente et lusine ont entre elles des communications
très fréquentes, mais elles doivent aussi pouvoir communiquer
individuellement avec tous les autres abonnés du réseau.
Avec des postes téléphoniques ordinaires, il faudrait
passer chaque fois par le bureau central pour demander la communication
entre la maison de vente et lusine, ce qui amènerait
chaque fois une certaine perte de temps.
Avec lappel direct, cet inconvénient disparait. Au lieu
détablir des postes ordinaires, on dispose des postes
dappel direct, et le bureau central établit une communication
permanente entre ces deux postes, sans pour cela perdre la possibilité
dêtre appelé par lun ou lautre de ces
postes, ou dappeler aussi à volonté lun
ou lautre, sans déranger celui qui nest pas interpellé.
Les communications dappel direct, cest-à-dire de
la maison de vente à lusine, ou de lusine à
la maison de vente, sétablissent alors directement, sans
que le bureau central ait à intervenir, combinaison qui présente
le double avantage de réduire le nombre de communications à
effectuer par le bureau central, et de faire gagner à labonné
un temps précieux qui serait perdu chaque fois quil sagit
d'établir une communication entre lusine et le bureau
de vente, dont, dans notre hypothèse, les rapports sont très
fréquents.»
Il faudrait beaucoup plus de place que celle dont nous pouvons disposer,
et des explications dont la longueur dépasserait la patience
du lecteur, pour exposer par le menu les ingénieuses combinaisons
du circuit qui permettent de réaliser cet appel direct; mais
nous espérons pouvoir en faire comprendre aisément le
principe.
Dans lappel direct, M. Berthon a su mettre fort habilement à
profit ce fait que tout le réseau téléphonique
de Paris est établi sur le principe du double fil, le seul
qui, jusquici, permette de supprimer complètement tous
les bruits dinduction et de friture, si gênants et si
désagréables dans les systèmes à simple
fil.
Appelons, pour simplifier, A et B les deux postes munis de lappel
direct, et C le bureau central qui les réunit.
Dans la position ordinaire dattente, le double fil qui réunit
les deux postes A et B au poste central C forme un circuit métallique
fermé complet.
Au poste central, les annonciateurs correspondants à A et B
sont montés en dérivation sur ce double fil. Aux extrémités
de ce circuit métallique, en A et en B, sont placés
deux relais communiquant à la terre par une des extrémités,
lautre extrémité étant reliée au
circuit métallique. Si A veut appeler son conjugué B,
il appuie sur le bouton placé en regard de lindication
appel direct; sil veut appeler au poste central, pour demander
la communication avec un autre abonné du réseau, il
appuie sur le bouton correspondant à appel au bureau.
Dans le premier cas, il envoie, par les deux fils à la fois,
un courant dune pile reliée à la terre qui arrive
chez B et actionne la sonnerie de B par lintermédiaire
du relais, mais sans faire tomber les annonciateurs du poste C, qui,
se trouvant branchés entre deux points du circuit où
la force électromotrice est la même, ne sont traversés
par aucun courant.
Le poste A a donc appelé le poste B directement, sans lintervention
du bureau central. Le reste des communications entre ces deux postes
sétablit alors à la manière ordinaire.
|
|
Si, au contraire, le poste A appuie sur le bouton
appel au bureau, il intercale, par cette manuvre, une pile
isolée dans le circuit métallique complet : le relais
placé en B nest pas influencé par ce courant,
le poste B nest donc pas dérangé, mais les annonciateurs
du poste C, branché en dérivation sur des points qui
ne sont plus au même potentiel, au même niveau électrique,
sont aussitôt traversés par un courant qui actionne
les guichets et les fait tomber. Le bureau central prévenu
établit aussitôt les communications nécessaires,
à la manière ordinaire.
Ce que nous venons de dire pour les appels faits
par A, sapplique également, par simple raison de symétrie,
aux appels faits par B. Lorsque le bureau central a besoin dappeler
à son tour le poste A ou le poste B, il le fait à
laide du courant fourni par une pile dont lun des pôles
est à la terre, en ayant soin de sassurer, au préalable,
que les deux postes A et B ne sont pas déjà en communication
entre eux, ce quil ignore, dailleurs, avant de faire
lessai, puisque A et B peuvent sinterpeller à
volonté sans prévenir le bureau central.
Lorsque les deux postes A et B conjugués en appel direct
ne font pas partie dun même bureau central, le problème
est aussi simple à résoudre, à la condition
dimmobiliser une ligne réunissant les deux postes centraux
auxquels A et B appartiennent respectivement. Cette immobilisation
dune ligne se présente alors, pour labonné,
sous forme de location, à raison de tant par kilomètre
et par an.
Lappel direct, dont nous venons de voir lapplication
à un cas particulier, est susceptible dune généralisation
constituant un mode dexploitation par lequel le service gagnerait
en simplicité et rapidité.
En effet, si tous les abonnés du réseau téléphonique
étaient munis du poste dappel direct, le rôle
de la téléphoniste du bureau central se réduirait,
dans chaque cas, à mettre en communication les deux abonnés
qui demandent la communication en leur réservant le soin
de sappeler eux-mêmes.
Tout retard mis par linterpellé à répondre
ne saurait être ainsi imputé au bureau central dont
le rôle se réduirait à
rompre la communication des deux abonnés reliés, une
fois la conversation terminée; le temps gagné serait
surtout appréciable dans le cas où les deux abonnés
entre lesquels il faut établir la communication nappartiennent
pas au même bureau central.
|
Pourtant Bertthon n'était pas le seul à
développer cette idée, en Belgique Elsasser avait en 1885
un système équivalent.
Article vu dans "LaLumière Electrique" de juillet
1885.
A propos des appels dans les réseaux téléphoniques.
Il y a avantage, lorsque deux abonnés dun même réseau
ont entre eux des communications très fréquentes, à
relier, au bureau central, ces abonnés d'une façon permanente
en leur laissant, bien entendu, la faculté de sappeler lun
lautre ou dappeler le bureau central.
Si les abonnés sont reliés au bureau central par des circuits
métalliques fermés, le problème ne présente
pas de difficultés bien grandes. Nous avons déjà mentionné
la solution adoptée par la Société Générale
des téléphones.
Parlant de cette solution, M. C. Elsasser rend compte, dans un article récemment
paru (Elektrotechnische Zeitschrift, juin 1885, p. 240), du dipositif qu'il
a lui-même imaginé pour répondre à ces exigences
particulières du service et alors qu'il navait aucunement connaissance
du système appliqué au réseau de Paris.

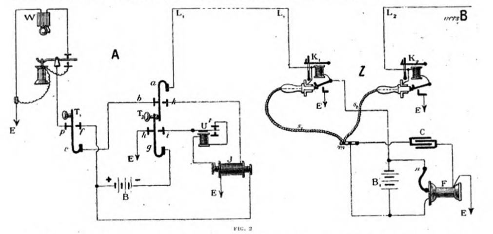
Ce système se trouve représenté dune façon
schématique dans la figure 1 où A est un poste d'abonné,
L L le fil de ligne et S lannonciateur placé au bureau
central Z. Labonné a à sa disposition deux touches T,
et T,. Quant il appuie sur le bouton T, il met à la terre le pôle
positif de la pile B en même temps qu'il relie au pôle négatif
de B par f, c, b, a dune part et g, d, b, a de l'autre les deux lignes
L, L; il est évident que lannonciateur S ne fonctionne
pas tandis que la sonnerie W du poste B, identique comme montage à
A, entre en jeu. Si au contraire cest la touche T2 qui est
abaissée la pile R sintercale entre r et h et les courants
qui traversent L L' ayant des directions contraires, le bureau central se
trouve appelé.
Si les abonnés sont reliés au central par un seul fil, le
problème devient plus compliqué. M. Elsasser indique dans
ce cas également une solution dont la figure 2 reproduit le schéma.

A représente un poste dabonné, Z le bureau central.
Le poste A est muni, en plus des organes précédents, dun
inducteur dont le circuit secondaire communique dune part avec la
terre et de lautre avec la borne k. et d'un interrupteur automatique
U. Au bureau central le relai phonique, récemment employé
en Belgique, trouve son application dune façon ingénieuse.
L'une des armatures d'un condensateur C est reliée à l'entrée
de la bobine dun téléphone F; la sortie de cette même
bobine communique avec la terre. Lautre armature est reliée
avec la borne m.
En l'état de repos, la pile B est fermée en court circuit,
lun de ses pôles étant mis en communication avee la membrane
du téléphone F et lautre
avec un marteau n qui appuie sur cette membrane et est mobile autour de
son point dattache. Les autres détails de la figure sexpliquent
deuxêmes; il nous suffira de faire remarqdes commutateurs sont
construites de telle façon que lextrémité servant
de support au loquet mobile se trouve isolée de la masse.
Lorsque labonné appuie sur le bouton T2 il lance dans la ligne
une série de courants alternatifs ; ces courants se rendent en partie
par L,, s,, s2, L,
chez labonné B; ils passent en partie par m C dans la bobine
téléphonique. Ils sont de trop courte durée pour faire
fonctionner la sonnerie rembleuse de labonné, mais ils mettent
en vibration la membrane du téléphone F; le court circuit
de la pile B souvre et le courant de cette pile, passant par lenroulement
de lannonciateur K, opère le dé clenchement de la palette.uer
que les chevilles Si, au contraire, labonné appuie sur la touche
T. il envoie sur la ligne un courant continu qui, étant donné
un bon réglage au bureau, na aucune influence sur lappareil
en Z et met seulement en activité la sonnerie au poste correspondant
B
2 - LES POSTES MOBILES
MM. Berthon et Ader ont imaginé un système
de postes mobiles, dont les applications sont nombreuses à Paris.
Le but poursuivi par les inventeurs était dimaginer un système
permettant de correspondre de plusieurs points dune maison, en nétablissant
qu'une seule communication.
On place aux différents points dune maison, une console renfermant
un téléphone magnétique récepteur et un transmetteur
Berthon du type que nous avons décrit. A chaque console correspond
une sonnerie ordinaire qui est actionnée du moment que lon
accroche le poste téléphonique portatif .
Lappel se fait en poussant sur un petit bouton placé au bas
de la console (Fig 2). Dès que la personne quon a
appelée a répondu, on décroche le dit poste téléphonique
portatif et lon place le bout du cordon de celui-ci, muni dune
sorte de jack-knife (ordinairement un conjoncteur à 4 contacts),
dans une ouverture correspondante pratiquée dans le milieu de la
console.
De cette façon, la communication étant sur téléphone,
on peut correspondre.
sommaire
3 - ABONNÉS MULTIPLES SUR UN MEME FIL
Ces mêmes inventeurs ont aussi combiné un
système permettant à plusieurs abonnés dun
même immeuble de correspondre, au moyen dun seul fil, avec
le bureau central.
Certains abonnés dun même immeuble qui ne font pas
un usage très fréquent du téléphone peuvent
sassocier pour placer plusieurs postes sur un même fil. Ce
système ne permet, il est vrai, la communication que pour un seul
abonné à la fois, mais, en pratique, il est très
rare que les communications soient urgentes en même
temps, et le petit inconvénient résultant
de rares coïncidences est bien compensé par léconomie
résultant de la combinaison. Sans entrer dans les détails
techniques du système combiné par MM. Berthon et Ader, disons
quils sont établis pour deux, quatre ou six abonnés.
Des dispositions fort ingénieuses font que le poste central ne
dérange jamais dautre abonné que celui qui lui est
demandé par un correspondant ; de même, un abonné
quelconque peut appeler le poste central sans déranger aucun de
ses coabonnés ; enfin, dès que la ligne est occupée
par un des abonnés, tous les autres en sont aussitôt prévenus
par un signal optique qui indique la mise en liberté de la ligne,
dès que la conversation est terminée. On voit, par ces quelques
exemples, les efforts faits par la Société
générale des téléphones pour donner satisfaction,
dans la mesure du possible, aux exigences des abonnés, et résoudre
les problèmes souvent difficiles que lui imposent les circonstances.
Sans prétendre, comme Pangloss, que tout est pour le mieux dans
le meilleur des mondes, on peut dire cependant que la Société
sait mettre habilement à profit les enseignements dune longue
expérience, et vaincre des difficultés devant lesquelles
reculerait la Société nouvelle et inexpérimentée
dont on nous a récemment menacés, dans le but de protester
contre un monopole de fait, monopole plus que justifié, dans
lespèce, par la nature du service qui en est lobjet.
Très tôt le système Ader
est adapté au circuit métallique de Paris, et
permet de placer quatre postes d'abonnés indépendants
sur un double circuit.
Au repos, la ligne de boucle est complétée à
la station centrale, mais est mise à la terre à mi-chemin
entre les quatre abonnés.
Lorsque l'opératrice du poste central veut appeler l'un ou
l'autre des quatre abonnés, il débranche l'un des deux
fils et envoie dans l'autre un courant positif ou négatif qui,
selon la ligne choisie et le sens du courant, agit sur un des quatre
relais
Lorsqu'un abonné décroche son téléphone,
la boucle devient complète, la terre est déconnectée
et la conversation téléphonique peut suivre son cours
régulier.
Tout cela sera mieux compris au moyen des figures 260 et 261

La figure 260 représente les quatre boutons d'appel, i à
4, au poste central :
A est l'annonciateur, qui entre en action lorsque l'un des quatre
postes appelle, et après qu'un tel appel a été
reçu, l'opérateur place son téléphone
en circuit ; L et L' sont les deux fils de la boucle ou du circuit
métallique ; B et B^ deux batteries d'appel
Un courant arrivant par L traverse les boutons d'appel 4, 3, l'annonciateur
A, les boutons d'appel 2 et I, et revient par l'orsque l'opérateur
du poste central appuie sur le bouton d'appel i, un courant négatif
est envoyé dans la ligne L' et L est déconnectée.
En appuyant sur le bouton d'appel 2, un courant positif est envoyé
dans L'.
De la même manière des courants négatifs et positifs
sont envoyés dans la ligne L par les boutons d'appel 3 et 4
respectivement.
La figure 261 montre la combinaison des quatre postes d'abonnés,
I à IV, dans le circuit métallique L l'.
Chacune de ces stations est constituée d'un appareil microtéléphonique,
signalé par le téléphone F, d'un interrupteur
automatique u, d'un bouton-poussoir T, d'un annonciateur S, d'un relais
polarisé R, d'une sonnerie d'appel W et d'une batterie locale
d.
Les quatre stations ont en outre un relais R' et une batterie B en
commun. L'appel du poste central parcourt le circuit suivant : En
appuyant sur le bouton i un courant négatif traverse L', et
traverse d'abord tous les interrupteurs automatiques U et appuie sur
les boutons T des quatre postes d'abonnés par le fil d, puis
il passe par les relais R des deux Stations I et II, puis, par l'intermédiaire
de Q et de l'armature du relais R', il va à la masse. Des relais
R des deux postes I et II, celui du poste I répond aux courants
négatifs, l'autre aux courants positifs ; à la station
I le circuit de la batterie locale b est donc fermé, et la
station est appelée. Lorsque l'opérateur de la centrale
appuie sur le bouton 2, le courant parcourt exactement le même
chemin ; mais il est positif, et actionne par conséquent le
relais de la station II, et non l'autre. En appuyant sur les boutons
3 et 4 du poste central, des courants négatifs ou positifs
sont envoyés dans la ligne L, traversent les relais des postes
des abonnés III et IV et reviennent par Q à la terre.
Le courant négatif actionne le relais du poste III, le courant
positif celui du poste IV.
Lorsqu'un de ces abonnés, disons III, est appelé, il
décroche son téléphone et modifie ainsi complètement
les connexions.
Tout d'abord, un contact est établi entre le pôle positif
de la batterie B et la plaque inférieure de l'interrupteur
automatique, et par ce contact un courant provenant de la batterie
traverse les quatre indicateurs S. Un double objectif est atteint
par ce courant :
D'une part l'armature R' est attirée, et la mise à la
terre du système est interrompue ; par contre tous les annonciateurs
qui montraient à l'origine un disque avec l'inscription «
libre » (désengagé), exhibent maintenant un disque
avec l'inscription « occupe » (engagé). Le bouclage
est complet sans terre de chaque côté. Le courant arrivant
du poste central par L passe par les quatre relais, les interrupteurs
automatiques U, et le fil v des postes T et II , téléphone
F du poste III , fil d entre III et IV , bouton T et interrupteur
U du poste IV , et renvoie 'Arough l' à la gare centrale
Il est impossible d'entendre la conversation, car si un autre abonné,
par exemple II, décrochait son téléphone, le
circuit serait rompu entre T et U de la station III.
Lorsque la conversation est terminée et que le téléphone
est de nouveau suspendu, tous reviennent à l'état de
repos.
Les annonciateurs affichent à nouveau le disque marqué
« libre », et Q est de nouveau connecté à
la terre.
Lorsqu'un des abonnés appuie sur son bouton d'appel T, le courant
positif de la batterie B passe par les fils d, et les boutons T et
fait passer u dans L', et revient directement par S au pôle
négatif de B.
Les relais R et les avertisseurs s sont polarisés, mais ils
n'ont pas d'électro-aimant ; une bobine très plate se
déplaçant entre les pôles d'un aimant très
puissant remplace l'électro-aimant.
Selon le sens du courant cette bobine est attirée par l'un
ou l'autre pôle, et ferme le circuit de la pile b, ou change
le disque de l'annonciateur S
Cette bobine sans noyau de fer présente de grands avantages
par rapport à un électro-aimant polarisé, d'autant
qu'il n'y a pas à craindre d'inversion de polarité,
ni des courants trop forts, ni des décharges atmosphériques.
Le fonctionnement du système Ader est des plus simples : chaque
abonné effectue sa communication comme s'il était le
seul dans le circuit ; à la gare centrale également,
aucune complication ne survient et une conversation secrète
est assurée.
Par contre, quelques inconvénients doivent être mentionnés
: les abonnés restants d'une même ligne ne peuvent pas
converser ensemble lorsqu'un abonné converse avec la station
centrale ou un autre abonné au-delà de celle-ci ; et
les autres abonnés peuvent perturber la conversation en appuyant
sur leurs boutons ou en décrochant leur téléphone.
Enfin, la communication entre les quatre abonnés nécessite
de six à huit fils ; l'application du système doit donc,
par souci d'économie, être limitée au cas où
les quatre abonnés se trouvent dans le même bâtiment.
M. Elsasser a réussi à surmonter le deuxième
inconvénient, mais en sacrifiant la simplicité des connexions,
et comme cet inconvénient n'a pas une très grande importance
pratique, il semble douteux que ces modifications remplacent la disposition
originale d'Ader.
Pour plus de détails, consultez
la page 1887 Stations automatiques Ader, Elsasser
Oesterreich et
Paul |
sommaire
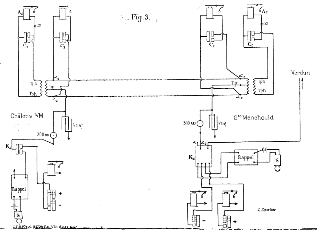
3 - EMBROCHAGE CHEVRON
Le fil Châlons-sur-Marne Sainte-Menehould - Verdun
et le fil départemental Châlons-sur-Marne-Épernay-Sézanne
ont été exploités pendant plusieurs années
au moyen de l'embrochage système Chevron .
Les bons résultats obtenus nous engagent à publier ici la
description de cet embrochage et à indiquer subsidiairement. les
modifications qui ont été apportées à l'installation
primitive , lors de l'établissement de tableaux annonciateurs télégraphiques
et de l'utilisatiou partielle de ces fils pour la télégraphie
et la téléphonie simultanées .
1 ° Embrochage Chevron .
Cet embrochage permet à chacun des postes embrochés d'appeler
l'un des deux autres sans déranger le troisième . Nous ne
pouvons mieux faire que d'emprunter la description du système au
Traité de télégraphie électrique de M. Thomas
.

« La fig . 1 montre le dispositif de l'installation . R , R1 , R
, sont les trois rappels embrochés dont le fonctionnement a pour
résultat d'actionner la sonnerie des postes correspondants . «
Quand un poste veut appeler l'un quelconque des deux autres , il place
la cheville du commutateur bavarois dans la position 2 et le courant qu'il
envoie traverse les deux autres postes . Mais les rappels sont intercalés
dans le circuit de manière à être traversés
en sens inverse par le courant ; un seul d'entre eux fonctionne et ferme
le circuit de sa sonnerie . Le poste qui n'a pas à répondre
n'est pas dérangé. Des commutateurs inverseurs E , E ,,
E, permettent de prendre l'un ou l'autre des pôles de la pile ,
suivant le poste que l'on veut appeler. « On remarquera le montage
particulier du poste intermédiaire. La borne a du manipulateur
est isolée et la borne l est reliée au milieu des deux bobines
du récepteur. Le courant émis par le poste se bifurque à
travers les deux bobines et les deux sections de ligne . Au moment où
le poste intermédiaire transmet , les deux autres postes se trouvent
ainsi montés en dérivation l'un par rapport à l'autre
, tandis que , quand c'est un poste extrême qui envoie un courant
, celui- ci trouve les deux autres postes embrochés . - Si les
deux sections de ligne ne sont pas égales , on ajoute une résistance
r du côté de la section la moins résis- tante pour
que le courant se partage en parties égales entre les deux stations
. « La pile du poste intermédiaire doit être calculée
de façon que les récepteurs des postes extrêmes A
et C reçoivent la même intensité de courant , soit
qu'ils communiquent avec le poste intermédiaire , soit qu'ils correspondent
entre eux .
2º Combinaison de l'installation Chevron par rappels embrochés
avec l'emploi d'un tableau annonciateur télégraphique .
La disposition est différente suivant qu'il s'agit d'un poste extrême
ou du poste intermé- diaire ( fig . 2 ) . a)
Au poste extrême la ligne aboutit à un commutateur bavarois
à deux directions Ki, comme dans l'installation précédente
, et peut alors être renvoyée soit sur un rappel , soit sur
un jack à deux trous « pour lignes bifurquées . »
Le poste extrême reçoit ainsi dans une sonnerie spéciale
, par l'intermédiaire de son rappel , les appels qui lui sont destinés
. Il peut communiquer avec l'un ou l'autre des deux postes correspondants
de l'embrochage au moyen d'un appareil Morse disponible quelconque et
en enfonçant dans le jack « pour ligne bifurquée »
la fiche en relation avec cet appareil Morse ; il met le fil de ligne
de ce Morse encommunication avec la ligne embrochée et il prend
en même temps par le plot postérieur du jack la pile convenable
. Par le trou supérieur , il prend la pile positive et correspond
alors avec l'autre poste extrême ; par le trou inférieur
, il prend la pile négative et correspond alors avec le poste intermédiaire
. Au poste intermédiaire , les deux côtés de la ligne
aboutissent respectivement aux leviers mobiles d'une clé double
. Dans la position d'attente , les deux côtés sont alors
en relation l'un avec l'autre par l'intermédiaire d'un rappel par
inversion de courant . Dans la position de travail , les deux brins sont
envoyés respectivement à deux plots de ligne simple du tableau
annonciateur télégraphique . Les blocs postérieurs
des jacks correspondants permettent de prendre une pile négative
pour travailler avec le premier poste extrême et une pile positive
pour travailler avec le second . En somme , l'embrochage n'existe que
pour les rappels ; dans la position de travail , la ligne embrochée
est coupée , on transmet au Morse sur un des côtés
, tandis que l'autre côté est mis sur annonciateur . Cette
installation , qui avait été montée par les soins
de M. Vallance , sur le fil Châlons - sur - Marne Sainte- Menehould-
Verdun a très bien fonctionné . La section Châlons-sur-Marne
Sainte - Menehould était à double fil et constituait d'ailleurs
en même temps une com- munication téléphonique ( voir
fig . 3 ) .

Mais , depuis lors , une nouvelle modification
y a été apportée , dans le but de rendre inutile
la manoeuvre de la clé double et par suite de permettre la suppression
de cet appareil . Je vais décrire d'après les renseignements
mis obligeamment à ma disposition par M. Vallance , la modification
qui a été apportée aux jacks correspondants du tableau
annonciateur télégraphique.
3º Modification des jacks des tableaux annonciateurs télégraphiques
pour les adapter dans le poste intermédiaire à l'installation
avec rappels embrochés . Normalement la ligne télégraphique
installée en embrochage par rappels arrive à un jack spécial
( A) , traverse le rappel , passe par un second jack spécial (B)
et continue vers le second poste extrême (fig. 4).

Pendant la position de travail , le poste intermédiaire a enfoncé
la fiche correspondant à un appareil Morse disponible soit dans
le trou du jack (A ) , soit dans le trou du jack (B) , suivant qu'il transmet
au premier ou au second poste extrême . En enfonçant la fiche
dans un de ces jacks , non seulement le poste intermédiaire s'est
mis en communication avec le tronçon de ligne voulu , tout en prenant
la pile convenable , mais encore il a coupé la communication du
rappel avec ce même tronçon et mis de ce côté
le rappel à la terre . Dans le mode d'installation décrit
au précédent paragraphe , le côté de ligne
disponible était mis sur annonciateur , ici il reste sur rappel
. La sonnerie ne fonctionnera donc que si le poste intermédiaire
est réellement appelé ; mais si le poste extrême du
côté dela ligne actuellement sur rappel vient à appeler
, non le poste intermédiaire , mais l'autre poste extrême
, il risque de continuer longtemps en vain des appels qui ne sont perçus
nulle part .
Pour éviter cet inconvénient , un parleur est normalement
en dérivation sur le rappel . L'employé du poste intermédiaire
peut ainsi surveiller les appels à destination d'un poste extrême
, au besoin donner attente et rappeler en temps utile les correspondants
. Ce parleur permet aussi de percevoir des indicatifs convenus ; dès
lors , le poste intermédiaire peut distinguer , lorsqu'il est appelé
, celui des deux postes ex trêmes d'où lui
parvient l'appél . Il peut ainsi se porter sans hésitation
sur celui des jacks spéciaux (A) et (B) qui correspondent au côté
appelant .
Voici la disposition du jack spécial : le bloc d'annonciateur a
est relié à un bloc b sur lequel vient appuyer un ressort
lequel est relié à une des bornes du rappel par inversion
de courant, embroché sur la ligne . Un bouchon isolant p pénètre
légèrement d'un côté dans le trou du conjoncteur
et de l'autre côté appuie sur un ressort t qui est en communication
avec la terre. On peut alors suivre aisément sur la figure la marche
du courant. (Se reporter fig . 6 pour les lettres indiquées . )
4 ° Installation d'un circuit téléphonique avec rappels
par inversion de courant pour desservir trois localités .
Je tiens encore de l'obligeance de M. Vallance , inspecteur à Châlons
sur Marne , le croquis de l'installation téléphonique réalisée
sur le circuit Épernay - Fère - Champenoise- Sézanne
. Lorsque le poste intermédiaire est dans la position d'attente
, la constitution du circuit est conforme à la fig. 5.

On voit que chacun des postes extrêmes peut appeler celui des deux
postes associés avec lequel il désireen xx' et que par suite
les courants induits dans les transformateurs par les courants d'appels
ne les faire communiquer sans déranger le troisième . On
voit qu'il peut se mettre en communication téléphonique
avec le circuit soit en double fil , soit par l'intermédiaire d'un
transformateur . Enfin le poste intermédiaire peut se mettre téléphoniquement
en dérivation sur le circuit . S'il a besoin de communiquer téléphoniquement
avec l'un des deux autres postes , il peut ainsi s'assurer qu'il ne va
pas couper intempestivement une communication en cours . Remarquons en
passant , que les circuits des annonciateurs surabondants ( a) et ( a'
) sont coupés pas déclancher , ce qui aurait en effet le
double inconvénient d'être inutile et d'être sujet
à des irrégularités fâcheuses.
Nous allons maintenant examiner les communications
du poste intermédiaire (2) dans la situation de travail : Le poste
( 1 ) appelle le poste (2) en négatif et le poste (3) en positif
; Le poste (3 ) appelle le poste ( 2) en négatif et le poste (
1 ) en positif . Le poste (2) doit donc appeler le poste ( 1 ) et le poste
(3) en positif. Pour ne pas déranger celui de ces deux postes qu'il
n'appelle pas , il doit donc couper le circuit . Il amène alors
le côté ( 1 ) sur un jack et un annonciateur particuliers
et le côté (3) sur un autre jack et un autre annonciateur
. (Voir fig . 6 le commutateur à quatre directions de Fère
Champenoise . )
5º Utilisation du circuit téléphonique pour la téléphonie
et la télégraphie simultanées .
Le circuit téléphonique ( 1 ) , ( 2) , ( 3 ) doit donc se
diviser à de certains moments en deux circuits téléphoniques
distincts ( 1 ) ( 2 ) et ( 2) ( 3 ) . Pour intercaler l'ensemble de ces
deux circuits sur un fil télégraphique , il suffit d'employer
l'un des dispositifs Cailho ou Picard . En fait , on a installé
des bobines Picard à Epernay , Fère-Champenoise et Sézanne
. Le poste intermédiaire étant desservi par un réseau
téléphonique à double fil , on juge inutile , toutes
les fois que la ligne d'abonné à relier au circuit n'est
pas déséquilibrée , de se servir du circuit secondaire
de la bobine Picard , le dispositif est alors purement et simplement celui
de M. Cailho réalisé avec des bobines Picard .
Aux postes extrêmes , les réseaux sont à simple fil
et les transformateurs indiqués sur la fig . 5 étaient toujours
nécessaires pour les abonnés .
Ainsi qu'il vient d'être dit , on a employé pour transformateurs
des bobines Picard . Le fil télégraphique comporte alors
à chaque poste des bobines graduatrices de 300 " ; de plus
, un condensateur de 1/2 est mis en dérivation entre la terre et
le côté ligne de chaque bobine « graduatrice »
.

La fig . 6 représente l'installation télégraphique
par rappels embrochés , ChâlonsÉpernaySézanne
, dont la section Épernay-Sézanne , constituée par
un double fil, est simultanément utilisée pour la téléphonie
avec un poste intermédiaire à Fère Champenoise .
Cette installation , dérivée du système Chevron ,
a été réalisée par les soins de M. Vallance
, avec des appareils Mandroux et des bobines Picard . On remarquera ,
au poste de Fère-Champenoise , un commutateur quadruple à
deux directions , modèle Baudot ; dans la position figurée
en trait plein , les deux brins de l'un des circuits sont respectivement
en communication métallique directe avec ceux de l'autre circuit
et le rappel par inversion est placé en pont entre eux ; dans la
position de travail , figurée en pointillé , les deux brins
du côté Épernay sont amenés au jack C , les
deux brins du côté Sézanne sont amenés de même
au jack C1 , le rappel est isolé et la liaison télégraphique
entre les deux côtés subsiste grâce au fil qui réunit
les bornes « télégraphiques » des deux bobines
« Picard » . Dans cette position , les bobines intercalées
forment sur ce côté de ligne une certaine résistance
supplémentaire . A ce point de vue, il y a donc intérêt,
pour éviter des variations dans l'intensité du courant télégraphique
, à employer des bobines à faible résistance .
sommaire
|