LE SYSYEME LORIMER

LES SYSTÈMES AUTOMATIQUES A COMMANDE INDIRECTE.
Le premier en date des systèmes automatiques à commande indirecte, est le système Lorimer qui a été appliqué dans quelques réseaux du Canada et de la Grande-Bretagne et dans une installation réalisée à Lyon en 1908.
Les systèmes de ce genre sont les deux systèmes de la Western Electric Cy, l’un dit « Rotary» et l'autre dit « Panel», et le système Hultman-Ericsson, de fabrication suédoise.
Ces systèmes utilisent d’ailleurs des enregistreurs et comportent la commande directe de l’enregistreur par l’abonné, le disque d’appel étant constitué comme dans les systèmes Strowger et les manœuvres de l’abonné étant les mêmes.

LORIMER, est mis au point en 1903, le commutateur d'origine canadienne est conçu par les trois frères Lorimer.

Le poste Mural

 


Le commutateur
Unité de commutation de 100 lignes avec sept divisions de connexion

Sommaire

Dans les années 1890, le tout premier système de commutation téléphonique automatique d'Almon Strowger (à commande directe) devenait de plus en plus connu, et il devenait évident que la commutation automatique allait être indispensable pour répondre au volume d'appels en évolution dans le monde entier.

D'autres inventeurs se mettent au travail avec plus ou moins de succès comme Romaine Callender, qui appartient à l'entourage de Bell et qui a breveté divers commutateurs automatiques entre 1892 et 1896 avec 3 series de brevets. Romaine vivait à Brantford, en Ontario, au Canada, et était professeur de musique. Il a inventé un joueur d'orgue et a vendu son brevet. C'était un inventeur né.
Il était fasciné par le domaine de la téléphonie et a commencé à développer des méthodes et des commutateurs pour un central automatique. Il a formé un atelier pour développer ses idées et a embauché George et Hoyt Lorimer vers 1892 comme assistants. Callender, en tant que principal penseur, et les frères Lorimer comme assistants, ont créé plusieurs prototypes.
Le
s premières expériences réussies se passe à New-York en 1895 avec des modèles en bois désignés : Brandford Exchange ou de Callender Exchange.
Callender l'inventeur de Brandford
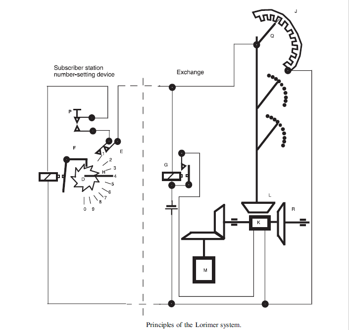
Un concept notable de Callender est le schéma de « numération » (récepteur numérique), comme illustré ci-dessous
Méthodes de numérotation de [Smith], partiellement redessinées par l'auteur
Il y a 3 composants clés: - Les Récepteurs des dizaines et des unités, - Le « Sélecteur-connecteur » circulaire , - L'Électroaimant de saisie
L'idée de base est de recevoir 2 chiffres du téléphone appelant, qui définissent respectivement les récepteurs des dizaines et des unités.
Les contacts de commutation circulaires 0-4 représentent la dizaine complète de 0-9, également 10-14 représente 10-19, de sorte qu'il y aura 100 lignes complètes, formant un cercle complet.
Le bras F tourne en continu (entraîné par moteur) et passe par tous les contacts fixes du sélecteur-connecteur. La rotation ne s'arrête que lorsque les « chiffres s'alignent ». En examinant la figure, le récepteur des dizaines est réglé sur 2 et les unités sur 1. Ainsi, le numéro 21 est le numéro à appeler.
Lorsque le bras F tourne, l'électroaimant de saisie s'enclenche lorsque les essuie-glaces de pontage G et H passent à l'emplacement 21 sur l'arc. Cette action provoque l'arrêt de la rotation du bras F (l'embrayage se désengage) et un chemin de conversation peut être créé par d'autres contacts non représentés sur la figure.
Cet arrangement ressemble étrangement à la conception des frères Lorimer (considérablement améliorée) de plusieurs années plus tard. La résolution du « problème de commutation » a impliqué des financiers, des inventeurs, des spécialistes en électricité et des machinistes pendant de nombreuses années. Romaine Callender a fait sa part pour faire avancer l'état de l'art. Les efforts de Callender sont également documentés par ses brevets US511874A, US511875A, US530324A , US530325 et US573859A. Tous ces brevets font référence au concept de « récepteur numérique ».

Son premier brevet US511874A (1894) est un rêve fiévreux qui dirige des billes de métal pour relier des contacts de chemin de parole à des ponts à l'aide de goulottes mécaniques, de pistes et d'un élévateur à billes, le tout contrôlé par des moyens électromécaniques. Inutile de dire que ce n'était pas pratique. Voir d'autres concepts amusants décrivant une invention similaire basée sur des billes.
Callender quite le Canada en 1896 pour en Angleterre fonder la Callender Rapid Telephone Compagny
Son système a finalement échoué, mais a inspiré deux de ses jeunes employés, George et James Lorimer, à poursuivre les expériences.
Après des diffiultés financières, lls fondent leur propre entreprise, la Canadian Machine Telephone, en 1897 à Peterborough, en Ontario.
Leur premier essai était le développement du système Callender Exchange . Il a été installé à Troy, Ohio en 1897.
Les faiblesses du système Callender étaient évidentes, les trois frères l'ont revisé au point qu'il ressemblait vaguement au concept original.
En avril 1900, ils font breveter le système et se sentent prêts à le commercialiser. Ils transformèrent leur petit atelier dans la ville voisine de Piqua en un atelier de production sous le nom de American Machine Telephone.
Brevets des frères Lorimer 1020211 et 1294285
Au cours des dix années suivantes, les caractéristiques du système Lorimer étaient destinées à influencer la conception de toute une gamme de systèmes connus sous le nom de systèmes de contrôle indirect.

Dans ce système, la communication est établie, d'abord, en ajustant les leviers prévus sur chaque poste téléphonique ; deuxièmement, en tournant la manivelle d'un tour; et, troisièmement, par l'abonné décrochant son récepteur.
Le récepteur de l'abonné est coupé pendant que l'appel passe en avant dans le fonctionnement du mécanisme, mais est immédiatement joint lorsque le claquement provoqué par cette opération cesse. Si la ligne de l'abonné recherché est occupée, la tonalité d'occupation se fait entendre, sinon, l'abonné attend que l'appelé réponde.
Les leviers et les numéros ne sont pas affectés par la connexion et n'ont pas de position normale, restant là où ils sont placés par l'abonné.
L'appareil de commutation est actionné en l'accouplant à un arbre en mouvement constant . Les mouvements des aiguillages sont donc uniformes et ne sont commandés par aucun appareil de signalisation variable côté abonné ; les commutateurs commandent le mouvement du dispositif appelant de l'abonné. Cet arbre est désormais la seule partie en mouvement continu de l'appareil, car l'indicateur décimal a été remplacé par des relais de ligne et de coupure.
La ligne de l'abonné appelant est recherchée et trouvée par les essuie-glaces du commutateur A ou de recherche de ligne de la division connective qui répond à l'appel. La ligne appelante ne trouve pas directement un appareil de commutation débrayé, mais un appareil de commutation débrayé est mis en action pour trouver la ligne appelante.

Sommaire

Les principales innovations du système Lorimer sont les suivantes:
- Les sélecteurs ont un seul mouvement (rotatif).
- Un certain nombre de sélecteurs ont été installés horizontalement les uns sur les autres, tous entraînés par un moteur central à arbre vertical.
- La rotation du sélecteur était contrôlée par des électro-aimants qui connectaient / déconnectaient un sélecteur de l'arbre vertical en rotation.
- Un dispositif de réglage des numéros était utilisé par les abonnés au lieu d'un cadran.
- Les impulsions «réversibles», créées lors de la rotation du sélecteur, ont été renvoyées au "dispositif de réglage du nombre" (à côté du téléphone), qui a ensuite été ramené à zéro et a déclenché la déconnexion du sélecteur de l’arbre moteur.
Le sélecteur s'est donc arrêté sur le position correspondant au chiffre marqué par l'abonné sur le dispositif de numérotation.


Hereford 1914

Sommaire

Fonctionnement
Extrait du"Génie électrique moderne - Volume VI"

Dans ce système, la communication est établie, d'abord, en ajustant les leviers prévus sur chaque poste téléphonique et deuxièmement, en tournant la manivelle d'un tour; enfin troisièmement, par l'abonné décrochant son récepteur.
Le récepteur de l'abonné est coupé pendant que l'appel passe en avant dans le fonctionnement du mécanisme, mais est immédiatement joint lorsque le claquement provoqué par cette opération cesse. Si la ligne de l'abonné recherché est occupée, la tonalité d'occupation se fait entendre, sinon, l'abonné attend que l'appelé réponde.

- Mécanisme d'appel Lorimer (deux bandes de chiffres incurvées supprimées)
Les leviers et les numéros ne sont pas affectés par la connexion et n'ont pas de position normale, restant là où ils sont placés par l'abonné, de sorte que si le mauvais numéro est obtenu, un chèque avec le numéro dans le répertoire de l'abonné recherché indiquera immédiatement où se trouve le des ennuis sont survenus.
L'appareil de commutation est actionné en l'accouplant à un arbre en mouvement constant représenté sur les fig. 70 et 71. Les mouvements des aiguillages sont donc uniformes et ne sont commandés par aucun appareil de signalisation variable côté abonné ; comme déjà expliqué, les commutateurs commandent le mouvement du dispositif appelant de l'abonné. Cet arbre est désormais la seule partie en mouvement continu de l'appareil, car l'indicateur décimal a été remplacé par des relais de ligne et de coupure.

Tout comme le Strowger Automatic Dial, le téléphone Lorimer a marqué le début de l'ère du téléphone à cadran et a constitué une menace sérieuse pour les téléphones Bell fabriqués par Western Electric (qui ont attendu jusqu'en 1919 pour introduire leur premier téléphone à cadran automatique). Il est fascinant de noter que le brevet de Lorimer a été acquis par Western Electric (Bell) en 1903 et que peu de temps après, les téléphones de Lorimer ont été détruits. Les monopoles fonctionnent de manière mystérieuse, mais il est clair que Bell n'aimait pas la menace concurrentielle que représentait le cadran automatique introduit avant qu'ils ne soient prêts. Ils ont donc acheté les brevets, pris les connaissances qu'ils venaient d'acquérir et fermé l'entreprise concurrente.

Unité de commutation de 100 lignes, avec sept divisions de connexion ou circuits de cordon. Schéma du centre


La ligne de l'abonné appelant est recherchée et trouvée par les essuie-glaces du commutateur A ou de recherche de ligne de la division connective qui répond à l'appel. La ligne appelante ne trouve pas directement un appareil de commutation débrayé, mais un appareil de commutation débrayé est mis en action pour trouver la ligne appelante.

Arbre principal et roue motrice

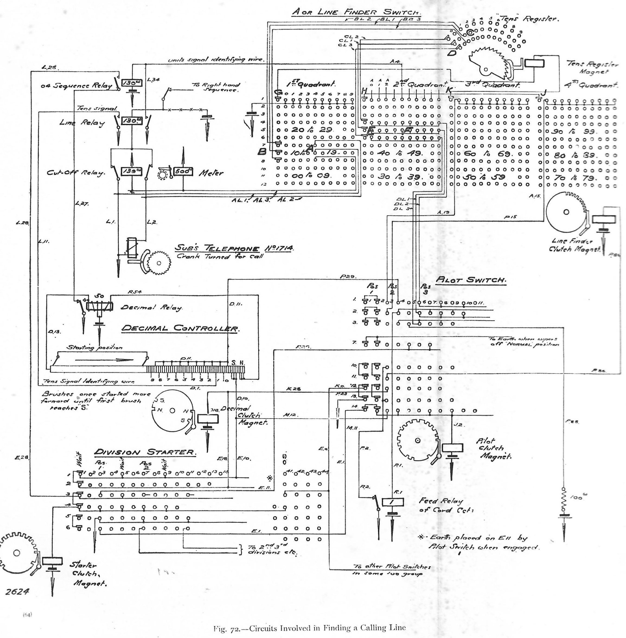
Fig 72 Circuits impliqués dans l'appel d'une ligne

Les banques privées et en ligne ne sont pas séparées, mais installées dans des positions adjacentes dans le même cylindre, comme indiqué en AL 1, AL 2, AL 3. Ces cylindres contiennent également des étiquettes d'alimentation de signal et de batterie.

Un essuie-glace individuel est fourni pour chaque niveau de contacts. Il n'y a pas de mouvement combiné "vers le haut et autour" comme dans d'autres systèmes, tels que le Strowger. Dans les commutateurs A, B et inter-connecteurs, il y a en fait quatre essuie-glaces par rangée espacés horizontalement de 90 degrés.
Certains des essuie-glaces des différents interrupteurs sont appariés verticalement, d'autres horizontalement, mais quelle que soit la combinaison dans laquelle ils peuvent être disposés ou espacés, les essuie-glaces d'un même interrupteur à cylindre sont chacun montés sur l'engrenage commun de cet interrupteur et se déplacent ensemble, ce qui rend contact avec les points de leur propre niveau au fur et à mesure de leur passage.
Les essuie-glaces cylindriques tournent dans un seul sens, et passent de la position normale à la position active et reviennent de la position active à leur position normale dans le sens des aiguilles d'une montre, effectuant ainsi un tour complet dans un plan horizontal.

La figure 73 suivante illustre le principe des commutateurs de cylindre et de registre, qui forment un commutateur de connecteur A ou B complet, et peut également être utilisé pour représenter le commutateur d'interconnexion. Les cent circuits sont répartis sur les quatre quadrants comme indiqué. Les dix essuie-glaces cylindriques sont fixés à l'engrenage commun s et sont connectés individuellement au moyen de conducteurs a, b, c, d, e, fg, h, j et k aux contacts de la rangée de registres. L'essuie-glace de registre est sur son propre engrenage et se déplace indépendamment des essuie-glaces de cylindre.
Principe des interrupteurs de cylindre et de registre

Pour connecter la ligne d'appel A au n ° 89, l'essuie-glace du registre est déplacé vers son contact de banque 80 et l'engrenage du cylindre S est tourné indépendamment jusqu'à ce que les dix essuie-glaces soient sur les points de contact du cylindre ayant 9 comme chiffre des unités; A est donc relié via 80, j et le racleur de cylindre n° 80 à 89.

Une action similaire est effectuée si 89 est la ligne d'appel qui doit être trouvée par les curseurs et reliée par l'intermédiaire de la ligne de jonction A. On verra donc qu'un mouvement vertical n'est pas nécessaire avec un tel agencement.
La construction réelle des interrupteurs à cylindre et à registre combinés est représentée sur les fig. 79 à 84.

Fig 74 - 78 Vues des interrupteurs à cylindre

Un dispositif de limitation de temps est prévu, qui peut être réglé pour limiter les conversations à une durée définie, à l'expiration de laquelle, si elle n'est pas déjà terminée et effacée, la connexion sera automatiquement interrompue et un nouvel appel sera nécessaire pour continuer la conversation. L'étendue du délai peut être modifiée en réorganisant l'engrenage.

Ce dispositif est également mis en service si une division connective est défaillante et ne prend pas d'appel. Il sert également à empêcher qu'un abonné en retarde un autre en omettant de rétablir son récepteur.

Fig 79 -84 Vues des interrupteurs de vérin

Les partisans du système Lorimer revendiquent les points suivants en sa faveur :
Une machine à numéroter permet à un abonné d'établir visiblement devant lui le numéro d'annuaire dans son ensemble et il peut le vérifier avant de tourner la manivelle pour appeler le central.
Si le pourcentage maximum d'appels simultanés est en cours, le prochain appelant est obligé d'attendre qu'il y ait une division libre disponible, lorsque la connexion demandée sera donnée par le central dans l'ordre de priorité d'appel. Par conséquent, il n'a pas besoin de faire des tentatives répétées, qui sont vouées à être vaines pour le moment.
Un abonné dont les appels sont principalement destinés à un numéro particulier trouvera généralement ses leviers à ce numéro, et il lui suffira alors de tourner sa manivelle et de soulever son récepteur.

En termes généraux, le système Lorimer à son stade actuel de développement, tel qu'équipé pour le bureau de poste britannique, est le suivant :
Les lignes de l'abonné sont connectées aux relais de ligne par l'intermédiaire des contacts à ouverture des relais de coupure, comme dans un système manuel CB. Les lignes sont également multipliées directement vers leurs balises individuelles sur le chercheur à 7 lignes et sept commutateurs finaux communs à 99 autres lignes dans le même groupe de 100. Ces interrupteurs correspondent respectivement aux positions A et B d'un tableau manuel. Les relais de ligne sont regroupés par centaines et disposés en dix rangées de dix dans l'ordre numérique. Les relais de la même rangée horizontale ont le même chiffre des dizaines et ceux de la même rangée verticale ont le même chiffre des unités. Chaque rangée verticale est électriquement combinée avec un relais de séquence. Les dix relais de séquence sont sur la rangée du haut et leurs contacts de gauche sont reliés en série, et ainsi reliés aux contacts du démarreur de division qu'ils forment une chaîne de contacts qui peut varier dans l'ordre. La fonction du relais de séquence est d'éviter toute confusion qui, autrement, pourrait résulter d'appels simultanés. Commun à chacune des dix lignes d'abonnés ayant le même chiffre d'unités se trouve un fil d'identification "d'unités" associé aux contacts des dix relais de ligne comme sur la fig. 94 à L 30 et L 39. Commun à chacune des dix lignes d'abonnés ayant le même chiffre des dizaines est un fil d'identification des dizaines associé aux contacts des dix relais de ligne, comme à L JO, L 19. Ainsi, à partir de chaque groupe de 100 relais de ligne il y a dix "unités" identifiant les fils se terminant par des étiquettes au commutateur A (fig. 88 à AO, A 9), et dix "dizaines" identifiant les fils se terminant au commutateur du contrôleur décimal (fig. 95 DO, D9). Ce dernier commutateur, ainsi que le démarreur de division, sont communs à une unité de commutation de ligne de 100 lignes. Les positions relatives et les fonctions des différents interrupteurs sont indiquées dans la fig. 70.

Figues. 85, 86. - Contrôleur décimal

Le poste d'abonné est illustré sur les fig. 66, 67, 68 et 69. Fixé à chaque levier et se déplaçant avec lui est une bande incurvée ayant des chiffres de 0 à 9. Les leviers sont dans leur position droite lorsque les chiffres requis sont visibles à chaque fenêtre.

Fig. 87. - Supervision et minuterie

La figure 97 montre la position normale de l'appareil prêt à recevoir un appel. Les leviers représentés sont fixés avec leurs ressorts mis à la terre sur les broches de contact 1, 7, 4 et 6 respectivement. Lorsque la manivelle est tournée, le bras de la brosse est déplacé mécaniquement, de sorte que sa brosse repose sur le contact E. Le bras c est soulevé hors de l'encoche et monte sur l'arête du disque, par conséquent l'extension du bras d appuie sur le ressort a en contact avec B. La rotation de la manivelle enroule également un ressort qui tend à faire tourner la roue dentée portant le disque et le bras de brosse dans le sens indiqué par la flèche. La figure 98 est le circuit théorique lorsqu'un appel a été "transmis". Les impulsions du commutateur de contrôleur de signal d'échange passent sur la ligne 2 via b et a à travers le signal ou l'aimant pas à pas, comme sur la fig. 97. Le mouvement de l'armature et le fonctionnement correspondant du cliquet à double dent permettent au disque denté de tourner sous la tension du ressort, et la brosse qui est reliée à la ligne 1 est portée sur les pointes. A l'extrémité d'échange de la ligne i se trouve un relais qui est actionné dès que le balai touche un contact à la terre. Comme on le verra plus loin, pendant l'intervalle entre le moment où l'on touche le premier contact de chaque quadrant et le moment où les contacts à la terre sont atteints, trois aimants de registre à l'échange enregistrent le nombre de leviers franchis et enregistrent les numéros mis en place. respectivement dans les quadrants des milliers, des centaines et des dizaines. Les impulsions sur la ligne 2 lors du passage du balai sur le quatrième ou quadrant unités provoquent le fonctionnement des essuie-glaces de l'aiguillage final pour se déplacer et capter la ligne appelée.

Fig. 88. - Commutateur A ou de recherche de ligne

Fig. 89. - Commutateur pilote et registre de sonnerie


Après une rotation complète, le bras c retombe dans l'encoche, comme indiqué sur la fig. 97 , les ressorts a et b sont déconnectés, et le circuit téléphonique de l'abonné est relié entre les lignes 1 et 2 via le balai.

Le circuit de parole de l'abonné consiste en une combinaison de deux résistances non inductives et de deux bobines de pontage, avec le récepteur en pont.

L'élévation et les vues générales de l'appareil sont représentées sur les fig. 70 et 71. Les moteurs d'entraînement sont de 1 cheval-vapeur chacun. Un moteur suffit pour entraîner douze tableaux de distribution ayant chacun sept divisions consécutives. La puissance est transmise par courroie à l'arbre principal, qui est porté perpendiculairement à chaque unité de commutation, comme dans la fig. 71, et au moyen d'engrenages maintient en rotation continue, à une vitesse uniforme, l'arbre principal horizontal de chaque tableau de distribution, qui à son tour est engrené à huit arbres verticaux, comme dans la fig. 79.

Des embrayages sont fournis pour libérer toute pièce défectueuse de l'arbre d'entraînement, empêchant ainsi qu'un accident à une pièce n'affecte le fonctionnement des autres pièces.

Les parties mobiles des interrupteurs, c'est-à-dire les essuie-glaces, sont entraînées par la puissance de la machine transmise par les arbres verticaux, et la distance et les temps de leur mouvement sont sous contrôle magnétique au moyen d'un engrenage lâche, comme cela sera expliqué.

La construction de tous les commutateurs de cylindre, A, B, contrôleur de signal, interconnecteur, pilote et démarreur de division, est similaire. Des vues extérieures et en coupe de ces interrupteurs à cylindre sont données aux fig. 74 à 84.

Fig. 90. - Circuits de minuterie et de commutateur

Fig. 91. - Contrôleur de signaux

Fig. 92. - Commutateur d'interconnexion et registre des centaines

Fig. 93. - B ou interrupteur final et registre des dizaines

Les étiquettes, 60, sont d'abord fixées en position dans un moule métallique confectionné. Un mélange de plâtre de Paris et d'eau y est ensuite versé et, à mesure que le ciment se solidifie, les tags s'incrustent dans le mélange. Le tout est placé dans un four et cuit, après quoi le moule en métal est démonté et retiré. Le cylindre de plâtre de Paris avec ses étiquettes est ensuite plongé dans un mélange de paraffine et de cire brésilienne, porté à une température supérieure à celle du point d'ébullition de l'eau, mais inférieure à celle de la paraffine bouillante ; il est ensuite retiré et laissé refroidir. La cire brésilienne empêche l'absorption d'humidité et contrecarre la nature hygroscopique de la paraffine. Le cylindre est enfin verni à la gomme laque.

Les étiquettes et les essuie-glaces sont en argent allemand. Les racleurs, qui se composent de deux ressorts plats et entrent en contact avec les deux faces des contacts de l'étiquette, sont montés dans une araignée en fonte et isolés au moyen de caoutchouc indien.

La vitesse des essuie-glaces du cylindre est de 24 tours par minute, à l'exception de ceux de l'interrupteur B qui font 12 tours par minute.

Un examen des figues. 74, 75, 76, 78, 79, 82 et 83 révèlent ce qui suit : Lorsque l'aimant d'embrayage 14 est alimenté, 83 est tiré hors de son encoche dans la position illustrée à la fig. 79 ; le coude d'armature 84 appuie son galet contre le cadre pivotant 77 et fait s'engager 76 avec le disque denté 74 en rotation continue. Le mouvement est donc communiqué par 76, 78, roue libre, 79 et 80 à 72. 72 et 82 tournent. 72 est engrené sur 63, qui est amorcé sur le croisillon 70, représenté sur les fig. 76 et 78. Les essuie-glaces se déplacent en conséquence.
82 est entraîné par les roues folles a et b, avec 81 rigidement fixé au disque cranté 23, comme sur la fig. 74. Cette roue et ce disque combinés sont lâches sur l'arbre vertical principal et tournent dans le sens indiqué par la flèche tant que l'aimant d'embrayage reste sous tension.

Il est à noter que 63 porte également la platine 92, sur laquelle est monté le mécanisme de registre. Le registre bouge dans son ensemble avec 63; les positions relatives de ses essuie-glaces et de ses contacts ne sont pas affectées à ce stade. Les bords chanfreinés des dents du disque 23 aident 83 à sortir de l'encoche si l'impulsion à travers l'aimant d'embrayage est brève, et tant que 83 roule sur l'arête de 23, la rotation de 63 et 23 doit continuer. Ainsi les positions d'arrêt des curseurs et le nombre de points de contact franchis dépendent des positions des encoches en 23 ; ces positions varient à chaque interrupteur, comme on le verra en comparant les disques crantés des fig. 72 et 88 à 96.

Le ressort antagoniste réglable 73, représenté sur les fig. 79 et 80, provoque le retour de 83 à sa position normale dès qu'une encoche arrive dans la plage après la désexcitation de l'aimant d'embrayage.

Des vues en plan du registre sont données aux fig. 82, 83 et 74, et ceux-ci, lorsqu'ils sont considérés ensemble, expliquent les actions du registre, qui est monté sur 92. La figure 83 montre les essuie-glaces dans leur position normale, avec le ressort 88 en tension. Le ressort a une lanière souple qui passe autour de B, et est fixée à une goupille dans le secteur 87, près de 86. Lorsqu'une impulsion traverse l'aimant de registre 28, le prolongement de l'armature vient frapper le bras 90 du levier d'échappement 89. Secteur d'échappement 87 décale donc sa position dans le sens de la flèche de la fig. 83, et déplace l'essuie-glace 61 vers le point de contact suivant.

Après cinq de ces impulsions, les essuie-glaces seront dans la position indiquée sur la fig. 74. Dix impulsions amènent la brosse à prendre la position indiquée sur la fig. 82, et c'est aussi loin que les essuie-glaces peuvent se déplacer, étant arrêtés à ce point par des moyens mécaniques.

Fig. 94. - Indicateur d'appel relais

Fig. 95. - Contrôleur décimal

Fig. 96 - Démarreur de division

Pour comprendre comment la combinaison est amenée dans sa position normale, comme sur la fig. 83, il est nécessaire d'expliquer que A dans la fig. 82 est le centre de pivotement de la plaque 92, qui porte le secteur, et que le centre de pivotement B du secteur lui-même est excentré par rapport à A, par conséquent, lors du relâchement de l'interrupteur à cylindre, la plaque 92 tourne avec lui, et si les racleurs sont hors de leur position normale, 93 sera à un angle tel qu'il bute contre 94, rigidement fixé à l'ossature permanente. Le secteur denté 87, avec ses curseurs, reste donc fixe, tandis que le cadre de contact du registre E tourne avec 92, et ses contacts défilent devant les curseurs. Lorsque E atteint la position indiquée sur la fig. 83 les balises normales ont été mises en contact avec les racleurs, l'action excentrique s'est décalée 93 de 94, le ressort 88 a été mis une fois de plus en tension, et le levier scape et la palette 89 et 90 ont été transportés avec la plaque de montage 92 jusqu'à la fin de 87. Le cylindre combiné et l'interrupteur de registre peuvent être basculés pour examen comme indiqué sur la fig. . 78.

Le contrôleur décimal illustré à la fig. 72 schématiquement comme une barre, dont la moitié est divisée en petits segments, est en fait un anneau de collecteur, et les balais sont placés à des points opposés sur son diamètre, comme le montrent les fig. 85 et 86. Son action est très simple. Lorsque l'aimant d'embrayage est excité, la roue dentée 180 tourne, et entraîne avec elle les deux balais autour du collecteur. La moitié pleine est le segment collecteur, auquel les brosses relient successivement les petits segments.

Le système Lorimer est essentiellement un schéma de câblage, et une description complète des nombreux circuits ne peut être donnée, mais afin de donner une indication aussi claire que possible du fonctionnement réel, les opérations impliquées dans l'établissement d'un appel entre deux abonnés peuvent être indiqué.

Fig. 97. - Circuit téléphonique des abonnés ordinaires

En supposant que la ligne n° 1714 établit un appel (fig. 97), alors son relais de ligne sur le groupe 1-700 fonctionne, et avec lui le relais de séquence 04, comme indiqué sur la fig. 72. Les fils d'identification des unités n° 4 et des dizaines n° 1 sont mis à la terre, ce qui signifie qu'une ligne ayant 4 comme chiffre "unités" et 1 comme chiffre "dizaines" appelle. Le relais de séquence démarre le démarreur de division à la recherche d'une division connective inactive, et lorsqu'il en trouve une, le commutateur pilote est activé, ce qui amène le commutateur A à trouver la ligne d'appel. Simultanément à cette action, le contrôleur décimal est actionné ; ses balais avancent et, en atteignant le fil d'identification des dizaines mis à la terre, sont à leur tour mis à la terre par le fonctionnement du relais décimal. Ces balais en passant provoquent l'envoi de deux impulsions positives sur le fil D 11 vers le registre des dizaines, l'informant électriquement que le chiffre des dizaines de la ligne d'appel est 1. Les essuie-glaces du registre D avancent vers les seconds contacts des dizaines C. Le commutateur pilote actionne également l'aimant d'embrayage du détecteur de ligne et le maintient sous tension jusqu'à ce que tous les essuie-glaces du cylindre atteignent le No. .4 balises d'unités, lorsque le circuit du relais d'alimentation i est fermé en trouvant la masse sur le fil d'identification des unités n ° 4, et interrompt ainsi le circuit embrayage-aimant du détecteur de ligne. La ligne d'appel est maintenant traversée, via A, B, C, D, E et F jusqu'au commutateur pilote, et le démarreur de division et le contrôleur décimal sont libres de répondre à un autre appel. La ligne d'appel est également protégée contre d'autres appels. Le temps nécessaire pour trouver la ligne appelante est de 1,25 seconde. L'interrupteur pilote actionne également l'aimant d'embrayage du détecteur de ligne et le maintient sous tension jusqu'à ce que tous les essuie-glaces du cylindre atteignent les étiquettes des unités n ° 4, lorsque le circuit du relais d'alimentation i est fermé en trouvant la masse sur le fil d'identification des unités n ° 4, et rompt ainsi le circuit d'embrayage-aimant du détecteur de ligne. La ligne d'appel est maintenant traversée, via A, B, C, D, E et F jusqu'au commutateur pilote, et le démarreur de division et le contrôleur décimal sont libres de répondre à un autre appel. La ligne d'appel est également protégée contre d'autres appels. Le temps nécessaire pour trouver la ligne appelante est de 1,25 seconde. L'interrupteur pilote actionne également l'aimant d'embrayage du détecteur de ligne et le maintient sous tension jusqu'à ce que tous les essuie-glaces du cylindre atteignent les étiquettes des unités n ° 4, lorsque le circuit du relais d'alimentation i est fermé en trouvant la masse sur le fil d'identification des unités n ° 4, et rompt ainsi le circuit d'embrayage-aimant du détecteur de ligne. La ligne d'appel est maintenant traversée, via A, B, C, D, E et F jusqu'au commutateur pilote, et le démarreur de division et le contrôleur décimal sont libres de répondre à un autre appel. La ligne d'appel est également protégée contre d'autres appels. Le temps nécessaire pour trouver la ligne appelante est de 1,25 seconde. La ligne d'appel est maintenant traversée, via A, B, C, D, E et F jusqu'au commutateur pilote, et le démarreur de division et le contrôleur décimal sont libres de répondre à un autre appel. La ligne d'appel est également protégée contre d'autres appels. Le temps nécessaire pour trouver la ligne appelante est de 1,25 seconde. La ligne d'appel est maintenant traversée, via A, B, C, D, E et F jusqu'au commutateur pilote, et le démarreur de division et le contrôleur décimal sont libres de répondre à un autre appel. La ligne d'appel est également protégée contre d'autres appels. Le temps nécessaire pour trouver la ligne appelante est de 1,25 seconde.

Le commutateur pilote met ensuite en action le commutateur du contrôleur de signal pour vérifier les numéros configurés sur le téléphone appelant et pour régler les registres de sonnerie et d'interconnexion, comme sur la fig. 98. Pendant le passage des essuie-glaces sur la première moitié du contrôleur de signal, des impulsions du cylindre sont envoyées sur la ligne 2 du circuit de l'abonné, et celles-ci actionnent son mécanisme. Pendant que les impulsions passent, le relais d'alimentation I teste le deuxième fil, qui est connecté au balai mobile de l'abonné, et le registre de sonnerie enregistre le nombre d'impulsions émises avant que la position du levier des milliers ne soit trouvée par le balai. Le registre de sonnerie rejoint ainsi le commutateur de sonnerie particulier pour sonner l'abonné appelé.

Le registre d'interconnexion est ensuite mis en circuit. Le contrôleur de signal et le relais de test répètent leur ancien fonctionnement lorsque les essuie-glaces passent sur la seconde moitié du cylindre du contrôleur, et le registre d'interconnexion enregistre le nombre d'impulsions envoyées avant que la position du levier des centaines ne soit trouvée.

Les essuie-glaces du commutateur d'interconnexion procèdent à la recherche d'une ligne de jonction vers ce groupe de centaines, comme sur la fig. 99. Si la ligne utile se trouve dans le même groupe de centaines que l'abonné appelant, les essuie-glaces de l'interconnexion peuvent capter n'importe quel commutateur B inactif de son propre groupe, mais pas nécessairement celui de sa propre division verticale, qui peut avoir déjà été engagé par un autre appelant.

Fig. 98 - Dispositions du circuit de signalisation

Fig. 99 - Interconnexion Recherche d'un interrupteur B désengagé

Fig. 100 - Busy Testy et Circuit de garde

Lorsqu'un interrupteur B inactif du groupe particulier est trouvé, un signal est donné à l'interrupteur pilote, qui se déplace en position 4, et à son tour signale au contrôleur de signal de passer à sa position normale, qui, une fois atteinte, provoque une nouvelle impulsion au pilote, dont les essuie-glaces sont alors déplacés vers la position n° 5. Le contrôleur de signaux et le relais d'essai répètent leurs opérations précédentes afin de vérifier les chiffres des dizaines et des unités mis en place, et les essuie-glaces de l'interrupteur B viennent s'arrêter sur l'appelé. ligne, comme dans la fig. 100. Le contrôleur des signaux marque une pause pendant que le pilote passe de la position 5 à la position 6 et effectue le test occupé. Le contrôleur de signal est alors signalé par le relais de test d'occupation, et reprend sa position normale, complétant ses opérations en signalant au pilote de passer à la position 7, où le pilote fait une pause momentanée avant de passer à la première position de sonnerie, pour s'assurer qu'aucun signal de sonnerie déformé ne sortira vers la ligne appelée. Après une sonnerie codée, il passe à la position 9, où, si le récepteur de l'appelant est éteint, indiquant qu'il s'agit d'un appel correct, il passe à la deuxième position de sonnerie et sonne jusqu'à ce que la station appelée réponde. Lorsque la station appelée décroche son récepteur, l'interrupteur du pilote passe en position de conversation, actionne le compteur et la ligne d'appel est maintenant terminée.

Lors de la restauration du récepteur, l'interrupteur pilote se déplace vers sa position de libération et les différents interrupteurs sont ramenés à la normale. Les lignes des abonnés sont libérées dès que le commutateur pilote se déplace vers la position de libération, de sorte qu'un nouvel appel peut être établi et remis dans la seconde suivant la restauration du récepteur de la station appelante.

Les connexions du circuit pendant la conversation sont illustrées à la fig. 101. Les lignes épaissies indiquent le circuit de transmission sur lequel passent les courants de parole. Le système de transmission Stone est utilisé et la tension de la batterie est de 32.

Fig. 101 - Circuit de cordon avec dispositions de déclenchement standard ou simple

Les relais 2 et 4 sont les relais de libération avant la position de conversation, lorsque le relais I devient le relais de libération.

Les fonctions des relais 1, 3 et 4 ne se limitent pas entièrement à la parole et à la libération. Le relais I est utilisé comme relais de test en conjonction avec le commutateur du contrôleur de signal lors de l'enregistrement des numéros configurés au poste appelant. Il est également utilisé pour tester les fils de signal des unités au niveau du commutateur de recherche de ligne et, lorsque le fil d'appel est trouvé, pour couper le circuit de l'aimant d'embrayage du recherche de ligne.

Le relais 3 est le relais d'alimentation parlant du côté de l'abonné B du circuit, le relais de test en conjonction avec l'interconnexion lorsque ce commutateur recherche une ligne de jonction inactive, et actionne également directement le compteur de la ligne appelante lorsque l'abonné appelé répond. . Le relais 4 effectue le test occupé sur la ligne sélectionnée dans le commutateur B.

Le circuit, comme illustré, est conçu pour le déclencheur standard ou simple. Lorsque le poste appelant ramène le récepteur au crochet, le relais x se désexcite, R2 est à la masse, et les essuie-glaces sont déplacés vers la position 13, la position de libération et de rétablissement automatiques. Les essuie-glaces ferment les circuits d'embrayage des commutateurs de recherche de ligne et de connecteur final. Le détecteur de ligne amène à son tour le commutateur pilote à se déplacer vers les positions 14 et 15. Les essuie-glaces en position 14 ferment les circuits d'embrayage-aimant des commutateurs d'interconnexion et de contrôleur de signal. En position 15, les essuie-glaces de l'interrupteur pilote au niveau 14 ferment le circuit d'embrayage-aimant pilote via J4, J2 et P39.

Ainsi, tous les interrupteurs utilisés dans la connexion sont rétablis à la normale, et chaque cylindre prend à son tour son propre secteur de registre à son point de libération, et ajuste les contacts de registre et les essuie-glaces à leur position normale.

L'échec du rétablissement de l'interrupteur de recherche de ligne affecterait le rétablissement de l'interrupteur pilote et, par mesure de sécurité, un dispositif de surveillance et de synchronisation est mis en service. Ce dispositif est représenté sur les fig. 87 et 90 .

Lorsque les balais du niveau 8 passent de la position I à la position IX, ils relient les différents points de contact du niveau 8, fermant le circuit de l'aimant d'entraînement via P52, N7 et le commutateur d'entraînement rapide, qui envoie des impulsions au taux de 20 par minute, actionnant ainsi l'aimant d'entraînement, dont l'armature tire le disque cran par cran. En cas de retard anormal dans l'atteinte de la position Ix, le disque aura été retourné de manière à ce que le percuteur S appuie a contre c, fermant ainsi le circuit du voyant vert de surveillance et du relais d'alarme. A l'étape suivante, le percuteur est encore avancé, et la pression est également communiquée au moyen des ressorts couplés, c, b, aux deux ressorts de gauche ; a, b établissent un contact, et si l'interrupteur I est renversé, le circuit d'embrayage pilote est fermé via P 57.

Lorsque les balais pontés du niveau 3 passent de la position IX à X, ils ferment le circuit de l'aimant de déclenchement via P 51, 21, 20 et la terre. Le fonctionnement de l'armature de l'aimant libère la détente et le disque est ramené à la normale par le ressort. Pendant la journée, lorsque le préposé est en service, les interrupteurs seront dans les positions indiquées. Le circuit de libération pilote P 57 serait déconnecté. L'attention du préposé est donc dirigée vers la panne, et il procède à la recherche de la cause du problème. D'une manière générale, la libération ne s'effectue automatiquement que lorsque l'accompagnateur n'est pas en service.

Si les balais avancent dans leur temps normal ils atteignent la position X avant que l'alarme ne puisse fonctionner. Les balais au niveau 3 pontent les contacts 20 et 21, et ferment le circuit de l'aimant de déclenchement, et le disque est restauré à la normale, aucune alarme n'étant donnée.

Il existe diverses autres méthodes de télétravail automatique, mais l'espace ne permettra pas une description détaillée de chacune d'entre elles. L'un des développements les plus récents, on peut cependant le mentionner, est un système de fonctionnement automatique par relais, sans l'utilisation des machines de commutation élaborées en usage dans les systèmes décrits, et qui promet de donner des résultats satisfaisants.

Sommaire

L'ainé, James Hoyt Lorimer décéde en 1901 de la typhoïde récurrente mais la suite a été assurée par le frère cadet Egbert. Bien que James Hoyt ait été le véritable inventeur de l'équipe, les deux autres frères se sont transformés en vendeurs efficaces. Ils exposent un ommutateur de plusieurs centaines de lignes à Ottawa pendand deux mois.

Bien qu'ingénieux et tendance pour une gamme de systèmes de contrôle indirects qui ont rivalisé avec succès pendant plus d'un demi-siècle avec des systèmes pas à pas à contrôle direct, le système Lorimer n'a trouvé que des applications très limitées.

Conformément au proverbe américain selon lequel «ce sont les pionniers qui attirent les flèches et les colons qui obtiennent le terrain», le brevet de Lorimer a été acheté par Western Electric en 1903 et est devenu le point de départ d’une famille de contrôle indirect
de AT & T

Quelques centres Lorimer ont été installés au Canada, à Toronto, à Brantford et à Peterbourough, en 1905, à Burford Saint George et Lindsay en 1908 en Ontario , mais jamais aux Etats Unis. Quelques prototypes ont été installés en Europe.


Le meilleur marché fut pour Atlanta avec un système de capacité à 500 lignes.

Usine de Brandford et la liste des premiers utilisateurs reliés sur le commutateurs de Brandford en 1909
Au Canada en 1909 la revue de Branford: The Expositor's Greater Brantford number Of 1909
raconte cette aventure " The Telephone City " à partir de la page 13... 20 ...
Un détail surprenant page 14 : "À l'heure actuelle, à la demande de Paris, les dessins et les spécifications sont en cours pour un système automatique pouvant accueillir 260 000 abonnés." ce qui ne se fera pas pour l'expérience de Lyon en 1909 (voir ci dessous).

Bien que ces installations fonctionne de manière satisfaisante, les Lorimers souhaitaient mieux pour leur affaires.
Lorsque le service téléphonique d'Edmonton les a approchés en 1906, ils pensérent que leur grand moment était arrivé. Malheureusement, c'est là que tout s'est effondré. Il y avait des problèmes imprévus, et sans les capacités inventives de feu James Hoyt Lorimer, ces problèmes ont été difficiles à résoudre.
Il se passa deux ans sans qu'un système satisfaisant ne soit livré. Edmonton a annulé le contrat et l'a conclu avec la compagnie Automatic Electric en système Strowger. que la societé Automatic Electric a installé dans les deux mois suivants.

Les frères Lorimer de la Canadian Machine Telephone n'ont pas réussi à rendre suffisamment fiable le système. Il a été repensé par la Bell Telephone Manufacturing Company en Belgique pour devenir le système rotatif, le Rotary qui a connu un grand succès commercial. Aux États-Unis, il a été repensé pour devenir le système à Panel , qui a également connu un grand succès commercial. .

Sommaire

Le système Lorimer en Europe a suscité un certain intérêt
Une nouvelle société, la Société Internationale de l'Autocommutateur Lorimer, a été créée à Paris en 1908 pour commercialiser le système.
La France acheté deux commutateurs pour Paris et Lyon, la Grande-Bretagne deux autres pour Hereford et l'Italie un seul pour Rome,
Il n'y eut pas plus de commandes.

L'exemple britannique semble être typique. Le British Post Office a contracté un marché d'évaluation à Caterham vers 1912, mais en raison des retards, il a finalement été transformé en marché de 500 lignes à Hereford en 1914. Avec le déclenchement de la Première Guerre mondiale, les fournitures et le soutien du Canada s'affaiblirent et l'administration finit par se rabattre sur le système automatique Strowger, produit en Grande-Bretagne par une filiale de la société britannique Insulated et Helsby , et devenait un système éprouvé et raffiné - contrairement au système Lorimer.
Le système à d'Hereford s'est finalement fait et a même donné un service fiable, mais l'administration des Postes avait déjà pris sa décision pour le Stowger. En 1914 à Hereford, il n'y eut qu'un seul sytème Lorimer mis en service pour 500 lignes .

Une petite anecdote Vue dans Mon Dimanche, revue populaire illustrée, 11 mars 1906.

On lit dans le Daily Mail que M. N. D. Nell, président de la Lorimer Automatic Telephone Company, a proposé à notre ministre des Postes l'application d'un système dont il a le brevet et qui activerait singulièrement le service téléphonique. Il s'agirait de remplacer le personnel par des machines, c'est l'abonné lui-même qui, en pressant sur la sonnerie, appellerait au récepteur le correspondant qu'il désire. Le Daily Mail ne nous dit point quelle réponse le gouvernement français a faite à cette proposition. Mais M. N. D. Nell n'a pas perdu l'espoir de la voir accepter.
Comme on lui objectait que le système automatique mettrait sur le pavé, pour la seule capitale, plus de 2.000 téléphonistes, le prévoyant M. Nell a offert d'instituer à Paris, un bureau où chacune des demoiselles du téléphone pourrait se présenter et trouver immédiatement une promesse de mariage pour le Canada; on lui remettrait même le prix du passage et de l'argent de poche pour six mois. Il parait, en effet, qu'il y a un nombre considérable de Canadiens qui, malgré fortune faite, ne trouvent point à se marier.
Mais le Daily Mail dit que les demoiselles du téléphone ne se montrent pas enthousiasmées.

L'entreprise Lorimer a fait faillite en 1923
AT & T avait observé la croissance d'Automatic Electric avec une inquiétude croissante, mais en raison de leur besoin de financer la croissance, ils n'avaient pas développé un système automatique fiable. Western Electric fini par acheter les droits du brevet de la compagnie Lorimer en difficulté. Grâce à leurs ressources et à leurs recherches antérieures, ils ont pu affiner le système beaucoup mieux que Lorimers.
Leurs ingénieurs ont produit deux versions, de systèmes du futur : Panel et Rotary.
Le système de Panel est entré en production uniquement aux États-Unis et est resté opérationnel jusqu'aux années 1950, remplacé par du Crossbar.
Le système Rotary, nommé pour les disques rotatifs utilisés dans l'appareillage de commutation, a été produit en Europe par Bell Telephone Manufacturing à Anvers et plus tard à Woolwich en Grande-Bretagne. Il s'est avéré populaire en Europe, surtout en France ou ce système sera hoisi par l'administration. Elle continua à être produite à Anvers lorsque les actifs à l'étranger de Bell / AT & T furent rachetés par ITT en 1925.
Les deux systèmes utilisaient un cadran rotatif conventionnel plutôt que les sélecteurs de commutateurs Lorimers, et l'ascendance du système n'était donc pas évidente.
Le consortium ITT rachètera les brevets et qui lui permettra d'améliorer son propre système : le Rotary 7A et ses dérivés ultérieurs

Sommaire

Utilisation d'un téléphone Lorimer : vous sélectionnez d'abord le nombre en utilisant les leviers, tournez la poignée d'un tour, puis soulevez le récepteur.
La poignée enroulait un ressort, qui faisait tourner les disques positionnés par les leviers et ceux-ci composaient à leur tour le numéro.
Les leviers pouvaient rester là où ils se trouvaient après la numérotation et on pouvait dire que ce téléphone avait le premier système de recomposition du dernier numéro.
Mobile Mural détail

Pour fournir les impulsions de commutation, Lorimers a utilisé un système de sélection à disque et levier. Quatre disques de contacts ont été construits à l'avant du téléphone. Le numéro a été sélectionné en tirant chaque levier sur le chiffre correct du numéro de téléphone, correspondant à des milliers, des centaines, des dizaines, etc. Le numéro sélectionné était affiché dans une petite fenêtre.
Lorimers appelait ces disques «cadrans», et c'est de là que vient le terme «numérotation». Une poignée a été mise en marche pour enrouler un mécanisme d'horlogerie, et le mouvement d'horlogerie fait tourner les disques à une vitesse constante et envoie les impulsions de numérotation sur la ligne. Ce principe permettait aussi à l'utilisateur de vérifier le numéro avant de composer, réduisant ainsi le risque de numéros erronés.

Sommaire

Photos côté commutateur :
Vue d'un sélécteur démonté.
Des disques portant une centaine de contacts tournaient en permanence et une série d'essuie-glaces complétaient le circuit lorsque le disque se débrayait et s'arrêtait sous l'influence des impulsions de numérotation.

L'autocommutateur est du type rotatif à impulsions de contrôle inverses munis d'Enregistreurs.
Le commutateur est équipé d’un étage spécifique constitué par des blocs d'enregistreurs qui sont dans un premier temps chargés de mémoriser les numéros de téléphone composés aux cadrans par les abonnés, puis en fonction des numéros demandés vont commander eux-mêmes à tour de rôle les sélecteurs nécessaires à l’établissement des communications : le routage.

Sommaire

Comparatif Lorimer Strowger :
C'était un système de commutation un peu plus lent que le Strowger, mais il prenait moins de place et utilisait un interrupteur rotatif plutôt que l'interrupteur bimotionnel de Strowger, donc il aurait été plus silencieux et plus petit. Malheureusement, la vitesse de numérotation dans les téléphones ne correspondait pas à la vitesse de rotation du central téléphonique, et l'échange lui-même nécessitait une attention constante aux roulements, aux embrayages et aux moteurs pour maintenir la vitesse de rotation constante.
D'après l'illustration, on peut voir que la plupart des appareillages de commutation et des arbres de transmission (le long du bas du châssis) étaient exposés à la poussière.

Le coût de l'appareillage Lorimer était inférieur au système Strowger, ce qui le rendait attrayant pour les nouveaux clients. Le système d'Edmonton était coté à 34 $ par ligne comparativement à 40 $ par ligne d'Automatic Electric. Les échanges ont été effectués dans des modules de 100 lignes qui pouvaient facilement être étendus et occupaient moins d'espace au sol que le système Automatic Electric. La consommation d'énergie aurait probablement été plus faible également. Malheureusement, ces avantages ne pouvaient pas compenser le fait que le système Lorimer n'était ni raffiné ni fiable. Lorimers n'avait pas le soutien financier ou technique pour affiner les problèmes.

Sommaire

EN FRANCE

Le lundi 28 décembre 1908, est mis en service en France, à Lyon, à titre d'essai, c'est le tout premier système à commutation automatique expérimenté sur le réseau public français, 200 abonnés peuvent alors s'appeler directement entre eux, sans passer par une seule opératrice.

L'autocommutateur est du type rotatif à impulsions (de contrôle inverses), de capacité réduite et expérimental est mis en service à partir de Septembre 1908 et testé aux frais de l'inventeur, ll ne s'agit pas d'une commande de l'Administration.
Les 200 testeurs sur les 4.000 abonnés au téléphone du réseau de Lyon, étant ciblés pour téléphoner fréquemment : abonnés à fort trafic. (Les 3.800 autres demeurant reliés aux Commutateurs Multiples Manuels).
Nous ignorons la durée exacte de cette expérimentation qui était encore en service en Janvier 1911, mais qui un jour se termina sans explication, vraisemblablement avant la 1ère guerre mondiale.
Les abonnés furent reconnectés sur commutateur manuel à la fin de cette expérimentation, qui ne donna pas satisfaction en termes de fiabilité.

Un autre autocommutateur LORIMER est mis en démonstration commerciale à Paris, par la filiale française, la Société Internationale de l'Autocommutateur Lorimer, au 15 de la Galerie Vivienne à cette même période.
Cet autocommutateur n'est pas relié au réseau téléphonique public.
.

Jusqu'à présent, seuls quatre téléphones Lorimer ont été identifiés, avec des variations mineures.

-Le premier est un long téléphone mural à façade cathédrale d'aspect conventionnel, avec le bras de l'émetteur déplacé plus bas sur le devant du boîtier pour faire de la place pour le mécanisme de numérotation. L'illustration est tirée de «Old Telephones Price Guide et History of Old Telephones» de Ron Knappen, maintenant épuisé.
Le deuxième modèle est du début des années 1900 et est un modèle de mur plus petit d'Europe, certainement la France.
Le troisième modèle est un téléphone mural compact de l'installation britannique, et des exemples sont détenus par le British Telecom Museum et le Milton Keynes Museum.
La quatrième version utilisait un téléphone en forme de chandelier avec la boîte d'appel placée devant elle sur un socle en bois. Il semble avoir été utilisé uniquement sur l'échange de Brantford.
Il est très rare

en 1999 un ouvrage a été consaré à Lorimer

Advert from mid 1920's