-
Lars Magnus Ericsson
- Le système Ericsson 500, l'automatisation
du téléphone en Suède.
- La Société
Française des Téléphones Ericsson
(STE)
Lars Magnus Ericsson né le 5 mai 1846,
à la ferme de Nordtomta dans le village de Vergebols dans le
Värmland; est un inventeur suédois, connu comme le fondateur
de la compagnie de télécommunication Ericsson.
Ericsson
a grandi dans la petite ville de Vegerbol, entre Karlstad et Arvika.
Orphelin de père à 11 ans, il dut travailler tantôt
comme cheminot, tantôt comme mineur, en Suède et en Norvège.
En 1867 il partit à Stockholm et fut embauché chez le
fabricant de télégraphes Öller
& Cie. Six ans plus tard, il bénéficia
d'une bourse pour poursuivre sa formation à l'étranger.
Il étudia en Suisse puis en Allemagne, où il travaillait
aussi pour Siemens & Halske.
Après avoir appris avec
succès le métier de facteur d'instruments, il quitte Öller
& Co en 1872 pour entreprendre des études à l'étranger
grâce à une bourse de voyage qu'il a obtenue grâce
à la recommandation du fondateur de l'entreprise Henric Öller.
Ericsson a travaillé quelques années chez Siemens &
Halske en Allemagne, avant de revenir chez Öller & Co en 1875.
En 1875, l'entreprise était à son apogée, avec
58 employés, 36 machines opérationnelles et une production
s'élevant à près de 100 000 SEK.
En 1876, Lars Magnus Ericsson créa
une petite entreprise à Drottningatan 15, au centre de Stockholm,
Cet atelier ne fut au début qu'une modeste cuisine d'à
peine 13 m2, qui devint l'un des plus grands fabricants d'équipements
téléphoniques au monde. L'entreprise a été
créée en tant qu'atelier pour réparer les instruments
télégraphiques et entreprendre de petits travaux d'ingénierie
mécanique. Une fois le téléphone arrivé
en Suède, Ericsson a commencé à être chargé
de réparer et d'installer la nouvelle invention.
Le prototype Siemens fut l'inspiration du jeune fabricant d'instruments
Lars Magnus Ericsson qui commença la production de téléphones
plus tard cette année-là. Il a également fondé
la société L.M. Ericsson.
Appareil Öller & Co
Le retour de Lars Magnus Ericsson marque cependant le début de
la fin pour Öller & Co. Il déclina une offre du poste
de directeur des opérations de l'entreprise et démissionna
d'Öller en 1876 pour créer sa propre entreprise.
Bientôt, l'ancien collègue d'Ericsson chez Öller &
Co, Carl Johan Andersson, s'est joint à nous, devenant copropriétaire
de la nouvelle société de Lars Magnus Ericsson, L.M. Ericsson
& Co. Les deux associés se mirent à assembler des
instruments de mathématiques et de physique, mais bientôt
ils réussirent à fabriquer leur propre modèle de
téléphone.
Ericsson ne voyait au départ dans cet objet qu'un gadget tout
juste bon à distraire les classes aisées, et il s'étonna
toujours par la suite que tant de gens veuillent en posséder
un.
Personne ne sait exactement quand Lars Magnus Ericsson lui-même
est entré en contact avec la nouvelle invention. C'était
peut-être à la fin de 1877 ou au début de 1878.
Il est clair, cependant, qu'il reçut bientôt des téléphones
à réparer et que non seulement il comprit immédiatement
les possibilités du téléphone, mais qu'il découvrit
également des faiblesses dans la conception de celui de Bell.
Lorsque l'atelier de construction mécanique de
Lars Magnus Ericsson a ouvert ses portes, le premier client était
les pompiers de Stockholm, qui, le 6 avril 1876, ont payé la
somme de 2 SEK pour la réparation des instruments
Les chemins de fer suédois sont rapidement devenus le plus gros
client. En septembre, Ericsson a livré au chemin de fer deux
télégraphes à aiguille de sa propre conception.
Il sagit de la commande la plus importante à ce jour, pour
laquelle il a reçu la somme bien méritée de 860
SEK.
Les opérations devinrent bientôt trop grandes pour l'atelier,
qui fut transféré vers la fin de 1876 au Jakobsbergsgatan
23B. L'année suivante, il était temps de déménager
à nouveau dans une ancienne cour à Oxtorget.
Les premiers téléphones fabriqués par Ericsson
ont été présentés en 1878. Peu de temps
après, les téléphones muraux uniques d'Ericsson
sont rapidement devenus connus dans le monde entier sous le nom de "modèle
suédois".
En 1880, il lance le premier téléphone mural et livre
le premier standard, appelé Crossing Bars
Au moment de l'incorporation en 1896, la société de Lars
Magnus Ericsson était devenue une grande entreprise avec plus
de 500 employés et avait produit plus de 100 000 téléphones.
En 1877, Ericsson obtient son premier contrat avec Televerket,
la société suédoise PTT, et commence à concurrencer
son ancien employeur, notamment dans la nouvelle technologie téléphonique.
Lorsque le téléphone arriva en Suède en 1877, Öller
intégra rapidement le nouveau produit à sa gamme et fabriqua
le premier modèle la même année. Mais après
cela, Ericsson a pris les devants.
La première fois qu'un téléphone est mentionné
dans les dossiers commerciaux d'Ericsson, c'était le 4 mars 1878,
lorsqu'il reçut 4 SEK pour la réparation de six appareils
téléphoniques.
Les premiers téléphones fabriqués par Ericsson ont
été présentés plus tard cette année-là.
Les deux premiers téléphones avec trompettes auriculaires
ont été livrés à Bredenbergs le 14 novembre
au prix de 55 SEK la paire. D'autres livraisons ont rapidement suivi.
C'est également au cours de cette année que Lars Magnus
Ericsson épouse Hilda Simonsson, qui s'implique rapidement dans
les affaires de l'atelier de construction mécanique.
| HT Cedergren, fondateur
de Stockholms Allmänna Telefon AB (SAT). |
 |
 |
Lars Magnus Ericsson
Le premier logo de LM Ericsson & Co.
|
 |
En raison de la concurrence d'Ericsson et des fabricants
américains, Öller n'a jamais réalisé de véritables
ventes de téléphones. Il ne faisait pas non plus partie
des pionniers dans les autres technologies de télécommunications.
Les premiers téléphones Ericsson sont apparus en 1878. Peu
de temps après, Ericsson a lancé un téléphone
mural, unique dans sa conception, et à mesure qu'Ericsson commençait
à vendre au-delà des frontières, il est devenu connu
dans le monde entier sous le nom de « modèle suédois
».
|
Dans son article "Magnetic Récepteurs
des années 1880 ", Ken Bushell estime que Ericsson
a construit environ 400 téléphones magnétiques
entre 1878 et 1880 sans répondre à une demande écrasante
pour leur appareil.L'exemplaire en photo
ci-contre est un téléphone Ericson de 1878,
qui ressemble au modèle Siemens & Halske.
Modèle de table avec en microphone le système Siemens
& Halske et un écouteur Ericson (de type Bell)
Il est probable que ce modèle soit un exemple précoce,
peut-être même produit pour l'Exposition Universelle
de Paris en 1878, qui présentait les nouvelles inventions,
dont la version améliorée du téléphone
de Bell par Thomas Edison.
 |
Un autre exemplaire Ericson vendu
aux enchères en 2011
avec son embouchure sifflet d'origine. |
|
 |
En 1880, l'atelier d'Ericsson comptait dix employés.
La production comprenait désormais des téléphones,
des télégraphes d'incendie et divers types d'instruments
électriques. L'atelier a de nouveau déménagé
dans ses locaux au Biblioteksgatan 5, où il est resté pendant
les quatre années suivantes.
Au cours de cinq ans suivants, la compagnie Ericsson fournit les
réseaux téléphoniques à 64 villes suédoises
sur 93.
Mais dès que Telegrafverket put organiser sa propre fabrication
de téléphones, les ventes de produits Ericsson baissèrent
très vite.
La compagnie Ericsson fut sauvée par les commandes venant de létranger
: du Danemark, de lAustralie, de la Nouvelle-Zélande, du
Norvège.
En 1882, 50 employés travaillaient 65 heures par semaine. L'entreprise
propose désormais des téléphones muraux complets
dans un modèle qui devient rapidement connu dans le monde entier
sous le nom de « modèle suédois ».
L'atelier est modernisé en 1883 et une machine
à vapeur est installée pour alimenter les outils de fabrication,
les presses, etc. Un déménagement était une fois
de plus nécessaire. Ericsson a réalisé un investissement
majeur et a acheté un terrain à Tulegatan, qui se trouvait
à l'époque à la périphérie de la ville.
Un bâtiment industriel fut construit et prêt à être
occupé à l'automne 1884.
En 1883, Lars Magnus Ericsson et Henrik Tore Cedergren,
qui ont créé la SAT ; Stockholm Allmänna
Telefon AB, construisent un premier commutateur
téléphonique manuel pour 10 numéros,
Öller & Co a emboîté le pas, avec un modèle
similaire pour la Stockholm Bell Company.
Son fondateur, H T Cedergren, a travaillé avec Lars Magnus Ericsson,
qui a commencé à fabriquer des équipements téléphoniques
de haute qualité. Cedergren avait critiqué la société
Bell pour ses frais, qu'il jugeait excessivement élevés.
Par rapport aux conditions d'autres pays, les frais de la compagnie Bell
n'étaient toutefois pas particulièrement élevés.
Lorsqu'Ericsson et Cedergren obtinrent un nouveau brevet pour un commutateur
pour deux lignes téléphoniques en 1885, Öller ne tarda
pas non plus à produire un appareil similaire.
Les années suivantes, jusqu'à la création de l'entreprise
en 1896, furent caractérisées par une forte croissance et
de nouveaux clients dans le monde entier. En 1887, le plus grand centre
téléphonique du monde de l'époque fut inauguré
à Stockholm grâce à un standard multiple conçu
par Ericsson.
Au moment de sa constitution en 1896, l'entreprise de
Lars Magnus Ericsson était devenue une entreprise majeure. Des
usines de fabrication supplémentaires avaient été
érigées à Tulegatan. Au 1er juin 1896, les ateliers
d'Ericsson avaient produit 100 000 téléphones.
Cependant, en 1886, la concurrence de ses anciens
protégés devint trop forte pour Öller et il décida
d'arrêter progressivement la majeure partie de sa production.
Non seulement Ericsson a réussi à fabriquer des appareils
moins chers et de meilleure qualité qu'Öller & Co, mais
il a également conquis les employés les plus qualifiés
d'Öller en leur offrant des salaires plus élevés.
Öller a ensuite continué principalement avec des opérations
de réparation. Öller mourut en 1889 d'une grave pneumonie,
où Öller & Co fut fermée après 33 ans
d'activité.
sommaire
Les téléphones ERICSSON sont des appareils Suédois
très répendus dans le monde entier.
Le modèle squelette
Lars Magnus Ericsson a personnellement conçu
l'un des téléphones standard les plus distinctifs et désormais
les plus recherchés au monde. Ce bureau téléphonique
est construit sur une construction en acier nu comportant deux aimants
inducteurs laqués noirs, finement courbés et tordus pour
former un support. La structure en forme de squelette a été
testée dès 1884.
Le modèle connut une percée en 1892 lorsqu'il
fut enrichi d'un combiné téléphonique horizontal
placé sur un crochet. Bien que le téléphone lui-même
ne soit pas une invention dEricsson, Ericsson en est rapidement
devenu le principal promoteur. Ce modèle a établi la référence
pour toutes les variantes de téléphones de bureau équipés
de casques horizontaux du XXe siècle.


Eiffel tower; Dessin de Lars Magnus Ericsson, invention le microphone
hélicoïdal, 1880 ; et modèle 1881
Le microphone première génération, se compose
dun bloc métallique dans lequel sont percés 9 trous
cylindriques, dont un central plus grand que les autres et 8 sur la
périphérie. Ces cavités sont remplies de charbon
granulé.
La face inférieure est bouchée par une mince plaque métallique
au-dessous de laquelle des rondelles de papier, formant amortisseur,
sont enfilées sur la vis qui, traversant un canon en ébonite,
assemble le bloc avec le boîtier.
La face supérieure du bloc métallique est recouverte d'une
feuille de papier perforée comme le bloc lui-même.
Une plaque de charbon est placée par dessus et constitue la plaque
microphonique qui communique avec le boîtier métallique
relié à lun des fils de communication ; le bloc
qui contient la grenaille est relié à lautre.
Premier modèle Ericsson micro rotatif ancien version vers
1885, fabriqué par lElektrisk
Bureau de Kristiania
Cet appareil est formé par un microphone Ericsson, réuni
à un récepteur de petites dimensions du type Ader n°3.
Lembouchure du microphone est recourbée ; elle est mobile
et peut être orientée au gré de lopérateur.
Les combinés ERICSSON
ERICSSON n°370, et modèle AC200 Surnom : "Eiffel Tower"
"Machine à coudre" "Skeletal" "Skeleton"
; et le modèle CG 100 "Spider"
AC210 "boîte à biscuit" ou "moulin à
café" ; HA 150/10 ; BC 2000

A.B.Telefonfabriken Stockholm "Tunnan" ; HA 200/20; AB 2530
; BC 2050
Lappareil Ericsson de type "Eiffel Tower" est un poste
microtéléphonique complet.
Il comprend un appel magnétique et une sonnerie formant
en quelque sorte le socle de lappareil, un mécanisme de
commutation, un appareil combiné et en option un récepteur
supplémentaire ; seule la pile microphonique est indépendante.
Le mécanisme de la sonnerie est placé à lintérieur
du timbre. Le levier-commutateur est constitué par une tige verticale
à glissière, surmontée par deux crochets sur lesquels
on place, en travers, lappareil combiné dans l'intervalle
des conversations ; dans cette position dattente, lappareil
est sur sonnerie et, en tournant la manivelle de l'appel magnétique,
on fait tinter la sonnerie du poste correspondant.
Les ressorts de commutation sont encastrés dans une platine en
ivorine et la bobine dinduction, protégée par une
chemise, également en ivorine, est suspendue en arrière
de l'appareil.
Lappareil combiné est mis en circuit au moyen dune
mâchoire à cinq contacts et dune fiche réunie
au cordon souple. Ce cordon souple aboutit, dautre part, à
un macaron qui porte les bornes dattache.des fils extérieurs.
 
Waden
finlande  
 

|
Arrive l'automatique, en 1931
le téléphone DBH 1001, conçu à Oslo
en 1930 par Ericsson , "The
Bakelite telephone 31" est le premier téléphone
suèdois réalisés en Bakélite.
Déjà au milieu des années 1930, Ericsson
montrait dans des publicités un téléphone en
bakélite blanche, souvent entre les mains d'une jeune femme.
Cependant, ce modèle ne semble jamais avoir été
proposé au public. Lors de l' Exposition universelle de 1939
à New York , Ericsson a présenté une variante
transparente en acrylique et en plastique diakon,
|
DBH 1001 Ericsson 1931 |
A la rubrique
Documents on trouve plusieurs catalogues Ericsson
1897 ,
édition 1902 , édition
5
1908
Le central téléphonique de Karungi.
L'opératrice, Mlle Helny Hynylä, qui, est devenue aveugle
à l'âge de 3 ans, a est employée à la station
à sa création en 1908.
sommaire
En 1904, Ericsson décide de demander une
concession téléphonique au Mexique. Les autorités
mexicaines ont accordé une licence l'année suivante et
Ericsson a été autorisé à devenir opérateur.
Ce n'était que l'un des nombreux premiers investissements internationaux
d'Ericsson. Déjà avant le Mexique, Ericsson avait ouvert
des opérations dans de nombreux pays européens.

Mexique, 1929, défilé militaire, Soldats mexicains défilant
lors de la fête nationale, 1929. Passage sous l'arche "Ericsson".
Ericsson est rapidement devenu trop grand pour son siège
suédois et s'est lancé dans des projets internationaux
au début des années 1880. Initialement exportateur vers
la Norvège et la Finlande, Lars Magnus Ericsson a reconnu les
opportunités en Russie dans les années 1890. L'administration
russe des postes et télégraphes devint un client important,
ce qui conduisit Ericsson à établir une usine téléphonique
à Saint-Pétersbourg en 1897. Lodyssée
russe, marquée par une croissance et des bénéfices
robustes, sest aggravée lors de la Révolution dOctobre
lorsque tous les actifs dEricsson ont été nationalisés.
Malgré de longues et fructueuses négociations avec les
nouvelles autorités soviétiques, lentreprise suédoise
ne parvint pas à sauver sa présence en Russie.
En revanche, les premières incursions d'Ericsson
en Grande-Bretagne sont restées un succès, le marché
britannique représentant la moitié de ses ventes totales
au tournant du siècle. Ericsson ouvre un bureau de vente à
Londres en 1898 et une usine de fabrication à Beeston, près
de Nottingham, en 1903.
L'expansion mondiale a atteint au-delà
de l'Europe. Alors que les opérations à Paris, Vienne
et Budapest étaient antérieures à la Première
Guerre mondiale, c'est la traversée de l'Atlantique qui a apporté
à la fois des promesses et des défis.
En 1907, Buffalo, New York, devint le siège d'une usine de production
de téléphones Ericsson, où l'entreprise espérait
reproduire son succès en Grande-Bretagne. Cependant, la domination
de Bell sur le marché a entravé une croissance substantielle.
De l'autre côté du monde, Ericsson
est entré à Shanghai, en Chine, au début des années
1890 grâce aux efforts commerciaux de l'ancien capitaine suédois,
aujourd'hui homme d'affaires, Gustaf Öberg. En collaboration avec
des hommes d'affaires chinois, Öberg a créé la Shanghai
Mutual Telephone Company, obtenant la concession téléphonique
en 1900. Il s'est tourné vers Ericsson pour l'aider à
construire le réseau et la société a construit
avec succès le réseau téléphonique de Shanghai.
En novembre 1911, la société suédoise
Telefonaktiebolaget LM Ericsson décide de fonder une société
à Budapest : elle forme avec la Banque générale
de crédit hongroise la société Ericsson Magyar
Villamossági Rt., en rachetant l'usine de la société
« Deckert és Homolka ». Les produits de l'entreprise,
ainsi que leur fiabilité et leur innovation (par exemple l'utilisation
d'un combiné téléphonique au lieu du microphone
et du récepteur séparés habituels) étaient
connus dans le monde entier.
Dans les années 1920, Ericsson a maintenu
sa présence mondiale en fournissant des concessions dans le monde
entier. Les investissements initiaux au Mexique, en Argentine, en Pologne
et en Finlande ont jeté les bases de l'héritage durable
d'Ericsson dans le domaine des télécommunications internationales.
Entretemps en 1900, Lars Magnus Ericsson, âgé
de 54 ans, se retira des affaires avec un bon portefeuille d'actions,
qu'il ne revendit qu'en 1905.
Ericsson était réputé pour son mauvais caractère
mais, quoiqu'il n'aimât guère la compagnie, il était
très respecté de ses employés. Conscient que ses
propres téléphones n'avaient été au départ
que des copies de ceux de Siemens, il était un détracteur
du système des brevets, dans lesquels il voyait un frein à
la concurrence, et pour cette même raison, il se souciait peu
d'être copié par des concurrents norvégiens. De
son point de vue, si les lois avaient été appliquées
dans toute leur rigueur, A. G. Bell aurait pu breveter le principe du
téléphone dans le monde entier.
Lars Magnus Ericsson mourut le 17 décembre 1926 à Botkyrka,
Comté de Stockholm. et fut inhumé à Botkyrka, au
sud de Stockholm. Conformément à ses dernières
volontés, sa tombe est exempte dépitaphe. Son bureau
de président de la compagnie a été reconstitué
dans le moindre détail au Musée national pour les sciences
et la technologie de Stockholm.
sommaire
Le système Ericsson 500

HULTMAN, AXEL |
En Suède le développement
du système automatique à 500, avec ses barres
de sélection caractéristiques qui traversent des fils
nus, a une histoire quelque peu tortueuse.
L'idée initiale du système a été conçue
par Axel Hultman, directeur de Televerket,
le PTT suédois, à Stockholm.
Après 1910 alors qu'Ericsson avait considérablement
progressé dans le développement, en ce qui concerne
la technologie de commutation manuelle, la société perd
du terrain face à la concurrence en matière de téléphonie
automatique. Après avoir mené des expériences
sur le télégraphe public pendant plusieurs années
dans le domaine de la commutation automatique, Hultman signe un accord
de coopération avec Ericsson au printemps
1913.
Selon l'accord de coopération, les parties développeraient
les idées de Hultman et demanderaient des brevets en son nom.
Le contrat accordait à Ericsson le droit dutiliser des
brevets futurs, tandis que Hultman devait recevoir des redevances
pour les ventes déquipements de commutation de la société
basées sur ses brevets. |
En Suède, le droit d'utilisation d'Ericsson
était toutefois limité aux livraisons à Televerket,
excluant ainsi son principal concurrent à Stockholm à cette
époque, AB Stockholmstelefon, qui était une filiale
de Stockholms Allmänna Telefonaktiebolag (SAT).
Au cours des années suivantes, les travaux de développement
se sont poursuivis sur un commutateur comportant 10 000 ligne qui circulaient
sur des fils dénudés. Outre Hultman, les ingénieurs
Ericsson Martin Löfgren et Sigurd Johanson ont participé
à ces travaux.
Il est intéressant de noter que Löfgren
avait expérimenté une conception utilisant un mouvement
de commutation similaire avant 1918, mais qu'il avait abandonné
cet effort, car cela aurait porté atteinte à un brevet détenu
par SAT.
Ce fait, en combinaison avec droit limité d'Ericsson d'utiliser
le brevet de Hultman, a conduit Löfgren à croire que la conception
ne pouvait être utilisé en Suède et que la principale
raison était la forte concurrence dans la téléphonie
entre Stockholmstelefon et Televerket.
La fusion entre SAT et Ericsson en 1918 a toutefois éliminé
la situation concurrentielle, ce qui a influencé le développement
du système 500.
Un certain nombre de différents ont caractérisés
la période suivante. Martin Löfgren, appuyé par dautres
membres dEricsson, a affirmé quil avait fortement contribué
à la conception des équipements qui avaient par la suite
été brevetés au nom de Hultgren.
La direction, cependant, a montré peu de compréhension pour
les arguments de Löfgren. Un autre litige concernait le processus
de décision alors en cours au sein de Televerket en ce qui concerne
le choix d'un système de commutation automatique pour son réseau
de Stockholm, qui avait également été considérablement
élargi grâce à l'acquisition du réseau de Stockholmtelefon.
La tâche de fusionner les deux réseaux a été
confiée à Axel Hultman.
Avec l'achat du réseau du concurrent, il est devenu l'ingénieur
en chef de Televerket à Stockholm. Hultman a critiqué la
conception des commutateurs 500 à plusieurs égards, en dépit
du fait quelle était basée sur ses propres brevets,
préférant plutôt une conception avec des commutateurs
plus grands.
Lopérateur public comprenait un certain nombre de systèmes
étrangers bien établis, ainsi quun système
suédois mis au point par G A Betulander
et Nils Palmgren, qui avaient tous donné de bons résultats
lors des tests.
Lorsque la Televerket Suèdoise a finalement choisi le système
500 d'Ericsson en 1921, cela marquait
la fin d'un processus de décision prolongé dans lequel Ericsson
et Televerket avaient été contraints de faire des compromis.
En outre, le système de commutation Crossbar
développé par Betulander et Palmgren avait été
pratiquement éliminé, en partie grâce à Ericsson
qui avait pris le contrôle de la société Betulander
en décembre 1919 et en partie parce que le système crossbar
était moins adapté aux grandes stations de commutation.
sommaire
Les commutateurs du système 500, ont été créés
après la fusion d'Ericsson et de SAT en 1918 et sont le
résultat d'un projet de développement parallèle lancé
par Ericsson et l'ingénieur de l'entreprise Knut Kåell.
Knut Kåell a été nommé directeur du département
des stations automatiques chez Ericsson.
Il affinait ici les idées du système téléphonique
automatique développé par Axel Hultman au sein de Televerket,
le PTT suédois.
Les multiples barres lisses étaient uniques et ingénieuses,
mais le grand commutateur, qui était à lorigine dimensionné
pour 10 000 lignes, était lourd.
Kåell a déterminé que la taille multiple devrait
être de 500 lignes.
Le premier interrupteur de Hultman a été conçu autour
de deux mouvements à angle droit, mais Kåell pensait que
le commutateur serait plus simple et plus fiable si un mouvement rotatif
était utilisé, suivi dun mouvement en spirale.
Ces idées ont abouti en 1919 au fameux commutateur 500 ou AGF500,
qui serait le principal produit de la société pour des décennies.
Les selecteurs étaient disposés en éventails, constitués
déléments rotatifs de base (modèle RVA avec
balais de nettoyage des contacts intégrés) horizontaux en
forme de plateau à 25 positions tournant à 90°, donnant
500 points de sortie (25 positions angulaires de sortie pour 20 positions
commandées radialement, en profondeur, par une tige plongeuse correspondant
à 20 lignes possibles pour chaque position angulaire).
Des arbres rotatifs verticaux distribuent lénergie motrice
au commutateur en tournant continuellement
Chaque plaque de sélection est entraînée par un moteur
commun dans chaque direction.
Un commutateur AGF 500 est capable de gérer jusqu'à 20.000
abonnés par cur de chaîne si toutes les volumineuses
extensions possibles sont installées.
C'était un produit dont Ericsson était très
fier. (voir une
vidéo Ericsson sur le sujet) et si vous comprenez le Suèdois,
une vidéo sur un centre en fonctionnement. Et une
autre ...
L' AGF 500 est un système basé sur les impulsions
de contrôle inverses comme son prédécesseur aux USA
le ROTARY 7A.

(Schéma de 1922)
( Une
petite vidéo sur les mouvements du sélécteur
et une
autre )
sommaire
Le système AGF comme le Rotary doit être
classé comme un « système à moteur »,
dans la mesure où les sélecteurs et commutateurs de séquence
nécessaires sont mécaniquement propulsés par des
arbres rotatifs entraînés en continu par de petits moteurs,
communs à un nombre donné de crémaillères.
Le système
Ericsson 500 utilise des ensembles de registres dont la fonction est
de recevoir et d'enregistrer les impulsions émises par les
instruments téléphoniques des abonnés (ou, dans
le cas d'une station semi-automatique, par le clavier d'un opérateur)
et d'orienter les sélecteurs et connecteurs de groupes. à
leurs positions correctes. Cette direction est accomplie au moyen
d'un contrôle d'impulsion réversif.
La principale caractéristique de ce système est que
tous les sélecteurs, c'est-à-dire. les détecteurs
de lignes, les sélecteurs de groupe et les
connecteurs sont de la même construction, à
l'exception de quelques détails mineurs, ayant tous une capacité
de 500 lignes. Une autre caractéristique de ce système
est le multiple, constitué de fils verticaux nus,
formant ce qu'on appelle des cadres multiples.
A Les sélecteurs
Les sélecteurs sont montés dans des racks pouvant accueillir
avec 40, 50, 60 ou 70 sélecteurs. La Fig. 1 montre un rack
pour 40 sélecteurs. Un tel rack se compose de deux fers à
canaux verticaux reliés en haut et en bas au moyen des supports
K.
Des supports supplémentaires KJ sont insérés
pour chaque groupe de 10 sélecteurs.
À l'intérieur des fers à canaux se trouvent des
bandes métalliques fixées avec des encoches horizontales
dans lesquelles les sélecteurs sont glissés et verrouillés
en place. L'arbre d'entraînement vertical est monté sur
roulements à billes sur le côté droit de la crémaillère
et équipé d'entraîneurs à double denture
W, un pour chacun des sélecteurs.
Le multiple est constitué de 25 cadres multiples MF (la Fig.
1 montre un tel cadre en position) placés radialement par rapport
au centre de rotation du sélecteur, comme le montre la Fig.
2.
Chaque trame multiple est composée de fils nus verticaux pour
20 lignes, maintenus par des bandes de matériau isolant.
La Fig. 2 montre schématiquement un support de sélecteur
avec un sélecteur, vu de dessus. Un sélecteur est représenté
à la Fig. 3. Les principales pièces du sélecteur
sont :
- Plaque de base BP
- Accouplement magnétique MHMV
- Roue dentée à jante KR
- Disque rotatif TS
- Aimant de verrouillage pour le même CV
- Bras de contact KA
- Aimant de verrouillage pour le même CR.
Le couplage magnétique, monté directement sur la plaque
de base, possède deux bobines magnétiques MH et MV.
L'arbre M, portant les roues dentées FR et FRi, traverse l'induit
commun aux deux bobines. L'induit peut être attiré soit
par la bobine MH, lui donnant un mouvement ascendant, soit par la
bobine MV, lui donnant un mouvement vers le bas. Ces mouvements provoquent
le rapprochement de la roue dentée soit contre l'entraîneur
supérieur, soit contre l'entraîneur inférieur
W, conférant ainsi à l'arbre M un mouvement de rotation
soit dans l'un soit dans l'autre sens.
La fonction de la jante KR est de transmettre le mouvement de la roue
FRi vers le disque rotatif et le bras de contact. Les dents de son
bord extérieur s'emboîtent dans la roue FRi et celles
de son bord intérieur s'emboîtent dans la roue ZR, qui
pivote sur le disque rotatif TS et dont la fonction est de transmettre
le mouvement au bras de contact. La partie arrière du bras
de contact est conformée en crémaillère engrenée
sur la roue ZR, comme le montre la Fig. 2. (ZR est en fait constitué
de deux roues, pivotées sur le même arbre, celle du dessous
étant engrenée sur la jante KR et celle du haut sur
la crémaillère du bras de contact).
Sur le disque rotatif TS est monté mobile le bras de contact
KA dont la partie avant est recouverte d'un manchon isolant de section
rectangulaire, portant les trois ressorts de contact sélecteur
a, b et c. Le bras de contact a deux mouvements différents,
à savoir un mouvement de rotation, dans lequel il suit la rotation
du disque autour de son axe, et un mouvement radial, par lequel il
entre ou sort d'un cadre multiple.
Les mouvements d'un sélecteur sont contrôlés au
moyen des deux aimants de verrouillage ou de centrage CV et CR.
L'aimant CV commande le mouvement de rotation d'un sélecteur,
son armature étant conformée en un taquet EV, qui s'insère
dans des encoches du disque rotatif, le bloquant ainsi. Les encoches
sont espacées donc Fig. 2. Principe de fonctionnement d'un
sélecteur de ligne SCO. de manière à se conformer
exactement à la position du bras de contact par rapport aux
multiples cadres. En figue. Par exemple, sur la Fig. 2, le bras de
contact est centré exactement à l'opposé du cadre
numéro 1.
L'aimant CR freine le mouvement radial grâce à son armature
qui forme le chien ER dont la fonction est de centrer et de verrouiller
le bras de contact. Ceci est accompli en frappant des encoches sur
le bras de contact, correspondant aux positions des 20 lignes d'un
cadre multiple.
Les aimants MH et MV sont alimentés en courant nécessaire
par des contacts situés sur les induits des aimants de verrouillage,
lorsque ces derniers sont attirés. Les deux cas suivants peuvent
alors se produire :
(1.) Si l'aimant de verrouillage CV est actionné, le sélecteur
est relâché pour la rotation et le disque rotatif démarre
avec la visée de contact.
tournant. Ce mouvement se poursuit jusqu'à ce que le circuit
traversant CV soit coupé et que le chien s'engage dans une
encoche, bloquant ainsi le disque rotatif, l'alimentation en courant
de l'accouplement magnétique étant simultanément
coupée. Un mouvement de rotation vers la gauche ou vers la
droite est obtenu selon laquelle des bobines de couplage magnétique
MH ou MV est alimentée. (2.) Si l'aimant de verrouillage CR
est actionné, le bras de contact est libéré pour
un mouvement radial. Ce mouvement se poursuit jusqu'à ce que
le circuit traversant CR soit coupé et que le chien s'engage
dans une encoche du bras de contact, le bloquant ainsi, l'alimentation
en courant de l'accouplement magnétique étant simultanément
coupée. Le bras de contact est soit poussé dans, soit
retiré d'un cadre multiple, selon laquelle des bobines de couplage
magnétique MH ou MV est alimentée.
Comme cela a déjà été mentionné,
les trois différents types de sélecteurs utilisés
dans ce système, c'est-à-dire. les chercheurs de ligne,
les sélecteurs de groupe et les connecteurs sont principalement
de la même construction.
|
Fig. 1 

Fig. 2
Fig.
3
|
Les détails dans lesquels ils diffèrent
sont les suivants :
Chaque détecteur de ligne est doté d'un ressort de test
spécial, monté sur le disque rotatif (cela n'apparaît
pas sur la Fig. 3, qui montre un connecteur), au moyen duquel est
trouvé le cadre multiple dans lequel se trouve un appel entrant.
Les barres verticales avant des multiples cadres des racks du détecteur
de ligne sont utilisées à cet effet comme barres de
test, avec lesquelles ce ressort de test entre en contact pendant
le mouvement de rotation du détecteur de ligne.
Les sélecteurs de groupe et les connecteurs ont toujours une
position de départ définie pour le mouvement rotatif.
Ils sont pourvus d'un plateau à came F, monté sur le
disque rotatif, qui ferme et ouvre alternativement un groupe de ressorts
de commutation IV, renvoyant ainsi des impulsions au registre.
Les connecteurs sont en outre dotés d'un groupe de commutation
IR pour l'envoi d'impulsions au registre lorsque le bras de contact
se déplace dans un cadre multiple. Ce groupe de commutation
est actionné au moyen d'une roue à came, montée
sous et sur le même arbre que la roue dentée ZR.
Tous les sélecteurs sont dotés de deux groupes de commutation
OV et OR, actionnés mécaniquement dans les positions
extrêmes, une de leurs fonctions étant d'inverser les
mouvements. OV inverse le mouvement rotatif et OU le mouvement radial.
Le raccordement du câblage d'un sélecteur aux lignes
principales s'effectue au moyen d'une fiche P à 18 points,
s'insérant dans un jack J correspondant, monté sur le
rack.
Après avoir été mis en place dans la crémaillère,
le sélecteur est fermement verrouillé en position grâce
aux deux ressorts FJ.
B Les commutateurs de séquence.
Chaque sélecteur est équipé d'un commutateur
de séquence et de relais dont l'apparence est représentée
à la Fig. 4. Le banc de contacts est constitué de segments
circulaires (la longueur de l'arc étant égale à
celle d'un cercle complet) dans lesquels sont encastrés des
contacts métalliques.
Chaque segment comporte deux rangées de contacts métalliques,
et un nombre maximum de 13 segments peuvent être vissés
sur un cadre R, qui, à son tour, est vissé sur un deuxième
cadre BP. Ce cadre BP fait également office de support pour
les relais séquenceurs.
Comme un interrupteur séquentiel de ce type comporte 12 positions
et 13 rangées de contacts doubles, il s'ensuit que 12x13 =
156 combinaisons de contacts différentes sont possibles, mais
des combinaisons supplémentaires peuvent être obtenues
en réalisant des contacts de banque de largeurs différentes,
de manière à s'étendre sur plus de plus d'une
position de contact.
Les commutateurs de séquence sont entraînés par
puissance de la même manière que les sélecteurs.
M est l'accouplement magnétique, avec la roue dentée
ZR pivotée sur son induit. L'attraction de cet induit amène
ZR à engager une roue motrice montée sur l'arbre menant
commun, le mouvement de rotation étant transmis à l'arbre
S et aux bras d'essuie-glace. Chaque commutateur séquentiel
est doté d'un dispositif de centrage à commande électrique,
composé d'une roue à cames CW et du groupe de commutation
C. Sa fonction est de contrôler les mouvements des bras d'essuie-glace
en maintenant fermé le circuit à travers le ressort
de centrage jusqu'à ce que les bras d'essuie-glace aient atteint
la position exacte souhaitée.
Les commutateurs de séquence sont connectés aux lignes
principales exactement de la même manière que les sélecteurs,
c'est-à-dire. e. au moyen de fiches P aux jacks, qui sont montés
sur les racks.
Les commutateurs de séquence sont montés de part et
d'autre du rack, chaque côté ou panneau pouvant accueillir
20 commutateurs, avec leurs fusibles et dispositifs d'alarme.
C. Le registre Set.
Un ensemble de registres est présenté sur la Fig. 5,
les parties les plus importantes étant :
Le BP de base
» Enregistrer les unités Re
» Mécanisme de restauration, composé de :
A Accouplement magnétique M et Arbre S avec disques K
» Séquenceur MRR
Les relais dont est équipé un ensemble de registres
sont montés sur la base BP, comme indiqué à l'extrême
gauche sur la Fig. 5.
Une unité de registre montrée sur la Fig. 6 est
un sélecteur pas à pas. La banque de contacts est constituée
de segments circulaires d'isolation (s'étendant sur un peu
plus d'un demi-cercle) dans lesquels les contacts métalliques
sont fixés. Les bras d'essuie-glace sont montés sur
l'arbre S, qui porte également la roue à rochet SW et
le bras de rappel RA. Une unité de registre a 27 positions
de contact, c'est-à-dire e,. la position de départ 0,
25 positions de 1 à 25 et une position supplémentaire
26.
Le dispositif à cliquet de l'unité de registre se compose
d'une bobine magnétique SM et de son induit A. L'induit actionne
un levier d'échappement (non visible sur l'illustration) qui,
à son tour, fait office de mécanisme de déclenchement
pour la roue à rochet SW.

Fig. 5 Sequence switch . Fig. 6 Register unit
Une extrémité du ressort hélicoïdal SS est
fixée au châssis et l'autre entoure l'arbre S.
Ce ressort tend à faire tourner l'arbre et les bras d'essuie-glace,
mouvement qui est cependant contrecarré par le levier d'échappement
qui engage la roue à rochet SW. Si un courant électrique
traverse maintenant la bobine magnétique SM, son armature sera
attirée et le levier libérera la roue, permettant aux
essuie-glaces d'avancer d'un pas. Une nouvelle coupure du courant
réajustera le levier, permettant aux essuie-glaces d'avancer
d'un pas de plus. étape. Les essuie-glaces avancent ainsi de
deux pas pour chaque impulsion complète (c'est-à-dire
une fermeture et une
coupure du circuit). D est un indicateur qui indique la position occupée
par les essuie-glaces.
Les unités de registre faisant partie d'un ensemble de registres
sont montées sur la base BP (fig. 5).
L'arbre S avec les disques K est amené à tourner lorsque
l'accouplement magnétique de rappel est amené à
engager l'arbre d'entraînement vertical. Les disques K sont
munis de goujons qui actionnent les bras de rappel RA des unités
de registre, ramenant ainsi les bras d'essuie-glace à la position
de départ, 0.
Les ensembles de registres sont également connectés
de manière amovible aux lignes principales de la même
manière que les sélecteurs et les commutateurs de séquence,
c'est-à-dire. e. au moyen de fiches s'insérant dans
les prises montées sur les racks.
Les ensembles de registres sont montés sur des racks à
un ou deux côtés, avec 10 à 12 ensembles sur chaque
panneau.
D. Les relais.
Les relais utilisés dans un échange automatique sont
pratiquement identiques au type bien connu d'Ericsson. Quelques améliorations
ont cependant été adoptées, comme la suppression
de toutes les connexions internes, toutes les connexions des groupes
de commutation et des bobines étant réalisées
sur des languettes à souder. L'avantage de pouvoir retirer
et remplacer les bobines et les groupes de commutation est ainsi obtenu.
Les armatures des relais ont été repensées afin
de les rendre plus sensibles et plus rapides.
Un soin particulier a été apporté pour obtenir
une pression correctement équilibrée pour les points
de contact.
II. La construction du système.
A. L'extension des appels aux sélecteurs de groupe,
dans le système automatique Ericsson, s'effectue au moyen de
chercheurs de ligne. Les lignes des abonnés sont regroupées
par groupes de 500. Chaque groupe est connecté au multiple
dans un rack de recherche de ligne. Le nombre de détecteurs
de lignes nécessaires pour 500 lignes dépend du trafic
(c'est-à-dire du nombre et de la durée moyenne des appels
pendant l'heure de pointe) et varie généralement entre
30 et 50.
B. Chaque chercheur de ligne est associé à un
sélecteur de groupe, comme le montre la Fig.. 7, LF
signifiant un chercheur de ligne et GS un sélecteur de groupe.
Si 40 détecteurs de lignes sont nécessaires, le rack
de sélection de groupe correspondant contiendra également
40 sélecteurs de groupe.
Fig. 7
Fig. 8 
Les lignes réseau relient les multiples cadres des racks de
sélection de groupe aux connecteurs ou à d'autres sélecteurs
de groupe.
Si la pleine capacité des vingt-cinq châssis multiples
d'un rack de sélection de groupe est utilisée pour les
lignes réseau vers les connecteurs, une capacité de
25 x 500 = 12 500 lignes est obtenue. Toutefois, pour des raisons
pratiques, il n'est pas habituel d'utiliser à cet effet plus
que les 20 premières trames, les 5 restantes (21 à 25)
étant utilisées pour des lignes spéciales.
Une capacité de 2 0 x 5 0 0 = 10 000 lignes est ainsi atteinte
par l'utilisation d'un seul sélecteur de groupe, comme le montre
la fig. 8.
Les sélecteurs de groupe dans une usine de 10 000 lignes dirigent
la connexion du groupe de 500 souhaité au moyen du mouvement
rotatif, tandis que le mouvement radial est utilisé pour rechercher
un connecteur débrayé (c'est-à-dire lorsque le
bras de contact entre dans le cadre multiple). .
C. Le connecteur effectue la connexion finale au numéro
souhaité. Le groupe de 20 qui contient le numéro souhaité
est recherché
se réalise au moyen du mouvement rotatif des sélecteurs,
et la connexion finale est réalisée au moyen du mouvement
radial.
Un multiple de connecteur contient 500 lignes, semblables au multiple
de recherche de ligne. Chaque groupe de 500 lignes possède
donc son rack de connecteurs, contenant un certain nombre de connecteurs,
leur nombre dépendant de l'intensité du trafic.
La Fig. 9 montre le procédé de numérotation des
multiples trames dans un bâti de sélection de groupe
pour une installation de 10 000 lignes, tandis que la Fig. 10 montre
comment les multiples de connecteurs sont numérotés.


Chaque groupe de 1 000 occupe 2 images dans le multiple du sélecteur
de groupe, la première contenant les 5 centaines inférieures
de 0 à 4, et la seconde contenant (les 5 centaines supérieures
de 5 à 9.
D. La capacité peut être augmentée
à 25 x 20 x 500 = 250 000 en ajoutant un sélecteur de
groupe supplémentaire, comme indiqué sur la fig. 11.
Les lignes réseau sont transportées depuis les premiers
sélecteurs de groupe 1GS jusqu'à 25 dizaines de milliers
de groupes. Ces lignes réseau se terminent par des sélecteurs
de deuxième groupe 2GS dont les multiples sont reliés
aux connecteurs C du
groupes respectifs de cinq cents.
E. Un autre système, dans lequel un ou deux sélecteurs
de groupe sont utilisés pour compléter les connexions,
est applicable aux installations de 10 000 à 60 000 lignes.
Un diagramme schématique de ce système, pour une installation
de 30 000 lignes, est présenté à la fig. 12.

Les 30 000 lignes sont regroupées en 3 dizaines de milliers.
Le trafic entre les abonnés dont les numéros appartiennent
au même groupe de dix milles est géré par un sélecteur
de groupe 1 GS, puisque les multiples trames du premier rack de sélection
de groupe contiennent des lignes interurbaines jusqu'aux 20 cinq cents
correspondant à leur propre groupe de 10 000. Les lignes principales
provenant des multiples trames 21 à 25 se dirigent vers le
deuxième sélecteur de groupe 2 GS, dont les multiples
sont à leur tour reliés aux connecteurs.
Ainsi, une capacité de 10 000 + 5x10 000 = 60 000 est atteinte
par ce système lorsque toutes les trames multiples des sélecteurs
du premier groupe sont utilisées.
F. Le branchement en parallèle des multiples
des sélecteurs de groupe, et le branchement des câbles
aux connecteurs se fait dans un répartiteur de trafic. Ces
cadres sont composés de deux cornières verticales munies
de languettes auxquelles sont connectés et couplés en
parallèle les fils de câbles provenant des multiples
cadres des sélecteurs de groupe, de manière à
obtenir une répartition uniforme des connecteurs en fonction
du trafic. Un exemple est illustré sur la fig. 13.
LF et GS sont des racks de recherche de ligne et de sélection
de groupe pour 6 groupes de cinq cents. L'agrégation vers le
répartiteur de trafic est représentée uniquement
à partir de la première trame multiple, correspondant
au groupe de cinq centaines 0000 à 0499. Ainsi, un câble
de 20 lignes est acheminé depuis la trame no. 1 dans chaque
cadre de sélection de groupe au T. D. F. Supposons
que les conditions de circulation nécessitent l'utilisation
de 60 connecteurs pour 500 lignes ; la distribution peut alors être
agencée comme le montre la fig. 13, par exemple, en couplant
en parallèle les multiples par paires, chaque paire comportant
20 lignes principales au rack de connecteurs en question.
G. Connexion des jeux de registres.
Lorsqu'un détecteur de ligne est connecté à la
ligne d'un abonné, un ensemble de registres doit également
être connecté dans le but de diriger les mouvements des
sélecteurs de groupe et des connecteurs. Par conséquent,
le registre est placé entre le chercheur de ligne et le sélecteur
de groupe, comme le montre la fig. 14,
Etant donné qu'un ensemble d'enregistreurs n'est engagé
que le temps nécessaire à l'abonné pour composer
le numéro souhaité et pour que les sélecteurs
de groupe et les connecteurs se déplacent vers leurs positions
respectives, tandis que les détecteurs de ligne, les sélecteurs
de groupe et les connecteurs, sur le au contraire, sont engagés
aussi longtemps que dure la conversation, il est facile de comprendre
qu'il serait très peu économique de prévoir un
ensemble de registres pour chaque chercheur de ligne individuel, d'autant
plus qu'il s'agit de dispositifs relativement coûteux et encombrants.
Pour cette raison, seul un certain nombre est attribué à
chaque groupe de détecteurs de lignes, ce nombre étant
déterminé par les conditions de circulation. Des sélecteurs
spéciaux sont utilisés pour connecter les ensembles
de registres aux chercheurs de ligne.
Deux principes différents peuvent ici être appliqués,
clairement illustrés sur les figs. 15 et 16.
 
En fig. 15, la connexion est réalisée au moyen de ce
que l'on appelle des chercheurs de registre. Chaque ensemble de registres
est équipé d'un chercheur de registre (dont la construction
correspond à celle d'un commutateur de séquence) pouvant
accueillir 35 lignes.
Dans ce cas donc, les chercheurs de lignes formeront des groupes de
35. A chacun de ces groupes est attribué un certain nombre
de jeux de registres (6 à 9, selon le trafic). Un appel entrant
dans un tel groupe met en mouvement tous les chercheurs de registre
RS appartenant aux ensembles de registres désengagés,
et celui qui trouve en premier le chercheur de ligne appelante LF
est connecté.
En figue. 16, les ensembles de registres sont connectés au
moyen de sélecteurs de registres RV, dont un est attribué
à chaque chercheur de ligne LF. Les banques de contacts de
ces sélecteurs, composées de 20 positions de contact,
sont couplées en parallèle et connectées à
20 jeux de registres. Le nombre de détecteurs de ligne LF pouvant
être connectés à un groupe de 20 ensembles de
registres dépend des conditions de circulation. (Un groupe
de 20 postes peut, en règle générale, être
connecté aux détecteurs de lignes pour 3 ou 4 groupes
de cinq cents).
III. Fonctionnement du jeu de registres.
La construction mécanique d'un ensemble de registres a déjà
été décrite sous II-C. Compte tenu de ses fonctions,
un ensemble d'enregistreurs peut être divisé en deux
parties, à savoir la partie enregistreuse, qui reçoit
et »enregistre> les numéros composés depuis
le téléphone de l'abonné (ou, dans le cas d'un
central semi-automatique, les numéros appelés depuis
le clavier de l'opérateur) et la partie de contrôle,
qui dirige le réglage correct des sélecteurs de groupe
et des connecteurs.

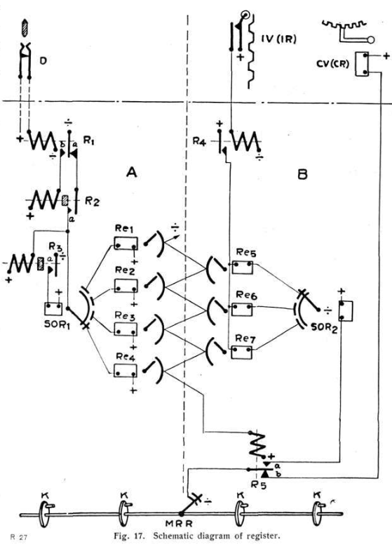
Le diagramme schématique d'un registre pour une installation
avec des numéros d'abonnés à quatre chiffres
(0000 à 9999) est représenté sur la fig. 17.
A. Enregistrement d'une partie de l'ensemble de registres.
La partie de l'ensemble de registres qui enregistre les nombres se
compose de :
Le relais impulsionnel R1.
La fonction principale de ce relais est de recevoir les impulsions
qui sont envoyées au moyen du cadran D de l'abonné.
Simultanément à la connexion d'un enregistreur réglé
sur la ligne d'un abonné, un circuit depuis la terre sur la
ligne et le téléphone de l'abonné, et à
travers le le relais impulsionnel Ri, à batterie, est fermé,
entraînant l'actionnement du relais Ri. La composition d'un
chiffre crée un train de coupures ou d'impulsions, provoquant
le relâchement du relais Ri autant de fois que le circuit a
été interrompu dans le cadran. (Le nombre de coupures
de circuit correspond dans ce cas au chiffre composé. Le chiffre
1 provoquera l'interruption du circuit une fois, le chiffre 2 deux
fois, etc. et le chiffre 0 enfin provoquera l'interruption du circuit
10 fois. .)
Le relais de rétablissement R2.
La fonction du relais R2 est de restaurer le registre à la
normale une fois la connexion terminée.
Ce relais est construit de manière à être uniquement
à déclenchement lent. Il est attiré par le contact
a) dans le relais Ri au moment même où l'enregistreur
est connecté à la ligne d'un abonné, et conserve
cette position jusqu'à ce que la connexion soit terminée.
Du fait de son déclenchement lent, le relais R2 reste attiré
lors de l'impulsion du relais R1.
Le relais de contrôle R3.
Le relais R3 contrôle les mouvements de l'interrupteur de commande
SOR1. Il s'agit d'un relais à action lente de conception similaire
à celui du R2 et est, pour cette raison, attiré une
fois pour chaque train d'impulsions envoyé, c'est-à-dire
une fois pour chaque chiffre composé.
L'interrupteur de commande SOR1.
Cet appareil est similaire dans sa construction à une unité
de registre, décrite sous II-C, et sa fonction Cet appareil
est de construction similaire à une unité de registre,
décrite sous II-C, et sa fonction est la connexion successive
des unités Re1 à Re4. Son aimant est excité par
un contact dans
le relais de commande R3.
Les unités d'enregistrement Re1 à Re4.
Le but de ces unités est d'enregistrer les numéros composés.
Ils sont successivement connectés par l'interrupteur de commande
et prennent les positions qui correspondent aux numéros composés.
Re1 est en circuit lorsque le chiffre des milliers est composé.
Res est en circuit lorsque le chiffre des centaines est composé.
Re3 est en circuit lorsque le chiffre des dizaines est composé.
Rei est en circuit lorsque le chiffre des unités est composé.
B. Contrôler une partie de l'ensemble de registres.
Cette partie de l'ensemble des registres est composée de :
Le relais à impulsions réversible R4.
La fonction de ce relais est de recevoir les impulsions émises
par les sélecteurs de groupe lors de leur mouvement de rotation
et par les connecteurs lors de leurs mouvements de rotation et radiaux,
et de les répéter aux unités de contrôle
Re5, à Re7. Ces impulsions sont générées
via le contact d'impulsion IV (IR) et correspondent en nombre au nombre
de pas parcourus par les mouvements du sélecteur et du connecteur.
Le relais d'arrêt R5.
Le relais R5 coupe le courant de démarrage vers les sélecteurs
de groupe et les connecteurs et sert également à fermer
le circuit vers l'aimant de l'interrupteur de commande SOR2.
L'interrupteur de commande SOR2.
La fonction de cet interrupteur de commande est de connecter successivement
les unités de commande Re5 à Re7.
Les unités de contrôle Re5, à Re7.
L'unité de contrôle Res est réglée par
le mouvement rotatif du sélecteur de groupe, L'unité
de contrôle Re6 est réglée par le mouvement rotatif
du connecteur, L'unité de contrôle Re7 est réglée
par le mouvement radial du connecteur.
Ces unités de contrôle, qui reçoivent leurs impulsions
du relais à impulsions inverseur R4, suivent exactement les
mouvements du sélecteur, par exemple, lorsque le mouvement
rotatif d'un sélecteur de groupe a avancé de 11 pas,
l'unité de contrôle Re5 a également avancé
de 11 pas, etc.
Le mécanisme de rappel à disques K comporte un interrupteur
séquentiel MRR relié à son arbre dont une des
fonctions est de connecter la batterie de démarrage des sélecteurs
de groupe et des connecteurs.
Le réglage des sélecteurs de groupe et des connecteurs
s'effectue au moyen d'une commande par impulsion dite réversible.
Lorsqu'un nombre suffisant de chiffres a été composé
et enregistré par les unités d'enregistrement Re1 à
Re4 (les deux premiers chiffres pour un système de numérotation
à quatre chiffres), le commutateur de séquence MRR est
réinitialisé afin que la batterie soit connectée.
connecté pour démarrer le sélecteur de groupe.
L'aimant de centrage pour le mouvement rotatif CV est excité
(par l'intermédiaire d'un relais spécial qui, par souci
de simplicité, est omis sur la figure 17), grâce à
quoi son armature libère le disque rotatif et ferme simultanément
le circuit vers l'accouplement magnétique". Les impulsions
sont envoyé à l'enregistreur pendant que le sélecteur
de groupe tourne, grâce à quoi l'unité de commande
Re5 est correctement réglée. Lorsque le mouvement du
sélecteur a avancé d'un certain nombre de pas correspondant
aux deux premiers chiffres du numéro composé (les chiffres
des milliers et des centaines), un Le circuit est fermé sur
les unités d'enregistrement Re1Re5Re2 via le relais
R5, qui attire ainsi son armature et coupe le courant de démarrage
du sélecteur au niveau du contact dans R5.
Le principe de paramétrage des connecteurs est le même
que celui des sélecteurs de groupes. Le réglage d'un
sélecteur de groupe, comme cela a déjà été
mentionné, est déterminé par les deux premiers
chiffres d'un nombre à quatre chiffres, le premier chiffre
déterminant le groupe des milliers tandis que le deuxième
chiffre détermine si la commutation doit être dirigée
vers un groupe de cinq centaines de un chiffre de centaines faible
ou élevé.
Ce principe de réglage est également mis en évidence
par la numérotation des multiples du sélecteur de groupe,
comme le montre la fig. 9.
Le réglage rotatif d'un connecteur est déterminé
par les chiffres des centaines et des dizaines (voir fig. 10). Il
convient de noter ici que les chiffres des centaines basses 0, 1,
2, 3 et 4 sont équivalents aux chiffres des centaines élevées
5, 6, 7, 8 et 9.
Le réglage radial d'un connecteur, enfin, est déterminé
par les chiffres des dizaines et des unités.
La figure 18 montre comment la connexion est établie entre
les unités d'enregistrement Re1 à Re4 et les unités
Re5 à Re7, qui contrôlent le réglage correct des
sélecteurs et connecteurs de groupe, de manière à
réaliser la traduction du système décimal vers
un système correspondant au regroupement. de lignes dans les
sélecteurs de groupe et les connecteurs.
Supposons que le numéro 4567 ait été composé.
Le circuit a) attire le relais d'arrêt R5 et arrête le
sélecteur de groupe devant le dixième cadre multiple,
le circuit b) arrête le connecteur en rotation devant le quatrième
cadre, et le circuit c), enfin, arrête le mouvement radial du
connecteur lorsque le le bras de contact a atteint la ligne 7 dans
le cadre.
IV. Connecter un appelant à un abonné appelé.
Le processus d'établissement d'un circuit parlant entre deux
abonnés est brièvement le suivant :
A. L'appel est connecté à un outil de recherche de ligne
libre.
B. L'appel est connecté via le chercheur de ligne et un sélecteur
de registre (ou chercheur de registre) à un ensemble de registres
désengagé.
C. Le numéro appelé est enregistré dans le jeu
de registres.
D. Le sélecteur de groupe est réglé sur sa position
rotative.
E. Le bras de contact du sélecteur de groupe entre dans le
multiple, à la recherche d'un connecteur inactif.
F. Le connecteur est réglé sur sa position rotative.
G. Le connecteur est réglé radialement.
H. L'ensemble de registres est restauré à la normale
après avoir terminé sa fonction.
I. Le connecteur teste si le numéro souhaité est libre.
K. Un courant de sonnerie est envoyé au numéro appelé.
L. L'abonné appelé répond, coupant ainsi le circuit
de sonnerie.
M. Les sélecteurs reviennent à la normale lorsque l'appel
est libéré, l'appel étant enregistré sur
le compteur de service de l'abonné appelant. |
sommaire
|
Appareil d'appel pour les systèmes
téléphoniques automatiques.
L'appareil d'appel généralement
utilisé dans le cadre des systèmes téléphoniques
entièrement automatiques est constitué de ce que
l'on appelle un cadran
. Au moyen du cadran, une série d'impulsions correspondant
aux différents chiffres est envoyée au poste de
commutation.
La méthode de numérotation, comme nous le savons,
consiste à insérer un doigt tour à tour
dans les trous pour les doigts respectifs sur la face du cadran,
en tournant à chaque fois le cadran jusqu'à ce
que le doigt entre en contact avec la butée métallique
; la molette étant ensuite relâchée, elle
revient automatiquement à la normale. Pour appeler un
numéro composé de six chiffres, l'abonné
doit donc tourner le cadran six fois.
Cette méthode de création du numéro nécessite
cependant une grande quantité de concentration, et un
glissement du doigt ou la composition directe d'un mauvais chiffre
ne peut être corrigé qu'en recommençant
et en effectuant un nouvel appel.
En vue d'offrir aux abonnés une méthode plus pratique
pour passer des appels, un nouveau dispositif d'appel a été
conçu par L. M. Ericsson. sur lequel tous les
chiffres du numéro souhaité sont visibles simultanément
après la configuration du numéro. L'illustration
ci-jointe montre un tel dispositif intégré dans
un modèle de table CO 400.
Le mécanisme de cet émetteur d'impulsions automatique
est équipé de boutons rotatifs moletés
dépassant au-dessus du boîtier. Le numéro
souhaité est défini en tournant ces boutons jusqu'à
ce que les chiffres corrects deviennent visibles dans les petites
ouvertures, permettant ainsi à l'abonné de vérifier
son appel. |

CO 400
|
Sur le côté droit de l'appareil se trouve
en outre un disque ou une commande plus grande au moyen de laquelle
le mécanisme est remonté et l'envoi d'impulsions démarre.
La méthode pour passer un appel est la suivante :
Le numéro souhaité est défini au moyen des boutons
et vérifié sur les chiffres visibles.
Le micro-téléphone est ensuite soulevé de son
support, et lorsque la tonalité de numérotation solennelle
se fait entendre, le disque de commande effectue un tour complet,
libérant ainsi le mécanisme d'envoi d'impulsions.
Voici quelques-uns des avantages de cet appareil d'appel par rapport
au cadran habituel :
1. Le numéro appelé est constamment visible pour vérification
par l'abonné.
2. Les mauvaises connexions dues à une numérotation
incorrecte sont entièrement éliminées. C'est
un facteur très important dans les pays où les dizaines
et les unités apparaissent dans l'ordre inversé (exemple
: finf-und-zwanzig).
3. Le paramètre numérique reste inchangé après
un appel. Si le numéro souhaité est occupé, il
n'est donc pas nécessaire de le réinitialiser lors de
la répétition de l'appel. Il suffit de faire un tour
complet au disque de commande après s'être assuré
que la tonalité est entendue.
4. L'influence manuelle n'affecte pas la longueur ou la durée
des impulsions. |
sommaire
Le premier Switch 500 a été installé en mai 1923
(5000 abonnés), ouvert le 2 août
1923 à Rotterdam
et le second à Norrtullsgatan 47 à Stockholm
le 13 janvier 1924 (5000 abonnés).
Les nombreuses stations mises en service avec succès au fil des
ans soulignent la capacité fonctionnelle du système, compte
tenu notamment du fait qu'il existait dans de nombreux cas des systèmes
concurrents développés par des sociétés ayant
une expérience considérablement accrue des systèmes
téléphoniques automatiques.
Ce commutateur fut installé ensuite massivement en Suède.
1928.
Le switch 
Knut Kåell est resté avec Ericsson jusquen 1959.
En reconnaissance de lappréciation de la société
pour son travail dans le domaine de la technologie téléphonique,
il a reçu le millionième commutateur 500, un prix quil
appréciait beaucoup.
sommaire
1924 En
France, le premier et unique commutateur AGF500 est mis en service
le 21 septembre 1924 à Dieppe
sur 1500 abonnés.
. Il lui a été préféré le système
Rotary 7A/7A1 par l'administration des P &
T, la raison alors invoquée était le surcoût de 12%
du système suédois lors du choix pour Paris...
- La seconde raison est que les baies du commutateurs étaient importées
directement de Suède, ce qui lésait les travailleurs français,
condition éliminatoire à l'époque où nos hommes
politiques pensaient vraiment aux citoyens français et à
l'emploi en France.
- Le commutateur AGF500 de Dieppe fut remplacé le 29 janvier 1960.
Vue d'un sélecteur AGF500 provenant du commutateur de Dieppe (1924-1960)
En bas, à gauche et à droite, sont installés deux
des "râteliers" de contacts de connexions, sélectionnées
par la tige plongeuse
1926 La première grande station
à commutation crossbar a été fabriquée par
Televerket et mise en service à Sundsvall
Suède.
L'aventure de la commutation téléphonique continue et les
Suèdois sont de grands inovateurs, lire
les travaux de BETULANDER
Depuis 1927, la fabrication du système LME 500 points
sous licence L.M. Ericsson a eu lieu en URSS
dans lusine Krasnaya Zara de Leningrad. Le premièr
centre produit dans cette usine a été mise en service à
Rostov-sur-le-Don en 1929.
À la fin de la Seconde Guerre mondiale, la majeure partie de l'infrastructure
de télécommunication avait été détruite,
y compris l'usine Krasnaya Zara; il a été décidé
de reconstruire lusine et de passer à la production dun
commutateur ATS 47 basé sur un modèle allemand davant-guerre.
La production de l'ATS 47 a débuté en 1947. Une version
améliorée de l'ATS 54 a été conçue
en 1954.
En 30 ans, quelque 11 millions de lignes d'abonnés ont été
installées avec l'équipement ATS en Urss.
1931 Ericsson avait livré environ
100 centraux Ericsson 500 totalisant plus de 350 000 lignes.
Les ventes ont continué d'augmenter pendant plusieurs décennies
et n'ont pas diminué de manière significative avant les
années 1970.
En 1974, 4,8 millions de lignes
utilisant ce système étaient en service dans les stations
téléphoniques publiques.
1932 La version Suisse
Le nouveau système de téléphone
automatique créé par la maison Hasler S. A. à
Berne, est basé sur un principe qui diffère très
peu de celui sur lequel reposent les installations qu'elle a établies
jusqu'à ce jour et pour lesquelles elle avait employé
des chercheurs à 25 contacts.
Par contre, l'ensemble des connexions et surtout la construction sont
entièrement nouveaux.
Il a été conçu comme système à
enregistreurs et doit aussi être désigné
comme tel. L'emploi de chercheurs à 25 contacts limite les
possibilités de raccordement de l'installation; il ne pouvait
donc pas être question de le généraliser pour
les centraux de 400 à 1000 abonnés ou davantage, pas
plus que pour les grands centraux et les groupes de réseaux
comptant plusieurs milliers de raccordements. Le nouveau système
employant des chercheurs à 100 contacts, rien ne s'oppose à
ce qu'on y ait recours pour l'installation de centraux importants
comptant 1000 raccordements ou plus. L'intercalation de groupes de
sélecteurs permet de l'étendre à volonté.
Si l'on veut, par exemple, passer d'un système à 1000
raccordements à un système à 10,000, il suffit
d'ajouter un nouveau groupe de sélecteurs, la IIe série
des sélecteurs de groupes. On obtient ainsi un système
où les présélecteurs servent uniquement à
éviter l'installation de dispositifs connecteurs coûteux,
en ce sens que les premiers sélecteurs de groupes fontction
de chercheurs de groupes des milliers, les deuxièmes sélecteurs,
de chercheurs de groupes des centaines et les sélecteurs de
lignes, de chercheurs de raccordements. On remarque en outre qu'en
intercalant en série différents groupes de sélecteurs,
on obtient un système qui peut être étendu à
volonté sans que l'installation des sélecteurs prenne
des proportions exagérées.
La fig. 1 représente la première installation de ce
genre, celle de Hasle-Ruegsau.
Elle est conçue d'après le principe de 1000 raccordements
et équipée de 3 groupes de sélecteurs: les chercheurs
d'appels, les chercheurs de groupes et les chercheurs de lignes. Elle
compte 250 raccordements d'abonnés et est reliée au
central B. C. de Berthoud par 15 lignes servant à l'écoulement
du trafic dans les deux sens. D'autre part, deux centraux terminus,
ceux de Lützelflüh et de Obergoldbach, sont reliés
au central de Hasle-Ruegsau, l'un par 10 lignes de raccordement, l'autre
par deux. Ces deux centraux, qui, avant la mise en service du central
de concentration étaient reliés directement à
Berthoud, sont équipés d'après le système
connu d'enregistreurs-marqueurs comportant des unités à
50 raccordements. Le nouveau système put donc être adapté
sans difficultés et sans grands changements aux installations
existantes. Le nouveau système automatique permet d'employer
des chercheurs de même construction pour les trois groupes de
sélection, ce qui représente un grand avantage au point
de vue technique. Au besoin, les chercheurs d'appels peuvent être
employés aussi bien comme chercheurs de groupes que comme chercheurs
de lignes et réciproquement. L'enregistreur, appelé
enregistreur à sélecteurs, fait ici également
le travail d'une téléphoniste ; il reçoit les
impulsions du numéro composé par l'abonné et
les retransmet jusqu'au dispositif d'appel du numéro désiré.
Jusqu'à maintenant, l'administration suisse avait été
obligée de faire appel exclusivement à des maisons étrangères
pour l'établissement d'installations automatiques importantes.
Le fait qu'une maison suisse est aujourd'hui en mesure d'entreprendre
ces travaux et de s'occuper activement de l'installation de centraux
automatiques importants, présente un grand avantage pour l'économie
nationale.
A. Description des appareils.
Chercheurs
avec multiple de raccordement.
Nous avons déjà vu que le chercheur employé est
du type à 100 contacts et qu'il peut être utilisé
aussi bien comme chercheur d'appels que comme chercheur de groupes
ou chercheur de lignes. La direction est donnée directement
par l'aimant de commande et par l'auto-interrupteur. Le mouvement
de rotation horizontale et le mouvement radial du chercheur sont tous
deux provoqués par le même aimant: l'aimant de direction
ou aimant de commande. Lorsque l'armature de l'aimant de commande
est attirée, le chercheur est mis en mouvement par un cliquet
de propulsion fixé à un prolongement, en forme de fourche,
de l'armature. Ce cliquet de propulsion, qu'on distingue très
bien sur la fig. 2, appuie sur le bras du chercheur en faisant avancer
pas à pas le chercheur qui est retenu après chaque pas
par un cliquet d'arrêt. Les différentes parties du chercheur
peuvent très bien être étudiées d'après
la fig. 2. Le changement de mouvement du chercheur de la direction
horizontale à la direction radiale, est provoqué par
le fonctionnement d'un aimant de couplage. Cet aimant est excité
aussitôt que le balai de test fixé au-dessous du porte-balais
passe sur le raccordement marqué et ferme le circuit du courant.
Lorsque l'aimant de couplage fonctionne, le bras du chercheur est
arrêté dans son mouvement de rotation horizontal par
un dispositif d'arrêt fixé à la partie inférieure
de l'armature de l'aimant et venant engrener dans la roue dentée
du bras du chercheur.

Le porte-balais a 4 conducteurs: les conducteurs de conversation a
et b, le conducteur de test c et le conducteur de comptage d. Il change
la direction de son mouvement sans qu'il y ait interruption dans la
commande. Dès qu'on a testé, le chercheur change la
direction de son mouvement ou s'arrête instantanément.
Après chaque conversation, tous les chercheurs, chercheurs
d'appels, chercheurs de groupes et chercheurs de lignes reviennent
à. leur position de repos. Ce mouvement de recul a lieu aussitôt
que fonctionne l'aimant de déclenchement qui, par une combinaison
de connexions, attire son armature à la fin de chaque conversation.
On remarque à la fig. 2 que sur le prolongement de cette armature
se trouve une fourchette qui, lorsque l'armature est attirée,
fait sortir de leur position le cliquet de propulsion et le cliquet
d'arrêt, libérant le bras du chercheur qui est ramené
à sa position de repos par le ressort de rappel. La construction
du chercheur lui permet de se déplacer de 12 pas dans son.
mouvement de rotation horizontal et d'avancer de 11 pas dans son mouvement
radial. Le multiple de raccordement comprend 11 coulisses avec 11
raccordements chacun, autrement dit, il a une capacité de 121
raccordements. Cependant, on ne prévoit et ne raccorde normalement
que 100 abonnés. On peut ainsi conduire un certain nombre de
raccordements multiples à un seul numéro d'appel, par
exemple relier dix raccordements multiples à 2 numéros
et un à 10 numéros à un seul numéro des
centaines. On peut employer pratiquement le onzième raccordement
de chaque coulisse, en s'en servant pour faire passer l'appel sur
un chercheur libre au cas où le chercheur n'aurait pas fonctionné,
et permettre ainsi l'établissement de la communication. Si,
par suite d'un dérangement quelconque, le chercheur de lignes
ne teste pas l'abonné, le porte- balais continue son mouvement
jusqu'au dernier raccordement sur lequel le signal d'occupation retentit
et l'abonné appelant est ainsi invité à raccrocher
son récepteur. La communication est alors interrompue et les
différents circuits libérés. La vitesse du chercheur
lui permet de tester environ 20 contacts par seconde. Lorsque le chercheur
s'est arrêté, on peut, à n'importe quel moment,
contrôler sa position grâce aux divisions V, -1, -2, -3
9, 0, qui sont gravées sur le bord extérieur de l'étrier.
Aux AS et aux LS, on peut ainsi lire les décades; aux GS, par
contre, on peut lire les groupes des centaines ou les communications
des sous-centraux. Une autre division, qui permet de se rendre compte
de la position du balai dans la coulisse même, est gravée
sur le prolongement latéral du porte-balais. Cette division
porte les signes R, -1, -2, 9, -0, -B; R indique la position de repos;
1 -2 -3 jusqu'à 9-0, les 10 raccordements; B, la position d'occupation.
Grâce à ces deux ^divisions, on peut suivre facilement
l'établissement d'une communication. Cette disposition offre
en outre ce grand avantage qu'en cas de dérangement ou pour
faire des essais, on peut observer sans difficulté les mouvements
des chercheurs. Une méthode analogue est utilisée à
l'étranger pour tous les systèmes automatiques. Une
simple pression latérale sur les deux ressorts d'arrêt
permet de sortir facilement les chercheurs du bâti. On peut
donc réparer rapidement les dérangements aux chercheurs
en remplaçant simplement l'appareil défectueux.
Les chercheurs de chaque groupe de sélecteurs sont réunis
par 8 dans des cadres (suivant les besoins on peut doubler ce nombre),
ainsi que le montre la fig. 4, placés dans le cadre et maintenus
bien au centre par rapport au multiple de raccordement au moyen de
chevilles-guides. Pour former des unités de 100 raccordements,
on réunit sur un même bâti 3 cadres de chercheurs
comprenant les chercheurs des 3 groupes de sélecteurs ainsi
que 100 relais d'abonnés et 100 compteurs de conversations
avec les circuits des chercheurs d'appels, de groupes et de lignes.
Une de ces unités à 100 raccordements prend très
peu de place ; le bâti a une hauteur de 2 m 20 et une largeur
de 72 cm. Le courant est conduit aux chercheurs par une fiche de raccordement
qui est fixée au bâti et qui, par un court câble,
relie les raccordements aux balais et aux bobines des aimants. La
disposition de cette fiche et l'amenée du courant peuvent très
bien être étudiées aux fig. 2 et 4. Tout le multiple
de raccordement comprend 11 coulisses placées dans les cadres
et maintenues au bâti par une seule vis fixée à
sa partie supérieure. Des chevilles guides appropriées
maintiennent chaque coulisse au centre et la relient fortement au
bâti. Tout le système des contacts se compose de fils
nus de bronze phosphoré de 1,2 mm de diamètre qui, sous
forme de coulisses, sont tirés à des distances régulières
et maintenus en place par des plots d'ébonite. Les deux extrémités
de ces tiges de bronze forment des illets qui permettent de
les relier facilement au câble de raccordement.
Le sélecteur.
Contrairement au système d'enregistrement au moyen de relais
décrit dans le bulletin technique n° 2/1931, le système
employé ici comprend des sélecteurs et des relais; les
sélecteurs y fonctionnent comme marqueurs, c'est-à-dire
comme organe enregistreur d'impulsions. Il y a deux sortes de sélecteurs
: le sélecteur à cylindre et le sélecteur ordinaire
(fig. 6).
 
Le sélecteur à cylindre est un petit sélecteur
à 10 contacts qui se compose de deux bobines reliées
en série dont l'une, à action différée,
fait mouvoir le cliquet d'arrêt et l'autre, de construction
normale, actionne le cliquet de propulsion. L'armature de la bobine
ordinaire porte à son extrémité le cliquet de
propulsion qui, lorsque l'armature est attirée, vient engrener
dans la petite roue dentée fixée au cylindre et fait
mouvoir le cylindre d'un nombre de pas égal à celui
des impulsions reçues. Sur le pourtour du cylindre se trouvent,
disposées en hélice, les tiges de contact sur lesquelles
viennent appuyer les ressorts de contact lorsque l'armature est attirée.
Un ressort spiral ramène le cylindre en position de repos aussitôt
que l'aimant à action différée a fonctionné,
c'est-à-dire dès que le courant est interrompu. Le sélecteur
ordinaire se distingue du sélecteur à cylindre en ce
qu'il n'a pas de cylindre. Celui-ci est remplacé par une petite
roue à contact mobile qui ferme un circuit lorsque le sélecteur
a terminé son mouvement.
|
sommaire
Le central de Stockholm a été remplacée par une station
AX le 31 mai 1985. Et
bien sûr, nous en avons un pour Ericsson Katrineholm en Suède.
Televerket (old Telia) nous a fait un don. Et devinez quoi, c'est l'un
des 500 derniers commutateurs à être mis hors service.
C'était dans les années 1990 !!!
Norra Vasa à Stockholm
Autre Innovation Ericsson
Le sélecteur XY du LME. A été utilisé par
SJ. LME 213253. Centre OL du LME. Détail du fonctionnement
du LME ici
1952
PABX x y AHD
32
Bréve histoire de la société Ericsson
C'est une entreprise suédoise de télécommunications
fondée en 1876 par Lars Magnus Ericsson qui crée
sa société de fabrication de téléphones cette
même année . Dès l'année suivante, il est le
plus gros fournisseur de ces appareils en Scandinavie.
En 1876, il créa sa propre entreprise et en 1878 commença
à produire du matériel téléphonique. Ses téléphones
n'étaient pas d'un nouveau design, car ils étaient basés
sur des inventions déjà réalisées aux États-Unis.
Grâce aux travaux de réparation effectués par son
entreprise pour Telegrafverket et les chemins de fer suédois, il
connaissait les téléphones de la société Bell
et de Siemens & Halske. Il a amélioré ces conceptions
pour produire un instrument de meilleure qualité. Ceux-ci ont été
utilisés par les nouvelles compagnies de téléphone
telles que Rijkstelefon pour fournir un service moins coûteux que
celui que Bell pouvait offrir. Il n'avait aucun problème de brevet,
puisque Bell n'avait pas pris la peine de breveter l'invention en Scandinavie.
Le travail dEricsson en tant que facteur dinstruments se reflète
dans le haut niveau de finition et le design orné qui rendent les
téléphones Ericsson de cette période si attrayants
pour les collectionneurs.
En 1900, l'entreprise comptera 1 000 employés et 50 000 téléphones
produits. Deux ans plus tard, elle lance ses premiers points de vente
aux États-Unis.
sommaire
Ericsson est devenu un fournisseur majeur de téléphones
en Scandinavie. L'usine ne parvenant pas à répondre à
la demande, des travaux tels que la menuiserie et la métallurgie
furent sous-traités. Une grande partie des matières premières
était importée, c'est pourquoi, au cours des décennies
suivantes, Ericsson a racheté un certain nombre d'entreprises pour
assurer l'approvisionnement en laiton, en fil, en ébonite et en
acier magnétique. Une grande partie du noyer utilisé pour
les armoires était importée des États-Unis.
Lors d'une tournée aux États-Unis en 1885, Ericsson et H.
T. Cedergren de la SAT ont découvert que les États-Unis
étaient en avance dans la conception des standards téléphoniques,
mais que les téléphones Ericsson étaient aussi performants
que tous ceux disponibles.
À la fin des années 1890, alors que le marché suédois
atteignait la saturation, Ericsson s'étendit dans d'autres pays
par l'intermédiaire d'un certain nombre d'agents. La Grande-Bretagne
et la Russie ont été les premiers marchés. Des usines
ont été construites dans ces pays. Leur influence s'est
étendue à d'autres pays en rachetant des sociétés
existantes comme S.I.T. en France en 1911 et Deckert & Homolka à
Vienne en 1908. En 1912, ils achètent une usine à Budapest.
Cela visait en partie à améliorer les chances dobtenir
des contrats locaux, et en partie au fait que lusine suédoise
ne pouvait pas assurer elle-même lapprovisionnement. Dans
de nombreux cas, les conceptions locales existantes ont été
conservées, modifiées avec des pièces Ericsson à
mesure que la production locale augmentait. Ces versions locales sont
souvent assez inhabituelles et attrayantes. Leurs quantités de
production étaient généralement modestes, elles sont
donc souvent assez rares.
En 1897, la Grande-Bretagne représentait 28 % des ventes de LM
Ericsson. La National Telephone Company était un client important.
En 1903, Ericsson créa une coentreprise avec la National Telephone
Company pour produire des téléphones à Beeston destinés
aux ventes à la Grande-Bretagne et à ses colonies. Il s'agissait
pour la plupart de copies de modèles suédois, mais ils produisaient
également des composants construits sous licence d'autres sociétés.
Beeston a progressivement simplifié les dessins suédois
ornés en des formes plus adaptées à la production
de masse. Cela reflétait également lévolution
des styles de lépoque. Les téléphones muraux
et de table étaient de plus en plus conçus dans une forme
de boîte. Une concession au style résidait dans les transferts
élaborés qui décoraient les boîtiers.
La Première Guerre mondiale, la Grande Dépression qui a
suivi et la perte de ses actifs russes après la Révolution
ont ralenti le développement de LME et limité ses ventes
à de nombreux pays comme lAustralie. Beaucoup de ses anciens
pays clients achetaient désormais des téléphones
à lusine de Beeston (cétait un point sensible
entre Ericsson et leur filiale britannique) ou commençaient à
fabriquer les leurs. Lachat dautres sociétés
liées a mis sous pression les finances dEricsson et le contrôle
de lentreprise est tombé entre les mains de K F Wincrantz.
Wincrantz était soutenu par Ivar Kreuger, un financier international.
En 1930, Kreuger prit le contrôle de l'entreprise et utilisa ses
actifs et son nom dans une série de mauvaises transactions financières
internationales qui n'avaient rien à voir avec le téléphone.
Affaiblie financièrement, Ericsson était désormais
considérée comme une cible de rachat par International Telephone
& Telegraph de Sosthène Behn, leur principal concurrent international.
En 1931, ITT acquiert auprès de Kreuger suffisamment d'actions
pour détenir une participation majoritaire dans Ericsson. Cette
nouvelle n'a pas été rendue publique. Il y avait une limite
imposée par le gouvernement aux participations étrangères
dans les sociétés suédoises, de sorte que pour le
moment, les actions étaient toujours cotées au nom de Kreuger.
En échange, Kreuger devait acquérir des parts dans ITT.
Il a réalisé un bénéfice de 11 millions de
dollars sur cette transaction.
La situation financière précaire de lentreprise devenait
évidente. LME a découvert que Kreuger avait investi dans
des transactions d'actions très douteuses et que les pertes pour
lui et pour l'entreprise seraient importantes. ITT a commencé à
examiner laccord dans lequel ils avaient souscrit et a découvert
quils avaient été sérieusement induits en erreur
sur la valeur de lentreprise. Ils ont convoqué Kreuger à
New York pour une conférence, mais il a eu une « panne ».
Alors que la nouvelle de la situation financière de Kreuger se
répandait, les banques ont exercé des pressions sur lui
pour qu'il garantisse ses prêts. ITT a annulé l'accord d'achat
des actions d'Ericsson.
Kreuger a dû rembourser les 11 millions de dollars, ce qu'il n'a
pas pu faire. Sous une pression croissante, il se suicida à Paris
en 1932. Ericsson, une entreprise fondamentalement stable et rentable,
ne fut sauvée de la faillite et de la fermeture qu'avec l'aide
de banques fidèles et un certain soutien du gouvernement.
Dans les années 1920 et 1930, de nombreux gouvernements consolidaient
leurs systèmes téléphoniques. Les systèmes
fragmentés qui s'étaient développés au fil
des années, gérés par de nombreuses petites entreprises
privées, ont été intégrés et proposés
à la location à une seule entreprise. Ericsson a connu quelques
succès dans l'obtention de ces baux, mais quelques pertes. Ils
étaient vitaux pour l'entreprise, car ils représentaient
de nouvelles ventes d'équipements. Les autres grandes compagnies
de téléphone avaient bien sûr le même objectif
en tête. Ericsson a réussi à placer près d'un
tiers de ses ventes sous le contrôle de ses sociétés
d'exploitation téléphonique dans des pays aussi éloignés
que le Mexique et l'Espagne.
ITT a tenté d'entamer des négociations entre les principales
compagnies de téléphone dans le but de se partager le monde,
mais la taille même de l'empire ITT rendait difficile la concurrence.
En raison de ses problèmes financiers, Ericsson a été
contraint de réduire sa participation dans les sociétés
d'exploitation de téléphones et de revenir à ce qu'il
faisait de mieux, à savoir fabriquer des téléphones
et des appareils de commutation. Elle pouvait le faire facilement, car
elle disposait dun atout caché dans ses installations de
fabrication à létranger et ses sociétés
dapprovisionnement associées. Ceux-ci étaient généralement
dans une position saine.
Lusine de Beeston en Grande-Bretagne est désormais devenue
un atout très utile.
En 1911, Ericsson a construit des équipements de commutation
automatique pour la poste britannique sous licence de Strowger
et ont exporté une grande quantité de leurs produits vers
d'anciennes colonies comme l'Afrique du Sud et l'Australie. L'usine de
Beeston réalisait autant de ventes que la société
mère. Le gouvernement britannique partageait ses contrats entre
ses fabricants locaux. Les installations de fabrication de LME en Grande-Bretagne
les ont aidés à remporter une grande part des contrats.
Les ventes ont repris après la Grande Dépression, mais l'entreprise
n'a pas pu atteindre la même pénétration du marché
qu'au tournant du siècle. Même s'ils produisaient toujours
des téléphones, les équipements de commutation devenaient
une partie plus importante de leur gamme. Avec l'utilisation de téléphones
thermoplastiques moulés (bakélite, etc.), les styles distinctifs
d'Ericsson sont rapidement devenus discrets. Après tout, vous ne
pouvez pas faire grand-chose avec la bakélite. La production s'est
de plus en plus tournée vers des modèles génériques
tels que ceux de la poste britannique.
Malgré cela, LME a réussi à conserver sa position
parmi les leaders mondiaux des télécommunications. Ils ont
lancé l'un des premiers téléphones à haut-parleur
mains libres dans les années 1960. En 1956, ils ont lancé
l'Ericofon, qui représentait un changement si radical dans le style
du téléphone qu'il est devenu un objet de collection. Leur
équipement de commutation crossbar est le pilier de nombreuses
administrations téléphoniques à travers le monde.
Leur influence se fait encore fortement sentir dans des domaines tels
que la téléphonie mobile, où leur réputation
de qualité est toujours aussi forte.

1920 L. M. Ericsson Factory Buildings in Stockholm.
sommaire
|